Учебное пособие ФОЭП (1076389), страница 2
Текст из файла (страница 2)
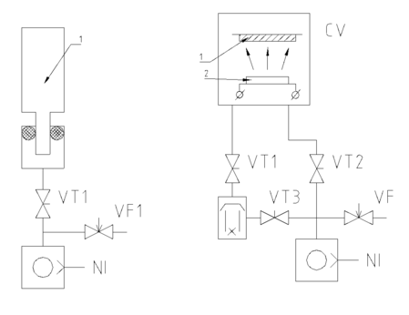
| а) низковакуумная откачка (P103Па) установки для вакуумной упаковки продуктов: 1- вакуумная упаковка; VT1 - вентиль тарельчатый; VF1 – натекатель; NI - насос механический | а) высоковакуумная откачка (P10-3Па) установки для нанесения тонких пленок: 1 - подложка; 2 – испаритель; VT1, 2, 3 - вентили тарельчатые; VF1 – натекатель; ND, NV – насосы диффузионный и механический; CV - колпак вакуумный |
Физические явления при вакуумировании рабочих объемов
Основные постулаты физики вакуума:
-
Газ состоит из молекул, находящихся в беспрерывном и беспорядочном движении;
-
Существует устойчивое распределение молекул по скоростям;
-
Газ - среда изотропная;
-
Температура газа есть мера средней кинетической энергии молекул;
-
Взаимодействие молекул газа происходит как соударение упругих шаров;
-
При соударении с поверхностью твердого тела молекула сорбируется, т. е. на некоторое время задерживается на стенке;
-
Давление есть результат ударов молекул о стенку сосуда.
Давление газа
Давление газа - отношение нормальной составляющей силы, действующей со стороны газа на ограничивающую поверхность, к площади этой поверхности.
В стационарном состоянии (Tгаза=Tстенок) устанавливается определенное распределение скоростей между отдельными молекулами, описываемое функцией распределения Максвелла
Функция распределения молекул газа по скоростям (функция распределения Максвелла):
F(v) - вероятность того, что молекула имеет абсолютную скорость v;
vH1, vH2 - наиболее вероятные скорости молекул для температур T1 и T2
Наиболее вероятная скорость движения молекул газа:
где k - постоянная Больцмана; T - абсолютная температура; m - масса молекулы.
Средняя арифметическая скорость:
,
где ni - количество молекул, имеющих скорость vi; n-концентрация молекул
.
Средняя квадратическая скорость:
Соотношение скоростей молекул:
vn : va : vk = 1:1,13:1,22
Распределение молекул газа по скоростям (при T=293 К)
М - молекулярная масса (в атомных единицах массы)
| Газ | М | vН,м/с | vа,м/с | vК,м/с |
| H2 N2 O2 воздух | 2 28 32 29 | 1554 417 390 410 | 1752 470 440 462,5 | 1902 510 477 501,9 |
Определим выражение для давления P из уравнения Менделеева-Клапейрона для 1 моля газа:
где Vm - объем 1 моля газа; R - универсальная газовая постоянная.
Перепишем уравнение в виде:
где NA - число Авогадро, n - концентрация молекул.
Средняя кинетическая энергия молекулы:
Из этого следует:
.
Основное уравнение молекулярно- кинетической теории газов:
Полное давление смеси газов:
где Pi - парциальное давление i-го газа.
Объем газа, ударяющегося в единицу времени о единицу поверхности
Число соударений молекул в единицу времени о единицу поверхности:
где vа – средняя арифметическая скорость молекулы.
Объем газа, ударяющегося в единицу времени о единицу поверхности:
При нормальных условиях (М = 29; Т = 293 К) va = 462,5
;
Величина V1 не зависит от давления Р и определяет максимальную теоретическую быстроту откачки вакуумных насосов.
Длина свободного пробега молекул
| | где va – средняя арифметическая скорость молекулы; - число столкновений молекулы с другими частицами; где – диаметр молекулы; n – концентрация молекул. |
В действительности все молекулы движутся, и рассматриваемая молекула движется с относительной скоростью
. Тогда число столкновений
и
.
Например, для молекулы воздуха для нормальной температуры Т=293 К и в = 3,710-10 м, k = 1,3810-23
Пример:
-
Атмосферное давление P = 105 Па
-
Средний вакуум Р = 101 Па (механический насос)
-
Высокий вакуум Р = 10-4 Па (в космосе на высоте 150 км)
Степени вакуума
Когда длина свободного пробега молекул становится соизмеримой с размерами сосуда (вакуумной камеры, ЭВП и др.) и молекулы вместо взаимных соударений начинают сталкиваться в основном со стенками сосуда, резко меняется характер явления переноса (теплопроводности, диффузии, вязкости, движения потоков заряженных частиц – электронов и ионов).
Таким образом, степень вакуума, определяемая величиной , существенно влияет на процессы, происходящие в вакуумированном объёме.
Низкий вакуум – характеризуется давлением газа Р, при котором <<d,
где d – характерный размер вакуумного сосуда.
Средний вакуум - характеризуется давлением газа Р, при котором соизмерима с d (d).
Высокий вакуум - характеризуется давлением газа Р, при котором >>d.
Сверхвысокий вакуум - характеризуется давлением газа Р, при котором за время рабочего процесса не происходит заметного изменения свойств поверхности, первоначально свободной от адсорбированного газа.
Таким образом, степень вакуума определяется двумя параметрами: давлением Р (и, соответственно, длинной свободного пробега ) и характерным размером вакуумного сосуда d (например диаметром). Учитывая, что наиболее ходовыми диаметрами являются размеры в диапазоне 16..250 мм, условными границами степеней вакуума являются следующие:
Условные границы степеней вакуума:
| Критерий степени вакуума | Давление, Па | Название вакуума |
| Pd 1,2 мПа | 105…102 | Низкий |
| 0,004 < Pd < 1,2 мПа | 102…10-1 | Средний |
| Pd 0,004 мПа | 10-1…10-4 | Высокий |
| < 1, P < 410-4/to | P < 10-4 | Сверхвысокий |
Условия существования СВВ определяется его взаимодействием с поверхностью материала и, в частности, коэффициентом заполнения поверхности (
где
- количество мест на единице поверхности,
- количество сорбированных молекул на единице поверхности). Если за время проведения рабочего процесса to сохраниться хотя бы малая доля чистой (ювенильной) поверхности, т.е. < 1, то граница СВВ определяется
Р 410-4/ to. С учётом того, что to = 1 с Р < 10-4 Па.
Получение вакуума
Вакуумные насосы можно классифицировать следующим образом:
а) по назначению: сверхвысоковакуумные, высоковакуумные и низковакуумные (форвакуумные);
б) по принципу действия: механические, сорбционные (для среднего и высокого вакуума), диффузионные, магнитные электроразрядные, геттерно-ионные, крионасосы (для высокого и сверхвысокого вакуума).
Основные параметры вакуумного насоса:
-
Проводимость трубопровода U – количество газа, протекающего через трубопровод в единицу времени при разности давлений на концах трубопровода, равной единице:
U = Q /(PО – PH).
Для стационарного потока (Q = const) при откачке вакуумной камеры выполняется условие сплошности газовой среды:
Q = PoSo = PHSH = const.
Установим взаимосвязь между основными параметрами вакуумной системы: So, SH, U:
SH = Q/PH = U(PО – PH) /PH;
















