Учебное пособие ФОЭП (1076389), страница 18
Текст из файла (страница 18)
Предположим, что напряжения на электродах равны нулю, т.е. Uз = Uи= Uс= Un=0. На границах И-П и С-П существуют p-n переходы, а на границе SiO2-П - потенциальный барьер ek. Этот барьер образуется вследствие того, что в пленке SiO2 существует некоторое количество положительнных ионов, а на поверхности полупроводниковой подложки существуют ловушки, захватывающие электроны. Этот двойной электрический слой и создает потенциальный барьер ek.
Таким образом, на поверхности n-области формируется отрицательный объемный заряд (толщиной dn) с электронной проводимостью. В этом случае при Uз=0 и при подаче отрицательного напряжения на сток Uc<0 ток через МОП - транзистор не потечет - Ic =0, т.к. к переходу С-П приложено обратное напряжение.
Рабочая область и энергетические диаграммы МОП-транзистора с
индуцированным каналом
| | |
При подаче на затвор отрицательного напряжения Uз<0 электрическое поле отталкивает электроны от поверхности n-области вглубь полупроводника. При этом уровень Ферми ЕF оказывается ниже середины запрещенной зоны, т.е. у поверхности n-области образуется инверсный слой с дырочной проводимостью. В этом слое между И и С формируется р-канал. Этот канал имеет толщину в несколько нанометров и отделен от n-полурповодника областью положительного объемного заряда.
Изменяя -Uз, можно регулировать концентрацию дырок в р-канале, управляя таким образом его проводимостью.
|
|
|
Пороговое напряжение Uз пор. - напряжение затвора, при котором в МОП-транзисторе формируется канал.
Если при условии |Uз|>|Uз пор.| подать отрицательное напряжение на сток Uc<0 , то в р-канале появится продольное электрическое поле и возникнет дрейфовое движение дырок от И к С, т.е. потечет ток Ic.
Выходные характеристики МОП-транзистора с индуцированным каналом
Пусть Uп=0, Uи=0. Покажем выходные (стоковые) зависимости Ic=(Uc) при фиксированных значениях Uз=const.
Выходные (стоковые) характеристики МОП-транзистора с индуцированным каналом
Ток стока Ic можно регулировать, меняя напряжение на затворе Uз. При этом меняется концентрация дырок в канале. Ic можно регулировать также при помощи напряжения Uc. В этом случае будет меняться дрейфовая скорость движения дырок в канале.
МДП транзисторы со встроенным каналом
Электрическое поле затвора (+) выталкивает дырки из канала, обедняя его основными носителями заряда (рис. )
В режиме обогащения канала электрическое поле (-) втягивает дырки в канал, обогащая его основными носителями заряда. Таким образом, меняя величину и полярность U3 , можно регулировать проводимость канала, а следовательно величину Ic за счет изменения концентрации дырок.
Устройство МДП транзистора
1 – исток; 2 – затвор; 3 – сток
Выходные (стоковые) характеристики МДП-транзистора со встроенным каналом
EMBED KompasFRWFile
Характеристика передачи (стоко-затворная) МДП-транзистора
- напряжение на затворе, при котором транзистор запирается.
называется напряжением отсечки МДП транзистора.
Полевые транзисторы с управляющим p-n переходом
EMBED KompasFRWFile
При подаче на затвор отрицательного напряжения
ширина запирающего слоя p-n перехода увеличится, а поперечное сечение n-канала уменьшится и, следовательно, увеличится его электрическое сопротивление.
При подключении к стоку положительного напряжения
возникает дрейфовое движение электронов от истока через канал к стоку, т. е. возникает ток стока
. При
изменяется также конфигурация канала. Вблизи истока потенциал n-канала равен нулю, а вблизи стока
. Напряжение на p-n-переходе вблизи истока равно
, вблизи стока
и ширина запирающего слоя растет, а поперечное сечение n-канала снижается.
Таким образом, током стока
можно управлять, меняя
или
. При некотором отрицательном напряжении затвора
запирающие слои верхнего и нижнего переходов могут сомкнуться и транзистор оказывается запертым:
. При этом напряжение на затворе равно напряжению отсечки
.
Статические характеристики транзистора с управляющим p-n-переходом
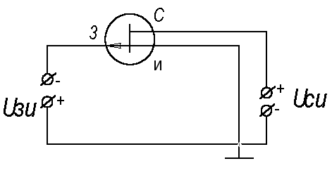
Схема включения полевого транзистора с управляющим p-n-переходом с общим истоком
Для полевого транзистора используются две характеристики:
-
выходная (стоковая)
-
характеристика прямой передачи (стоко-затворная)
Выходные (стоковые) характеристики:
Характеристика прямой передачи (стоко-затворная)
Ток в полевом транзисторе возникает при условии:
.
Иногда используется входная характеристика:
, которая представляет собой обратную ветвь ВАХ p-n-перехода.
EMBED KompasFRWFile
Технология изготовления интегральных микросхем (ИМС)
МОП-транзисторы или МДП-транзисторы являются одними из основных элементов ИМС. Рассмотрим на их примере технологию изготовления планарных ИМС.
Этапы технологического процесса изготовления ИМС
I этап. Изготовление полупроводниковых пластин:
-
Выращивание монокристаллического слитка из расплава;
-
Резка слитка на полупроводниковые пластины;
-
Шлифовка и полировка пластин.
II этап. Формирование структуры прибора:
-
Вакуумное нанесение тонких пленок, окисление, эпитаксия;
-
Микролитография (формирование топологического рисунка);
-
Диффузия, ионная имплантация примесей.
III этап. Сборка приборов:
-
Скрайбирование и разделение пластин на кристаллы;
-
Установка кристаллов в корпус и разварка выводов;
-
Герметизация, контроль и маркировка.
Рассмотрим более подробно II этап технологического процесса на примере МОП - транзистора с индуцированным каналом р – типа.
В качестве заготовки используется Si - пластина, легированная очень незначительным количеством атомов фосфора - Р. На ней формируют пленку SiO2 (окисление Si), вскрывают заданные участки методом фотолитографии (а) и проводят легирование пластины атомами Р (б), образуя n - область МОП - транзистора.
Далее снова происходит формирование пленки SiO2, вскрытие заданных участков (в) и ионная имплантация атомов Р (г). В результате образуется защитное кольцо n+ - типа (г) для предотвращения утечек носителей заряда на поверхность подложки.
Затем на пластине формируется двухслойное покрытие из SiO2 и Si3N4 (д), после чего проводится термическое окисление пластины для получения толстого слоя SiO2 (е). Затем слои SiO2 и Si3N4 удаляют и проводят тонкое окисление (ж).
Для получения затвора на пластину наносят слой поликристаллического Si (проводника) и методом фотолитографии стравливают лишние участки, оставляя в нужном месте участок затвора (з).
Далее проводится имплантация бора В через тонкий слой SiO2 и образование областей р+ - типа (истока и стока МОП - транзистора) (и).
Затем наносят слой SiO2, формируют в нем отверстия для подвода электрических контактов, наносят слой алюминия Al и стравливают лишние участки, образуя токоведущие дорожки (к).
В результате на пластине сформирован МОП - транзистор с индуцированным каналом р - типа.
Рекомендуемая литература
-
Дулин В.Н. Электронные приборы. Учебник для вузов. М., Энергия, 1977.
-
Виноградов Ю.В. Основы электронной и полупроводниковой техники. Учебник для вузов. М., Энергия, 1972.
-
Вакуумная техника: Справочник. Под редакцией Е.С. Фролова, В.Е. Минайчева. М., Машиностроение, 1992.
-
Пипко А.И. и др. Конструирование и расчёт вакуумных систем. М., Энергия, 1979.
-
Ефимов И.Е. и др. Микроэлектроника. Физические и технологические основы, надёжность: Учебное пособие для вузов. М., Высшая школа, 1986.
-
Розанов Л.Н. Вакуумная техника. Учебник для высшей школы, 2-е издание, С-Петербург: «Унивак», 2000, 320 с.
-
Балекин В.И., Иванов А.Н. Основы расчета и конструирования электронных пушек. Конспект лекций. Л., ЛЭТИ, 1979, 46 с.
-
Электронные, квантовые приборы и микроэлектроника: Учеб. пособие для вузов/ Под ред. проф. Н.Д. Федорова. –М.: Радио и связь, 1998.–560 с.
-
Жигарев А.А. Электронная оптика и электроннолучевые приборы. Учебник для втузов. – М., «Высш. школа», 1972. – 540 с.
169
















