лаба2 МАМАЕВ (1075828)
Текст из файла
Московский Государственный Технический Университет
Имени Н.Э.Баумана
Кафедра ИУ5
Отчет к лабораторной работе №2.
«Три схемы включения транзисторов».
Выполнил
Студент группы ИУ5-41
Афанасьев А.Г.
Проверил:
Мамаев В.А.
Москва, 2010
Цель работы: изучить, как влияют различные способы включения биполярного транзистора и величина сопротивления нагрузки на свойства усилительного каскада.
Задание к выполнению лабораторной работы:
-
Подавая на вход схемы синусоидальный сигнал с частотой fc=2кГц (средняя частота для усилителя) и напряжением Uг = 35 мВ, для каждого из усилительных каскадов ОЭ, ОБ, ОК провести экспериментальную оценку малосигнальных параметров каскада Rвх, кi, кu, кр, Rвых различных сопротивлениях нагрузки RН . Построить зависимости параметров усилителя от RН .
-
Используя формулы таблицы, оценить те же параметры усилителя и вычислить относительное расхождение между экспериментальными и аналитическими результатами.
-
Пользуясь экспериментальными данными определить, какой каскад и при каких RН обладает наибольшим усилением по мощности. Объясните почему?
-
Дать заключение, как соотносятся между собой у различных каскадов кi, кu, Rвх , Rвых. Объясните полученные результаты.
-
Экспериментально определить верхнюю граничную частоту для каждого из каскадов ОЭ, ОБ и ОК при RН = R10 . Напряжение на выходе ГСС поддерживать неизменным на всех частотах и равным 35 мВ.
-
Рассчитать fв для каждого каскада и сопоставить расчетные и экспериментально полученные значения между собой.
Теоретическая часть:
В зависимости от того, какой электрод транзистора оказывается общим, различают схемы ОЭ (с общим эмиттером), ОБ(с общей базой) и ОК (с общим коллектором)
Для анализа транзисторных схем важно знать, как связаны электродные токи и напряжения между выводами транзистора, т.е. знать вольт -амперные характеристики.
При анализе каскада ОЭ удобно пользоваться зависимостями
и
. Первые из них называются семейством входных, а вторые – семейством выходных характеристик. Их типичный вид приведен на рис. 3. Здесь же приведена построенная нагрузочная прямая по постоянному току и выбранная на ней рабочая точка транзистора А с координатами
, которая отображена также на семействе входных характеристик и имеет координаты
. Для построенной нагрузочной прямой
(рис.3а) транзистор будет работать в активном режиме при токах базы в диапазоне
. В усилительных схемах транзистор работает в активном режиме, когда эмиттерный переход смещен прямо (для p-n-p транзистора
), а коллекторный – обратно (
). При этом транзистор обладает усилительными свойствами и токи его электродов связаны между собой через статические коэффициенты передачи по току транзистора B и
а) выходная характеристика транзистора в) передаточная характеристика
б) входная характеристика транзистора
На средних частотах можно не учитывать частотную зависимость коэффициента передачи по току и емкость
(она отбрасывается). Емкости конденсаторов С1, С2 и С3 выбирают настолько большим, чтобы на средних частотах их сопротивление было пренебрежимо малым по сравнению с суммарным сопротивлением окружающих их резисторов. Поэтому в эквивалентной схеме на рис. 5 они представлены коротко-замкнутыми ветвями. То же относится и к источнику питания
, так как схема на рис. 5 справедлива только для переменных составляющих токов и напряжений. С учетом сказанного резисторы
и
, так же как и резисторы
и
(
- нагрузка, подключаемая к выходным клеммам усилителя), оказываются соединенными параллельно.
Поэтому в эквивалентной схеме фигурируют
и
. Аналогично можно получить эквивалентные для каскадов ОБ и ОК. Применяя к эквивалентным схемам каскадов известные методы анализа электрических цепей (например, метод контурных токов), можно получить приближенные формулы для оценки основных параметров усилительных каскадов, представленные в таблице. В этих формулах
, где
а
– внутреннее сопротивление источника сигнала. Для всех схем
.
Верхняя граничная частота полосы пропускания (на этой частоте
в
раза меньше, чем на средней частоте) транзисторного каскада зависит от параметров транзистора
и
, нагрузки
, внутреннего сопротивления источника сигнала
и схемы включения транзистора.
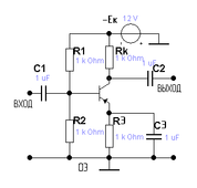
В схеме ОЭ конденсаторы С1 и С2 служат для связи каскада с источником сигнала и нагрузкой на переменном токе и исключают влияние источника и нагрузки на режим работы каскадов по постоянному току. Резисторы обеспечивают выбранный режим работы транзистора в активной области. С3 (блокировочный конденсатор) исключает из работы на переменном токе R3(ОЭ) или делитель напряжения R1,R2(ОБ), обеспечивая присоединение Э(Б) к общей точке схемы. На средних частотах можно не учитывать частотную зависимость коэффициента В и емкость СК. Емкости С1,С2,С3 выбираются настолько большими, что их сопротивлениями на средних частотах можно пренебречь.
Схема ОК не дает усиления по напряжению, а ОБ не имеет усиления по току, ОЭ обеспечивает максимальное усиление по мощности. Наибольшее входное сопротивление оказывается у схемы ОК, а наименьшее - ОБ. Наименьшее выходное сопротивление может быть у схемы с ОК при малом сопротивлении генератора.
Параметры транзистора:
Экспериментальная часть:
Схема с ОЭ:
| Rн, Ом | 20 | 510 | 3600 | 10000 |
| Iвх, мкА | 10.80 | 10.8 | 10.81 | 10.82 |
| Uвх, мВ | 24.22 | 24.2 | 24.21 | 24.20 |
| Iвых, мкА | 526.2 | 462.3 | 261.6 | 137.9 |
| Uвых, мВ | 10.72 | 235.8 | 942.6 | 1379 |
| Ku | 0.44 | 9.73 | 38.93 | 56.98 |
| Ki | 48.7 | 42.8 | 24.2 | 12.74 |
| Kp | 21.4 | 416.5 | 942.1 | 725.9 |
| Rвх | ||||
| Rвых | ||||
Схема с ОБ:
| Rн, Ом | 20 | 510 | 3600 | 10000 |
| Iвх, мкА | 19.26 | 19.26 | 19.26 | 19.26 |
| Uвх, мВ | 0.74 | 0.74 | 0.74 | 0.74 |
| Iвых, мкА | 18.82 | 16.58 | 9.473 | 5.041 |
| Uвых, мВ | 0.31 | 8.45 | 34 | 49.91 |
| Ku | 0.53 | 6.12 | 45.9 | 67.4 |
| Ki | 0.97 | 0.86 | 0.5 | 0.26 |
| Kp | 0.423 | 5.26 | 22.6 | 17.5 |
| Rвх | ||||
| Rвых | ||||
Схема с ОК:
| Rн, Ом | 20 | 510 | 3600 | 10000 |
| Iвх, мкА | 5.965 | 4.637 | 4.505 | 4.489 |
| Uвх, мВ | 14.03 | 15.35 | 15.48 | 15.48 |
| Iвых, мкА | 269.3 | 28.17 | 4.243 | 1.546 |
| Uвых, мВ | 5.387 | 14.36 | 15.22 | 15.31 |
| Ku | 0.384 | 0.936 | 0.983 | 0.99 |
| Ki | 45.147 | 6.075 | 0.941 | 0.344 |
| Kp | 17.34 | 5.69 | 0.925 | 0.34 |
| Rвх | ||||
| Rвых | ||||
Схема с ОЭ:
Характеристики
Тип файла документ
Документы такого типа открываются такими программами, как Microsoft Office Word на компьютерах Windows, Apple Pages на компьютерах Mac, Open Office - бесплатная альтернатива на различных платформах, в том числе Linux. Наиболее простым и современным решением будут Google документы, так как открываются онлайн без скачивания прямо в браузере на любой платформе. Существуют российские качественные аналоги, например от Яндекса.
Будьте внимательны на мобильных устройствах, так как там используются упрощённый функционал даже в официальном приложении от Microsoft, поэтому для просмотра скачивайте PDF-версию. А если нужно редактировать файл, то используйте оригинальный файл.
Файлы такого типа обычно разбиты на страницы, а текст может быть форматированным (жирный, курсив, выбор шрифта, таблицы и т.п.), а также в него можно добавлять изображения. Формат идеально подходит для рефератов, докладов и РПЗ курсовых проектов, которые необходимо распечатать. Кстати перед печатью также сохраняйте файл в PDF, так как принтер может начудить со шрифтами.
















