лаба2 МАМАЕВ (1075828), страница 2
Текст из файла (страница 2)
АЧХ и ФЧХ:
Вычислим погрешность вычисления Rвх и Rвых:
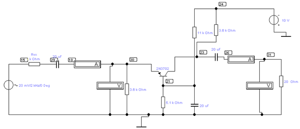
Rвх и Rвых (с помощью Bode Plotter):
Схема с ОБ:
АЧХ и ФЧХ:
Rвх:
Показания Bode Plotter:
Rвых:
Показания Bode Plotter:
Схема с ОК:
АЧХ и ФЧХ:
Rвых:
Выводы:
Рассмотренные выше схемы обладают следующими свойствами:
ОЭ
-
Высокий коэффициент усиления, как по напряжению, так и по току
-
Невысокое входное и относительно высокое выходное сопротивление
-
Узкий диапазон частот равномерного усиления
-
Инвертирует (сдвигает на 180 градусов) фазу
ОБ
-
Высокий, но зависящий от нагрузки коэффициент усиления по напряжению (максимален при холостом ходе, и мал при низкоомной нагрузке)
-
Коэффициент усиления по току менее единицы
-
Низкое входное (десятки Ом) высокое выходное (десятки Мом) сопротивление
-
Хорошие частотные и переходные характеристики при малых нелинейных искажениях
-
Инвертирует фазу
ОК
-
Стабильный и практически единичный(~0.95) коэффициент усиления по напряжению
-
Большой коэффициент усиления по току
Каскад с общим эмиттером обладает высоким усилением по напряжению и току. К недостаткам данной схемы включения можно отнести невысокое входное сопротивление каскада. К преимуществам - высокий коэффициент усиления.
Схема с общим коллектором обладает высоким входным и низким выходным сопротивлениями. Коэффициент усиления по напряжению этой схемы всегда меньше 1. Данная схема используется для согласования каскадов, либо в случае использования источника входного сигнала с высоким входным сопротивлением. В качестве такого источника можно привести, например, пьезоэлектрический звукосниматель или конденсаторный микрофон.
Схема включения транзистора с общей базой используется преимущественно в каскадах усилителей высоких частот.
















