АрхЭВМ_Лаб.раб2007_Часть2_Раб2_589 (1075204)
Текст из файла
ГОСУДАРСТВЕННЫЙ КОМИТЕТ РОССИЙСКОЙ ФЕДЕРАЦИИ ПО ВЫСШЕМУ ОБРАЗОВАНИЮ
МОСКОВСКИЙ ОРДЕНА ЛЕНИНА, ОРДЕНА ОКТЯБРЬСКОЙ РЕВОЛЮЦИИ
И ОРДЕНА ТРУДОВОГО КРАСНОГО ЗНАМЕНИ ГОСУДАРСТВЕННЫЙ ТЕХНИЧЕСКИЙ УНИВЕРСИТЕТ ИМ. Н.Э.БАУМАНА
КАФЕДРА СИСТЕМЫ ОБРАБОТКИ И УПРАВЛЕНИЯ
Лабораторная работа №2
по курсу «Архитектура ЭВМ»
(5 семестр)
"Исследование секционированных микроэвм на базе микропроцессорного комплекса К-589"
Разработал доцент Спиридонов С.Б.
МОСКВА 2007 г.
ПРЕДИСЛОВИЕ.
Приведенные в пособии лабораторные работы проводят при изучении курса «Архитектура ЭВМ» с целью приобретения практических навыков проектирования вычислительных устройств и использования их в качестве управляющих устройств. Лабораторным стендом служит учебная микроЭВМ МП-589, реализованная на микропроцессорном комплексе К 589.
С помощью микроЭВМ студенты знакомятся со структурой вычислительного устройства, построенного по секционируемому принципу с микропрограммным управлением.
Учебная микроЭВМ имеет встроенный сетевой источник питания, средства отображения информации в магистралях и клавиатуру для ввода исходных данных и программ. Сменные платы внешних устройств позволяют подключать к микроЭВМ разнообразные устройства.
При выполнении работ студент должен руководствоваться порядком выполнения работ, изложенных в методических указаниях, а также рекомендациями преподавателя, проводящего занятия.
Результаты экспериментальной работы и самостоятельной теоретической подготовки по исследуемому вопросу защищаться должны студентом в индивидуальном порядке.
ОСОБЕННОСТИ ПРОЕКТИРОВАНИЯ И ПРОГРАММИРОВАНИЯ МИКРОЭВМ НА СЕКЦИОНИРОВАННЫХ МИКРОПРОЦЕССОРНЫХ БОЛЬШИХ ИНТЕГРАЛЬНЫХ СХЕМАХ
1. СХЕМОТЕХНИЧЕСКИЕ ОСОБЕННОСТИ МИКРОЭВМ НА БАЗЕ СЕКЦИОНИРОВАННЫХ МИКРОПРОЦЕССОРОВ
Микропрограммный принцип управления. Основное отличие микропроцессорных систем, построенных на базе секционированных микропроцессов (МП), от микропроцессорных систем, построенных на базе однокристальных МП, заключается в применении микропрограммного способа управления. Рассмотрим этот способ подробно.
В однокристальных МП дешифрирование кода команды производят внутренние логические схемы, которые вырабатывают управляющие сигналы, организующие выполнение команды. Поэтому система команд однокристального МП фиксирована и задается при разработке кристалла.
В секционированных МП дешифрирование кода команды и выработка управляющих сигналов производятся отдельным устройством—микропрограммным устройством управления (УУ), которое содержит, как правило, постоянное запоминающее устройство микропрограмм (ПЗУМП); в нем каждая команда представлена в виде микропрограммы, реализующей выполнение команды [57].
Таким образом, в секционированных МП дешифрирование кода команды и выработка управляющих сигналов производятся не внутренними логическими схемами, а специальным УУ под управлением микропрограммы, хранимой в ПЗУМП.
В результате этого в МП-системе, построенной на базе секционированного МП, существует два уровня программирования: командный, на котором пользователь пишет программы, и микрокомандный, микропрограммы которого составляет разработчик системы.
В общем случае пользователь может и не знать, как реализуется та или иная команда, хотя при необходимости может изменить содержимое ПЗУМП, вводя новую команду или модифицируя уже имеющуюся.
Из вышесказанного следует, что программирование систем на базе микропрограммных секционированных МП с точки зрения пользователя имеет более широкие возможности вследствие того, что система команд может быть дополнена или изменена в зависимости от конкретного применения.
С
уществуют также микропрограммные системы, в которых отсутствует командный уровень, а программирование ведется на уровне микрокоманд. Это позволяет составлять программы, обладающие наибольшей эффективностью, и получать максимальное быстродействие системы. Недостатком данного способа программирования является его сложность и трудоемкость, однако к нему зачастую приходится обращаться при построении систем, работающих в реальном времени.
Наиболее полно возможности микропрограммной системы раскрываются лишь для пользователя, знакомого с архитектурой и схемотехникой МП-системы, поэтому имеет смысл подробно рассмотреть архитектуру и схемотехнику микропрограммной микроЭВМ, построенной на базе секционированного МП-комплекта серии К589.
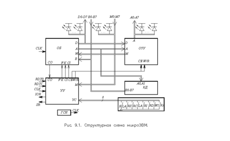
Структурная схема микроЭВМ. Схема микроЭВМ, реализованной в лабораторном стенде МП 589 на основе микропроцессорных БИС серии К589, представлена на рис. 9.1. МикроЭВМ состоит из операционного блока ОБ, устройства управления УУ, образующих в совокупности микропроцессор (МП), блока оперативного запоминающего устройства ОЗУ, клавиатуры Кл, задающей режим работы микроЭВМ, клавиатуры КД для ввода шестнадцатеричных кодов исходных данных и рабочих программ и светодиодов индикации.
МикроЭВМ синхронизируется импульсами CLK генератора синхронизирующих импульсов ГСИ, входящего в состав УУ.
Магистрали для обмена информацией с внешними устройствами выполнены с учетом возможностей микропроцессорных БИС, на которых реализован ОБ. В МПК, серии К589 предусмотрена возможность формирования четырех магистралей: В, D, А, М. В рассматриваемой микроЭВМ магистраль В (ВО — В7) используется для считывания кодов шестнадцатеричной клавиатуры данных. Магистраль D (DO—D7) используется для обмена информацией между выход-дом ОБ, возможными внешними устройствами (ВУ) и входами ОЗУ. Магистраль А (АО — А7) формирует адрес ВУ, к которому обращается МП, или адрес ОЗУ. Магистраль М (МО — М7) обеспечивает передачу информации ОЗУ в ОБ и УУ.
Светодиодные индикаторы отражают коды, передаваемые по магистралям микроЭВМ А, D, М.
Для программного формирования кодов шестнадцатеричной клавиатуры используются в качестве входных сигналов коды адресной магистрали АО, Al, A2, A3. Выходы клавиатуры КД подключены к шинам магистрали ВО, Bl, B2, ВЗ.
Клавиатура Кл режимов формирует управляющие сигналы УС для УУ, в соответствии с которыми микроЭВМ переходит в один из восьми предусмотренных режимов работы.
В микроЭВМ реализовано УУ с микропрограммной реализацией команд. При этом каждая команда представляется как последовательность микрокоманд. Микрокоманды выполняются с частотой поступления синхросигналов CLK. В процессе исполнения микрокоманды ОБ выполняет одну из предусмотренных его схемотехнической реализацией операций с содержимым внутренних регистров или внешних магистралей А, D, М, В в соответствии с кодом микроинструкций F, К, CI. В результате выполнения микрокоманды формируются сигналы переноса СО, ОБ, выходные коды А иВ и преобразуется содержимое внутренних регистров.
Микрокоманда содержит в своем составе совокупность микроинструкций, обеспечивающих синхронную работу блоков микроЭВМ в соответствии с выполняемым действием. Например, микроинструкции СЕ, WR обеспечивают управление схемами ОЗУ в режимах записи и считывания информации. Микроинструкция IOR используется для организации синхронного обмена информацией с ВУ.
С
овокупность микрокоманд, обеспечивающих выполнение системы команд, принятой для каждой конкретной реализации микроЭВМ, записывается в ПЗУ микрокоманд, входящее в состав УУ.
В рассматриваемой микроЭВМ рабочая программа записывается в ОЗУ в виде последовательности команд, соответствующей алгоритму решаемой задачи. Адрес исполняемой команды фиксируется во внутренних регистрах ОБ, на которых организован программный счетчик PC. .После выполнения очередной команды содержимое PC увеличивается на единицу (при последовательном исполнении команд) и по измененному содержимому PC из ОЗУ извлекается код очередной команды, по которому выполняется последовательность микрокоманд, соответствующих считанному коду команды.
Для работы с подпрограммами в микроЭВМ предусмотрена стековая память, построенная на специально отведенных для стека ячейках ОЗУ и использующая в качестве указателя стека SP внутренний регистр ОБ.
При обращении к стеку в ячейку, адрес которой определяется содержимым SP, записывается адрес команды выхода из подпрограммы и содержимое SP уменьшается на единицу. При возвращении к основной программе содержимое SP увеличивается на единицу и указывает адрес ОЗУ, в котором записан адрес команды выхода из подпрограммы.
Операционный блок. Представляет собой 8-разрядный блок обработки данных (рис. 9.2). Реализован ОБ на 4 БИС центрального процессорного элемента (ЦПЭ) К589ИК02 и БИС схемы ускоренного переноса (СУП) К589ИКОЗ. Операционный блок имеет входные шины: данных от внешних устройств В; данных из памяти М; кода микрокоманды F, кода маски К и выходные шины данных D и адреса А. Кроме того, ОБ имеет вход переноса CI и выход переноса СО. Синхронизация работы ОБ осуществляется сигналом CLK.
Ц
ентральный процессорный элемент К589ИК02. Основой ОБ являются центральные процессорные элементы (ЦПЭ), представляющие собой 2-разрядные секции обработки данных. Поскольку ОБ обрабатывает 8-разрядные операнды, используется 4 ЦПЭ. В общем случае для построения N-разрядного ОБ требуется N/2 ЦПЭ. Таким образом, выполнение ОБ в виде массива ЦПЭ позволяет гибко варьировать разрядностью ud в зависимости от конкретной задачи: от простейших 4- и 8-разрядных контроллеров до мощных 16- и 32-разрядных ОБ мини-ЭВМ. В этом заключается одно из главных преимуществ секционированных МП перед однокристальными МП, которые не позволяют изменять разрядность обрабатываемых слов или допускают обработку слов с удвоенной разрядностью путем их последовательной обработки, т. е. с понижением быстродействия.
Массив ЦПЭ выполняет следующие операции: двоичной арифметики, логические операции И, ИЛИ, НЕ, ИСКЛЮЧАЮЩЕЕ ИЛИ, +1, —1, сдвиг влево и вправо, проверку разрядов слова или всего слова на 0.
ЦПЭ содержит: сверхоперативное запоминающее устройство (СОЗУ), состоящее из 11 регистров общего назначения (РОН); накапливающий регистр-аккумулятор (АС); регистр адреса памяти (RA); арифметико-логическое устройство (АЛУ); дешифратор ДШ микрофункций; мультиплексоры А и В.
Схема центрального процессорного элемента. Центральный процессорный элемент (рис. 9.3) выполняет арифметические, логические и регистровые функции 2-разрядного микропрограммного ОБ. Данные от внешних устройств поступают в ЦПЭ по шине В, данные из ОЗУ — по шине М. Выходные данные от ЦПЭ во внешние устройства передаются по шине D, а адрес внешнего устройства или ячейки ОЗУ определяется шиной А. Внутри ЦПЭ данные хранятся в одном из 11 регистров СОЗУ или в АС. Данные от входных шин, регистров СОЗУ .или АС поступают на входы АЛУ через два внутренних мультиплексора А и В. Дополнительные входы и выходы переноса и сдвига вправо служат для организации переносов и сдвигов.
Управление работой АЛУ, СОЗУ и мультиплексорами производит дешифратор ДШ микрофункций, декодирующий информацию на шине микрокоманд F.
Наличие двух входных шин В и М позволяет производить ввод информации в ЦПЭ из ОЗУ и внешних устройств по разным шинам, при этом повышается быстродействие в процедурах обмена информации, кроме того, информация на шинах может подготавливаться заранее.
Сверхоперативное ЗУ(СОЗУ) содержит 11 РОН, обозначенных RO — R9 и Т. Информация с выхода СОЗУ поступает через мультиплексор А на вход АЛУ, а из АЛУ, в свою очередь, на вход СОЗУ.
Для запоминания результатов вычислений в ЦПЭ есть еще независимый регистр АС-аккумулятор. Выход- АС подключен через мультиплексор А ко входу АЛУ, кроме того, выход АС подключен к выходному буферу (с тремя состояниями) магистрали. Передача информации во внешние устройства и ОЗУ осуществляется через АС по магистрали D.
Мультиплексоры А и В выбирают входные данные для двух входов АЛУ в зависимости от кода микрокоманды. Особенностью мультиплексора В является то, что его выходные сигналы образованы как поразрядная конъюнкция кода на шине К и выбранных информационных сигналов. Таким образам, информация на каком-либо выходе мультиплексора В зависит от кода на соответствующем входе шины К. Это позволяет производить гибкое маскирование разрядов.
Характеристики
Тип файла документ
Документы такого типа открываются такими программами, как Microsoft Office Word на компьютерах Windows, Apple Pages на компьютерах Mac, Open Office - бесплатная альтернатива на различных платформах, в том числе Linux. Наиболее простым и современным решением будут Google документы, так как открываются онлайн без скачивания прямо в браузере на любой платформе. Существуют российские качественные аналоги, например от Яндекса.
Будьте внимательны на мобильных устройствах, так как там используются упрощённый функционал даже в официальном приложении от Microsoft, поэтому для просмотра скачивайте PDF-версию. А если нужно редактировать файл, то используйте оригинальный файл.
Файлы такого типа обычно разбиты на страницы, а текст может быть форматированным (жирный, курсив, выбор шрифта, таблицы и т.п.), а также в него можно добавлять изображения. Формат идеально подходит для рефератов, докладов и РПЗ курсовых проектов, которые необходимо распечатать. Кстати перед печатью также сохраняйте файл в PDF, так как принтер может начудить со шрифтами.
















