Деулин Е.А. - Методические указания к лабораторным работам по физике вакуума (1074255), страница 7
Текст из файла (страница 7)
2) Длина L обычно получается не меньше чем сумма длин присоединительные патрубков насоса, откачного гнезда клапана, золотника и определяется конструктивно.
При проверочном расчете по формулам 13, 12 определяется проводимость каждого из участков расчетной схемы трубопровода, затем по формуле 7 или 8 определяется суммарная проводимость трубопровода, после чего определяется реальная быстрота откачки реципиента:
где SН - быстрота действия насоса в данной области давлений, м3с-1.
U - суммарная проводимость трубопровода, м3с-1.
Проверочный расчет должен подтвердить правильность размеров трубопровода и типоразмера насоса, т.е. гарантировать условие (5), согласна которому реальная быстрота откачки будет не меньше требуемой, опpeдeлeннoй по Формуле (1).
7.6. Выбор насоса высоковакуумной откачки.
Если окончательная откачка происходит в сверхвысоком вакууме, то есть при давлении Р<10-4 Па, т.е. вакуумная система, как правило, имеет три вида насосов сверхвысоковакуумные, высоковакуумные и форвакуумные.
В этом случае расчет вакуумной системы помимо выбора средств окончательной (сверхвысоковакуумной) откачки должен включать выбор средств и расчет трубопроводов высоковакуумной откачки, которые производятся аналогично. Так быстрота откачки высоковакуумной системы должна обеспечивать:
где:PP - минимальное рабочее давление высоковакуумного насоса, Па, (табл.7).
Требуемая быстрота действия насоса и проводимость трубопровода определяется аналогично методике приведенной для этапа 4. Рекомендуется выбирать SН из соотношения:
Типоразмер (марка) насоса определяется по данным табл.7. Правильность выбора насоса уточняется при проверочном расчете быстроты откачки реципиента после выбора размеров высоковакуумного трубопровода.
-
Определение размеров трубопровода высоковакуумной откачки
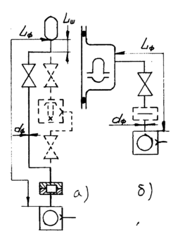
Этот раздел расчета аналогичен этапу 5.Выделяется расчетная схема высоковакуумной откачки (см.рис.18).
При штенгельной откачке ЭВП обязательной частью высоковакуумного трубопровода является штенгель (рис. 18а), размеры и проводимость которого в молекулярном режиме течения газа определены на этапе 5. При штенгельной откачке ЭВП общая проводимость трубопровода, определяемая в соответствии с формулой (7), может быть принята равной проводимости штенгеля см. Формула (14). Поскольку размеры штенгеля известны, размеры остальной части трубопровода выбираются аналогично методике данной для этапа 5.
П
ри бесштенгельной откачке ЗВП (рис.18б) или откачке камер технологического оборудования высоковакуумный трубопровод обычно подводится к камере в стороне от сверхвысоковакуумного трубопровода.
При бесштенгельной откачке реципиента размеры LВ=L и dВ=d, связанные с заданной проводимостью U выражением (6) выбираются аналогично этапу 5.
Рис.18. Расчетные схемы высоковакуумной откачки (сверхвысоковакуумных установок): а) ЭВП на откачном посту; б)ЭВП при бесштенгельной откачке.
-
Определение типоразмера форвакуумного трубопровода
Форвакуумный насос в соответствии с выбранной вакуумной схемой должен быть согласован по производительности с насосом окончательной откачки:
<22)
SНSОфгде РВmax - максимальное рабочее давление высоковакуумного насоса, Па;
Рфmin - минимальное рабочее давление форвакуумного насоса, Па;
SН, SОф - быстрота действия форвакуумного насоса и быстрота откачки объекта этим насосом, м3с-1.
Рекомендуемая быстрота действия насоса:
SН1,5Q/PФ , (18)
где рф- выбранное давление форвакуумного насоса.
Типоразмер (марка) форвакуумного насоса выбирается на основании величины по данным табл.7. Правильность выбора уточняется при проверочном расчете быстроты откачки после выбора размеров трубопровода.
-
Определение размеров трубопровода форвакуумной откачки.
Выделяется расчетная схема форвакуумной откачки:
-
При штенгельной откачке ЭВП обязательный элемент Форвакуумного трубопровода - штенгель (например рис.19а), лимитирующий быстроту откачки реципиента.
-
При бесштенгельной откачке (рис.19б) форвакуумный вакуумопровод обычно имеет постоянное сечение и может подводиться к объекту независимой линией.
Рис.19. Расчетные схемы форвакуумной откачки: а) ЭВП с золотником в области низкого вакуума; б) ЭВП при бесштенгельной откачке.
Длина форвакуумного трубопровода определяется конструктивным расположением форвакуумного насоса относительно реципиента и обычно колеблется в пределам 0,5 - 3 м. Ориентировочное значение диаметра может быть найдено из выражения:
где V - объем откачиваемого объекта, м3;
L - требуемая длина форвакуумного трубопровода, м.
Найденное значение dФ(м) округляется до стандартного значения DУ (см. табл. 10.).
-
Определение времени откачки.
Время откачки включает время, необходимое для достижения давления, требуемого для проведения процесса обезгаживания, а также время, требуемое для достижения окончательного давления в ЭВП после обезгаживания катода (или время, требуемое для достижения рабочего давления в камере элионного оборудования после обезгаживания испарителей в УВН, источников в МЛЭ).
Время откачки реципиента до начала процесса обезгаживания складывается (см. рис.9) из суммы времен откачки форвакуумным tФ, высоковакуумным tВ и сверхвысоковакауумным (если он есть) tСВ насосами от атмосферного давления до давления обезгаживания Рр, определенного на основе анализа техпроцесса. При откачке объекта от атмосферного давления до давления обезгаживания происходит смена режима течения газа в трубопроводах и смена самих трубопроводов путем переключения клапанов и затворов, поэтому общее время от начала откачки до начала обезгаживания определяется как сумма времен откачки по расчетным интервалам. Время откачки в каждом из интервалов определяется как:
где: V - объем откачиваемого объекта, м3;
P1 - начальное давление для рассматриваемого интервала от-качки, Па;
P2 - конечное давление для рассматриваемого интервала откачки, Па;
-предельное давление насоса, Па
Q - суммарный поток газовыделения в рассматриваемый этап откачки, м3Пас-1;
S0 - быстрота откачки на данном этапе, м3с-1.
При ориентировочных расчетах величиной Q/S0 можно пренебречь. Как видно из формулы (20), для расчета времени откачки в каждом из интервалов давлений неодолимо знать быстроту откачки реципиента и граничные давления интервала. Быстрота откачки реципиента определяется для каждого интервала давлений по формуле (15) соответствующими быстротой действия насоса и проводимостью трубопровода. Для этого для каждой из расчетных схем, по формулам (13) определяются граничные давления интервалов давлений, ограничивающие режим течения газа, по формуле 12, в зависимости от режима течения газа, определяется проводимость участков трубопровода, затем по формулам 7,8 - суммарная проводимость трубопровода. Для того же интервала давлений из табл. 7 берется быстрота действия насоса. Очевидно, что для первого интервала давлений при откачке от атмосферного давления: P1 = 105 Па, P2 - граничное давление смены вязкостного режима на молекулярно-вязкостный в самом тонком участке трубопровода. При штенгельной откачке ЭВП таким участком является штенгель. Поскольку штенгель, как правило, является лимитирующем участком трубопровода, то в этом случае при ориентировочные расчетах можно быстроту откачки принимать равной проводимости штенгеля Uшт (т.е. S0Uшт, если UштSH, UштU1, где U1 - любой из остальных участков последовательно соединенного трубопровода).
-
Определение времени обеэгаживания.
Расчетное время обезгаживания tобр, необходимое для удаления газов, сортированных и растворенных в материалах обращенных в вакуум реципиента уже было введено нами в формулу 2. Для поддержания потока газовыделения Q на максимально допустимом уровне (для ускорения процесса) нам нужно иметь практически безинерционную систему автоматического регулирования нагрева внутривакуумной арматуры и корпуса реципиента. Реальные реципиенты: - электровакуумные приборы, особенно крупногабаритные - такие как ЦЭЛТ, а также технологические вакуумные камеры обладают большой инерционностью нагрева и охлаждения. Кроме того, для стеклянных ЗВП, вследствие неравномерности нагрева, вызывающего заметные температурные градиенты, скорость нагрева ограничена растрескиванием изделий из-за возникновения внутренних напряжений.
Так, допустимая скорость нагрева ЭВП из стекла С93-1 составляет VH=0,14 град/с, охлаждения Vox=0,10 град/с, (при температуре обезгаживания TОБ=300-400 С).
Тогда время нагрева изделия до температуры обеэгаживания.
tН=(Tоб-20)/VH, с (21)
Время охлаждения:
tОХ=(Tоб-20)/VОХ, с (22)
Для цельнометаллических реципиентов скорости нагрева и охлаждения могут быть резко (на порядок) увеличены. Технически это достигается использованием галогенных ламп. В то же время скорость охлаждения внутренней арматуры ограничена низкой теплопроводностью остаточных газов (теплопроводностью вакуума) и часто определяется только тепловой радиацией.
После обезгаживания арматуры в соответствии с технологической диаграммой проводится обезгаживание катода или испарителя, проводимое при более высоких температурах (700 - 1000° С) и давлениях Робк (Робк=(3-10)Роб) и определяется особенностями техпроцесса:
где: mк - масса нагреваемых деталей катода (испарителя и материала); gк - газосодержание деталей катода (испарителя и материала).
(Для оксидных катодов газовыделение определяется скоростью разложения карбонатов).Суммарное время обеэгаживания реципиента составит:
















