Семинары (1064721), страница 2
Текст из файла (страница 2)
Задача 3
1. Фазные напряжения приемника равны соответствующим линейным напряжениям источника питания
:
Токи в фазах определяются по закону Ома:
Линейные токи определяются по фазным токам по первому закону Кирхгофа:
Сумма линейных токов равна 0.
СЕМИНАР 9
Расчет переходных процессов в электрических цепях классическим методом
Задача 1
|
| Построить переходной процесс при замыкании ключа. Е = 10 В, С = 10 мкФ, R = 1 кОм τ = RC = 0,01сек - постоянная времени зарядки конденсатора |
Uс пер = Uс уст + Uc cв Uc уст = E = 10 В
переходной процесс проходит по экспоненциальному закону.
τ - постоянная времени, в течении которого свободная составляющая процесса уменьшается в е раз по сравнению с начальным условием.
Рассчитаем несколько характерных точек:
t = τ Uс пер1 = 10(1 -1/2,7) = 6,3 B
t = 2τ Uс пер2 = 10(1 -1/7,29) = 8,63 B
t =3 τ Uс пер3 = 10(1 -1/19,863) = 9,5 B
t =4 τ Uс пер4 = 10(1 -1/53,14) = 9,85 B
t =5 τ Uс пер5 = 10(1 -1/143,5) = 9,9 B
Задача 2
|
| Построить переходной процесс при замыкании ключа. Начальные условия Uc = Е = 10 В, С = 10 мкФ, R = 1 кОм τ = RC = 0,01сек - постоянная времени зарядки конденсатора. |
Постоянная времени, в течении которого свободная составляющая процесса уменьшается в е раз по сравнению с начальным условием.
Uс пер = Uс уст + Uc cв Uc уст = 0 В
Uс пер = Uс св =
переходной процесс проходит по экспоненциальному закону.
Рассчитаем несколько характерных точек:
t = τ Uс пер1 = 10/2,7= 3,7 B
t = 2τ Uс пер2 = 10/7,29 = 1,37 B
t =3 τ Uс пер3 = 10/19,863 = 0,5 B
t =4 τ Uс пер4 = 10/53,14 = 0,15 B
t =5 τ Uс пер5 = 10/143,5 = 0,1 B
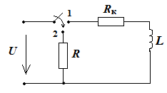
Задача 3
|
| В схеме индуктивная катушка отключается от источника постоянного напряжения и замыкания её на резистор U = 110 В, L = 5 Гн Rк = 4 Ом, R = 6 Ом Найти ток в катушке при t = 1 сек, её после отключения от источника и напряжение на R в начальный момент после коммутации |
Решение: Когда источник подключен к катушке (положение ключа 1) ток в цепи определяется по закону Ома I = U/Rк =110/4 = 27,5 А
После коммутации, т.е. переключение ключа (положение ключа 2) электрическое состояние цепи описывается уравнением
Напряжение UR = R I =27,5∙ 6 =165 B
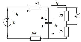
Задача 4
|
Дано: Е = 100 В; R1 = 20 Ом; R2 = 30 Ом; R3 = 10 Ом; R4= 40 Ом; C = 100 мкФ Определить входной ток i1 и записать выражение uc(t) |
Решение:
-
После замыкания ключа.
Запишем уравнения по законам Кирхгофа
-
Расчет установившегося режима
Uс пер = Uс уст + Uc cв
-
Решим одним из способов, определив параметры переходных характеристик через решение характеристического уравнения. Составим это уравнение:
Заменим jɷ = p где p - корень характеристического уравнения
-
При t = 0: Uс (0+) = Uс уст + Uc cв = Uс уст + A∙ept = Uс уст + A
Uс (0+) = U(R2+R3) /(R1+R2+R3+R4)=40 B
Определяем значение А: 40 = 14,2 + A A= 25,8 B
Выражение напряжения на конденсаторе принимает вид:
uc(t) = 14,2 + 25,8∙e-t/0,00086
-
Записать выражение для входного тока i1
i1 (0+) = i1 уст + i1 cв = i1 уст + A∙ept
i1 уст = 1,42 A
При t = 0 i1 (0+) = i1 уст + A
i1 (0+)∙(R1+R4) – U = - Uс (0+)
i1 (0+) = (U – Uс (0+))/ (R1+R4)= (100 – 40) / (20+40) = 1 A
Определяем значение А: A = - 0,42
Выражение для входного тока i1(t) = 1,42 – 0,42∙e-t/0,00086 A
Семинар 4 21
















