Мультиплексоры (1) (1063804)
Текст из файла
Министерство науки и образования Российской Федерации
Московский Государственный Технический Университет имена Н.Э.Баумана
Лабораторная работа №4
Мультиплексоры
Группа: БМТ2-62
Студент: Орлова О.А.
Преподаватель: Иванцов В.И.
Москва 2008
Цель лабораторной работы — закрепление теоретического материала путем макетирования и экспериментального исследования мультиплексоров. В данных методических указаниях приведены необходимые для выполнения работы общие теоретические сведения, функциональные и принципиальные электрические схемы мультиплексоров, а также задание и конкретные указания по порядку и методике выполнения работы.
Теоретические сведения
М
ультиплексор – это функциональный узел, имеющий n адресных и m=2n
информационных входов и выполняющий коммутацию сигнала с того информационного входа, адрес которого установлен на адресных входах, на выход. Мультиплексор реализует логическую функцию
где Аi - адресные входы и сигналы, i=0,1…n;
Dj – информационные входы и сигналы, j=0,1… 2n -1
Кj - конституента I. Т.е. конъюнкция всех аргументов, номер которой равен числу, образованному двоичным кодом сигналов на адресных входах.
Такой мультиплексор называется мультиплексором с прямым выходом. Выход мультиплексора может быть инверсным. Тогда на этом выходе реализуется функция
. Некоторые разновидности интегральных схем (ИС) мультиплексоров имеют как прямой, так и инверсный выходы.
Мультиплексор может иметь вход стробирования С. Стробируемый мультиплексор выполняет логическую функцию
Вход стробирования можно использовать для устранения ложных сигналов на выходе мультиплексора, возникающих при переключении его логических элементов, а также в качестве дополнительного адресного входа при наращивании мультиплексора.
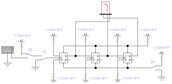
3-х разрядный двоичный счетчик на JK-триггерах.
Временные диаграммы синхроимпульсов, подаваемых с генератора, и сигналов с разрядов счетчика.
Осциллограммы синхроимпульсов, подаваемых с генератора, и сигналов с разрядов счетчика.
Таблица 1. Таблица истинности JK-триггера.
В счетном T-триггере используется только четвертая строка Таблицы 1. Для этого входы J и K присоединяются к потенциалу, соответствующему логической единице:
. В момент среза тактового импульса триггер переключается на противоположное состояние
. Таким образом, счетный триггер имеет единственный тактовый вход, который обозначается T. Частота повторения сигнала Q вдвое меньше, чем частота повторения импульсов T, т. е. T-триггер делит частоту импульсов на 2.
Счетные триггеры широко применяются в счетчиках, распределителях и делителях частоты, а также в различных переключателях. Для реализации счетного триггера обычно пользуются ИМС JK-триггера, входы J и K которого соединяют с источником питания.
Счетчики импульсов позволяют подсчитать количество поступающих на вход импульсов. Результат счета в них записывается в двоичном коде. Максимальное число N, которое может быть записано в счетчике, равно (2n-1), где n – число разрядов счетчика. Каждый разряд счетчика включает в себя триггер. Наиболее проста схема счетчика на синхронных T-триггерах. На Схеме 1 показана схема трехразрядного счетчика на сложение. Он осуществляет счет импульсов от 0 до 7. Число N может быть увеличено при подключении к выходу счетчика дополнительных разрядов. Первый триггер счетчика образует младший разряд, сигнал A0 поступает на вход второго разряда, выходное напряжение которого подается на вход третьего разряда и т. д.
Рассмотрим функционирование счетчика. Пусть в схеме подачей сигналов на установочные входы всех триггеров установлено исходное состояние
. Срезом входных импульсов T переключается триггер младшего разряда счетчика. Срезом напряжения A0 переключается триггер второго разряда счетчика. Срез сигнала A1 вызывает переключение триггера третьего разряда.
Нетрудно видеть, что состояние разрядов представляет собой запись числа поступивших импульсов в двоичном коде. После записи максимального числа N счетчик автоматически обнуляется, т. е. устанавливается
. При поступлении дальнейших импульсов начинается новый цикл счета. Частота повторения выходного сигнала в i-ом разряде в 2i раза меньше частоты повторения импульсов T.
Осциллограммы синхроимпульсов, подаваемых с генератора, и сигналов с разрядов счетчика см. в Приложении 1.
Результаты измерений параметров синхроимпульсов, подаваемых с генератора и сигналов с разрядов счетчика.
Синхроимпульсы:
длительность паузы между импульсами
;
Первый разряд счетчика (Q0):
длительность паузы между импульсами
;
Второй разряд счетчика (Q1):
длительность паузы между импульсами
;
Третий разряд счетчика (Q2):
длительность паузы между импульсами
;
Исследование ИМС564КП2 в качестве коммутатора цифровых сигналов при задании сигнала с генератора слов. Временная диаграмма.
Исследование ИМС564КП2 в качестве генератора логической функции четырёх аргументов.
Временная диаграмма.
| № варианта | D0... D7 | Логическая функция |
| 10 | 1 0 0 0 1 1 1 0 | 1, 3, 5, 6, 7, 8, 10, 11, 14 |
Таблица истинности функции F(Х1, Х2, Х3, Х4)
| X4 | X3 | X2 | X1 | Y |
|
| 0 | 0 | 0 | 0 | 0 | 0 |
| 0 | 0 | 0 | 1 | 1 | 1 |
| 0 | 0 | 1 | 0 | 1 | 2 |
| 0 | 0 | 1 | 1 | 1 | 3 |
| 0 | 1 | 0 | 0 | 0 | 4 |
| 0 | 1 | 0 | 1 | 0 | 5 |
| 0 | 1 | 1 | 0 | 1 | 6 |
| 0 | 1 | 1 | 1 | 0 | 7 |
| 1 | 0 | 0 | 0 | 1 | 8 |
| 1 | 0 | 0 | 1 | 1 | 9 |
| 1 | 0 | 1 | 0 | 1 | 10 |
| 1 | 0 | 1 | 1 | 0 | 11 |
| 1 | 1 | 0 | 0 | 1 | 12 |
| 1 | 1 | 0 | 1 | 1 | 13 |
| 1 | 1 | 1 | 0 | 0 | 14 |
| 1 | 1 | 1 | 1 | 0 | 15 |
| Х1 | |||||
| Х2 | 1 | ||||
| 1 | Х4 | ||||
| 1 | 1 | 1 | |||
| 1 | 1 | 1 | |||
| Х3 | |||||
Итак, необходимо синтезировать комбинационную схему (КС), выполняющую функцию
, заданную на основе 8-канального мультиплексора. Минимальная дизъюнктивная нормальная форма (МДНФ) функции
имеет 1 представление:
Характеристики
Тип файла документ
Документы такого типа открываются такими программами, как Microsoft Office Word на компьютерах Windows, Apple Pages на компьютерах Mac, Open Office - бесплатная альтернатива на различных платформах, в том числе Linux. Наиболее простым и современным решением будут Google документы, так как открываются онлайн без скачивания прямо в браузере на любой платформе. Существуют российские качественные аналоги, например от Яндекса.
Будьте внимательны на мобильных устройствах, так как там используются упрощённый функционал даже в официальном приложении от Microsoft, поэтому для просмотра скачивайте PDF-версию. А если нужно редактировать файл, то используйте оригинальный файл.
Файлы такого типа обычно разбиты на страницы, а текст может быть форматированным (жирный, курсив, выбор шрифта, таблицы и т.п.), а также в него можно добавлять изображения. Формат идеально подходит для рефератов, докладов и РПЗ курсовых проектов, которые необходимо распечатать. Кстати перед печатью также сохраняйте файл в PDF, так как принтер может начудить со шрифтами.
















