Отчёт по лабораторной работе №1 (1063805)
Текст из файла
Студент МГТУ им. Н.Э. Баумана
группы БМТ1-61 Бойко Андрей.
Отчёт по лабораторной работе №1
“Изучение основ работы с пакетом Electronics Workbench v.5.12”
по курсу “Электроника и микропроцессорная техника (часть 2)”
Руководитель работы: Гусев Константин Викторович
Преподаватель: Иванцов Владимир Иванович.
Схема №1.
Функциональный генератор (Function Generator).
Лицевая панель генератора показана на рис. 1.1. Управление генератором осуществляется следующими органами управления:
— выбор формы выходного сигнала: синусоидальной (выбрана; треугольной и прямоугольной);
— установка частоты выходного сигнала;
— установка коэффициента заполнения в %: для импульсных сигналов это отношение длительности импульса к периоду повторения — величина, обратная скважности, для треугольных сигналов — соотношение между длительностями переднего и заднего фронта;
Рис. 1.1. Лицевая панель функционального генератора.
— установка амплитуды выходного сигнала;
— установка смещения (постоянной составляющей) выходного сигнала;
— выходные зажимы; при заземлении клеммы СОМ (общий) на клеммах "-" и "+" получаем парафазный сигнал.
Осциллограф (Oscilloscope).
Лицевая панель осциллографа показана на рис. 1.2. Осциллограф имеет два канала (CHANNEL) А и В с раздельной регулировкой чувствительности в диапазоне от 10 мкВ/дел (mV/Div) до 5 кВ/дел (kV/Div) и регулировкой смещения по вертикали (Y POS). Выбор режима по входу осуществляется нажатием кнопок
Режим АС предназначен для наблюдения только сигналов переменного тока (его еще называют режимом "закрытого входа", поскольку в этом режиме на входе усилителя включается разделительный конденсатор, не пропускающий постоянную составляющую). В режиме 0 входной зажим замыкается на землю. В режиме DC (включен по умолчанию) можно проводить осциллографические измерения как постоянного, так и переменного тока. Этот
режим еще называют режимом "открытого входа", поскольку входной сигнал поступает на вход вертикального усилителя непосредственно. С правой стороны от кнопки DC расположен входной зажим.
Рис. 1.2. Лицевая панель осциллографа.
В режиме Y/T (обычный режим, включен по умолчанию) реализуются следующие режимы развертки: по вертикали — напряжение сигнала, по горизонтали — время; в режиме В/А: по вертикали — сигнал канала В, по горизонтали — сигнал канала А; в режиме А/В: по вертикали — сигнал канала А, по горизонтали — сигнал канала В. В режиме развертки Y/T длительность развертки (TIME BASE) может быть задана в диапазоне от 0,1 нс/дел (ns/div) до 1 с/дел (s/div) с возможностью установки смещения в тех же единицах по горизонтали, т.е. по оси Х (X POS). В режиме Y/T предусмотрен также ждущий режим (TRIGGER) с запуском развертки (EDGE) по переднему или заднему фронту запускающего сигнала (выбирается нажатием кнопок):
при регулируемом уровне (LEVEL) запуска, а также в режиме AUTO (от канала А или В), от канала А, от канала В или от внешнего источника (ЕХТ), подключаемого к зажиму в блоке управления TRIGGER. Названные режимы запуска развертки выбираются кнопками:
Заземление осциллографа осуществляется с помощью клеммы GROUND в правом верхнем углу прибора. При нажатии на кнопку EXPAND лицевая панель осциллографа существенно меняется (см. рис. 1.3) — увеличивается размер экрана, появляется возможность прокрутки изображения по горизонтали и его сканирования с помощью вертикальных визирных линий (синего и красного цвета), которые за треугольные ушки (они обозначены также цифрами 1 и 2) могут быть курсором установлены в любое место экрана. При этом в индикаторных окошках под экраном приводятся результаты измерения напряжения, временных интервалов и их приращений (между визирными линиями). Изображение можно инвертировать нажатием кнопки REVERSE и записать данные в файл нажатием кнопки SAVE. Возврат к исходному состоянию осциллографа — нажатием кнопки REDUCE.
Рис. 1.3. Лицевая панель осциллографа в режиме EXPAND.
Источник тока: источник переменного напряжения (AC Voltage Source).
Для идеального генератора переменного напряжения задается напряжение (Voltage), частота (Frequency) и начальная фаза (Phase) синусоидального сигнала с помощью диалогового окна на рис. 1.4.
Рис. 1.4. Окно установки параметров источника синусоидального напряжения.
Схема №2.
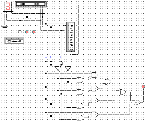
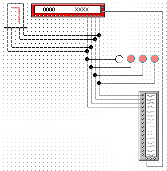
Генератор слова (Word Generator).
Внешний вид генератора слова в развернутом виде показан на рис. 2.1. Генератор (его называют еще кодовым генератором) предназначен для генерации 4-разрядных двоичных слов, которые набираются пользователем на экране, расположенном в левой части лицевой панели. Для набора двоичных комбинаций необходимо щелкнуть мышью на соответствующем разряде и затем ввести с клавиатуры 0 или 1. Дальнейшие перемещения по полю экрана удобнее проводить не с помощью мыши, а клавишами управления курсором.
Рис. 2.1. Лицевая панель генератора слова.
Сформированные слова выдаются на восемь расположенных в нижней части прибора выходных клемм-индикаторов:
с индикацией выходного сигнала в двоичном коде на клеммах-индикаторах;
в пошаговом (при нажатии кнопки STEP), циклическом (при нажатии кнопки CYCLE) или с выбранного слова до конца (при нажатии клавиши BURST) при заданной частоте посылок (установка — нажатиями кнопок в окнах FREQUENCY);
при внутреннем (при нажатии кнопки INTERNAL) или внешнем запуске (при нажатии кнопки EXTERNAL, рядом расположена клемма для подключения сигнала синхронизации);
при запуске по переднему или заднему фронту, используя кнопки:
На клемму Data ready выдается выходной синхронизирующий импульс.
Л
огический анализатор (Logic Analyzer).
Внешний вид логического анализатора показан на рис. 2.2. Анализатор предназначен для отображения на экране монитора 4-разрядных кодовых последовательностей одновременно в восьми точках схемы, а также в виде двоичных чисел на входных клеммах-индикаторах. Длительность развертки задается в окне CLOCKS PER DIVISION, при нажатии кнопки RESET информация на экране стирается.
Рис. 2.2. Лицевая панель логического анализатора
В блоке CLOCK расположены кнопки запуска по положительному (включена по умолчанию) или отрицательному спаду сигнала и клемма для подключения внешнего источника синхронизации, например, генератора слова (подключается после нажатия кнопки EXTERNAL). Кроме того, предусмотрен запуск по заданной двоичной комбинации, устанавливаемой пользователем в окошке Clock qualifier путем введения туда с клавиатуры 1, 0 или Х
(неопределенное состояние).
Индикаторные приборы.
Логический пробник — характеризуется напряжением срабатывания 2,4 В, что соответствует минимальному значению сигнала логической единицы цифровых ИМС ТТЛ-серии (с питанием +5 В). Срабатывание сопровождается красным, синим или зелёным свечением.
4
-входовой индикатор отличается от 7-сегментного цифрового индикатора наличием встроенного дешифратора, что позволяет подключать его непосредственно к выходам двоично-десятичных счетчиков с кодом 8-4-2-1. Правый вывод такого индикатора — младший или нулевой разряд, при его активизации на индикаторе высвечивается 1. Левый вывод индикатора — старший или третий разряд, при его активизации отображается цифра 8. Если сигнал логической единицы подать на все входы индикатора, то будет отображаться буква F, обозначающая в шестнадцатеричной системе счисления десятичное число 15 (сумма чисел 8, 4, 2 и 1). При всех возможных комбинациях входных сигналов на индикаторе можно отображать числа О... 9 и буквы А, В, С, D, Е и F. Отечественными аналогами таких приборов являются индикаторы типа 490ИП1, 490ИП2 с тем отличием, что они могут отображать только цифры.
Схема №3.
Логический преобразователь (Logic Converter).
Внешний вид логического преобразователя показан на рис. 3.1. На лицевой панели преобразователя показаны клеммы-индикаторы входов А, В,..., Н и одного выхода OUT, экран для отображения таблицы истинности исследуемой схемы, экран-строка для
отображения ее булева выражения (в нижней части). В правой части панели расположены кнопки управления процессом преобразования (CONVERSIONS). Возможные варианты использования преобразователя:
1. Логический анализ 8-входового устройства с одним выходом (входы исследуемого устройства подключаются к клеммам А... Н, а выход — к клемме OUT). В этом случае, используя кнопки управления, получим:
1.1. — таблицу истинности исследуемого устройства;
1.2. — булево выражение, реализуемое устройством;
1.3. — минимизированное булево выражение;
1.4. — схему устройства на логических элементах без ограничения их типа;
1.5. — схему устройства только на логических элементах И-НЕ.
2. Синтез логического устройства по таблице истинности.
2.1. Щелчком мыши по входным клеммам А, В,..., Н, начиная с клеммы А, активизируем мышью требуемое число входов анализатора (на рис. 3.1 показаны активными входы А, В и С), в результате чего на экране анализатора получим начальную таблицу истинности, в которой будут представлены все возможные комбинации входных сигналов и соответствующие им значения логических сигналов (О или 1) в столбце OUT.
Характеристики
Тип файла документ
Документы такого типа открываются такими программами, как Microsoft Office Word на компьютерах Windows, Apple Pages на компьютерах Mac, Open Office - бесплатная альтернатива на различных платформах, в том числе Linux. Наиболее простым и современным решением будут Google документы, так как открываются онлайн без скачивания прямо в браузере на любой платформе. Существуют российские качественные аналоги, например от Яндекса.
Будьте внимательны на мобильных устройствах, так как там используются упрощённый функционал даже в официальном приложении от Microsoft, поэтому для просмотра скачивайте PDF-версию. А если нужно редактировать файл, то используйте оригинальный файл.
Файлы такого типа обычно разбиты на страницы, а текст может быть форматированным (жирный, курсив, выбор шрифта, таблицы и т.п.), а также в него можно добавлять изображения. Формат идеально подходит для рефератов, докладов и РПЗ курсовых проектов, которые необходимо распечатать. Кстати перед печатью также сохраняйте файл в PDF, так как принтер может начудить со шрифтами.
















