Лаба№4(вар10) (1063802)
Текст из файла
Московский государственный технический университет
им. Н.Э. Баумана
Отчёт по лабораторной работе №4
“Исследование мультиплексоров”
по курсу “Электроника и микропроцессорная техника
(часть 2)”
Выполнил: студент группы БМТ1-61
Зуев А. А.
Москва, 2008.
Цель лабораторной работы — закрепление теоретического материала путем макетирования и экспериментального исследования мультиплексоров. В данных методических указаниях приведены необходимые для выполнения работы общие теоретические сведения, функциональные и принципиальные электрические схемы мультиплексоров, а также задание и конкретные указания по порядку и методике выполнения работы.
Выполнение работы.
1. Исследование ИМС 564КП2 в качестве коммутатора цифровых сигналов:
- на информационные входы D0…D7 мультиплексора подать комбинацию сигналов, заданную преподавателем из Таблицы 2, с тумблерного регистра;
- на адресные входы A2, A1, A0 подать сигналы Q2, Q1, Q0 с выходов 3-разрядного двоичного счетчика (младший разряд – нулевой). Счетчик собрать на JK-триггерах;
- снять временную диаграмму сигналов при E=1.
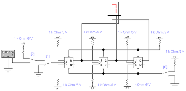
Схема 1. 3-х разрядный двоичный счетчик на JK-триггерах.
Временные диаграммы синхроимпульсов, подаваемых с генератора, и сигналов с разрядов счетчика.
Таблица 1. Таблица истинности JK-триггера.
В счетном T-триггере используется только четвертая строка Таблицы 1. Для этого входы J и K присоединяются к потенциалу, соответствующему логической единице:
. В момент среза тактового импульса триггер переключается на противоположное состояние
. Таким образом, счетный триггер имеет единственный тактовый вход, который обозначается T. Частота повторения сигнала Q вдвое меньше, чем частота повторения импульсов T, т. е. T-триггер делит частоту импульсов на 2.
Счетные триггеры широко применяются в счетчиках, распределителях и делителях частоты, а также в различных переключателях. Для реализации счетного триггера обычно пользуются ИМС JK-триггера, входы J и K которого соединяют с источником питания.
Счетчики импульсов позволяют подсчитать количество поступающих на вход импульсов. Результат счета в них записывается в двоичном коде. Максимальное число N, которое может быть записано в счетчике, равно (2n-1), где n – число разрядов счетчика. Каждый разряд счетчика включает в себя триггер. Наиболее проста схема счетчика на синхронных T-триггерах. На Схеме 1 показана схема трехразрядного счетчика на сложение. Он осуществляет счет импульсов от 0 до 7. Число N может быть увеличено при подключении к выходу счетчика дополнительных разрядов. Первый триггер счетчика образует младший разряд, сигнал A0 поступает на вход второго разряда, выходное напряжение которого подается на вход третьего разряда и т. д.
Рассмотрим функционирование счетчика. Пусть в схеме подачей сигналов на установочные входы всех триггеров установлено исходное состояние
. Срезом входных импульсов T переключается триггер младшего разряда счетчика. Срезом напряжения A0 переключается триггер второго разряда счетчика. Срез сигнала A1 вызывает переключение триггера третьего разряда.
Нетрудно видеть, что состояние разрядов представляет собой запись числа поступивших импульсов в двоичном коде. После записи максимального числа N счетчик автоматически обнуляется, т. е. устанавливается
. При поступлении дальнейших импульсов начинается новый цикл счета. Частота повторения выходного сигнала в i-ом разряде в 2i раза меньше частоты повторения импульсов T.
Таблица 2.
Схема 2. Исследование ИМС 564КП2 в качестве коммутатора цифровых сигналов.
Временная диаграмма сигналов при
для варианта №10.
Временная диаграмма сигналов при
для варианта (*). Данный вариант предложен Иванцовым В.И. при выполнении лабораторной работы.
2. Повторить п. 1, задавая на информационные входы
0В,
,
,
,
,
,
. Напряжения питания
,
,
,
,
снимаются с диодного ограничителя (рис. 1).
С использованием осциллографа получены следующие значения напряжений на диодном ограничителе:
На основании полученных результатов можно сделать вывод, что порог срабатывания ИМС 564КП2 лежит между напряжениями
и
. Итак, диапазон, в котором происходит дифференцировка логических 0 и 1, составляет
В.
Временная диаграмма сигналов при
для варианта (*) при 0В,
,
.
Временная диаграмма сигналов при
для варианта (*) при
,
,
.
3. Исследование ИМС 564КП2 в качестве генератора логической функции четырех аргументов. Логическая функция задается преподавателем из Таблицы 2. Проверить работу генератора в статическом и динамическом режимах. Снять временные диаграммы сигналов генератора.
Таблица 3. Таблица истинности функции
.
| X4 | X3 | X2 | X1 | Y | |||||||
| 0 | 0 | 0 | 0 | 0 | 0 | ||||||
| 0 | 0 | 0 | 1 | 1 | 1 | ||||||
| 0 | 0 | 1 | 0 | 0 | 2 | ||||||
| 0 | 0 | 1 | 1 | 1 | 3 | ||||||
| 0 | 1 | 0 | 0 | 0 | 4 | ||||||
| 0 | 1 | 0 | 1 | 1 | 5 | ||||||
| 0 | 1 | 1 | 0 | 1 | 6 | ||||||
| 0 | 1 | 1 | 1 | 1 | 7 | ||||||
| 1 | 0 | 0 | 0 | 1 | 8 | ||||||
| 1 | 0 | 0 | 1 | 0 | 9 | ||||||
| 1 | 0 | 1 | 0 | 1 | 10 | ||||||
| 1 | 0 | 1 | 1 | 1 | 11 | ||||||
| 1 | 1 | 0 | 0 | 0 | 12 | ||||||
| 1 | 1 | 0 | 1 | 0 | 13 | ||||||
| 1 | 1 | 1 | 0 | 1 | 14 | ||||||
| 1 | 1 | 1 | 1 | 0 | 15 | ||||||
| 1 | 1 | ||||||||||
| 1 | 1 | ||||||||||
| 1 | 1 | 1 | |||||||||
| 1 | 1 | ||||||||||
Итак, необходимо синтезировать комбинационную схему (КС), выполняющую функцию
, заданную диаграммой Вейча на основе 8-канального мультиплексора. Минимальная дизъюнктивная нормальная форма (МДНФ) функции
имеет 1 представление:
Характеристики
Тип файла документ
Документы такого типа открываются такими программами, как Microsoft Office Word на компьютерах Windows, Apple Pages на компьютерах Mac, Open Office - бесплатная альтернатива на различных платформах, в том числе Linux. Наиболее простым и современным решением будут Google документы, так как открываются онлайн без скачивания прямо в браузере на любой платформе. Существуют российские качественные аналоги, например от Яндекса.
Будьте внимательны на мобильных устройствах, так как там используются упрощённый функционал даже в официальном приложении от Microsoft, поэтому для просмотра скачивайте PDF-версию. А если нужно редактировать файл, то используйте оригинальный файл.
Файлы такого типа обычно разбиты на страницы, а текст может быть форматированным (жирный, курсив, выбор шрифта, таблицы и т.п.), а также в него можно добавлять изображения. Формат идеально подходит для рефератов, докладов и РПЗ курсовых проектов, которые необходимо распечатать. Кстати перед печатью также сохраняйте файл в PDF, так как принтер может начудить со шрифтами.















