ЖЕНЯ ДИПЛОМ ПЗ(2) (1052007), страница 8
Текст из файла (страница 8)
Пирсы, накаточные пути и устройства должны быть рассчитаны на прочность и устойчивость положения в продольном и поперечном направлениях в соответствии со схемами приложения нагрузок [9].
5.3.2. Расчет пирса для поперечной передвижки пролетных строений.
Вспомогательные устройства для поперечной надвижки рассчитывают на действие тягового усилия, давления ветра и действие собственного веса и веса предполагаемых конструкций.
Тяговое усилие (наибольшее) при надвижке пролетного строения определится на последней стадии надвижки из суммы сил трения на всех устройствах скольжения и давления встречного продольного ветра на пролетное строение в процессе его надвижки (при скорости ветра 13 м/с).
T = kc ( ± j) Q + Wp, (5.12)
где kc = 1,2 – коэффициент, учитывающий отклонение теоретических величин от фактических;
Q – общий вес надвигаемого пролетного строения;
j – тангенс угла наклона надвижки;
(f5) – коэффициент трения скольжения для полимерных материалов;
Wp – давление встречного продольного ветра на пролетное строение.
Нормативный вес пролетного строения Q =
.
Нагрузка на пролетное строение от встречного продольного ветра для сквозных пролетных строений принимается в размере 60 %, а для пролетных строений со сплошной стенкой 20 % полной нормативной поперечной ветровой нагрузки на пролетное строение.
WP = 0,6
или 0,2
, (5.13)
где
= L H – нагрузка от поперечного ветра на пролетное строение; L и H – полная длина и высота пролетного строения.
Расчетную вертикальную нагрузку на временную опору от собственного веса пролетного строения можно определить по площади линии влияния. Определяется по формуле
(5.14)
Расчетная вертикальная нагрузка на временную опору составит
R = лв gсв. (5.15)
Расчетную горизонтальную нагрузку на временную опору от трения Tв.оп, прикладываемую в уровне верхней поверхности полированного листа на балансирных балках устройств скольжения, можно определить, исходя из основной части формулы (5.16)
T = Q, или Tв.оп = R,
откуда
Tв.оп =
. (5.17)
Кроме того, необходимо учитывать нагрузку на временную опору от давления ветра на пролетное строение вдоль пролетного строения (при первом сочетании нагрузок) и поперек пролетного строения (при втором сочетании нагрузок).
Опоры рассчитываются на наиболее невыгодное сочетание нагрузок по прочности и устойчивости положения в продольном и поперечном направлениях.
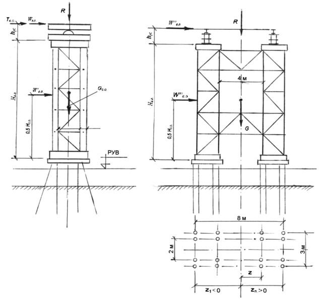
Рис. 5.1. Расчетная схема временной опоры из элементов МИК-С: 1 – устройство скольжения
1
0,5 м
2 м
1
Доля продольной нагрузки WP, приходящаяся на временную опору, может быть определена по аналогии с нагрузкой на опору от сил трения (5.17):
Wв.о. =
. (5.19)
Нагрузка от давления продольного ветра непосредственно на конструкцию временной опоры составляет:
= Нв.о. Вв.о. , (5.20)
где – коэффициент заполнения для конструкций МИК-С.
Нагрузка на все пролетное строение от давления поперечного ветра составляет
= L H , а доля этой нагрузки, приходящаяся на временную опору, по аналогии с предыдущим (5.20) составляет
=
. (5.21)
К нагрузке от поперечного ветра необходимо ввести коэффициент сочетания nс = 0,9 . Тогда расчетная нагрузка составит
= nс
. (5.22)
Нагрузка от давления поперечного ветра на конструкцию временной опоры
= nс Нв.о. вв.о. , (5.23)
где вв.о. = 3 м – ширина опоры, усиленной дополнительными стойками.
Усилия в стойках временной опоры определяют:
а) по первому сочетанию нагрузок наибольшее усилие возникает в нижнем сечении крайней правой стойки:
NСТ1 =
, (5.24)
где Mw = Wв.о.(Нв.о.+ hус) +
0,5 Нв.о. – момент от ветровой нагрузки;
MT = Tв.о. (Hв.о. + hус) – момент от сил трения;
R – вертикальная нагрузка на опору (5.15);
G = f (G1 + G2) – нагрузка от собственного веса временной опоры (G1 – вес основных конструкций опоры,
G2 – вес оголовка;
n – количество стоек временной опоры;
nр – количество стоек в крайнем ряду.
б) по второму сочетанию нагрузок не учитывают давление ветра на опору вдоль надвижки. Поэтому усилие в нижнем сечении правой крайней стойки
=
. (5.25)
Кроме того, при втором сочетании нагрузок учитывают давление на опору поперечного ветра. Усилие в нижнем сечении крайней правой стойки от давления поперечного ветра.
=
, (5.26)
где Mw =
(Нв.о.+ hec) +
0,5 Нв.о..
Суммарное расчетное усилие в нижнем сечении крайней правой стойки:
NСТ2 =
+
Для расчета стойки из полученных усилий NСТ1 и NСТ2 выбирают большее усилие и сравнивают его с допускаемой на нее нагрузкой [N]
Так как изначально известно, что нагрузка от пролетного строения достаточно большая принимаем к расчету сдвоенных стоек диаметром 159 мм,. При неудовлетворительных результатах предусматриваем спаренные по фасаду моста башни из элементов МИК-С или проектируют временную опору из толстостенных труб диаметром 1020 (1420) мм, в том числе, наклонных по фасаду моста [8].
Расчет пирса для поперечно передвижки пролетного строения приведен в Приложении Б.
6. Технология и организация работ по капитальному ремонту моста.
6.1. Основные положения организации строительства моста.
До начала работ необходимо утверждение проекта производства работ. После чего выясняются источники получения деталей, конструкций и строительных материалов, которые поступают по автомобильным или железнодорожным путям. Контроль над качеством обеспечивается техническими отделами строительных организаций, а также представителями организаций заказчиков.
-
Технология производства работ по цементации кладки опор моста.
Восстановление опор мостов методом инъецирования
Состав работ:
- Нанесение на тело опоры мест расположения скважин.
- Бурение скважин с перестановкой бурового агрегата и установкой удлинителей.
- Нагнетание воды в скважины.
- Промывка скважин и продувка сжатым воздухом.
- Установка штроб под вертикальные скважины.
- Инъецирование скважин, заделка штроб и отверстий.
Задача цементации вернуть опоре монолитность ее кладки и отсутствие водопроницаемости. Следовательно глубина, направление и количество скважин зависит от типа кладки, характере дефектов и условий работы.
Ориентировочно расстояние между скважинами назначают исходя из удельного водопоглощения кладки. В нашем случае, для удельного водопоглощения менее 0,005 (л/мин.кПа.м), расстояние между скважинами равно 1,0 - 1,5 м. Скважины располагаются по шахматной сетке.
Конструкция сооружения влияет на глубину скважин. Не более 3/8 для массивной опоры при цементации по всем поверхности опоры. Забой должен быть на расстоянии 50-60 см.
Важно обеспечение экономичной и быстрой проходки, диаметр скважин применяем 40мм. Бурить их будем наклонно горизонту под углом 150 , и важно отступать от края кладки 50-60 см, что давлением механизмов и раствора не получить выколы кладки.
После набора прочности бетона железобетонные рубашки, через трубки в скважинах, выполненные при бурении скважин под анкера, все скважины промывают водой, подавая её сверху вниз под давлением 0,2 МПа, а затем продувают скважины сжатым воздухом под давлением 0,2 МПа и закрывают до начала цементации деревянными пробками обёрнутыми паклей.
Инъектирование осуществляется в одну или одновременно в несколько скважин. Инъектирование ведется снизу вверх, начиная с самых нижних рядов вверх. Нагнетание производят до вытекания раствора из законопаченных вышерасположенных скважин.
Схема Цементация береговой и промежуточной опор приведена на рисунках 6.1. и 6.2. соответственно.
Рисунок 6.1. - Схема цементации промежуточных опор №1,№5.
Рисунок 6.2. - Схема цементации промежуточных опор №2,3,4 и их фундаментов
Рисунок 6.3. - Схема цементации береговых опор.
Для нагнетания раствора осуществляется установками, пневматического действия, которые работают от компрессоров, и вручную, например насосы.
Первым шагом является нагнетание в скважину цементного теста 0,1 МПа давлением, после чего раствор воды и цемента соотношением 1:1 под большим давлением 1 МПа, с добавками платификаторов в состав. Через 5 суток дополнительно пробуриваются скважины и происходит контрольное нагнетание. Работы по цементации считаются завершенными, если при максимально давлении раствор в скважины не протекает.
-
Технология производства работ по устройству железобетонной «рубашки» опор мостов.
При устройстве железобетонных рубашек перерыв в движении поездов не предусматривается.
Начал работ предусматривает отсутствие паводков в период строительства. Первым этапом необходимо разравнять площадку вокруг опор, насколько это возможно. Выравнивание площадки производится с помощью бульдозера Liebherr – 751mining. Технические характеристики бульдозера Liebherr – 751 mining представлены в Приложении В.















