Карпухин В.А. - Биотехнические основы проектирования усилителей электрофизиологических сигналов Правка1 (1050221)
Текст из файла
Московский государственный технический университет им. Н.Э.Баумана
В.А.Карпухин
БИОТЕХНИЧЕСКИЕ ОСНОВЫ
ПРОЕКТИРОВАНИЯ УСИЛИТЕЛЕЙ
ЭЛЕКТРОФИЗИОЛОГИЧЕСКИХ СИГНАЛОВ
Утверждено редсоветом МГТУ в качестве учебного пособия
по дисциплине
«Расчет и конструирование электронных медицинских приборов и аппаратов"
Издательство МГТУ им. Н Э Баумана
1994
Рецензенты: В.Л.Петухов, Р.Ш.Загидуллин.
К21 Карпухин В.А. Биотехнические основы проектирования усилителей электрофизиологических сигналов: Учебное пособие. — М.: Изд-во МГТУ, 1994.— 16 с., ил.
В учебном пособии даны практические рекомендации для модельного анализа принципиальных схем усилителей в целях изучения влияния электрических свойств биологических тканей и электродов на качество передачи информации по измерительному тракту.
Для студентов 4-го курса специальности «Биомедицинские технические системы и устройства».
Ил. 5. Табл. 2. Библиогр. 4 назв.
ББК 34.7
Редакция заказной литературы
Валерий Анатольевич Карпухин
БИОТЕХНИЧЕСКИЕ ОСНОВЫ ПРОЕКТИРОВАНИЯ УСИЛИТЕЛЕЙ ЭЛЕКТРОФИЗИОЛОГИЧЕСКИХ СИГНАЛОВ
Заведующая редакцией Н.Г.Ковалевская
Редактор E.К. Кошелева
Корректор О.В. Калашникова
© МГТУ им.Н.Э.Баумана, 1994.
Подписано в печать 22.08.94, Формат 60x84/16, Бумага тип. № 2.
Печ.л. 1,0. Усл.печ.л.0,93. Уч..-изд.л. 0,81-Тираж 200 экз. Изд № 39.
Заказ 457С466
Издательство МГТУ, типография МГТУ.
107005 Москва, 2-я Бауманская, 5.
КРАТКИЕ ТЕОРЕТИЧЕСКИЕ СВЕДЕНИЯ
Большинство процессов жизнедеятельности организма сопровождается генерированием электрических сигналов, которые формируются во всех нервных клетках и распространяются по нервным волокнам, соединяющим все органы с различными отделами нервной системы. Поэтому изучение биоэлектрической активности организма человека имеет важное значение для диагностики большого числа заболеваний.
За последние десятилетия накоплен значительный клинический опыт по изучению состояния организма в норме и патологии с использованием информации, получаемой при анализе биосигналов.
В наибольшей степени распространена электрокардиография, позволяющая контролировать состояние сердечно-сосудистой системы, нарушения в которой занимают ведущее место среди прочих заболеваний. Электроэнцефалография, связанная с изучением электрической активности головного мозга, используется достаточно часто при диагностике эпилепсии, новообразований в структуре головного мозга и при оценке психоэмоционального состояния человека. Электронейромиография дает возможность диагностировать заболевания нервно-мышечного аппарата. Нейромиосигналы в последнее время весьма успешно используются в биоуправляемых протезах конечностей. Электроретинография и электроокулография применяются при диагностике заболеваний вестибулярного аппарата и исследовании вестибулоокулярного рефлекса в космической медицине. Электрогастрография используется при оценке функционирования желудочно-кишечного тракта и перистальтики кишечника.
Однако, несмотря на успехи клинического использования указанных методов, требования к аппаратуре для изучения биоэлектрической активности организма постоянно возрастают [1 ]. Основной проблемой при изучении биоэлектрической активности организма является повышение достоверности передачи информационных признаков полезного сигнала на фоне помех, которые наводятся на тело человека, и снижение искажений, вносимых каналом передачи информации.
Одновременно на поверхности биообъекта присутствует большое число сигналов от различных систем организма, его органов и клеток (табл. 1.) Как следует из табл. 1, спектры большинства биосигналов перекрываются. Поэтому выделение одного требуемого сигнала из всей совокупности биопотенциалов, являющихся в данном случае помехами, затруднено. Помимо биосигналов, обусловленных активностью организма, на теле человека имеют место сигналы, связанные с методом отведения потенциалов, а также внешние наведенные помехи.
Таблица 1
Основные характеристики биосигналов
| Сигнал | Динамический диапазон, мВ | Частотный диапазон, Гц |
| Электрокардиосигнал Электроэнцефалосигнал Электромиосигнал Кожно-гальванический рефлекс | 0,01 ... 5 0,005 ... 0,1 0,05 ... 1 0 ... 0,3 | 0,8 ... 2000 0,5 ... 500 10... 20000 0... 2 |
Помехи, возникающие при усилении биопотенциалов
По взаимодействию с полезным входным сигналом помехи можно разделить на аддитивные и мультипликативные. Аддитивные помехи складываются с сигналом. Они вносят наибольшую погрешность при регистрации биопотенциалов. Аддитивные помехи делятся на синфазные и дифференциальные.
Синфазные — помехи, мгновенные значения которых на активных входах усилителя биопотенциалов совпадают (к таким помехам относятся “наводки” от питающей сети). Наличие емкости между проводами силовой или осветительной цепи и пациентом приводит к тому, что на поверхности тела относительно земли присутствует напряжение частотой 50 Гц, амплитуду и фазу которого вследствие относительно хорошей проводимости тканей организма можно считать практически одинаковыми во всех точках тела. Максимальная амплитуда синфазной помехи от сети может достигать 5... 10 В.
Инфранизкочастотные синфазные помехи зависят от среднего от уровня поляризационных потенциалов электродов, который может достигать сотен микровольт, а среднечастотные и высокочастотные — от уровня биоэлектрической активности органов, близко расположенных к месту отведения потенциалов, и от кожно-гальванического рефлекса (КГР).
Дифференциальными называют помехи, мгновенные значения которых на активных входах усилителя биопотенциалов равны и противоположны по знаку. К их числу относят следующие составляющие: 1) биоэлектрической активности органов, близко расположенных к месту отведения; 2) неравенство поляризационных потенциалов электродов, достигающее уровня 300 мкВ; 3) напряжение КГР. Кроме того, дифференциальные помехи могут создаваться магнитными полями, пронизывающими контур, образованный проводами, которые соединяют электроды с усилителем биопотенциалов.
Мультипликативные помехи связаны с изменением параметров одного или нескольких элементов канала передачи информации от биообъекта к усилителю. Такие помехи зависят в основном от реакции живого организма на внешние психофизические воздействия, приводящие к существенному изменению внутренних электрических параметров биообъекта, а также от условий отведения биопотенциалов в системе «электрод — кожа», влияющих на изменение коэффициента передачи канала прохождения биосигнала.
Кроме помех на качество передачи биосигналов влияют искажения, вносимые измерительным трактом, включающим в себя входные цепи и усилитель. Эти искажения делятся на линейные, нелинейные и динамические.
Линейные искажения обусловлены прежде всего наличием реактивных элементов во входных цепях и инерционных активных элементов. Эти искажения существенно влияют на изменение формы сигнал.
Нелинейные искажения связаны с зависимостью коэффициентов усиления активных элементов от амплитуды сигнала. При условии использования современной элементной базы (например, операционных усилителей (ОУ), охваченных отрицательной обратной связью), нелинейные искажения пренебрежимо малы, если сигнал не выходит за рамки фактического динамического диапазона усилителя.
Динамические искажения возникают в усилителях, охваченных глубокой отрицательной обратной связью. Подобные искажения обусловлены инерционностью активных элементов при воздействии сигналов с крутыми фронтами и практически отсутствуют у биоусилителей при использовании современных ОУ.
Проведенный анализ помех и искажений, возникающих при измерении биопотенциалов, показывает, что в наибольшей степени результирующая погрешность измерения информативных параметров биосигнала определяется следующими составляющими:
синфазные помехи от сети;
мультипликативные помехи;
дифференциальные низкочастотные помехи;
линейные искажения.
Ослабление дифференциальных низкочастотных помех достигается выбором материала электрода, места его расположения на теле пациента, а также выбором соответствующей полосы пропускания усилителя.
Количественную оценку влияния помех и искажений на качество Прохождения биосигнала можно получить при исследовании биотехнической системы [2] ’’усилитель — электрод — кожа’’ (БТС УЭК).
Биотехническая система ’’усилитель — электрод — кожа’’.
Количественный анализ БТС УЭК целесообразно проводить с использованием электрических эквивалентных схем замещения, позволяющих получить удовлетворительную математическую модель коэффициента передачи измерительного тракта.
Обобщенная БТС УЭК ( рис 1.) включает следующие элементы: биологический объект (БО), систему «электрод — кожа» (СЭК), входные цепи (ВЦ), биоусилитель (БУ).
Рис. 1. Биотехническая система “усилитель—электрод—кожа”.
Структура БТС УЭК во многом определяется выбранной системой отведений биопотенциалов. В основном распространены две системы отведений: 1) униполярная, в которой применяются один активный и один пассивный электроды; 2) биполярная, в которой используются два активных электрода и один индеферентный. Наибольшее распространение получила биполярная система отведения биопотенциалов, позволяющая уменьшить уровень синфазных помех.
Электрические модели биологического объекта
С учетом системы отведений электрический аналог биологического объекта может быть представлен схемой (рис.2а, где 1,2,3 — номера отведений Z12; Z13; Z23 — комплексные сопротивления между соответствующими электродами; U12; U13; U23 — напряжения, возникающие между соответствующими электродами). Однако такая схема неудобна для анализа. Поэтому, используя известные преобразования сопротивлений треугольника в эквивалентную звезду, найдем сопротивления лучей по следующим формулам:
а б
Рис. 2. Биполярная схема отведения биопотенциалов.
После преобразования схема отведения биопотенциалов будет иметь вид, изображенный на рис.2б, где U1=-0,5*Uд—дифференциальное напряжение U2 =0,5*Uд — дифференциальное напряжение; U3 =Uс.с. — синфазное напряжение.
Величины Z12,Z13,Z23 носят в общем случае комплексный характер. Многочисленные исследования показывают, что электрический импеданс биологических тканей может быть представлен в виде набора R и С-элементов. [3,4] Биофизическая сущность этих элементов может быть пояснена следующим образом. Значение сопротивления R обусловлено прежде всего электропроводностью межклеточной жидкости, имеющей электрические свойства и насыщенной ионами Na , К и др. Помимо ионов межклеточная жидкость и кровь содержат достаточно большое количество молекул белка, отличающихся существенно большими размерами по сравнению с ионами. При приложении внешнего электрического поля возникает ток, обусловленный, во-первых, движением ионов, во-вторых, поляризацией белковых молекул и их ориентацией по направлению поля. Ионный ток определяет активную его составляющую. Занимающий достаточно продолжительное время процесс поляризации и ориентации белковых молекул во внешнем поле определяет емкостную составляющую тока.
Электрический импеданс биоткани существенно зависит от амплитуды и частоты измеряемого тока, а также от площади измерительных электродов. На рис. 3 представлены эквивалентные схемы замещения биотканей, аппроксимирующие их импеданс в зависимости от вида ткани, условий измерения, диапазона частот и точности аппроксимации (табл.2).
Рис. 3. Эквивалентные схемы замещения биологических тканей.
Таблица 2
Значения элементов эквивалентных схем [4]
| Вид ткани | Номер рисунка | Элемент | ||||
| R0, кОм | R1, кОм | R2, кОм | С1, нФ | С2, нФ | ||
| 1.Кожная ткань | 3 а | - | 13,0 | 0,34 | 72,0 | - |
| 2.Мышцы | 3 в | - | 0,1 | 2,2 | 50,0 | - |
| 3.Кожа прилегающими тканями | 3 б | 1,0 | 77,0 | 0,8 | 16,0 | - |
| 4.Предплечье правой руки | 3 г | 0,8 | 11,3 | 4,2 | 40,0 | 75,0 |
| 5.Икроножная мышца | 3 г | 0,95 | 12,5 | 11,1 | 41,0 | 46,0 |
| 6.Передняя большеберцовая мышца | 3 г | 0,82 | 25,2 | 4,4 | 24,0 | 48,0 |
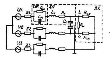
Схема замещения БТС УЭК изображена на рис. 4.
Характеристики
Тип файла документ
Документы такого типа открываются такими программами, как Microsoft Office Word на компьютерах Windows, Apple Pages на компьютерах Mac, Open Office - бесплатная альтернатива на различных платформах, в том числе Linux. Наиболее простым и современным решением будут Google документы, так как открываются онлайн без скачивания прямо в браузере на любой платформе. Существуют российские качественные аналоги, например от Яндекса.
Будьте внимательны на мобильных устройствах, так как там используются упрощённый функционал даже в официальном приложении от Microsoft, поэтому для просмотра скачивайте PDF-версию. А если нужно редактировать файл, то используйте оригинальный файл.
Файлы такого типа обычно разбиты на страницы, а текст может быть форматированным (жирный, курсив, выбор шрифта, таблицы и т.п.), а также в него можно добавлять изображения. Формат идеально подходит для рефератов, докладов и РПЗ курсовых проектов, которые необходимо распечатать. Кстати перед печатью также сохраняйте файл в PDF, так как принтер может начудить со шрифтами.
















