Занятие №5 (УО) (1039409)
Текст из файла
1. Назначение, основные технические характеристики УО
1.1. Назначение УО СВ
Устройство обмена УО СВ предназначено для организации обмена информацией между запоминающими устройствами СВ и абонентами независимо от вычислительного устройства по четырем селекторным каналам с использованием сигналов интерфейса ЦВК 5Э26.
Устройство обмена обеспечивает в режиме разделения времени выполнения последовательности команд для каждого канала в соответствии с заданной программой канала и сигналами управления поступающими от абонента.
1.2. Основные технические характеристики:
-
Количество каналов 4;
-
Количество абонентов подключаемых к одному каналу – 16 (с дополнительными усилителями 32);
-
Разрядность каналов - 36;
-
Тип каналов - селекторный.
Селекторный канал обслуживает одновременно одно внешнее устройство и поэтому участвует только в одной операции по передаче данных. Посредством селекторных каналов осуществляется передача данных между оперативной памятью и достаточно быстродействующими устройствами.
Если селекторный канал занят обслуживанием некоторого устройства, то поступающая в это время новая команда на ввод или вывод начинает выполняться только после завершения текущей команды.
Селекторный канал имеет один подканал и может работать только в групповом режиме.
Средства канала, необходимые для выполнения отдельной операции ввода-вывода, то есть для связи с одним внешним устройством, называются подканалом. Практически подканал-часть памяти канала, которая используется для размещения информации, необходимой для работы с данным внешним устройством.
-
Разрядность передаваемых слов 9,18,27 или 36 разрядов.
-
Метод обмена: по 1-3 каналам осуществляется последовательным кодом младшими разрядами вперед (контрольные разряды после соответствующих информационных), по 0-му каналу - последовательным или параллельным кодом.
-
Контроль команд и данных - побайтовый на нечетность.
-
Форматы команд: негрупповые команды – слово; групповые – слово либо двойное слово.
-
Информационный массив передаваемый по одной групповой команде от 2 до 4096 слов.
-
Адресация: массивы слов, передаваемых абоненту, и программы каналов могут храниться в любых последовательных ячейках ОЗУ или ДЗУ СВ. Массивы слов, получаемых от абонента, могут размещаться в любых последовательных ячейках ОЗУ.
Передаваемые абоненту слова могут побайтно конфигурироваться, а слова, получаемые от абонента, кроме этого побайтно приформировываются к информации, хранящейся в ОЗУ.
-
Конфигурирование информации: передаваемые абоненту слова могут побайтно конфигурироваться ( любой байт в любой байт), а слова, получаемые от абонента, кроме этого – побайтно приформировываются к информации, хранящейся в ОЗУ.
-
Форматы команд: негрупповые команды – слово, групповое – слово, либо двойное слово.
-
Предельная скорость обмена информацией - 185 тысяч слов в секунду.
-
Время выполнения операций устройством обмена от 2,66 мкс до 26 мкс.
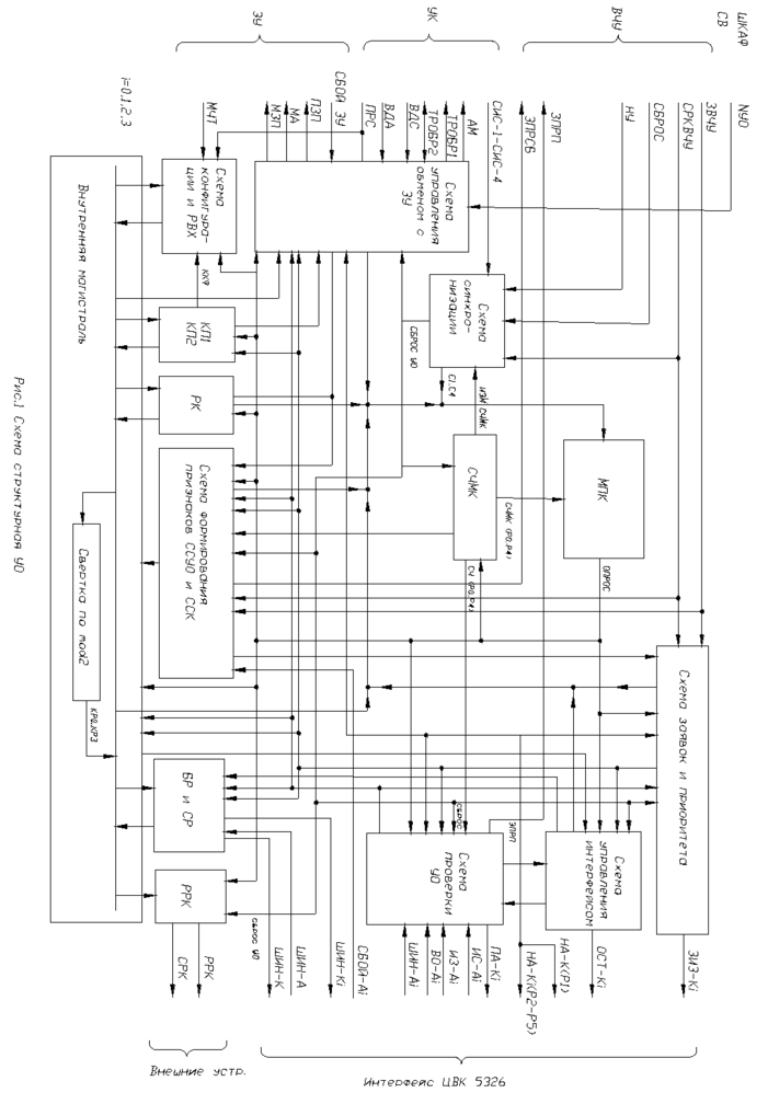
2. Структурная схема УО
УО представляет собой четыре селекторных канала, работающих по индивидуальным программам и имеющих общее оборудование, используемое ими в режиме разделения времени в соответствии с присвоением каждому каналу рангам приоритета. Программа каждого канала хранится в ЗУ, а её выполнение может инициироваться как ВчУ, так и другим каналом. На рисунке №1 представлена структурная схема УО.
В состав УО входят следующие функциональные части:
-
схема синхронизации, предназначенная для установки УО в исходное состояние и синхронизации работы;
-
схема заявок и приоритета, осуществляющая прием, хранение заявок канала на выполнение операций и выделение из них самой приоритетной;
-
микропрограммная матрица (МПМ), предназначена для реализации микропрограмм УО путем выработки сигналов МО, управляющих работой УО;
-
счетчик МК (Сч МК), хранит код номера МК на время ее выполнения и изменяет этот код при переходе к новой МК;
-
схема управления обменом с ЗУ, предназначенная для формирования сигналов взаимодействия с УК и ЗУ; формирование и выдачи из УО полного адреса ячейки ЗУ, выдачи информации из внутренней магистрали в магистраль записи и организации текстового режима адресной магистрали;
-
схема конфигурации данных и регистр входной (РВХ), предназначенные для логического побайтового преобразования и хранения информации, поступающей в УО;
-
внутренняя магистраль (ВНМ), предназначенная для осуществления пересылок полноразрядной информации между регистрами УО, за исключением пересылок между сдвиговым и буферным регистрами, и контроля пересылаемой информации на нечетность;
-
регистр команд (РК), используемый для хранения кода выполняемой команды, для хранения команды ПК или БПК при выборе очередной команды программы канала, а также для изменения кода адреса команды или числа и подсчета количества слов информации при обмене с абонентом;
-
регистры канальной памяти (КП1, КП2), хранящие исполняемую групповую команду программы канала, а также команды "ПУСК КАНАЛА" или "БЕЗУСЛОВНЫЙ ПЕРЕХОД КАНАЛА";
регистр разовых команд (РРК), предназначенный для хранения и выдачи во внешние устройства разовых команд;
-
буферный и сдвиговый регистры (БР и СР), предназначенные для хранения информации, передаваемой абоненту (принятой от абонента) и преобразования ее из параллельного кода в последовательный (из последовательного в параллельный);
-
схема управления интерфейсом, формирующая сигналы управления обменом с абонентом;
-
схема формирования признаков ССУО и ССК, предназначенная для приема и хранения сигналов сбоя и ошибок, для формирования признаков ССУО и ССК и сигнала запроса на прерывание программы ВчУ по сбою;
-
схема проверки УО, предназначенная для проверки исправности аппаратуры контроля УО, контроля алгоритма работы микропрограммного управления УО, отключения интерфейса и имитации интерфейсных сигналов. В состав схемы проверки входит регистр текстовых режимов (РТР).
Все регистры и внутренняя магистраль УО имеют по 32 информационных разряда и по 4 контрольных.
В каждом канале имеются буферный и сдвиговый регистры, и канальный регистр памяти. Схема управления интерфейсом, а также частично схема заявок и приоритета, схема формирования признаков ССУО и ССК и схема проверки УО имеют оборудование, индивидуальное для каждого канала.
Канальное оборудование может выполнять ряд действий автономно, а именно: осуществлять прием-выдачу информации абоненту, прием от абонента и хранение управляющих сигналов, формирование сигналов, выдаваемых абоненту. Для осуществления совместной работы канальное оборудование подключается к общей части УО по сигналу из схемы заявок и приоритета. Одновременно в подключенном состоянии может находится только один канал.
Единая внутренняя магистраль для пересылок полноразрядной информации введена с целью сокращения количества связей между регистрами и объёма аппаратуры, необходимой для организации этих связей и контроля передаваемой информации.
3. Общие сведения о системе команд УО СВ.
Программа каждого канала УО хранится в ЗУ УО, а ее выполнение может инициироваться как ВчУ так и любым каналом.
Система команд УО позволяет:
- запускать и останавливать канал;
- производить пуск и останов абонентов, подключенных к данному каналу;
- управлять работой внешних устройств, посредством разовых команд;
- пересылать заданные массивы слов из ЗУ абоненту и от абонента в ОЗУ;
- осуществлять побайтовую конфигурацию слов, побайтовое приформировывание полученной от абонента информации к содержимому ячеек ОЗУ.
- проверять исправность оборудования;
- осуществлять прерывание программ ВчУ;
- формировать по требованию ВчУ информацию о состоянии УО и каналов;
Команды, непосредственно связанные с обменом данными между УО и абонентами, названы групповыми.
Команды, выполняемые УО, могут принадлежать программе канала, либо поступать от ВчУ. Часть команд, а именно: все групповые и команда ПА воспринимаются от ВчУ как холостые команды.
На рис. №2 дана расшифровка формата команд УО. Как видно из рисунка 31-й разряд большинства команд используется в качестве дополнительного разряда кода команды.
В результате выполнения команды ПУСК КАНАЛА все 32 разряда заносятся на регистр КП2 канала, код номера которого указан в команде. В канале устанавливаются в единичное состояние триггеры, хранящие признак работы канала и заявку ЗАПР2.
Содержимое полей Б и А команды, хранящейся на КП2 в дальнейшем будет использовано для формирования адреса команд программ канала, содержимое поля БО – для формирования адресов данных при выполнении в канале групповых команд, а поля УР – для настройки схем контроля УО при работе с этим каналом. Если команда ПУСК КАНАЛА адресована в канал, уже находящийся в состоянии работы, то она не исполняется, а в УО формируется запрос на прерывание программы ВчУ ЗПРСБ по ошибке программы.
В отличие от команды ПУСК КАНАЛА по команде БЕЗУСЛОВНЫЙ ПЕРЕХОД КАНАЛА не меняется состояние заявочных триггеров схемы заявок и приоритета и триггера работы канала. Команда используется для переадресации программы канала, а также для установки новой базы обмена или нового режима работы схем контроля.
В результате выполнения команд ЗАПРОС СЛОВОСОСТОЯНИЯ УО или ЗАПРОС СЛОВОСОСТОЯНИЯ КАНАЛА в ячейку ОЗУ, заданную полями Б и А команды, записывается соответственно СЛОВОСОСТОЯНИЕ УО или СЛОВОСОСТОЯНИЕ КАНАЛА. Код номера канала указывается в поле KNK команды ЗССК.
По команде ВЫДАЧА РАЗОВЫХ КОМАНД УО разовая команда, хранящаяся по адресу, формируемому из полей Б и А, заносится на регистр разовых команд УО, о чем сообщается во внешние устройства стробом разовой команды.
В результате выполнения команд ОСТАНОВ КАНАЛА и ОСТАНОВ КАНАЛА С ПРЕРЫВАНИЕМ триггер, хранящий признак работы канала, код номера которого имеется в команде, устанавливается в нулевое состояние, сбрасываются все заявки от этого канала, имеющиеся в схеме заявок и приоритета, и выдается в сторону абонентов, подключенных к каналу, сигнал ОСТ-К. По команде ОСТ КПР, кроме этого, формируется запрос на прерывание ЗПРП, сообщающий программе ВчУ о завершении работы канала.
Команда ПУСК АБОНЕНТА, выполняющаяся только по программе канала, заносится на буферный и сдвиговый регистры канала, после чего абонентам выдается сигнал ПА-К. Поля КМА и УСА используются для логического подключения к интерфейсу и настройки абонента на заданный режим работы. Если команда ПА поступает в канал, с которым уже находится в логической связи один из абонентов, то команда не выполняется. формируется запрос на прерывание программы ВчУ ЗПРСБ по ошибке программы, а выполнение программы канала в случае отсутствия указателя БООШП в поле УР команды, хранящейся на КП2, прекращается. При этом для останова канала производятся те же действия, что и по команде ОСТК.
Команды ТЕСТ1 и ТЕСТ2 предназначены для проверки работоспособности основных функциональных частей УО, в частности с помощью команды ТЕСТ1 осуществляется проверка схем контроля УО, с помощью команды ТЕСТ2 – регистров УО за исключением РРК.
В результате выполнения команды ТЕСТ1 на регистр тестовых режимов заносится содержимое 4-14, 16-24, 26-30 разрядов команды, на счетчик микрокоманд - 7-12 разрядов. Если контрольный разряд кода номера микрокоманды ( 7 разряд команды) не соответствует информационным, то в результате выполнения команды формируется запрос на прерывание программы ВчУ по сбою счетчика микрокоманд.
№МК, №КАН и КОП, хранящиеся на РТР до следующей команды ТЕСТ1 либо до поступления от ВчУ сигнала сброса, сравниваются с текущим номером микрокоманды, с номером канала, подключенного в данный момент к общей части УО, и с кодом операции, имеющимся на регистре команд, соответственно. Если в поле №КАН указаны номера нескольких каналов, то сигнал сравнения может вырабатываться при сравнении любого из указанных в №КАН номеров канала с номером канала, подключенного к общей части УО. Если в поле №КАН стоят нули, то сигнал сравнения можем вырабатываться только когда ни один из каналов не подключен к общей части УО.
Подключение канала к общей части УО осуществляется на время:
- выполнения операции, инициированной данным каналом, за исключением времени, когда по данной операции нужно выполнить какие-либо действия в другом канале;
- выполнения действий в данном канале по операции, инициированной другим каналом либо ВчУ.
При наличии сигнала сравнения и признака ИОШВНМ на РТР значение контрольного разряда младшего байта внутренней магистрали в момент сравнения меняется на противоположное. Точно также при сравнении и наличии признака ИОШМА значение контрольного разряда младшего байта адресной магистрали меняется на противоположное.
При сравнении и наличии признака КА вырабатывается ( но не запоминается в ССУО) программой запрос на прерывание. Признаки ИОШВНМ, ИОШМА и КА на РТР сбрасываются следующей командой ТЕСТ1 без этих признаков либо сигналом сброса от ВчУ. Признаки ИОШВНМ и ИОШМА сбрасываются также после выработка сигнала сравнения при выполнении операции по инициативе ВчУ.
При наличии признака (имитации интерфейса) ИИ в команде ТЕСТ1 устройство обмена отключается от интерфейса по всем каналам на время, пока не поступит новая команда ТЕСТ1 без этого признака либо пока УО не будет сброшено сигналом от ВчУ. Отключенный от интерфейса канал реагирует на сигналы ИЗ-А, ИС-А, ВО-А, ШИН-А от абонентов, сигнал ПА-К не поступает в абоненты, а сдвиговый регистр канала замыкается в кольцо (ШИН-К соединяется с ШИН-А). Если в команде кроме признака ИИ имеется признак МИЗ или ИВО (или оба), то в канале, указанном в поле №КАН, имитируется одиночный сигнал ИЗ-А или ВО-А соответственно, а затем одиночный сигнал ИС-А.
Характеристики
Тип файла документ
Документы такого типа открываются такими программами, как Microsoft Office Word на компьютерах Windows, Apple Pages на компьютерах Mac, Open Office - бесплатная альтернатива на различных платформах, в том числе Linux. Наиболее простым и современным решением будут Google документы, так как открываются онлайн без скачивания прямо в браузере на любой платформе. Существуют российские качественные аналоги, например от Яндекса.
Будьте внимательны на мобильных устройствах, так как там используются упрощённый функционал даже в официальном приложении от Microsoft, поэтому для просмотра скачивайте PDF-версию. А если нужно редактировать файл, то используйте оригинальный файл.
Файлы такого типа обычно разбиты на страницы, а текст может быть форматированным (жирный, курсив, выбор шрифта, таблицы и т.п.), а также в него можно добавлять изображения. Формат идеально подходит для рефератов, докладов и РПЗ курсовых проектов, которые необходимо распечатать. Кстати перед печатью также сохраняйте файл в PDF, так как принтер может начудить со шрифтами.















