PART_4 (1032168)
Текст из файла
Часть 4
Рентгеновские компьютерные томографы
§1. Рентгенодиагностические системы получения изображения
 
 
 Рентгеновское изображение формируется в результате взаимодействия квантов рентгеновского излучения с приемником и представляет собой распространение квантов, которые прошли через тело пациента. 
Рис.1. Компоненты системы для получения рентгеновских изображений. В и Е — кванты, которые прошли через тело пациента без взаимодействия; С и D — рассеянные кванты. Квант D отсеивается сеткой, препятствующей рассеянному излучению, а квант А поглощается в теле.
Кванты делятся на:
-  
первичные В и Е, которые прошли через тело пациента, непровзаимодействовав с ним
 
-  
вторичные Д и С, которые провзаимодействовали с телом, рассеялись и отклонились от направления первоначального распространения
 
Очевидно, что вторичные кванты С и Д не несут полезной информации и их надо как-то фильтровать. Для этого вводится устройство, называемое сеткой – свинцовые ячейки, на которых задерживаются рассеянные кванты. Первичные тоже задерживаются, но если не задерживать вторичные кванты, то получится серое изображение. Нас интересуют только первичные кванты, которые несут информацию о вероятности того, что квант проходит через тело пациента без взаимодействия.
Рассмотрим простую математическую модель процесса получения рентгенографического изображения.
Пусть нам дан монохроматический рентгеновский источник, излучающий кванты с энергией Е, расположенный достаточно далеко от пациента, так чтобы считать пучок параллельный оси Z.
 
 
 Рис.2. Простая модель получения рентгеновского изображения, показывающая распространение первичных и вторичных (рассеянных) квантов
Изображение регистрируется в плоскости XY.
N – число квантов, падающих на единицу площади пациента (должно быть минимальным)
I(x,y)dxdy – энергия поглощаемая приемником площадью dxdy
Справедливо соотношение:
Е – энергия кванта
IПЕРВ. КВ. – интенсивность первичных квантов
IВТОР. КВ. – интенсивность вторичных квантов
(x,y,z) – линейный коэффициент ослабления излучения в тканях.
А1, А2 – точки входа и выхода излучения из тела пациента
 – коэффициент поглощения энергии прибора регистратором (зависит от Е и от угла прихода кванта )
-  
для первичных квантов угол равен нулю и энергия равна Е
 
-  
для вторичных квантов угол произволен (), энергия тоже меняется в некоторых пределах
 
S – функция, характеризующая рассеивающие свойства вещества
 – вариация угла рассеяния
Функция рассеивания S зависит от распределения тканей и их положения в организме. Многочисленные экспериментальные исследования и теоретические расчеты позволили (для тела человека) установить следующее соотношение:
преобразование Радона
R – отношение рассеянного излучения к первичному (эта константа определяется либо путем измерений, либо расчетным путем)
 §
 
 2. Взаимодействие квантов рентгеновского излучения с биологическими тканями
Рис.3. Прохождение моноэнергетических квантов (квантов одной энергии) через мягкие биоткани. Приведенные кривые соответствуют энергиям квантов 20, 30, 50, 100 и 150 кэВ.
При низкой проникающей способности (20 кэВ) и малой энергии квантов небольшая часть квантов доходит до приемника изображения, а основная часть поглощается и лучевая нагрузка на пациента становится очень высокой. Если использовать большую энергию, то лучевая нагрузка становится равной нулю, но лучи проходят, не замечая ткани. Следовательно, нужно использовать принцип полпрозрачности тканей. Если коэффициент прохождения ~ 1, то различие в проникающей способности через разные ткани будет малым, и контраст в изображении низким. На практике используют от 17 кэВ (при толщине ткани 1-3 см) до 150 кэВ (при толщине ткани 20-30 см). В указанном диапазоне энергии взаимодействие квантов рентгеновского излучения с биотканью приводит к фотоэффекту и рассеянию.
Фотоэлектрический эффект представляет собой такое взаимодействие квантов, при котором квант рентгеновского излучения поглощается тканью, при этом образуется фотоэлектрон и несколько характеристических рентгеновских квантов. В биоткани фотоэлектрон имеет энергию 150 кэВ и, следовательно, очень быстро поглощается (свободная длина пробега 0,3 мм), это приводит к увеличению лучевой нагрузки. Характеристическое рентгеновское излучение также поглощается в тканях, но длина свободного пробега может достигать 4 см (для элементов с большим атомным числом).
Рассеянное излучение имеет более плавную характеристику от энергии, однако, при рассеянии образуются рентгеновские кванты, энергия которых лишь немного меньше энергии падающего излучения (падающее 25 кэВ – рассеянное 22,8 кэВ, падающее 100 кэВ – рассеянное 71,9 кэВ) и рассеянное излучение практически не поглощается тканью и доходит до приемника и их необходимо фильтровать.
 Р
 
 ис.4. Зависимость линейного коэффициента ослабления излучения от энергии кванта для мягких биотканей. Приведены зависимости коэффициентов фотоэлектического поглощения, рассеяния и поглощения (обусловленного рассеянием) от энергии квантов.
Линейный коэффициент рассеяния зависит от типа ткани
 Р
 
 ис.5. Зависимость линейного коэффициента ослабления от энергии квантов для костных и мягких биотканей.
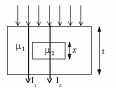
§3. Контраст и нерезкость изображений.
Р
 
 ассмотрим простейшую модель объекта.
Рис.6. Простая модель для оценки величины контраста.
С – контраст
1 – энергия, поглощенная приемником за пределом мишени
2 – энергия, поглощенная приемником после прохода через мишень
При использовании выражения (*) получаем:
Таким образом к факторам влияющим на контраст (С) изображения относятся толщина ткани мишени (х) и разность линейных коэффициентов поглощения (2-1), также отношение интенсивности рассеянного излучения к первичному (R)
2 , 1 – линейный коэффициенты поглощения
Нерезкость рентгенографической системы изображения важный фактор, определяющий процесс формирования изображения проекций, зависящий от конструктивных особенностей рентгеновской трубки, свойств приемника и движений пациента.
Контраст равнозначен глубине модуляции, а нерезкость – смазу передаточной функции изображения. Наиболее полно свойства рентгенографической системы определяются передаточной функцией системы. В настоящее время для каждой изображающей системы строится ее передаточная функция или кривая контраст-размер.
Наиболее общим методом определения процесса формирования изображения является измерение моделлюционной передаточной функцией. Моделлюционный передаточный процесс измеряют при помощи тестообъекта в виде решетки.
 
 
 Рис.7. Изменение контраста с энергией квантов для двух наиболее важных для маммографии сред, а именно — для микрокальцинатов (гидроксифосфата кальция) размером 100 мкм (верхняя кривая) и железистой ткани размером 1 мм (нижняя кривая). Контраст определяется по отношению к тканям молочной железы в норме. Снижением контраста за счет рассеяния пренебрегаем. 
§4. Шум и доза.
При регистрации рентгеновского изображения возникает шум, который обусловлен двумя факторами:
-  
флуктуация числа рентгеновских квантов, регистрируемых единицей площади приемника – квантовый шум.
 -  
Флуктуация, обусловленная характеристиками приемника и всей системы отображения.
 
Уровень квантового шума, который возникает при формировании проекции можно снизить за счет увеличения числа квантов регистрирующих приемников, однако, при этом увеличивается доза облучения пациента.
Возьмем прежнюю модель и определим, какая должна быть доза на поверхности моделей, обеспечивающая контраст (С) на площади (А) относительно квантового шума, т.е. нужно оценить соотношение сигнал/шум.
 
 
 Имеется сигнал 
 , который мы пытаемся зарегистрировать.
Квантовый шум, обусловлен флуктуациями энергии, поглощаемыми в приемнике (предположим для простоты) может быть описан пуассоновским процессом.
S – сигнал, Ш – шум, OSШ – отношение сигнал/шум.
Число квантов регистрируемых единицей площади приемника является Пуассоновским процессом и шум равен
А – площадка на котором идут все измерения.
Если подставить OSШ в выражение для контраста, то OSШ может быть записано в виде:
Экспериментальные исследования показали, что в рентгенографии объект можно зарегистрировать, когда шум превышает некоторый порог, который обозначается буквой «k » (экспериментально нашли, что k=5)
Если поставить k=5 можно определить N:
Если выбрать отношение k, то можно определить количество квантов N, которое необходимо, чтобы обеспечить данное отношение сигнал/шум.
 Поверхностная доза облучения вычисляется как произведение числа квантов, приходящихся на единицу площади (в нашем случае это Ν) на массовый коэффициент поглощения энергии биотканью 
 , и на энергию кванта (Е).
ρ – плотность ткани
ЕП – энергия поглощения
Характеристики
Тип файла документ
Документы такого типа открываются такими программами, как Microsoft Office Word на компьютерах Windows, Apple Pages на компьютерах Mac, Open Office - бесплатная альтернатива на различных платформах, в том числе Linux. Наиболее простым и современным решением будут Google документы, так как открываются онлайн без скачивания прямо в браузере на любой платформе. Существуют российские качественные аналоги, например от Яндекса.
Будьте внимательны на мобильных устройствах, так как там используются упрощённый функционал даже в официальном приложении от Microsoft, поэтому для просмотра скачивайте PDF-версию. А если нужно редактировать файл, то используйте оригинальный файл.
Файлы такого типа обычно разбиты на страницы, а текст может быть форматированным (жирный, курсив, выбор шрифта, таблицы и т.п.), а также в него можно добавлять изображения. Формат идеально подходит для рефератов, докладов и РПЗ курсовых проектов, которые необходимо распечатать. Кстати перед печатью также сохраняйте файл в PDF, так как принтер может начудить со шрифтами.
 *) 














