книга в верде после распозна (1024283), страница 7
Текст из файла (страница 7)
Мвр = dWjda,
(2.7)
причем
BwSal,
где чУ — потокосцепление магнитного поля постоянного магнита с рамкой, по которой течет ток I; В — магнитная индукция в воздушном зазоре; w — число витков рамки; 5 — ее площадь; угол поворота рамки а отсчитывается от плоскости, проходящей через центральные образующие наконечников постоянного магнита. Поскольку радиальное поле не зависит от угла а, имеем
Мвр = (dV/da)I = BwSI. (2.8)
Из (2.6) и (2.8) следует
а = (BwS/W)I = Sjl. Р (2.9)
Согласно (2.9) угол отклонения подвижной части пропорционален току, протекающему по рамке. Коэффициент пропорциональности
36
ST=BwS/W (2.10)
называется чувствительностью магнитоэлектрического механизма к току.
Чувствительность Sj является постоянной величиной, зависящей только от конструктивных параметров механизма, а не от значения измеряемого тока /, поэтому шкала магнитоэлектрического прибора равномерна. Изменение направления тока ведет к изменению направления угла отклонения рамки.
Из группы аналоговых приборов магнитоэлектрические приборы относятся к числу наиболее чувствительных и точных. Изменения температуры окружающей среды и внешние магнитные поля мало влияют на их работу. Равномерный характер шкалы и малое потребление энергии также являются достоинствами этих приборов. Вследствие инерционности магнитоэлектрические приборы реагируют только на постоянную составляющую тока. Для измерений в цепях переменного тока требуется предварительное преобразование переменного тока в постоянный.
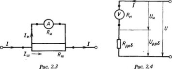
Амперметры. Магнитоэлектрический механизм, включенный непосредственно в измерительную цепь, позволяет измерять малые постоянные токи, не превышающие 20—50 мА. Превышение указанных значений может повести к повреждениям провода рамки и спиральной пружины. Таким образом, сам магнитоэлектрический механизм может выступать только в роли микроамперметра или миллиамперметра. Для того чтобы измерять большие токи, используют измерительные цепи, включающие в себя шунты, представляющие собой манганиновые резисторы, сопротивление которых мало зависит от температуры. Обычно оно во много раз меньше сопротивления рамки RK магнитоэлектрического измерительного механизма. Поэтому при включении шунта параллельно прибору (рис. 2.3) основная часть измеряемого тока / проходит через шунт, а ток / , проходящий через рамку измерительного механизма, не превышает допустимого значения. Отношение /Ди = п, показывающее, во сколько раз измеряемый ток превышает допустимое значение, называется коэффициентом шунтирования. Сопротивление шунта, которое необходимо выбрать для получения требуемого коэффициента шунтирования, нетрудно определить: = ."WV /-/и, откуда следует Лш =RJ(n- 1).
Амперметры для измерения сравнительно небольших токов (до нескольких десятков ампер) имеют внутренние шунты, вмонтированные в корпус прибора. Измерение больших токов (до нескольких тысяч ампер) осуществляют при помощи наружных шунтов, которые имеют определенные номинальные падения напряжения (45, 60, 75, 100 и 300 мВ) и классы точности (0,02; 0,05; 0,1; 0,2; 0,5).
Вольтметры. Схема вольтметра магнитоэлектрической системы приведена на рис. 2.4. Добавочный резистор ^доб, включенный последова-
0
тельно с рамкой измерительного механизма, ограничивает ток полного отклонения /; протекающего через нее, до допустимых значений. При этом падение напряжения на рамке U зависит от сопротивления рамки R и обычно не должно превышать десятков милливольт. Остальная часть измеряемого напряжения U должна падать на добавочном сопротивлении. Если необходимо получить верхний предел измерения напряжения, в т раз превышающий значение Uw, то необходимо включить добавочный резистор, сопротивление которого легко вычисляется на основании очевидных соотношений (рис. 2.4):
и д и до б '
и/иж = и/тк =т,
из которых следует
Добавочные резисторы изготавливают из термостабильных материалов, например, из манганиновой проволоки. Они могут быть внутренними, встроенными в корпус прибора (при напряжениях до 600 В), и наружными (при напряжениях 600-1500 В). Добавочные резисторы имеют определенные номинальные токи (0,5, 1, 3, 5, 7,5, 15 и 30 мА) и классы точности (0,02; 0,05; 0,1; 0,2; 0,5; 1).
Омметры. Магнитоэлектрические механизмы также используются в приборах для измерения сопротивления на постоянном токе — омметрах. Схема омметра приведена на рис. 2.5. Ток, протекающий через микроамперметр, зависит от сопротивления рамки микроамперметра R , сопротивления добавочного резистора Ядоб и сопротивления Rx, которое нужно измерить. Если сопротивление рамки Rw мало по сравнению с^доб и^х' то можно записать
1 *«Wno6 + **)- (2-П)
0
zb- E
-»-(M
Рис. 25
\R* A
-»—-£z£
=т-"£
_,_?
Рис. 2.6
Отклонение а указателя прибора согласно уравнению (2.9)
V
Таким образом, отклонение указателя прибора при условии постоянства напряжения Е является функцией Rx, и шкала может быть проградуирована в единицах Рис.2.7
сопротивления — омах.
В процессе эксплуатации напряжение Е батареи изменяется и значение его может отличаться от того, при котором производилась градуировка шкалы. Поэтому перед каждым измерением ключом К замыкают накоротко зажимы, предназначенные для подключения неизвестного сопротивления Rx, и изменением сопротивления Rroq устанавливают стрелку на отметку 0. Эта отметка находится с правой стороны шкалы и соответствует нулевому значению измеряемого сопротивления.
Омметры, выполненные по схеме, изображенной на рис. 2.5, удобны для измерения больших сопротивлении (от нескольких ом до сотен мегаом). Для измерения малых сопротивлений используются омметры, собранные по несколько видоизмененной схеме (рис. 2.6).
Логометры. Приборы, в которых противодействующий момент создается не при помощи упругого элемента, а теми же электромагнитными силами, что и вращающий, называются логометрами. У логомет-ров положение подвижной части определяется отношением двух токов. Логометры магнитоэлектрической системы (рис. 2.7) имеют подвижную часть из двух жестко скрепленных между собой катушек (рамок). Последние могут свободно вращаться в неравномерном поле постоянного магнита. Для создания неравномерного магнитного поля полюсным наконечникам, как и сердечнику, находящемуся между ними, придается особая форма Токи /j и /2 подводятся через тонкие, не создающие противодействующего момента металлические ленты Из-за отсутствия упругого элемента стрелка отключенного логометра занимает
0
безразличное положение. Электрокинетическая энергия рамок с током в поле постоянного магнита
Ж = Ф.(а)/,; УГг = *a(a)/2. (2-13)
Зависимость потокосцеплений 4>i и Ф2 от угла а возникает из-за неоднородности магнитного поля. Моменты, создаваемые рамками,
Mi = (d4>,(a)/da)/,; М2 = (d4>2 (a)/da)/2. (2.14)
При равновесии
/,«**, (о)/do = /2d4>2 (a)/da , (2.15)
откуда
Iy/I2 = {dViWId^Kd^Wlda) = /(«), или
a = F(/,//a). (2-16)
Из уравнения преобразования логометра (2.16) видно, что положение его подвижной части является функцией отношения токов в рамках.
Логометры применяются для измерения сопротивления и других электрических величин. Основным достоинством логометрических приборов является независимость их показаний от напряжения питания.
Гальванометры. Высокочувствительные магнитоэлектрические приборы называются гальванометрами. Подвижная часть гальванометра укрепляется на подвесе из тонкой упругой ленточки. Эта ленточка создает противодействующий момент, а также служит одним из токове-дущих проводников. Другим проводником является безмоментная спираль из серебряной фольги. Рамка выполняется бескаркасной, устройство для успокоения отсутствует. Обычно применяется оптическое отсчетное устройство, состоящее из зеркальца, укрепленного на подвижной части, источника света с оптическими приспособлениями для формирования узкого луча и шкалы с миллиметровыми делениями. После отражения от зеркальца луч падает на шкалу. При повороте подвижной части луч перемещается вдоль шкалы.
Гальванометры характеризуются чувствительностью к току и напряжению.
Чувствительность к току, как и в случае обычных магнитоэлектрических приборов, определяется по (2.10) :
Sj = a/I =BwS/W (2.17)
и характеризует отклонение подвижной части гальванометра при протекании через рамку единицы тока. 40
• Чувствительность к напряжению
Sv = a/U =BwS/WRr, (2.18)
где R — сопротивление рамки гальванометра.
Выражение (2.18) следует из (2.17) и равенства U=IRT.
Обычно чувствительность к току характеризуют числом, показывающим, на сколько миллиметров перемещается световой луч по шкале при прохождении через гальванометр тока 1 А при расстоянии от зеркальца гальванометра до шкалы 1 м, например.
Sf ~ 5 • 109 мм/(А - м).
Аналогичным образом чувствительность к напряжению задается в мм/ (В • м).
Часто в паспортах гальванометров указываются не чувствительности, а обратные им величины Cj и С^, которые называются постоянными гальванометра: Cj = 1/Sj, Су = 1/S^.
Упомянутые выше характеристики являются статическими, они ничего не говорят о процессе достижения положения равновесия подвижной частью гальванометра. Между тем такой параметр, как время установления равновесия, имеет важное значение при работе с приборами повышенной чувствительности. Для исследования переходных процессов в гальванометре необходимо рассмотреть уравнение движения его подвижной части
JcPa/dt1 = Ш, (2.19)
где / — момент инерции; dPa/dt2 — угловое ускорение; 2ZM — сумма моментов, действующих на подвижную часть прибора.
В эту сумму кроме момента вращения .AfEp и противодействующего момента Мпр следует включить момент успокоения Му, который возникает вследствие появления магнитоиндукционного торможения при движении рамки гальванометра в поле постоянного магнита. При установившемся положении подвижной части Му = 0.
Таким образом, уравнение движения (2.19) можно записать в виде
JePa/dt* =ЛГвр + Мпр + Му , (2.20) где
Мвр = BwSI; (2.21)
Mnp=-Wa. (2.22) Выражение дляЖу можно записать в виде
Му = BwSi, (2.23)
0
где i — ток, возникающий от ЭДС е, индуктированной в рамке гальванометра при движении последней в магнитном поле постоянного магнита. Но i = е//?ц, где Лц — сопротивление цепи гальванометра, состоящее из сопротивлений RT рамки гальванометра PC и внешней цепи RBH (рис. 2.8):
*ц = Rr + *вн ■
ЭДС равна
е = -d^f/dt = -BwSda/dt.
Следовательно, выражение для момента успокоения (2.23) можно переписать в виде
Му = -[(BwS)2l(RT + RBH)](da/dt) = -Pda/dt. (2.24)
Величина Р = (BwS)2l(RT + RBH) называется коэффициентом успокоения. Знаки минус в (2.22) и (2.24) отражают тот факт, что моменты противодействия и успокоения направлены против момента вращения.
Подставив (2.21), (2.22) и (2.24) в уравнение движения подвижной части гальванометра (2.20), получим
JdPajdt + Pda/dt + Wa = BwSI. (2.25)
Введем обозначения
Wo = \fW\ 0 = Р/2у/У¥; ap = BnSI/W. Тогда уравнение (2.25) примет вид
d2a/dt2 + 2to0(3da/dt + crfa = u>lap . (2.26)
Решение этого линейного дифференциального уравнения дается суммой частного решения, удовлетворяющего заданному начальному условию, и общего решения однородного уравнения
я = «ч + «о- (2.27)
Частное решение ац можно получить, рассматривая равновесное состояние подвижной части. При равновесии ее скорость da/dt и ускорение d2 a/dt2 равны нулю, а установившееся значение угла
ач= ар = BwSI/W. (2.28) Общее решение однородного уравнения
(fa/dt2 + 2to0(3da/dt + со20а = 0 (2.29)
















