книга в верде после распозна (1024283), страница 11
Текст из файла (страница 11)
Вторая схема позволяет строить чувствительные вольтметры, нижний предел измерения которых составляет всего лишь единицы микровольт. Однако эти приборы имеют меньший частотный диапазон, поскольку частотный диапазон усилителя переменного тока трудно сделать достаточно большим.
Детекторы, применяемые в электронных вольтметрах, служат для выпрямления переменного тока. Они могут быть выполнены по различным схемам и подразделяются на детекторы средневыпрямленного, амплитудного и среднеквадратического значений. Это деление показывает, какому из значений (средневыпрямленному, амплитудному или среднеквадратическому) измеряемого напряжения соответствует напряжение на выходе детектора.
Детекторы средневыпрямленного значения представляют собой выпрямители на полупроводниковых диодах — такие же, как в приборах выпрямительной системы.
Амплитудные детекторы обычно содержат диод и конденсатор, который заряжается до амплитудного значения измеряемого напряжения. Для нормальной работы амплитудного детектора необходимо, чтобы сопротивление его нагрузки было велико (50—100 МОм). Поэтому амплитудный детектор используют в первой из схем, представленных на рис. 2.29, где его нагрузкой является усилитель постоянного тока, обладающий высоким входным сопротивлением.
Детекторы среднеквадратического значения используют квадратичный участок вольт-амперной характеристики (ВАХ) диода или диодной цепочки, в результате чего среднее значение напряжения на выходе детектора оказывается пропорциональным квадрату среднеквадратического значения измеряемого напряжения. В других схемах детекторов среднеквадратического значения напряжения применяются термопреобразователи.
По отношению к постоянной составляющей напряжения различают детекторы с открытым и закрытым входом. В первом случае постоянная составляющая наряду с переменной вносит свой вклад в результат измерения, во втором — постоянная составляющая исключается из-за наличия разделительного конденсатора на входе детектора.
В зависимости от применяемой схемы выпрямления вольтметры подразделяются на вольтметры средневыпрямленного, амплитудного и среднеквадратического значений.
Как видно из структурных схем, приведенных на рис. 2.29, в состав каждого электронного вольтметра входит усилитель постоянного или переменного тока. Одна из возможных схем усилителя постоянного тока (в упрощенном виде) представлена на рис. 2.30. Измеряемое напряжение Ux подается на сетку триода VL1 через резистор В.ф, который вместе с конденсатором Сф образует фильтр, уменьшающий пульсации на сетке лампы. При короткозамкнутом входе, т.е. в отсутствие напряжения Ux, потенциалы сеток обеих ламп VL1 и VL2 равны и уста-
0
Рис. 2.30
новка на нуль измерительного механизма вольтметра PV может быть выполнена при помощи переменного резистора R4. Появление напряжения Ux приведет к изменению внутреннего ' сопротивления лампы VL1, вследствие чего нарушится баланс схемы, потенциалы анодов не будут равны и через цепь измерительного механизма потечет ток. Направление и значение этого тока зависят от знака и значения измеряемого напряжения Ux. Таким образом, шкала измерительного механизма может быть проградуирована в вольтах постоянного тока.
Усилители переменного напряжения, которые используются в электронных вольтметрах, должны иметь высокий и стабильный коэффициент усиления в рабочем диапазоне частот, малые нелинейные искажения, быть нечувствительными к изменениям температуры и напряжения питания. Таким требованиям отвечают широкополосные многокаскадные усилители, стабилизированные обратной связью.
Электронные вольтметры обладают рядом ценных качеств. Они имеют большое входное сопротивление, поэтому потребляют малую мощность от цепи, в которой производятся измерения. Диапазон их рабочих частот может простираться от нуля до сотен мегагерц. Значения измеряемых напряжений лежат в области от нескольких микровольт до киловольт.
К недостаткам электронных вольтметров относятся необходимость источника питания, невысокая точность, обусловленная недостаточной стабильностью электронных элементов (резисторов, ламп, полупроводниковых диодов и триодов и т.д.). На электронные вольтметры установлены классы точности от 0,1 до 25. Обычные классы 2,5; 4,0, а на повышенных частотах 6,10, 15.
Вольтметры средневыпрямленного значения и амплитудные вольтметры имеют также погрешности, зависящие от формы кривой тока. По принципу действия они реагируют на средневыпрямленное и амплитудное значения, но для удобства работы обычно градуируются в сред-неквадратических (действующих) значениях напряжения. Такая градуи-
0
ровка может быть произведена только для определенной формы кривой тока. Обычно эта форма предполагается синусоидальной. Поэтому вольтметры средневыпрямленного и амплитудного значений дают правильные показания только при синусоидальной кривой измеряемого напряжения. Если кривая отличается от синусоиды, погрешности могут возрастать до десятков процентов.
Электронные вольтметры часто входят в состав и являются основой многопредельных комбинированных приборов, позволяющих наряду с напряжением измерять другие электрические величины, например сопротивление. Такие приборы широко используются в лабораторной практике, особенно для радиотехнических измерений.
Описанные выше электромеханические и электронные приборы являются показывающими, выполняемыми по схеме прямого действия и использующими 'метод непосредственной оценки (см § 1.2 и 1.4). Они удобны в работе и имеют малое время измерения, однако обладают сравнительно большими погрешностями.
Для выполнения измерений повышенной точности применяют более сложные приборы. Они выполняются по схемам уравновешивания и используют метод сравнения. К таким приборам относятся компенсаторы (потенциометры) и измерительные мосты.
2.8. КОМПЕНСАТОРЫ
Компенсаторами (или потенциометрами) называются приборы для измерения методом сравнения ЭДС, напряжений или величин, функционально с ними связанных. Существуют компенсаторы как постоянного, так и переменного тока.
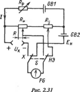
Компенсаторы постоянного тока обычно выполняются по принципиальной схеме, приведенной на рис. 2.31. Источник постоянного тока GB1 обеспечивает протекание рабочего тока / в цепи, составленной из последовательно соединенных резисторов: измерительного RK, установочного Ry и регулировочного jRp. Зажимы НЭ (на схеме не показаны) служат для подключения нормального элемента GB2, а зажимы Ux — для подключения измеряемого напряжения. При помощи переключателя S гальванометр PG можно включать либо в цепь нормального элемента (положение НЭ), либо в цепь измеряемого напряжения (положение X)
В соответствии с идеей метода измеряемое напряжение Ux необходимо сравнить с падением напряжения, создаваемым рабочим током / на части R измерительного резистора RK. На практике в качестве jRh используют магазин резисторов, обеспечивающий высокую точность задания требуемого значения/?.
Процесс измерения напряжения состоит из двух операций: установления рабочего тока / и уравновешивания измеряемого напряжения Ux напряжением, создаваемым рабочим током на R. Для установления 64 рабочего тока переключатель гальванометра ставят в положение НЭ и при помощи резистора Rp добиваются отсутствия тока в гальванометре. Это будет иметь место в том случае, если падение напряжения на установочном резисторе Ry равно ЭДС нормального элемента:
IRV =£н
(2.67)
Таким образом, при отсутствии тока в цепи гальванометра рабочий ток
/ = EH/R
у •
(2.68)
После этого переходят ко второй операции: переключатель гальванометра устанавливают в положение X и при помощи магазина резисторов RK устанавливают такое значение сопротивления R, при котором происходит уравновешивание измеряемого напряжения падением напряжения IR. Это произойдет тогда, когда ток через гальванометр снова будет отсутствовать. В результате уравновешивания
U = IR.
(2.69)
После подстановки выражения для рабочего тока / (2.68) в (2.69) получим
(2.70)
Чтобы избежать вычислений по (2.70) при каждом из актов измерений, удобно выбрать значение Ry таким, чтобы отношение EH/Ry было числом, представимым в виде 10~", где п — целое. Если, например, и = 4, то Ен IRy = Ю~4 и соотношение (2.70) принимает вид
Ux = 0,000 LR.
При этом вычисление Ux существенно упрощается. Практически этап вычисления исключается полностью, так как на шкалах магазина резисторов RK, при помощи которого устанавливается требуемое значение R, наносятся числовые отметки, сразу дающие значение Ux в вольтах.
К сожалению, ЭДС нормального элемента Ен хотя и слабо, но зависит от температуры. Поэтому значение отношения EfJRy может несколько отличаться от требуемого "круглого" значения 10"". Дтя устранения такого отличия служит небольшой переменный резистор, который вместе с постоянным резистором входит в состав Ry. Перед измерением значение Ry несколько корректируется, чтобы компенсировать уход отношения Е H/Ry за счет температурных изменений Ен.
3-6016
0
При помощи компенсаторов можно измерять ЭДС и напряжения с весьма высокой точностью, так как резисторы /?и и Ry могут иметь погрешности, не превышающие 0,001%. Значение ЭДС нормального элемента известно также с не меньшей точностью. Классы точности компенсаторов постоянного тока лежат в пределах от 0,0005 до 0,5. Верхний предел измерения не превосходит 1,5—2,5 В. Нижний предел может составлять единицы нановольт. Если вместо нормального элемента используется стабилизированный источник постоянного тока, то верхний предел измерения может быть повышен до нескольких десятков вольт. Для измерения более высоких напряжений применяются схемы с делителем напряжения. При этом, однако, утрачивается одно из основных достоинств компенсационного метода измерения — отсутствие потребления мощности от объекта измерения.
Компенсаторы используются также для точных косвенных измерений токов и сопротивлений. Для измерения тока 1Х в цепь включается образцовый резистор, сопротивление R0 которого известно с большой точностью, и компенсатором измеряется падение напряжения U на этом сопротивлении. Ток вычисляется по формуле Ix = U/R0. Для измерения сопротивления резистора Rx последовательно с ним включается образцовый резистор R0 и в этой цепи устанавливается ток /. Падение напряжения на Rx и R0 измеряется компенсатором. Из уравнений
следует формула для вычисления значения измеряемого сопротивления Rx:
Rx = RoUx/U0.
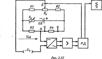
Автоматические компенсаторы постоянного тока. Измерения ручными компенсаторами требуют много времени. При этом не обеспечивается непрерывное слежение за текущим значением измеряемой величины. Непосредственное использование схемы, представленной на рис. 2.31, для построения автоматических компенсаторов неудобно из-за трудности автоматизации описанных выше последовательных этапов процесса измерения, таких, как установка рабочего тока, сравнение измеряемого и известного напряжений, считывание результата измерения и т.д. Поэтому для построения автоматических компенсаторов используют другие схемы. Одна из наиболее распространенных приведена на рис. 2.32. В данном случае измеряемое напряжение Ux должно быть скомпенсировано напряжением Uqq, возникающим между точкой а и подвижным контактом б резистора jRp, выполненного в виде реохорда. Если компенсации нет, то некомпенсированная разность Ux — UQ^ (после преобразования ее в переменное напряжение вибропреобразователем и усиления усилителем переменного тока) воздействует на реверсивный двигатель РД. Механическая связь двигателя с подвижным
0
контактом б приводит к перемещению последнего.в направлении, обеспечивающем компенсацию измеряемого напряжения Ux напряжением Uqq. Двигатель при своем вращении перемещает также указатель вдоль шкалы компенсатора, обеспечивая возможность визуального считывания показаний. Кроме того, большинство автоматических компенсаторов имеют механизмы записи показаний на бумажной ленте или диске.
Требуемое значение рабочего тока устанавливается при помощи переменного резистора Ry, включенного последовательно со стабилизированным источником питания.
При правильной установке рабочего тока падение напряжения на резисторе R4 должно быть равно ЭДС нормального элемента. Такое значение выбрано потому, что его удобно контролировать при помощи образцового компенсатора, снабженного нормальным элементом. Для этого на резисторе R4 имеются специальные зажимы.















