книга в верде после распозна (1024283), страница 14
Текст из файла (страница 14)
Но f2 — fi =ux/k, где k — известный коэффициент, зависящий от скорости нарастания линейно изменяющегося напряжения ик. Таким об-
0
| ги | ВС | и6ых | ||||
| -га- | ||||||
| гикд | u8 | УУ | ||||
хВых
«о
Рис. 2.42
разом,
или
(2.89)
(2.90)
Погрешность преобразования, кроме рассмотренных ранее составляющих, содержит также вклад от линейности напряжения ГЛИН, нестабильности коэффициента к, т.е. нестабильности наклона кривой линейно изменяющегося напряжения и смещения нуля. Шумовая помеха иш, наложенная на входное напряжение их, также является источником погрешности, поскольку при наличии такой помехи устройство сравнения вырабатывает импульс uf2 не в момент, когда uK = их, а в момент, когда uK =их + иш. Подавление помех осуществляется при помощи специальных фильтров. Общая приведенная погрешность АЦП данного типа составляет около 0,1%.
АЦП с частотно-импульсным преобразованием. В частотно-импульсных АЦП входная аналоговая величина (например, напряжение их) предварительно преобразуется в частоту следования импульсов / . Цифровой код формируется посредством заполнения этими импульсами временного интервала строго определенной длительности Т0. Структурная схема АЦП данного типа представлена на рис. 2.42, а. Входное напряжение их поступает на генератор импульсов ГИ с управляемой частотой следования fx. Частота следования / управляется входным напряжением и в соответствии с формулой
fx = kux >
(2.91)
где к — известный коэффициент пропорциональности.
0
146607���2076789
Устройство управления (УУ) запускает генератор импульсов калиброванной длительности, который управляет временным селектором (ВС), открывая его на время Т0. Число кодовых импульсов, поступающих на выход,
N~ T0/T = T0fx. (2.92)
Временная диаграмма работы частотно-импульсного АЦП представлена на рис. 2.42, б. Частотно-импульсные АЦП менее чувствительны к помехам, несмотря на то что помеха меняет частоту следования импульсов / . Дело в том, что за время Т0 эти изменения частоты следования могут частично взаимно компенсироваться. Если, например, помеха имеет симметричный характер и ее частота равна или кратна Т0, то средняя за время То частота
1 т° 1 т° 2ттп
1 T0 о T0 о T0
(2.93)
где umn — амплитуда напряжения помехи; 2im/T0 — ее частота.
Таким образом, средняя за время Т0 частота оказывается пропорциональной входному напряжению, т.е. влияние помехи исключается. Приведенная погрешность частотно-импульсных АЦП составляет сотые доли процента.
АЦП поразрядного уравновешивания. Рассмотрим работу этого АЦП на примере преобразователя напряжение—цифровой код. Структурная схема АЦП поразрядного преобразования представлена на рис. 2.43. Измеряемое напряжение их сравнивается с набором образцовых напряжений и01 > щ2 > • ■ • > Щп> составленным по определенному закону, например, в соответствии с разрядами двоичной системы счисления. Эти напряжения поступают на устройство сравнения УС от преобразователя код—образцовое напряжение в соответствии с командами устройства управления. Преобразователь код—образцовое напряжение представляет собой цифро-аналоговый преобразователь ЦАП, задачей которого является выработка аналогового напряжения в соответствии с поступающим на его вход числовым кодом.
Последовательность работы АЦП поразрядного уравновешивания задается генератором тактовых импульсов ГТИ. В первом такте происходит сравнение входного напряжения их с наибольшим образцовым напряжением щ х. Если их < щ i, т.е. ux — w01 < 0, то устройство управления подает на выход код 0. Таким образом, высший разряд выходного двоичного кода будет нулевым. После этого напряжение щх отключается от устройства сравнения, а подается напряжение u02 = = uol/2. После этого снова происходит сравнение, на этот раз их киП2. Если снова ux — ио2 < 0, то опять от устройства сравнения отключается щ2 и посылается 0 в следующий разряд двоичного кода. Это происходит до тех пор, пока не будет ux — u0f > 0. Тогда i-му разряду будет 80
| УС | Ц,АП | |||
| ГТИ | УУ | |||
приписана единица, а к напряжению u0i добавится м0г + i = мог'/2 и в следующем также будет произведено сравнение их и и0г" + + u0i(2. Этот процесс продолжается до тех пор, пока не будет
подобрано напряжение, наиболее ____ /V
близкое к входному. Двоичный код затем преобразуется в десятичный и в этом виде использует- ^ 2 43 ся в последующих блоках вольтметра.
АЦП с поразрядным уравновешиванием и вольтметры на их основе имеют высокую точность (погрешность 0,001%) и быстродействие (частота тактов более 1 МГц).
Цифро-аналоговые преобразователи. В схемах цифровых измерительных приборов нередко используются устройства, преобразующие цифровой код в аналоговую величину, однородную с измеряемой. Они также часто устанавливаются в цепях обратной связи различных информационно-измерительных систем. Такие устройства называются цифро-аналоговыми преобразователями. На рис. 2.44 представлена схема ЦАП весового типа. Резисторы Rl, R2,. . . , RN подбираются таким образом, чтобы их проводимости соотносились как весовые коэффициенты управляющего двоичного кода, т.е. чтобы
№^/№„-.0 = (i/*H _!>/(!/*„ _2) =..-
... = (1/Л2)/(1/Л,) = 2.
При этом выходное напряжение будет иметь значение
"ВЫХ = AE;l У
i - 1
(2.94)
S3
SN
"Вых
Рис. 2.44
0
где А — коэффициент пропорциональности; Е — образцовое напряжение; п — число разрядов управляющего двоичного кода, поступающего на входы дь а2,. . . , а„; i — номер разряда; kf — разрядный коэффициент, который может принимать значения 0 или 1 в зависимости от положения ключа Sj.
В свою очередь, положение ключей управляется кодовыми импульсами, поступающими на входы а\, а2.....ап. В результате цифровой
код оказывается преобразованным в пропорциональное аналоговое напряжение. Приведенная погрешность ЦАП составляет около 0,1%.
Цифровые отсчетные устройства. Цифровые отсчетные устройства (ЦОУ) служат для представления результатов измерения в виде обычных, удобных для считывания оператором десятичных цифр. В ЦОУ применяется несколько типов цифровых индикаторов. Наиболее распространены газоразрядные, светодиодные и жидкокристаллические индикаторы.
Газоразрядные индикаторы имеют набор проволочных катодов, выполненных в форме-десяти арабских цифр, и общий сетчатый анод. Катоды собраны в пакет и размещены по глубине один за другим в баллоне, наполненном неоном. Если напряжение подается на анод и какой-либо из катодов, то между ними возникает тлеющий разряд в виде светящейся соответствующей цифры. Рабочее напряжение газоразрядных индикаторов составляет 170—200 В. Индикаторы с таким высоким напряжением плохо совместимы с низковольтными интегральными микросхемами. Это является их основным недостатком.
Светодиодные индикаторы используют полупроводниковые инжек-ционные светоизлучающие диоды. Светодиоды излучают в видимой части спектра. Цвет излучения зависит от материала и может быть практически любым — от красного до зеленого. Индикаторы этого типа обычно имеют сегментную структуру. Та или иная цифра формируется высвечиванием определенных сегментов. К достоинствам светодиодных индикаторов относятся высокая яркость, большая долговечность, низкие рабочие напряжения (несколько вольт). Однако эти индикаторы имеют только небольшие размеры.
Жидкокристаллические сегментные индикаторы используют свойство некоторых органических веществ, называемых жидкими кристаллами, изменять коэффициент преломления под влиянием приложенного напряжения. Конструктивно индикаторы выполнены в виде конденсатора, обкладками которого являются проводящие электроды, нанесенные в виде прозрачных пленок на две стеклянные пластинки. Тонкий слой жидкого кристалла находится между этими пластинками. Индикаторы не излучают собственной энергии, они работают в отраженном свете, используя контраст между участками с приложенным напряжением и фоном. Поэтому жидкокристаллические индикаторы очень экономичны. Недостатком этих индикаторов является зависимость контрастности изображения от внешней засветки, а также невысокая яркость.
2.11. ОСЦИЛЛОГРАФЫ
Осциллографом называется прибор, предназначенный для наблюдения, регистрации и измерения параметров исследуемого сигнала, как правило, напряжения, зависящего от времени.
Осциллограф может также использоваться для исследования неэлектрических процессов при условии, что последние преобразуются в электрические сигналы.
Имеется два основных класса осциллографов: светолучевые, предназначенные для наблюдения медленных процессов, и электронно-лучевые, способные отображать как медленные, так и быстропротекаю-щие процессы.
Светолучевые осциллографы используют электромеханическое отклонение светового луча под действием исследуемого напряжения и запись на фотопленку.
Электронно-лучевые осциллографы строятся на основе электроннолучевых трубок. Отклонение электронного луча осуществляется непосредственно электрическим сигналом и является практически безынерционным. Исследуемый процесс отображается на люминесцентном экране и может быть зарегистрирован фотографическими средствами.
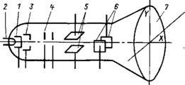
Электронно-лучевые осциллографы. Основным узлом электроннолучевого осциллографа является электронно-лучевая трубка (ЭЛТ), представляющая собой стеклянную вакуумированную колбу, внутри которой имеются источник электронов, система формирования узкого электронного луча, отклоняющие пластины и люминесцентный экран (рис. 2.45). Источником электронов является оксидный катод 1 с подогревателем 2. Число электронов, из которых затем формируется узкий электронный пучок, зависит от напряжения между катодом 1 и модулятором 3. При изменении этого напряжения меняется интенсивность электронного пучка, выходящего за пределы модулятора. Даль нейшее формирование пучка происходит под воздействием напряжений, приложенных к двум анодам 4, один из которых является ускоряющим, а другой — фокусирующим. Часть ЭЛТ, включающая в себя катод, модулятор и два анода, называется электронной пушкой. Назначение
Рис. 2.45
0
электронной пушки — сформировать узкий электронный пучок (луч) необходимой интенсивности. Этот пучок затем проходит между двумя парами взаимно перпендикулярных металлических отклоняющих пластин: вертикально отклоняющих 5 и горизонтально отклоняющих 6, а затем попадает на люминесцентный экран 7 ЭЛТ, образуя на нем яркое пятно. Если к отклоняющим пластинам приложить электрическое напряжение, то между ними будет существовать электрическое поле, которое приведет к горизонтальному (вдоль оси X) или вертикальному (вдоль оси Y) отклонению электронного луча. Это отклонение прямо пропорционально напряжению, приложенному к пластинам: hx =Sxtix; hy = SyUy, где hx, hy — отклонения вдоль осей Хк Y; Sx, Sy — чувствительности трубки, мм/В; их, иу — напряжения на пластинах Хк Y соответственно. Чувствительности Sx и Sy зависят от конструктивных особенностей трубки и напряжения на ускоряющем аноде трубки. Основной функцией осциллографа является отображение формы исследуемого напряжения на экране. Требуемое отображение достигается перемещением электронного луча в вертикальном и горизонтальном направлениях. Перемещение по вертикали происходит под влиянием исследуемого напряжения, приложенного к пластинам Y, а по горизонтали — приложенного к пластинам X напряжения пилообразной формы, называемого напряжением развертки. Последнее вырабатывается специальным генератором развертки. Рассмотрим сначала случай, когда напряжение на вертикально отклоняющих пластинах Y равно нулю, т.е. Uy = 0, а на горизонтально отклоняющих пластинах X имеется пилообразное напряжение (рис. 2.46). Тогда перемещение электронного луча будет приводить к перемещению пятна на экране от точки А к точке В за время гпр, и обратное перемещение за время гсбр- Таким образом, за время Гр = гПр + г0бр> называемое периодом развертки, луч осуществит свой прямой и обратный ход. Пилообразное напряжение формируется так, чтобы гпр > г0бр. т-е- 7р *пр-















