книга в верде после распозна (1024283), страница 10
Текст из файла (страница 10)
где С — емкость между пластинами, зависящая от их взаимного расположения; U — измеряемое напряжение. Следовательно, вращающий момент
М = Ш/да = (1/2)(ЭС/Эа)£Л вр
(2.57)
Противодействующий момент Л/пр= Wa при равновесии равен Мл
вр
Таким образом, уравнение преобразования электростатического прибора имеет вид
а - (1/2й/)(ЭС/Эа)£Л
(2.58)
Из (2.58) следует, что показание прибора не зависит от полярности приложенного напряжения.
В случае переменного тока следует произвести усреднение показаний по времени:
1 Т 1 ЭС J
а =
Т о 2W Эа
-u2(t)dt =
1
ЭС
--J и2 (f) А =--
2W да о 2W да
и2,
(2.59)
где н(г) — мгновенное значение измеряемого переменного напряжения; U — его действующее значение; Т — период времени, за который производится усреднение.
Таким образом, квадратичность уравнения преобразования (при ЪС/да = const) сохраняется и на переменном токе. Поэтому приходится
0
добиваться линеаризации шкалы специальным выбором формы пластин.
К достоинствам приборов электростатической системы относятся широкий частотный диапазон, ничтожное потребление энергии, независимость показаний от внешних магнитных полей.
К недостаткам следует отнести низкую чувствительность, невысокую точность, необходимость экранирования измерительного механизма от влияния внешних электрических полей.
Приборы электростатической системы в основном используются в лабораторной практике для измерения напряжений в высокоомных цепях на частотах от нескольких герц до нескольких мегагерц. Применение электронных усилителей позволяет значительно увеличить чувствительность приборов и использовать их в качестве милливольтметров. Применение емкостных делителей расширяет верхний предел измерения вольтметров до значений порядка нескольких киловольт. Емкостный делитель, показанный на рис. 2.22, имеет коэффициент деления
к = ^внЛх - 0/(С7 + С2)
и обеспечивает увеличение верхнего предела измерения вольтметра в l/k = С2/С1 + 1 раз. (Это справедливо, если собственная емкость электростатического вольтметра много меньше С2. В противном случае значение к должно быть уточнено).
2.6. ЭЛЕКТРОМАГНИТНЫЕ ПРИБОРЫ
Принцип действия приборов электромагнитной системы основан на взаимодействии магнитного поля, создаваемого током в неподвижной катушке, с подвижным ферромагнитным сердечником. Одна из наиболее распространенных конструкций электромагнитного измерительного механизма представлена на рис. 2.23, где / — катушка; 2 — сердечник, укрепленный на оси прибора; 3 — спиральная пружина, создающая противодействующий момент; 4 — воздушный успокоитель. (Встречаются также другие конструктивные модификации измерительных механизмов этой системы.) Под действием магнитного поля сердечник втягивается внутрь катушки. Подвижная часть механизма поворачивается до тех пор, пока вращающий момент не уравновесится противодействующим моментом, создаваемым пружиной.
Уравнение преобразования. Энергия магнитного поля катушки, через которую протекает ток /,
Щ, = LP/2, (2.60)
где L — индуктивность катушки, зависящая от положения сердечника, а следовательно, и от угла поворота подвижной части.
0
Рис. 2.23
Согласно (2.2) вращающий момент
Мвр = dWjda = (P/2)(dL/da). (2.61)
При установившемся отклонении подвижной части механизма Мвр = Мпр, где Мпр = Й^а, т.е. уравнение преобразования прибора имеет вид
а = (1/2Й/) (ЭХ/Эа)/2 . (2.62)
Если по катушке протекает переменный ток /(г), то необходимо произвести усреднение по времени:
1 дь 1 Г
а =---j r»(f)A. (2.63)
2W Эй Г о
По определению действующее значение тока
I = /— (2-64)
т.е.
а = (1/2Й/)(ЭХ/Эа)/2. (2.65)
Из (2.65) следует, что угол поворота подвижной части механизма пропорционален квадрату действующего значения тока, т.е. не зависит от направления тока. Поэтому электромагнитные приборы одинаково пригодны для измерений в цепях постоянного и переменного
57 тока. Линеаризация шкалы производится при помощи выбора специальной формы сердечника.
Амперметры. Промышленностью выпускаются амперметры с номиналь-tyl/v ( | ным током от долей ампера до 200 А.
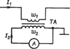
щ ^ Наиболее распространены амперметры
на 5 А. Последнее обстоятельство связано с тем, что на практике для расширения пределов измерения используются трансформаторы тока, причем номинальное значение тока во вто-^c 2 24 ричной обмотке выбирается, как пра-
вило, равным 5 А. На рис. 2.24 показано включение амперметра во вторичную обмотку трансформатора тока. Здесь w, — первичная обмотка; w2 — вторичная; 1Х и 12 — соответствующие токи.
Вольтметры. Если учесть, что ток через катушку прибора / = U/Rn, где U - приложенное напряжение, a RK - сопротивление катушки, то из (2.65) следует
а = (l/2R0(M./3e)(l/RJj)a3.
(2.66)
Таким образом, шкала измерительного механизма может быть про-градуирована и в единицах напряжения. Для расширения пределов измерения вольтметров используются добавочные сопротивления, поэтому приборы можно выполнять многопредельными. Промышленностью выпускаются электромагнитные вольтметры с номинальным напряжением от долей вольта до сотен вольт.
К достоинствам приборов электромагнитной системы относятся: простота конструкции, низкая стоимость, надежность, способность выдерживать большие перегрузки, пригодность для измерения в цепях как постоянного, так и переменного тока.
Недостатками являются: большое собственное потребление энергии, малая точность, малая чувствительность, сильное влияние внешних магнитных полей.
Приборы электромагнитной системы применяются в основном в качестве щитовых амперметров и вольтметров переменного тока промышленной частоты. Класс точности этих приборов 1,5 и 2,5. В некоторых особых случаях они используются для работы на повышенных частотах: амперметры до 8000 Гц, вольтметры до 400 Гц, Используются они и в лабораторной практике как переносные приборы классов точности 0,5 и 1,0.
Резонансный (вибрационный) частотомер. Электромагнитные механизмы нашли применение также для изготовления частотомеров, пред-58
Рис. 2.25
назначенных для контроля частот 50 и 400 Гц. Такие частотомеры (рис. 2.25) состоят из электромагнита 1 с сердечником 2, на обмотку которого подается напряжение с измеряемой частотой. В поле электромагнита находится якорь 3, скрепленный с планкой 4, на которой укреп-пен ряд стальных пластинок б с различными собственными частотами. Пружинные опоры 5 позволяют якорю и пластинкам б совершать вынужденные колебания с удвоенной частотой напряжения. При этом наибольшую амплитуду будет иметь та пластинка, у которой частота собственных колебаний совпадает с частотой второй гармоники вынужденных колебаний.
Погрешность резонансных частотомеров составляет около 1%. Она определяется размером пластинок и их числом. К достоинствам рассматриваемых приборов относятся их простота и удобство в эксплуатации. Недостатки — узкость пределов измерения (например, 45—55 Гц, 350—450 Гц) и невозможность использования на подвижных объектах из-за появления паразитных механических вибраций.
Измерительные трансформаторы тока. Как указывалось выше, для расширения пределов измерения электромагнитных амперметров применяются измерительные трансформаторы тока, которые преобразуют большие значения токов 1Х в малые 12 ■ Коэффициент трансформации Кj =Ii/I2 в основном определяется отношением числа витков во вторичной обмотке w2 к их числу в первичной обмотке и>1, т.е. Kj w2/w\. Схема включения амперметра с трансформатором тока ТА представлена на рис. 2.26. Чтобы получить значение измеряемого тока /ь следует измеренное амперметром значение тока /2 умножить на коэффициент трансформации:
A =KjI2.
На практике вместо действительного коэффициента трансформации К j приходится использовать номинальный коэффициент трансформации К1н, что приводит к погрешности определения тока It. Классы точности трансформаторов тока переносных лабораторных: 0,01; 0,02; 0,05; 0,1; 0,2; стационарных, устанавливаемых на подстанциях: 0,2; 0,5; 1,0; 3; 5; 10. Номинальные значения сопротивления нагрузки в
0
TV
Рис. 2.26
Лгс. 2.27
цепи вторичной обмотки лежат в пределах от 0,2 до 2,0 Ом. Увеличение сопротивления нагрузки приводит к увеличению погрешностей. Размыкание вторичной обмотки недопустимо, так как оно вызывает появление на разомкнутых концах высокого напряжения, опасного для людей и способного привести к нарушению изоляции.
Измерительные трансформаторы напряжения. Для расширения пределов измерения вольтметров электромагнитной, электродинамической и электростатической систем применяются измерительные трансформаторы напряжения, которые преобразуют высокое напряжение Ui, подводимое к первичной обмотке, в низкое U2, снимаемое со вторичной. Коэффициент трансформации Кv = Ui/U2 приближенно равен отношению числа витков первичной обмотки Wi к числу витков во вторичной, т.е. Кц Wi/w>2- Схема включения вольтметра с трансформатором напряжения TV представлена на рис. 2.27. Значение измеряемого напряжения С/| определяется из формулы Ui = KyU2 . Использование вместо действительного коэффициента трансформации Ку приводит к погрешностям определения напряжения С/|. Классы точности лабораторных трансформаторов напряжения: 0,05; 0,1; 0,2; стационарных: 0,2; 0,5; 1,0; 3.
2.7. ЭЛЕКТРОННЫЕ АНАЛОГОВЫЕ ВОЛЬТМЕТРЫ
В электронных вольтметрах конструктивно объединены электронный преобразователь и измерительный механизм. Электронный преобразователь может быть ламповым или полупроводниковым. Измерительный механизм обычно магнитоэлектрический. Электронные аналоговые вольтметры позволяют производить измерения в широком диапазоне напряжений и частот.
Электронные вольтметры постоянного тока выполняются по схеме, представленной на рис. 2.28. Измеряемое напряжение U подается на входное устройство, представляющее собой многопредельный высоко-омный делитель на резисторах. С делителя напряжение поступает на усилитель постоянного тока и далее — на измерительный механизм. Делитель и усилитель постоянного тока ослабляют или усиливают напряже-
0
| Входное устройство | Усилитель постоянного тока | Измерительный механизм | ||
Рис. 2.28
~и*у. Входное . П устройство
Детектор
Усилитель постоянного тока
Измерительный механизм
| Входное устройство | Усилитель переменного тока | Детектор | Измерительный механизм |
Рис. 2.29
ние до значений, необходимых для нормальной работы измерительного механизма. Одновременно усилитель обеспечивает согласование высокого сопротивления входной цепи прибора с низким сопротивлением катушки измерительного механизма. Входное сопротивление электронного вольтметра составляет обычно несколько десятков мегаом. Это позволяет производить измерения в высокоомных цепях без заметного потребления мощности от объекта измерения. Диапазон .измеряемых напряжений постоянного тока — от десятков милливольт до нескольких киловольт. Для измерения малых напряжений используют микровольтметры с преобразованием постоянного тока в переменный. В таких приборах усиление измеряемого сигнала производится на переменном токе, что позволяет достичь больших значений коэффициента усиления и снизить порог чувствительности до нескольких микроволы. Рабочий диапазон электронных микровольтметров постоянного тока лежит в пределах Ю-8 — 1 В.
Электронные вольтметры переменного тока выполняются по двум структурным схемам, представленным на рис. 2.29. В первой из этих схем измеряемое переменное напряжение сначала преобразуется в постоянное при помощи детектора, а затем усиливается усилителем постоянного тока и воздействует на измерительный механизм. Во второй схеме усиление производится на переменном токе (для этого служит усилитель переменного тока) и лишь затем предварительно усиленный сигнал выпрямляется детектором и отклоняет стрелку измерительного механизма. Эти схемы дополняют друг друга. Каждая из них обладает своими преимуществами и недостатками. По первой схеме могут строиться вольтметры, обладающие широким частотным диапазоном (10 Гц — 1000 МГц), но обычно не способные измерять напряжения меньше нескольких десятых долей вольта: детектор выпрямляет толь* ко достаточно большие напряжения.
0















