книга в верде после распозна (1024283), страница 50
Текст из файла (страница 50)
dJL
г3 гг г1 г0
Рис. 5.34
0
в1
вз г вч
Г
П5
■ z"
■z"
сброс
| и I | |
| т | |
| R |
}Вых
Рис. 5.55
ет совпадение сигналов на входах А, В, С, D. Поэтому сигнал на Вых1 возникает при коде числа 1 на входе.
Если бы во входном коде использовались все возможные комбинации, то все элементы И в дешифраторе должны были бы иметь по четыре входа. Но в данном случае используются только 10 комбинаций из 16 возможных, и это дает возможность упростить дешифратор. Известно, что если старший двоичный разряд (с весом 23) равен 1,то на входе — либо код числа 8, либо код числа 9. А выбор между этими двумя числами определяется только значением младшего разряда (с весом 2°). Если он равен 1, то это число 9, если 0, то это число 8. Значит, для дешифрации чисел 8 и 9 нужны схемы И на два входа.
Далее, рассматривая комбинации входного кода, можно видеть, что если хотя бы один из двух средних разрядов (с весом 22 и 21) равен 1, то старший разряд обязательно равен нулю и его не требуется принимать во внимание при дешифрации. Это позволяет использовать трехвходовые схемы И для разпознавания цифр от 2 до 7.
Такая операция, как преобразование двоичного кода в двоично-десятичный, при наличии в ИИС общего устройства обработки информации возлагается обычно на него. Но в несложных ИИС для этой цели может быть применена специальная схема, показанная на рис. 5.35. Действие ее основано на использовании одновременной работы двух счетчиков импульсов — двоичного D1 и двоично-десятичного D2. Когда в D1 накапливается двоичное число, равное заданному на входе, работа счетчиков останавливается, а с D2 снимается двоично-десятичный код. Источником импульсов счета служит генератор D3, прохождением их на счетные входы Т обоих счетчиков управляет схема совпадений D4 по сигналу с инверсного выхода схемы сравнения кодов D5. На
0
bz
777-7 ВЧ &
B1-2,
B1-N
вз
Вых
Вх
а)
BZ
В1-1
■ &
&
В1-2
у Вых
! B1-N
—Г&~
Вх
Рис. 5.36
последнюю поступают в параллельной форме два двоичных кодовых сигнала: со входа и со счетчика D1. Сигнал на инверсном выходе схемы D5 равен 1, когда сравниваемые коды не равны, и 0 — когда они равны. Следовательно, схема D4 пропускает импульсы, пока не достигается равенство гкодов. После снятия с выхода D2 двоично-десятичного кода подают импульс сброса на входы R обоих счетчиков, и схема возобновляет работу.
Преобразователи параллельного кода в последовательный находят особенно широкое применение в ИИС с протяженными каналами связи. Параллельный код, поступающий по N проводам с выхода АЦП или устройства обработки информации, преобразуется для передачи по каналу в последовательный код, в котором элементы (разряды) кода передаются последовательно во времени. Один из вариантов схем такого преобразователя показан на рис. 5.36,д. Входной параллельный код развертывается последовательно вр времени с помощью распределителя импульсов D2 и элементов И с номерами Dl-1, D1-2, ... —, D1-N, каждая из которых пропускает элементарный сигнал, соответствующий значению своего разряда, во время поступления на ее второй вход импульса от распределителя. Работой распределителя импульсов управляет генератор D3. Сигналы от элементов И подводятся к общему выходу через элемент ИЛИ D4.
На приемной стороне выполняется обратное преобразование последовательного кода в параллельный. Обратный ( преобразователь (рис. 5.36,6) строится на тех же элементах, что и прямой. Входной сигнал подается одновременно на N элементов И (Dl-1, D1-2, D1-N), каждый из которых пропускает на свой выход только один его элемент по сигналу от распределителя импульсов D2. Последний должен работать синхронно с распределителем в прямом преобразователе.
роще всего обеспечить такую синхронность, управляя обоими распределителями от общего генератора. Так и делается\в системах ближнего действия. Но в системах с дальними каналами ^загружать канал ^
0
вспомогательными тактовыми импульсами невыгодно. В них на приемной стороне устанавливается свой генератор D3, а тактовая синхронизация работы генератора выполняется специальным узлом путем выделения фронтов информационных импульсов. Кроме тактовой синхронизации генератора на приемной стороне выполняется еше и цикловая синхронизация работы распределителя. Для нее используется свой узел, который выделяет специальные синхронизирующие сигналы, содержащиеся в принимаемых кодовых сообщениях.
Узлы формирования и проверки помехозащищекных кодов. Число разновидностей таких блоков велико, так как применяются разнообразные виды корректирующих кодов. Рассмотрим простейшие примеры. Наиболее прост и притом наименее избыточен код с защитой по четности. В нем к п элементам исходного кода добавляется один элемент таким образом, чтобы сумма числа единиц в получившейся m-элементной комбинации (где т = п + 1) была обязательно четной. Тогда искажение любого одного элемента комбинации при передаче нарушит четность, и это будет обнаружено при проверке на приемной стороне. Будут также обнаружены искажения любого нечетного числа элементов. Но если исказятся два элемента или любое четное число их, то сумма единиц в комбинации останется четной и такое искажение не будет обнаружено. К счастью, вероятность искажения двух элементов комбинации обычно много меньше вероятности искажения одного элемента. Поэтому описанная защита существенно сокращает долю ложно воспроизводимых сообщений.
На рис. 5.37,а приведена функциональная схема узла формирова ния кода с защитой по четности. Входной безызбыточный код поступает в последовательной форме на счетный вход Т триггера D1 и одновременно на выход (в канал связи) через схему ИЛИ D3. Выход триггера соединен с входом элемента И (D2), а на другой ее вход подается управляющий сигнал после прохождения п импульсов входного кода. До начала работы схемы триггер находится в состоянии 0. Во время работы состояние его меняется на противоположное (0 на 1, а 1 — на 0) при каждом поступлении сигнала 1 на счетный вход Т. Значит, если в и разрядах исходного кода содержится четное число единиц, то к концу его прохождения триггер окажется в состоянии 0. В противном случае триггер примет к концу прохождения входного кода состояние 1. С подачей управляющего сигнала в момент, соответствующий началу такта с номером m = и + 1, элемент И выдает сигнал 1 в том случае, если сигнал на выходе триггера в этот момент равен 1. Этим число единиц в коде дополняется до четного. Сигнал от элемента И поступает на общий выход через схему или D3. Схема возвращается в исходное состояние импульсом сброса, поступающим на вход R триггера.
На рис. 5.37,6" показана схема узла проверки кода с защитой по четности. Она построена на аналогичных элементах. В ней сигнал сни-
0
Вх
т
BZ
&
Сброс Упр
ИЗ
Вых
а
Рис. 5.37
D1
Серое
DZ
| ■Т | т) | j | & | Вых |
| 1 < | ||||
| R |
Упр 5)
мается с инверсного выхода триггера D1, так что к концу работы этот сигнал равен 1 в случае, если в m поданных на счетный вход импульсах содержалось четное число единиц. В этом случае подача управляющего сигнала на элемент И D2 вызывает появление сигнала 1 на выходе, а этот сигнал разрешает выдачу принятого сообщения на воспроизведение. При нечетном числе единиц во входном коде на выходе в момент подачи управляющего сигнала получается сигнал 0, а это означает запрет воспроизведения сообщения. Импульс сброса на входе R триггера возвращает схему в исходное состояние.
Рассмотрим несколько более сложный код, получивший название корреляционного (в некоторых работах его называют также биим-пульсным кодом). В нем каждый элемент исходного и-разрядного безызбыточного кода дополняется инверсным элементом, так что вместо элемента 1 передается пара элементов Ю, а вместо 0 — пара 01. Таким образом, получается код с удвоенным числом разрядов m = 2п. На приемной стороне каждая пара элементов проверяется отдельно. Обнаружение хотя бы одной пары 00 или 11 вызывает запрет на воспроизведение данной кодовой комбинации. Такой код более защищен от помех, чем предыдущий. Наряду со всеми искажениями нечетного числа элементов он позволяет обнаруживать значительную часть искажений четного числа элементов. Так, из двойных искажений не обнаруживаются только те, которые возникают в паре соседних элементов, соответствующей одному элементу исходной комбинации. Тогда, например, из пары 10 образуется пара 01, но она не принадлежит к числу запрещенных, и потому такое искажение на обнаружи вается.
На рис. 5.38,я приведена схема узла формирования корреляционного кода. На вход поступает в последовательной форме сигнал исходного безызбыточного кода с тактовой частотой, которая вдвое меньше частоты передачи по каналу связи. Иными словами, каждый элементарный сигнал (1 или 0) сохраняется на входе в течение двух тактов. Наряду с входным сигналом в схеме образуется обратный ему сигнал с помощью инвертора D1. Блок управления выдает импульсы Упр1 и Упр2, из которых первый соответствует нечетным тактам, ' а второй — четным. Первый с помощью схемы WD2 направляет на схе-
0
R
ел
Вых
Упр1 А А упр £
а)
ИХ
Is
£2 & -
т
Вых г
Вых 1
JD1
из
D5
1 АУпрЧ
LP
Рис. 5.38
му ИЛИ D4 сигнал от входа во время нечетного такта, второй с помощью схемы И D3 направляет туда же сигнал, инверсный входному, во время четного такта. Сигналы с выхода схемы D4 поступают в канал связи.
Схема узла обнаружения ошибок в корреляционном коде показана на рис. 5.38,6". Здесь входные сигналы, поступающие в нечетных тактах, пропускаются с помощью схемы И D1 по командам Упр1 на вход установки S триггера D3. Триггер запоминает сигнал, принятый в нечетном такте, сохраняя его значение на время следующего такта. Сигналы, приходящие на вход во время четных тактов, выделяются элементом И D2 по командам Упр2. Прямые сигналы с выходов элементов D2 и D3 поступают на схему И D4, а инверсные сигналы с выходов D2 и D3 — на схему И D5. Во время четного такта с некоторой задержкой по отношению к сигналу Упр2 на входы элементов D4 и D5 подается сигнал УпрЗ. При этом если на выходах элементов D2 и D3 присутствуют одновременно сигналы 1, то элемент D4 выдаст сигнал 1, а если пара сигналов 1 присутствует одновременно на инверсных выходах D2 и D3, то сигнал 1 выдаст схема D5. Первый из них означает, что в паре смежных разрядов входного кода обнаружено совпадение двух единиц, второй свидетельствует о приеме двух нулей в этой же паре. Оба сигнала поступают через элемент ИЛИ D6 на первый выход Вых1, который связан со схемой запрета воспроизведения сообщений. Последняя запоминает сигнал искажения любой пары смежных элементов, а в конце приема всей комбинации дает запрет на ее воспроизведение. Восстановленная безызбьггочная комбинация (результат выделения сигналов в нечетных тактах) снимается в последо-
0
нательной форме со второго выхода Вых2. Далее она преобразуется ь параллельную форму и воспроизводится в случае отсутствия запрета.
Триггер D3 возвращается в исходное состояние сигналом Упр4, подаваемым на вход сброса R к концу четного такта.
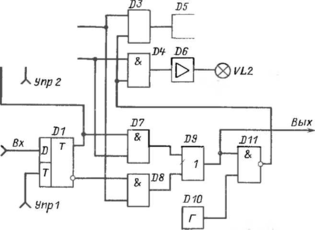
Устройства сигнализации отклонений измеряемых величин от уставок. Функция сравнения измеряемых величин с уставками и сигнализации отклонений от уставок характерна для широко распространенной разновидности ИИС — систем централизованного контроля. В первые годы существования таких систем в них применялись аналоговые устройства сравнения и уставки задавались также в аналоговой форме. В настоящее время практически во всех системах сравнение с уставками выполняется в цифровой форме общим устройством обработки информации, которое представляет собой ЭВМ. Уставки при этом задаются в цифровой форме и хранятся в памяти машины. В сложных системах уставки могут задаваться и корректироваться автоматически по командам от управляющей вычислительной машины.
Результаты сравнения с уставками выдаются обычно на световые табло. Часто эти табло размещают в мнемосхеме контролируемого объекта, изображенной на щите диспетчера. Для привлечения внимания оператора к смене сигналов на табло каждую такую смену сопровождают общим звуковым сигналом, например е виде звонка. Кроме того, табло, на которых сменился ситная, начинают мигать. Оператор выключает звуковой сигнал и переводит табло в режим ровного свечения нажатием специальной кнопки. Этим он как бы выдает квитанцию о приеме сообщения. Поэтому такую кнопку называют квитирующей.
На рис. 5.39 приведен пример схемы управления сигнапьным табло, относящимся к одному контролируемому параметру. Состояние параметра ("в норме", "вне нормы") сигнализируется лампами VL1 и VL2. Ими управляет триггер памяти D2, который принимает состояние 1 при сигнале "в норме" и состояние 0 при сигнале "вне нормы". Сигнал с прямого выхода триггера D2 поступает через схему совпадения D3 и усилитель D5 на лампу VL1, а с инверсного выхода, через аналогичные элементы D4, D6 — на лампу VL2.
Но триггер D2 получает информацию о состоянии параметра не сразу в момент выдачи ее устройством обработки. Сигнал последнего поступает сначала от входа Вх на триггер D1, который по команде Упр]. от блока управления, поданной на вход тактирования Т, принимает состояние, соответствующее принятой информации. В это время триггер D2 еще сохраняет состояние, соответствующее информации о результате предыдущего этапа контроля данного параметра. Состояния триггеров D1 и D2 непрерывно сравниваются схемой обнаружения несоответствия, состоящей из двух элементов И (D7, D8) и элемента ИЛИ
| BZ | |
| в | |
| т | |
Рис. 5.39
D9. Элемент D7 выявляет совпадение сигналов 1 на прямом выходе триггера D1 и инверсном выходе триггера D2. Элемент D8 выявляет совпадение сигналов 1 на прямом выходе D2 и инверсном выходе D1. Любое их этих событий свидетельствует о несоответствии.
Сигнал от D7 или D8 проходит через D9 на схему, управляющую миганием ламп. Частота миганий (порядка 0,5 Гц) задается генератором импульсов D10 (общим для всей системы). Импульсы коммутируются схемой И £)77по сигналу с выхода D9. Они подаются на схемы И D3,D4 и проходят на выход той из них, которая получает по другому входу сигнал 1 от триггера D2. Соответствующая лампа при этом мигает. В отсутствие сигнала несоответствия от элемента D9 схема D11 не пропускает импульсов генератора D10. При этом сигнал на инверсном ее выходе равен 1. Таким образом, в отсутствие несоответствия на входы схем совпадения D3, D4 поступает разрешающий сигнал 1, который не препятствует управлению лампами от триггера D2.
Одновременно с включением режима мигания ламп сигнал от схемы несоответствия подается на звуковой сигнализатор (по проводу, обозначенному Вых). Услышав звонок, оператор обращается к мнемосхеме и замечает мигающие световые табло. После этого он нажимает кнопку квитирования. Этой кнопкой подается команда Упр2 на тактирующий вход триггера D2. В результате этот триггер принимает то же состояние, что и триггер D1. Несоответствие состояний прекращается, звонок выключается, мигавшая лампа гаснет и загорается другая, сигнализируя новое состояние параметра.















