книга в верде после распозна (1024283), страница 52
Текст из файла (страница 52)
I
АЦПП
1 ~
Рис. 5.44
образователям в схеме рис. 5.44,а предъявляются гораздо менее жесткие требования в отношении быстродействия: время установления выходного сигнала в них при скачкообразном изменении сигнала датчика может быть соизмеримо с длительностью цикла опроса.
За групповыми нормализующими преобразователями следует вторая ступень коммутации. Эту функцию выполняет переключатель ВхП'. Данный переключатель рассчитан на коммутацию таких же сигналов, как ВхП в схеме рис. 5.44,а, но он имеет меньшее число каналов и меньшую частоту переключений. Последующая часть рассматриваемой схемы такая же, как у предыдущей схемы.
Аналого-цифровой преобразователь является довольно сложным и дорогим блоком. Поэтому обычно с ИИС используют один общий АЦП. Однако существуют электромеханические измерительные приборы с встроенными преобразователями углового поворота измеритель-
0
Инф1
Вх1 <
Инф2
.ИнфМ
Инф1
\ ИНф 1
\Упр1
Инф2
ВхМ<
JAH$Z
ИнфИ
У ВЫХ
— 1
ИифЫ
Рис. 5.45
ного механизма в цифровой код. При использовании таких приборов в ИИС структура ее соответствует схеме рис. 5.44,е. Сигнал каждого датчика Д поступает на аналоговый прибор АП, объединенный с АЦП. Кодированные цифровые сигналы с их выходов подаются на устройство .обработки УО через входной переключатель ВхП, существенно отличающийся от переключателей, используемых в предыдущих схемах. ВхП является переключателем цифровых сигналов с ключами в виде логических схем. Построение выходного переключателя на таких элементах показано на рис. 5.32. На рис. 5.45 приведена схема входного переключателя на идентичных логических элементах И с дополнительным использованием логических элементов ИЛИ. Одной командой Упр коммутируются N элементов И, относящихся к одному цифровому сигналу в виде параллельного кода. Информационные сигналы (Инф), соответствующие одноименным разрядам кода, собираются на общий выход с помощью одного элемента ИЛИ с числом входов М, равным числу каналов.
0
ЦАП Вых
| 1 , | PN | v | |
| ю |
ап1
апг
АПН
АП1
лиг
/)апы
Рис. 5.46
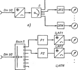
Как показано на обобщенной структурной схеме рис. 5.43, в числе получателей информации с выхода устройства обработки (УО) находятся аналоговые приборы (АП) (показывающие и регистрирующие). УО выдает информацию в виде параллельных цифровых кодов. Для вывода в аналоговые приборы ее требуется обработать цифро-аналоговыми преобразователями (ЦАП). Наиболее экономична по числу используемых блоков схема вывода информации с групповым ЦАП, приведенная на рис. 5.46,а. В соответствии со сменой кодовых сигналов на выходе УО работает переключатель ВыхП, распределяя аналоговые сигналы с выхода ЦАП по индивидуальным цепям. В каждую из них входят аналоговый элемент памяти (ЭП) и аналоговый прибор (АП). Элементом памяти может, например, служить конденсатор с усилителем на выходе. Выходной переключатель в данном случае не отличается принципиально от входных переключателей аналоговых сигналов.
Недостатком рассматриваемой схемы является то, что ее тем труднее осуществить, чем больше длительность цикла обегания параметров в данной ИИС. Это объясняется тем, что время хранения заряда, запасенного конденсатором памяти, невелико — порядка нескольких секунд. Его можно увеличить (в ограниченных пределах) ценой повышения входного сопротивления усилителя, связанного с конденсатором, но это сложно. Кроме того, точность воспроизведения информа
0
кп
Д1 НП1
KHZHI
Д2 ипг
\ AN HHN
Передатчик ВкП МП
ад
БУ' -5» to
Приемник
СК" ДМП ВыхП ЗП1
■ РСС
■БУ"
3/72
3/7/V
АП1
■
}~0
ЛЯ/V
Рис. 5.47
ции с применением аналоговых элементов памяти невысока — погрешность достигает нескольких процентов
Перечисленные недостатки рассмотренной схемы являются причиной широкого применения внешне более громоздкой схемы, приведенной на рис. 5.46,6. В ней используются цифровые элементы памяти — регистры Р. Обычно это схема из N триггеров, где N — число разрядов кода. С каждым регистром связан индивидуальный цифро-аналоговый преобразователь ПАП, а к нему подключен аналоговый прибор АП. В этой схеме переключатель ВыхП коммутирует параллельные цифровые сигналы. Структура его соответствует схеме рис. 5 32.
Особой спецификой обладают структуры телеизмерительных систем, отличающихся от других ИИС наличием канала связи большой протяженности. На рис. 5.47 приведена структурная схема телеизмерительной системы с передачей по каналу связи анало овых сигналов. В телеизмерении получили применение для этой цели сигналы, образованные частотной модуляцией синусоидального колебания, а также одуляцией импульсного колебания по частоте, ширине или фазе импульсов.
Телеизмерительный передатчик, располагаемый в контролируемом пункте КП, обычно включает в свой состав датчики Д и нормализующие преобразователи ИП, которые комплектуются отдельно при построении системы. Передатчик содержит входной переключатель ВхП, модуляционный преобразователь МП, формирователь сигналов синхронизации ФСС, узел сопряжения с каналом связи СК и блок управления БУ. Модуляционный преобразователь обрабатывает информационные сигналы, но наряду с ними в каждом цикле обегания передают по каналу связи КС сигнал от ФСС, отличающийся по какому-либо признаку от информационных сигналов. Он обозначает границу между группами сигналов, относящихся к разным циклам обегания. Блок управления БУ координирует работу остальных перечисленных блоков передатчика.
0
■6 КС
а)
ЦАП
К АП1
кАпг
Б)
Рис. 5.48
Телеюмерительный приемник, размещаемый в пункте управления ПУ, обычно не влючает в свой состав выходные приборы воспроизведения, которые комплектуются отдельно при построении системы. В данном случае это аналоговые приборы АП. Приемник содержит узел сопряжения с каналом связи СК, демодуляционный преобразователь ДМП, различитель сигналов синхронизации РСС, выходной переключатель аналоговых сигналов ВыхП, аналоговые элементы памяти ЭП и блок управления БУ". Последний управляет работой остальных блоков. Темп его работы задается имеющимся в нем генератором тактовых импульсов, который синхрнизируется по фронтам импульсов информационных сигналов, принимаемых из КС. Цикловая синхронизация распределителя импульсов, входящего в состав блока управления, выполняется на основе сигналов от РСС.
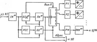
На рис. 5.48,а приведена структурная схема телеизмерительного передатчика для случая, когда по каналу связи передаются цифровые сообщения в виде последовательных импульсных кодов. В отличие от передатчика, изображенного на рис. 5.47, здесь место модуляционного преобразователя занимают АЦП с преобразователем параллельного кода в последовательный ПК' и блок повышения достоверно-
\ 0
сти БПД,' дополняющий кодовые комбинации избыточными разрядами для защиты от искажений в канале связи.
На рис. 5.48,6 приведена схема телеизмерительного приемника той же системы. В ней место демодуляционного преобразователя, изображенного в схеме рис. 5.47, занимают блок повышения достоверности БПД" и преобразователь последовательного кода в параллельный ПК'' Первый проверяет, не возникло ли искажение в принятой комбинации, и выделяет из нее разряды исходного безызбьпочного кода, второй представляет результат приема в параллельной форме. Далее место выходного переключателя аналоговых сигналов занимает выходной переключатель цифровых сигналов ВыхП. Им также управляет Byjno дополнительно к нему подводятся сигналы от БПД" запрещающие выдачу информации на воспроизведение в случаях обнаружения искажений в принятых кодовых сообщениях.
Далее на схеме приемника показаны два вида выходных цепей: а) для воспроизведения на аналоговых приборах; б) для воспроизведения на цифровых приборах. В цепях обоих видов на входе установлен триггерный регистр Р для запоминания информации. После регистра в случае аналогового воспроизведения устанавливается цифро-аналоговый преобразователь, а в случае цифрового воспроизведения — преобразователь* кода ПК!"В частности, это может быть набор нескольких декадных дешифраторов^ показанных на рис. 5.34 (если для передачи по каналу связи используется двоично-десятичный код). Информация с выхода ПК (в виде параллельных кодов) может вводиться в цифровое устройство обработки УО. При этом она сопровождается адресными кодами (т. е. кодами номеров параметров), снимаемыми с блока управления БУ."
В связи с трудностями построения аналоговых элементов памяти ЭП, показанных на рис. 5.47, во многих телеизмерительных системах с аналоговыми сигналами в канале связи используют цифровое преобразование на приемной стороне, что позволяет применить цифровую память перед приборами воспроизведения. Кроме того, цифровое преобразование необходимо в случае ввода.информации в цифровое устройство обработки (ЭВМ). В этом случае вместо приемника, показанного на рис. 5.47, применяют приемник, структурная схема которого весьма близка к схеме рис. 5.48,6. Имеется лишь одно отличие: место блока БПД занимает АЦП. Следует отметить, что цифровое преобразование частоты, ширины или длительности импульсов, т. е. основного параметра входного сигнала в этом случае, выполняется проще, чем цифровое преобразование напряжения в схеме рис. 5.48,а.
5.7. ПОСТРОЕНИЕ ИИС НА БАЗЕ АГРЕГАТНЫХ КОМПЛЕКСОВ
, В Советском Союзе существует Государственная система приборов и средств автоматизации (ГСП), представляющая собой набор рядов унифицированных приборов и устройств измерительной техники, автоматики, телемеханики с единой нормативной базой, включающей унификацию информационных сигналов, метрологических, надежностных, энергетических и других характеристик, необходимого математического обеспечения, конструктивного выполнения. Технические средства ГСП строятся по блочно-модульному принципу с использованием современной технологии изготовления. Устройства ГСП объединяются во взаимосвязанные комплексы технических средств, у.каждого из которых свое специфическое назначение и свои области применения. Комплексы имеют метрологическую, информационную, конструктивную и эксплуатационную совместимость.
Аналогичная унификация технических средств проводится в рамках Совета Экономической Взаимопомощи. Технические средства автоматики, разрабатываемые и выпускаемые в странах-членах СЭВ, входят в состав Международной универсальной системы автоматического контроля, регулирования и управления — УРС.
Все агрегатные комплексы технических средств, входящие в ГСП, разрабатываются с соблюдением ряда государственных общесоюзных иандартоь, регламентирующих требования к общим техническим характеристикам (точности, быстродействию, надежности, климатическим условиям работы), нормирующих параметры входных и выходных сигналов (аналоговых — с модуляцией различных параметров и цифровых), унифицирующих элементы конструкций и т. д.
Значение нормирования параметров входных и выходных сигналов в ГСП удобно пояснить на примере. Очень широкое распространение получил унифицированный сигнал постоянногоv тока с диапазоном значений от 0 до 5 мА. Если в данном агрегатном комплексе технических средств принят такой сигнал, то это означает, что независимо от ввда измеряемого параметра х и диапазона его значений (xm,n, ... —> хтах) ему соответствует на выходе нормализующего преобразователя диапазон сигналов постоянного тока от 0 до 5 мА. При этом сигнал не должен изменяться с изменением сопротивления нагрузки на выходе нормализующего преобразователя в диапазоне от 0 до 2,5 кОм.
Такой сигнал можно коммутировать сравнительно простыми бесконтактными ключами, например приведенными на рис. 5 31. Сопротивление ключа в замкнутом состоянии не влияет на точность коммутации. Установив на выходе входного переключателя ИИС резистор сопротивлением, например, 1 кОм, можно привести сигналы по всем каналам к общему диапазону от 0 до 5 В и именно на этот диапазон спроектировать АЦП.
0
Рис. 5.49















