Дальномеры (1014412), страница 7
Текст из файла (страница 7)
Из сказанного следует, что проектируемый РЛ должен относиться к классу импульсных истинно-когерентных с высокой частотой повторения и малой скважностью (импульсно-доплеровский РЛ). Однако в таком РЛ не обеспечивается однозначность измерения дальности. Поэтому необходимо предусмотреть переход на низкую частоту повторения импульсов при такой дальности до цели (Rmax), когда достигается требуемое для обеспечения заданной точности значение отношения мощности сигнала к мощности шума (помех). При этом однозначное измерение скорости воздушной цели невозможно.
Упрощенная структурная схема бортового РЛ, учитывающая указанные особенности, приведена на рис. 3.1.
РИС. 3.1
Источником когерентных колебаний служит синтезатор частот СЧ. Основой СЧ является когерентный генератор частоты fк.г, из которой путем дробно-рациональных преобразований формируются частоты всех сигналов, необходимых для работы РЛ. Передатчик Прд представляет собой усилитель радиочастоты f0, периодически отпирающийся при поступлении с СЧ синхросигнала СС - модулирующих импульсов с требуемой частотой повторения Fп. Частота Fп меняется в зависимости от режима работы РЛ по управляющему сигналу УС-1, поступающему от ЭВМ радиолокатора ЭВМ РЛ. Полученный в Прд зондирующий сигнал через переключатель прием-передача ППП поступает на суммарно-разностный мост волноводного тракта ВТ (на то плечо моста, с которого в режиме приема снимается суммарный сигнал) и излучается антенной системой АС в пространство. Суммарно-разностный мост при передаче выполняет функцию делителя мощности между отдельными элементами АС. Управление сканированием ДНА в процессе поиска цели осуществляется устройством управления диаграммой направленности УУДН по сигналу УС-2, поступающему с ЭВМ РЛ.
Принятые АС сигналы подаются на суммарно-разностный мост, в котором образуются суммарный U 'Σ и два разностных U 'Δ сигнала (на рис. 3.1 показан только один из разностных сигналов). Эти сигналы усиливаются и фильтруются в приемно-усилительном тракте ПУТ. Суммарный сигнал UΣ с выхода ПУТ направляется на обнаружитель движущихся целей ОДЦ, измеритель дальности ИД и па фазовые детекторы ФД (на рис. 3.1 показан только один ФД). Предполагается, что в ОДЦ входит фильтровое устройство селекции движущихся целей СДЦ и обнаружитель Обн. Фильтровое устройство СДЦ, работающее на промежуточной частоте, позволяет оцепить радиальную скорость цели Vr.
Дальность измеряется импульсным методом, для чего в ИД подаются с СЧ опорные (модулирующие передатчик) импульсы. Информация о дальности R используется в ЭВМ РЛ только при работе РЛ с низкой частотой повторения импульсов.
Фазовые детекторы ФД являются выходными устройствами дискриминаторов каналов измерения угловых координат ([1], п. 5.2.3). Сигналы, содержащие информацию об угловом рассогласовании равносигнального или равнофазного направления АС и направления на цель, через УУДН поворачивают ДНА в сторону цели. Данные об азимуте α и угле места β цели снимаются с УУДН. Кроме суммарного сигнала UΣ на ФД подаются и соответствующие разностные сигналы UΔ с выхода ПУТ.
Информация о дальности R, скорости Vr и угловых координатах α и β, а также сигнал обнаружения СО поступают (обычно в цифровой форме) в ЭВМ РЛ, где вырабатываются сигналы управления самолетом и его оружием, управления режимами работы РЛ, а также сигналы, поступающие потребителям информации ПИ.
Структурная схема канала дальности с аналоговым импульсным радиодальномером. Возможная структурная схема измерителя дальности ИД представлена в упрощенном виде на рис. 3.2, а на рис. 3.3 показаны графики сигналов в соответствующих номерам графиков точках этой схемы.
РИС. 3.2
РИС. 3.3
Основными элементами рассматриваемого ИД являются ([l], с.166...169): временной дискриминатор ВД, экстраполятор Э, синтезатор задержки Синт и схемы поиска СП и захвата СЗ. Синтезатор служит для получения двух селекторных импульсов (СИ), задержка tM которых относительно импульса запуска передатчика Прд (импульса синхросигнала СС) меняется с помощью схемы управления СУ под действием напряжения с экстраполятора. Считается, что каждый из СИ, вырабатываемых генератором селекторных .импульсов ГСИ, имеет длительность τс.и = τи, где τи - длительность зондирующего импульса. Временной дискриминатор в простейшем случае состоит из двух схем И и служит для сравнения задержки tR= 2R/c отраженного сигнала с "аппаратурной" задержкой tM и получения сигнала ошибки - двух биполярных импульсов, разность длительностей которых равна ε = tR-tM. В состав экстраполятора входят один или два интегратора (в зависимости от степени астатизма ИД) и звенья, обеспечивающие устойчивость следящей системы.
Работа канала дальности начинается с поиска отраженного сигнала (режим "Поиск"). В этом режиме цепь обратной связи следящего ИД разомкнута ключом Кл и на Э подается со схемы поиска, например, постоянное напряжение. При этом напряжение Uупр на выходе Э (управляющее задержкой напряжение) плавно увеличивается, что приводит к росту задержи tM. Когда второй СИ совпадет с импульсом, получаемым с выхода приемника Прм, срабатывает схема захвата, которая переключает ИД в режим сопровождения цели (режим "Слежение").
Схема захвата СЗ представляет собой обнаружитель импульсов и для исключения ложных срабатываний по шумовому выбросу содержит обычно накопитель совпадений n импульсов. В этом случае сигнал переключения ключа Кл вырабатывается только тогда, когда будет принято n импульсов подряд, т.е. через время nТп, где Тп - период повторения зондирующих импульсов. Для СЗ с накопителем необходимо, чтобы СИ сместились не более чем на τи за n периодов повторения: (dtM / dt)nTп ≤ τи. С учетом изменения tR за счет радиальной скорости Vr скорость поиска Уп.д= dtM/dt может быть определена из условия
В наиболее неблагоприятной ситуации, когда цель обнаруживается на дальности R< Rmax в режиме сканирования антенны РЛ, число накапливаемых импульсов n не должно превышать число импульсов в пачке. В такой ситуации время поиска цели по дальности ТR может оказаться больше длительности τп пачки импульсов, формируемой за время обзора Тобз заданного углового сектора пространства. Соответствующая временная диаграмма принимаемых сигналов показана на рис. 3.4. При ТR > τп следует предусмотреть меры по предотвращению срыва слежения за время tпр пропадания сигнала. Одной из таких мер является увеличение времени памяти, имеющейся у схемы захвата ([I], с. 168).
(Uпрм)н
РИС. 3.4
В режиме слежения за целью к экстраполятору Э подключается временной дискриминатор ВД. При этом на Э сохраняется то значение напряжения Uупр, при котором достигнуто примерное равенство tМ и tR. Первый из биполярных импульсов ВД, имеющий отрицательную полярность, вызывает уменьшение Uупр, а второй (положительной полярности) - его увеличение. В соответствующем рис. 3.3 случае напряжение Uупр увеличивается, что приводит к росту "аппаратурной" задержки tM = КсUупр, где Кс - коэффициент пропорциональности. Равновесие в замкнутой следящей системе наступает при ε = 0, т.е. при tМ = tR. Напряжение Uупр, пропорциональное tМ, а в установившемся режиме и tR, подается на аналого-цифровой преобразователь АЦП, где формируется код, содержащий информацию о измеряемой дальности R.
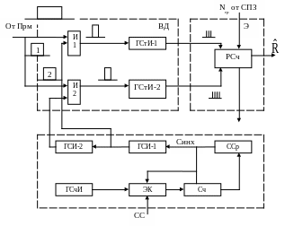
Структурная схема канала дальности с цифровым импульсным радиодальномером. Структурная схема рассматриваемого канала подобна показанной на рис. 3.2, только аналоговый измеритель дальности ИД заменяется на цифровой. На рис. 3.5 приведен наиболее простой вариант цифрового ИД. На схеме рис. 3.5 опущена схема поиска и захвата СПЗ, так как входящие в нее схемы поиска СП и захвата СЗ в принципе не отличаются от используемых в аналоговом варианте ИД, разница заключается только в том, что выдаваемый на экстраполятор с СПЗ сигнал, содержащий в момент окончания поиска грубую оценку дальности, должен быть преобразован в соответствующий код Nгр. Функцию экстраполятора в цифровом ИД выполняет реверсивный счетчик РСч. Ввод в РСч кода ΝΓρ определяет момент начала слежения за целью.
РИС. 3.5
Временной дискриминатор ВД следящего цифрового ИД ([I], с. 171 ...172) состоит из двух схем И, на которые поступают отраженные от цели импульсы с выхода приемника Прм и селекторные импульсы с соответствующих генераторов ГСИ-Ι и ΓСИ-2. Импульсы совпадения, длительность которых равна времени "перекрытия" отраженного сигнала первым и вторым селекторными импульсами (см.рис. 3.3), подаются на генераторы стандартных импульсов ГСтИ, выполняющие функцию аналого-цифрового преобразователя. Число выдаваемых каждым из ГСтИ импульсов пропорционально длительности импульса на его входе. Импульс совпадения второго селекторного импульса с отраженным сигналом используется для обнаружения цели схемой СПЗ (эта цепь на рис.3.5 не показана). Выход ГСтИ-Ι подключен к вычитающему входу реверсивного счетчика РСч, а выход ГСтИ-2 - к суммирующему входу РСч.
Синтезатор Синт, как и в аналоговом варианте ИД, служит для управления задержкой tM селекторных импульсов, вырабатываемых генераторами ГСИ-1 и ГСИ-2. Для определения момента запуска ГСИ-1 (ГСИ-2 запускается задним фронтом импульса с ГСИ-1) используется схема сравнения ССр и счетчик Сч. В момент излучения зондирующего сигнала импульс синхросигнала СC открывает электронный ключ ЭК. Счетные импульсы с генератора ГСчИ начинают поступать на счетчик Сч. Когда непрерывно возрастающее число Nc в Сч станет равным содержащемуся в РСч числу Nр.с, схема сравнения вырабатывает импульс, который запускает ГСИ-I, закрывает ЭК и обнуляет Сч.
С другой стороны, Νρ с, равное в момент начала слежения ΝΓρ, в каждом такте работы РЛ (в каждом периоде повторения зондирующих импульсов Тп) увеличивается из-за превышения числа N+ импульсов на суммирующем входе реверсивного счетчика РСч над числом N- импульсов на его вычитающем входе. Поэтому от такта к такту Nр.с возрастает, что приводит к сдвигу момента запуска ГСИ-Ι, а следовательно к росту tм. В режиме установившегося слежения N+ = N-, Nр.с = const и tМ = tR. Поэтому Nр.с является метой измеряемой дальности R.
Из сказанного следует, что изменение tM происходит дискретно, что приводит к погрешности дискретизации
зависящей от периода следования счетных импульсов Тс.и. Для снижения ΔRдск можно увеличить частоту следования счетных импульсов или применить схему уточнения ([2], с. 59... 60).
Заметим, что в рассматриваемом ИД целесообразно использовать вместо ГСтИ электронные ключи и подавать на них те же счетные импульсы, что и на счетчик Сч.
х х
х
Следует иметь в виду, что для расчета параметров как аналогового, так и цифрового вариантов импульсного следящего радиодальномера можно использовать общую методику, так как принцип их действия сдан и тот же.
3.2. Расчет длины волны и параметров ФАР
Примем, что в PJI используется ФАР с круглой апертурой. Если известен диаметр апертуры da и разрешающая способность РЛ по угловым координатам δθ, то с учетом того, что по условию δθ = 1,5 φ, где φ - ширина ДНА, длина волны зондирующего сигнала может быть найдена из соотношения ([12], т.2, с.61)
Антенны с круглой апертурой имеют одинаковую ширину ЛДА как в азимутальной, так и в угломестной плоскостях, равную в рассматриваемом случае
Коэффициент усиления такой антенны при φ, выраженной в градусах, будет ([12], т.2, с.56)
где принято, что КПД антенны ηа= 0,78.
















