02Hastq_2_2010 (1006402), страница 4
Текст из файла (страница 4)
Из за условия работы с электродным потенциалом в пределах +/-0.3В и при использовании напряжения питания +/-5В коэффициент усиления Ку первого каскада не может быть больше 10, допуск на разброс сопротивлений трудно обеспечить лучше 0.1% (10-3), следовательно подавление СФП в усилителях более 80 дБ трудно достижимо.
Структура типового УБС представлена в таблице 2.2.
Таблица 2.2. Основные узлы усилителя биосигналов.
| Рабочая часть соединена с пациентом электродами: |
| Электроды (обычно N+1 электрод, N - число каналов, один электрод нейтральный) |
| Защита от статического электричества. |
| Контроль сопротивления электрод - кожа. |
| Тест сигнал 1мВ с точностью 1%. |
| Малошумящие входные каскады, N каналов. Определитель наличия перегрузки усилителя. |
| ФВЧ отсечки электродных потенциалов и дрейфов. Узел быстрого успокоения при перегрузках. Регулировка нижней граничной частоты. Регулировка верхней граничной частоты. Регулировка усиления. |
| АЦП и/или каскады передачи сигналов через изоляцию. |
| Конец изолированной части. Развязка 2.5 кВ эфф. |
| Управление и индикация режима работы. |
| Связь с ЭВМ или выход на регистратор. |
| Блок питания от сети 220В и Развязка 1.5 кВ эфф. (по классу I) или 4 кВ эфф. (по классу II). Зарядное устройство для аккумулятора. Развязка 4 кВ. |
Н
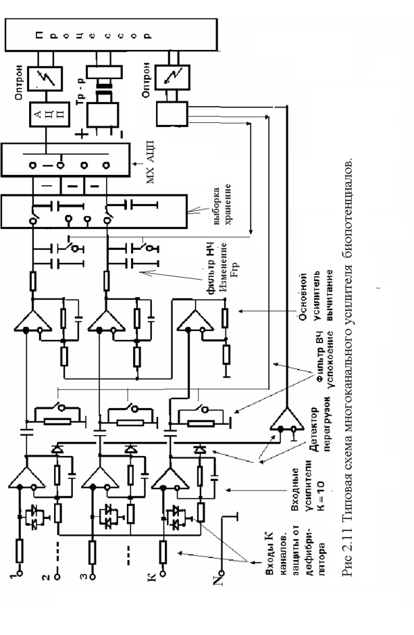
етрудно видеть, что разнообразие требуемых функций оставляет простор для инженерной мысли, однако нет сомнения, что со временем УБС станет типовым узлом - микросхемой. Для примера на рис 2.10 представлена обобщенная полная схема усилителя биосигналов N канального энцефалографа. В таблице 2.3 приведены типовые параметры современного усилителя биосигналов.
Таблица 2.3 Типовые параметры современных УБС.
| Число каналов | 1-32 |
| К усиления, дБ | 20-60 |
| Регулировка усиления, раз | 4 - 8 |
| Подавление СФП, дБ | 120 |
| Регулируемая нижняя граничная частота усиления, Гц | 0.05 - 80.0 |
| Регулируемая верхняя граничная частота усиления, Гц | 75 - 5000 |
| Входное сопротивление, мОм | 10.0-100.0 |
| Эквивалентные шумы нВ/sqrГц СКО | 1-30 |
| Шум низкочастотный в полосе 0.1 - 10Гц мкВ, пик/пик | 2 |
| Устойчивость к электродным Потенциалам, В (+/-) | 0.3 |
| Граница индикации перегрузки Электродным потенциалом, В входа (+/- ) | 0.35 - 0.4 |
| Время выхода из перегрузки импульсом 5 кВ, сек | 1-5 |
| Измерение сопротивления Электрод - кожа, кОм | 2 - 20 >20-тревога |
2.6. Шумовые характеристики УБС
Каждое сопротивление R является источником шумов. Эти шумы определяются хаотичным, тепловым движением электронов (ионов). Величина напряжения шума (дисперсия е2) определяется по формуле Найквиста (1899 – 1976):
где к - константа Больцмана, Т- температура резистора по Кельвину,
- полоса частот, в которой измеряется шум и собственно величина резистора. (H. Nyquist, американский физик, формула опубликована в 1928г. Ее вывод настолько красив, что приведен в приложении 9). Следует отметить, что хотя дисперсия шума пропорциональна величине R, мощность шума, отдаваемая сопротивлением, равна
и не зависит от величины R.
Н
а практике для определения шумового напряжения удобно пользоваться формулой академика Сифорова Владимир Иванович рис 11.2.11
(1904 - 1993гг. В детстве беспризорник. Попал в детскую колонию. В 1929 окончил ЛЭТИ. С 1936 дтн. Потом академик. Основные работы в области теории связи, радиорелейных линий, помехоустойчивости в радиотехнике):
где е - напряжение шумов в мкВ (СКО), Рис 2.11 Сифоров В. И.
- в кГц, Rш - в кОм-ах. Т=3000К. Шумовая полоса
определялась по соотношению:
ш=1.4
ф, т.е. 1.4 от физической полосы по уровню 0.7 .
Кроме тепловых шумов в природе наблюдается "фликер" (мерцающий) шум или шум "агрегатирования". При наличии примесей в материалах постоянно протекают процессы перестройки кристаллической решетки с организацией "доменной" структуры. Спектр фликер шумов имеет вид гиперболы 1/f. У "хороших" усилителей спектральная плотность фликер шумов становится преобладающей над тепловыми на частотах ниже единиц герц. На временных графиках фликер шум проявляется в виде дрейфовых выбросов. Измерение уровня фликер шумов производится по "размаху" шумового процесса на заданном интервале времени. Обозначается "pic to pic", "р/р". Принято, что измерение производится на выходе фильтра с полосой 0.1-10 Гц на интервале 1 секунда. Желательно 10с. Приближенно можно считать, что амплитуда р/р соответствует величине 6 СКО.
Оценим реальные значения уровня шумов, маскирующих биосигналы. Для конкретности будем находить СКО шума в полосе 100Гц (типовой для электрокардиографии и энцефалографии). Плазма человека в обьеме его тела имеет сопротивление порядка 20-40 Ом, следовательно для инвазивных электродов сопутствующие тепловые шумы имеют величину СКО = 0,01мкВ (р/р 0,06мкВ). Для не инвазивных электродов прибавляются шумы перехода электрод - кожа. Подготовленные участки кожи имеют величину переходного сопротивления единицы кОм, однако принят эквивалент кожи 51кОм. Учитывая, что переходов как минимум два, уровень шумов будет 0,375 мкВ СКО, (р/р 2,25мкВ).
"Шумовое" качество усилителей измеряется значением Шумфактора (Ш). Он равен:
Ш= отношение сигнал/шум внутри источника сигнала (на входе усилителя) отнесенное к отношению с/ш на выходе усилителя.
Все отношения берутся по мощности. Шумфактор лучших усилителей близок к величине 1.2, однако массовые усилители не имеют значении выше 2х.
Если последовательно включаются два усилителя с шумфакторами Ш1 и Ш2 , то обший их шумфактор будет:
Шобщ= Ш1+Ш2/N1,
где N1 - усиление по мощности первого усилителя.
В усилителях биосигналов обычно используются готовые операционные усилители. Современные ОУ позволяют получать уровни СКО собственных шумов порядка 1-2 мкВ. Это значение практически не ухудшает зашумленность биосигналов при использовании неинвазивных электродов. Однако для усилителей сигналов от инвазивных электродов достижение малых значений шумфактора пока проблематично.
2.7. Защита УБП от статических разрядов и импульса дефибриллятора.
Электроды в промежутках между обследованиями располагаются произвольно, в том числе и падают на пол. Когда их вновь берет мед. сестра, возможны разряды статического электричества. Его уровень до 5 – 10кВ. Входные каскады могут выходить из строя. Кроме того в электрокардиографии приборы должны быть защищены от импульсов дефибриллятора. У дефибриллятора импульсы до 5 кВ. Они не только способны вывести из строя микросхемы но и представляют опасность для персонала. (ГОСТ Р 50267.25. МЭК 601-2-25-93).
Н
а рис 2.12 приведены два варианта схем защиты от дефибрилятора и разрядов статического электричества. На входе усилителя устанавливаются защитные резисторы и диоды, которые ограничивают импульсы. Резисторы должны быть высоковольтные. Что бы снизить требования к резисторам, во второй схеме на входе установлен разрядник. Он снижает амплитуду входных импульсов до величины 100-200В.
3. Предварительная фильтрация и АЦП
(АЦП-амплитудно цифровое преобразование).
Усиленные сигналы подаются на регистраторы для вывода графиков или на АЦП для ввода в ЭВМ. Предварительно сигналы необходимо очищать от шумов и наводок, искажающих работу АЦП. Это обеспечивается предварительной фильтрацией.
3.1 Предварительная фильтрация сигналов
Пусть мы не знаем сигнал полностью, но нам известна его автокорреляционная функция (или его энергетический спектр), а также вид спектра маскирующего шума. Остановимся на следующей задаче: как подобрать выделяющий фильтр для получения наименее искаженного (наименее уклоняющегося от исходного) сигнала. Эту задачу поставил и решил Н. Винер (1894 – 1964. Основатель кибернетики). Он показал, что частотная характеристика такого фильтра должна иметь вид:
где Кф(ω)- искомая частотная характеристика оптимального фильтра. Fс(ω) энергетический спектр сигнала и Fп(ω) - помехи.
Из представленного выражения видно, что коэффициент передачи должен быть равен 1 там, где сигнал много больше шума и нулю там, где шум много больше сигнала.
3.2 АЦП. Выбор частоты квантования.
















