02Hastq_2_2010 (1006402), страница 3
Текст из файла (страница 3)
Обеспечение малых токов во входных цепях. Входные токи усилителя поляризуют электроды, что приводит к росту электродных потенциалов и их дрейфу. Даже малые входные токи при длительном воздействии приводят к раздражению кожи. Поэтому принято, что постоянные входные токи усилителя биосигналов не должны превышать 10 мкА. Обычно требование малых входных токов обеспечивается современными ОУ. Величина тока контролируется при технических испытаниях УБС.
2.3. Помеховая обстановка при съеме электробиосигналов.
Электробиосигналы очень “низкочастотны” в понятиях радиотехники: ширина их спектра не превышает четырех килогерц и простирается почти от нулевых частот. В этой полосе имеются мощные источники помех, прежде всего осветительная сеть с частотой 50Гц. Поэтому построение усилителей биосигналов является сложной инженерной задачей.
Пути проникновения помех. Помеха от сети попадает на тело пациента и конструктивные элементы усилителя. Основные пути прохождения помехи: 1) через емкость от провода осветительной сети на тело пациента 2) то же на элементы усилителя и 3) через трансформатор питания усилителя (при питании от сети 220В). Наглядно эти пути проникновения сетевой помехи представлены на рис 2.2. Человек считается изолированным от окружающего пространства. Величина внутреннего сопротивления тела человека составляет единицы ом. Поэтому токи, наводимые внешними ЭДС помехи создаются внутри тела разности потенциалов на уровне долей мкВ. Это позволяет утверждать, что внутренняя среда эквипотенциальна: наводимые токи не создают разностей потенциалов. Другими словами наводимые помехи "синфазны" во всех точках тела (их так и называют "синфазными"- СФП).
Прямая наводка помехи от осветительного провода Сперва будем учитывать только емкости провода осветительной сети на тело человека. Пусть усилитель питается от аккумулятора. Величина емкости "сетевой провод - тело пациента" обычно принимается равной 2 пФ (показана на рис 2.2). Емкость тело пациента - земля имеет величину около 200 пФ. (емкость С2 ). Мы получаем делитель с коэффициентом деления 100, т.е. на теле пациента (на каждом из нас) от сети наводится синфазная помеха около 2х Вольт. Это очень большая величина.
О
бычно усилитель биопотенциалов имеет дифференциальный вход и подключается не менее чем тремя электродами: два (или более) "сигнальные" и один нейтральный - “заземляющий”. Это электрод N. Под каждым электродом присутствует сопротивление электрод - кожа. Величина этого сопротивления нестабильна, но принято заменять ее эквивалентом, состоящим из параллельно соединенных резистора 51 кОм и конденсатора 47 нФ. Сигнальные входы имеют большое входное сопротивление и по ним токи не текут. Однако сопротивление цепи электрода N мало. На этом участке текут уравнивающие токи и выделяются помехи. Если габариты усилителя (его паразитные емкости на сетевые провода) пренебрежимо малы, он питается от аккумулятора и расположен непосредственно рядом с телом, то после наложения электрода N усилитель электрически соединен с телом и становится эквипотенциальным. Помеха 2 вольта уже не воздействует на входные цепи усилителя, т.к. система усилитель - пациент эквипотенциальна. Если габариты усилителя велики, то уже надо учитывать емкости сетевого провода на усилитель и усилителя на землю. Возникает мостовая схема и по соединяющему нейтральному проводу через электрод N начинают течь уравнивающие токи. Эти токи на сопротивлении "электрод N - кожа" выделяют напряжение помех, оно синфазно для остальных электродов/входов усилителя. Чем меньше сопротивление электрод - кожа, тем меньше помеха от протекающего тока. Обычно величина помехи от начального значения 2 В уменьшается до единиц мВ. Этот остаток помехи обязан уничтожаться дифференциальными входами усилителя.
Прохождение помех через питающий трансформатор.
На рис 2.3 представлена полная схема проникновения сетевых помех, учитывающая наличие емкости между обмотками питающего трансформатора (так называемую проходную емкость питающего трансформатора. Обычно она близка к 500пф). Получается, что емкость на сеть 2 пФ увеличилась в 250 раз. Этот путь прохождения помехи может считаться генератором помехового тока. В общей системе пациент, усилитель, трансформатор блока питания, сеть, помеховый ток выделяет помеховое напряжение на Rкожи под электродом N.
2.4. Методы подавления сетевой помехи
И
спользование аккумулятора при малых размерах УБС вообще снимает вопрос о токовом пути помехи. Аккумуляторное питание используют даже в стационарных приборах. При сетевом питании помеховый ток через емкость питающего трансформатора протекает через электрод N и через емкость пациента на землю. Выделяется синфазная помеха более 30мВ. Используется два метода уменьшения влияния этого помехового тока. Первым можно считать включение рабочего заземления (на рис 2.3 это цепь, замыкаемая ключем К). Рабочее заземление прерывает путь помехового тока, замыкая его на землю. Однако применение рабочего заземления очень неудобно на практике (если прибор не выполнен по классу 1).
Вторым путем является резкое снижение проходной емкости трансформатора. Обычно это достигается введением изолированной рабочей части с малогабаритным питающим трансформатором (работающем на частоте 100 - 500кГц.) Проходная емкость такого трансформатора не велика, обычно около 5 пФ, что в сто раз меньше проходной емкости сетевого трансформатора.
П
ри использовании указанных методов синфазная помеха уменьшается, но ее значение все же остается порядка десятка мВ. Усилитель биосигналов должен самостоятельно подавлять этот уровень помехи до значения единиц мкВ. Следовательно коэффициент подавления синфазной помехи собственно усилителя должен быть не менее 10 000 раз (80 дБ), а общее подавление синфазной помехи за счет всех методов должно быть не менее миллиона раз (120 дБ). Отметим, что это подавление должно обеспечиваться при отключении и подключении эквивалентов кожи на любых входах усилителея (кроме N).
Обеспечение хорошего подавления СФП требует применения прецизионных операционных усилителей (ОУ) и точной установки их усиления. Усиление устанавливается резисторами в цепях ОУ. Приходится использовать резисторы с допуском 0.1% (Последнее время появились схемные решения, позволяющие снизить требования к точности резисторов до 0.5-1%).
Уменьшение сопротивления электрод-кожа под нейтральным электродом N ( рис 2.4). Так как величина синфазной помехи однозначно определяется Z кожи в цепи электрода N, то стараются использовать специальные схемы уменьшения этого сопротивления. Если Rкожи =0, то помеха отсутствует. Общеизвестно, что отрицательная обратная связь в усилителях уменьшает выходное сопротивление каскада. Это свойство обычно и используется. В цепь электрода N включается усилитель, для которого Z кожи является выходным сопротивлением. Как результат, Z кожи уменьшается в К раз (К - коэффициент усиления дополнительного усилителя). Обычно К выбирается не выше 100 из за опасности самовозбуждения.
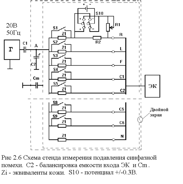
Методика измерения подавления СФП
Т.к. применяемые методы подавления СФП различны, а величина подавления зависит от значения емкости пациент - земля, то для корректного измерения качества подавления СФП приходится использовать стенд с балансировкой этой емкости. Используют делитель со средней точкой А (рис 2.5 Верхняя емкость = 100 пФ, нижняя - переменна и подбирается до равенства с верхней. Равенство емкостей контролируется вольтметром с малой собственной входной емкостью). На вход сбалансированного емкостного делителя подается сигнал 22 В эфф, в точке А вольтметр должен фиксировать напряжение 11В. Далее включают усилитель и измеряют величину помехи на выходе и рассчитывают значение подавления СФП. (Через масштабный коэффициент чувствительности УБП пересчитывают измеренное напряжение СФП ко входу. Отношение поданного на вход размаха СФП=11*2*1.41В к пересчитанному определит измеренное значение коэффициента подавления. Для желанного значения подавления 120 дБ пересчитенный ко входу размах СФП не должен превышать 30 мкВ).
В
испытательный стенд, представленный на рис 2.5, имеют эквиваленты кожи по каждому электроду, которые поочередно отключают для имитации изменения Rкожи. В цепи электрода N эквивалент кожи не отключают.
Подавление сетевой помехи вычитанием в усилителе
Т.к. сетевая помеха синфазна в теле пациента, то ее подавить можно вычитанием сигнала одного электрода из напряжения остальных. Уничтожение вычитанием происходит без потери информации, т.к. если одновременно потенциал всех электродов увеличим или уменьшим, распределение потенциалов по электродам не изменится. После вычитания потенциал вычитающего электрода считаем нулевым. Безразлично, какой электрод мы принимаем за вычитающий.
2.5. Типовое построение схем УБС (Рис 2.6-2.10)
Все усилительные схемы опираются на применение операционных усилителей (ОУ). Современные ОУ обладают очень хорошими, почти предельно реализуемыми характеристиками (для ознакомления они представлены в таблице 2.1)
Таблица 2.1. Параметры ОУ для построения УБС.
| К усиления без ОС дБ | 100-120 |
| Подавление СФП дБ | 70-100 |
| Частота единичного усиления. мГц. | 0.1-5 |
| Входной ток пикоА | 10 -500 |
| Эквивалентные шумы (на частоте 1 кГц) нВ/sqrГц | 1-30 |
| Низкочастотные шумы 0.1 - 10Гц, мкВ | 2 (пик/пик) |
| Входная емкость пФ | 2 - 5 |
| Входное сопротивление мОм. | 10 - 100 |
В задачи разработчика входит выбор типа ОУ по каталогам, обеспечение коэффициента усиления, требуемой частотной характеристики. Стабильность параметров имеет очень большое значение, т.к. подавление синфазной помехи требует вычитания сигналов разных каналов с большой точностью: для подавления помехи в 100.000 раз нестабильность параметров должна быть менее 10-5.
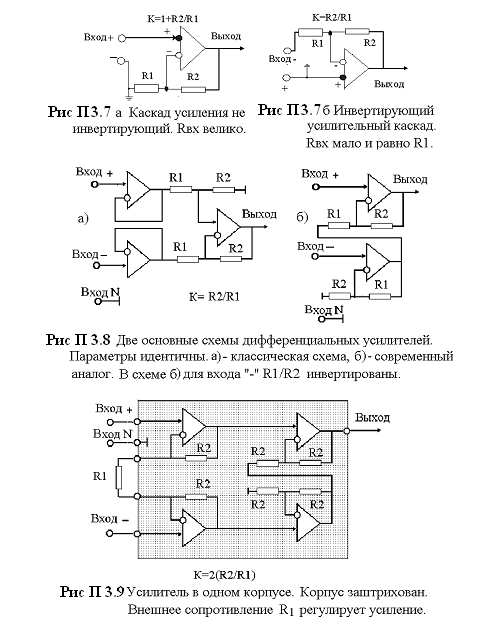
Схемы усилителей. Усилители строятся комбинацией из типовых каскадов усиления, представленных на рис 2.6. а и б. Собственно усиление каскада определяется величиной отношения: К=1+ R2/R1 и К= R2/R1. Если R2 заменить на Zi(ω) то изменение усиления К(ω ) будет отображать частотную характеристику усилителя. Схема рис 2.6 б имеет низкое входное сопротивление.
Дифференциальный усилитель на одном ОУ выполнить нельзя, т.к. входное сопротивление прямого и инвертирующего входов очень различно. Применяют комбинацию узлов рис 2.6а,б. На рис 2.7а представлен "классический" парафазный усилитель, на рис 2.7б и рис 2.8 современные варианты такого усилителя. Схемы эквивалентны по параметрам.
Многоканальные усилители строятся как наборы каналов по схемам рис 2.8, так и с использованием особых многоканальных схем. Структура такого многоканального усилителя приведена на рис 2.9а,б.
Схема 10а называется "многофазной" и имеет особенности. Усиление по каждому каналу равно:
Kkk=1+(R2/R1)*(N-1)/N, где N - число каналов.
Усиление по синфазному сигналу (помехе) равно 1 и не зависит он номиналов резисторов. Кроме того имеется "пролезание" из канала в канал: оно определяется формулой. Kki=R2/ (N R1). Пролезание из канала в канал не является большим недостатком схемы т.к. оно исчезает, если в последующих каскадах формируется разность "канальных" сигналов. «Пролезание» играет положительную роль в специализированных усилителях для энцефалографии: сигнал каждого канала формируется относительно усредненного по каналам потенциала - референтного, равного сумме «пролезаний».
Схема рис 2.9б) используется более широко. Она обеспечивает вычитание одного (общего, опорного, индифирентного, синфазного, дифференциального) канала из остальных, за счет чего достигается важное преимущество: число каналов уменьшается на единицу. Используются и другие варианты формирования вычитающего сигнала, обычно он получается усреднением сигналов всех каналов или части их. Очень хорошие результаты достигаются последовательным соединением схем а) б) рис 2.9.
Т
акой важный параметр, как подавление СФП, определяется точностью подбора номиналов резисторов R1R2, их стабильностью и коэффициентом усиления каскада (интересно отметить, что требования к точности выдерживания номиналов уменьшаются при увеличении коэффициента усиления каскада). Выражение для Кпод - достижимого подавления СФП вычитанием в усилителях имеет вид: Кпод=Ку*(R/δR)
















