Белов - БЖД (1006305), страница 60
Текст из файла (страница 60)
(6.14)
Таким образом, импеданс массы является мнимой положительной величиной, прямо пропорциональной частоте. Он достигает больших значений в диапазоне высоких частот. В диапазоне низких частот им можно пренебречь.
Подставив смещение х в формулу (6.11), находят импеданс элемента упругости ic'.
Таким образом, импеданс элемента упругости является чисто мнимой отрицательной величиной, обратно пропорциональной частоте; в области высоких частот им можно пренебречь.
Импеданс элемента демпфирования является действительной величиной
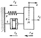
В общем случае вибросистему с одной степенью свободы можно изобразить в виде элемента массы, не обладающего деформацией, и элементов упругости и демпфирования, не имеющих массы (рис. 6.30). Точка О обозначает положение статического равновесия, от которого отсчитывается смещение х тела массой М под действием гармонической вынуждающей силы F/. К телу также приложены сила инерции
Рис. 6. 30. Схема вибросистемы с одной степенью свободы
fm, восстанавливающая сила fg и диссипативная демпфирующая сила Fs. В соответствии с принципом Д'Аламбера
Свободная вибрация (Fi = 0) в отсутствии сил трения (Fs = 0) с течением времени не затухает. Виброскорость в этом случае определяется выражением (6.13), в котором амплитуда v„ == const. Условие Fм+FG=0 с учетом выражений (6.14) и (6.15) позволяет определить собственную частоту вибросистемы:
Собственную частоту системы с одной степенью свободы (см. рис. 6.29, а) на практике определяют по прогибу А, исходя из равенства сил fg = fm в статике:
где g – ускорение свободного падения.
При наличии сил трения (Fs ^0) свободная вибрация (/^==0) затухает. Амплитуда виброскорости с течением времени убывает. Чтобы учесть это, вводят комплексную угловую частоту (Ь* = ©о* +у5, где 5 – коэффициент демпфирования. Поставив в выражение (6.13) частоту о» вместо о, получим
где ω*=ωo* aмплитуда виброскорости с учетом затухания
Из уравнения fm + fg -+• Fs = (/d)*M–/G/(b* + Д)^= 0 Haxow неизвестные величины 5 и юо».
где Sкр = 2√GM – критический импеданс элемента демпфирования.
Таким образом, коэффициент демпфирования равен половине пмпеданса элемента демпфирования, приходящегося на единицу массы, и свободная вибрация с затуханием осуществляется с частотой соо», зависящей от отношения импедансов S/Svp, которое характеризует силы трения в системе. При отсутствии диссипативных сил (^/5кр=0) частота coo* ^ оо; если же диссипативные силы имеют критическое значение, т. е. если 5/<5кр = 1, то частота (do* = 0.
Вынужденная вибрация (F/ ?ь 0) происходят с частотой © вынуждающей силы. Из уравнения (6.16) определяют механический импеданс вибросистемы:
Таким образом, импеданс вибросистемы складывается из импедан-сов элемента демпфирования, массы и упругости. Он имеет активную и реактивную составляющие. Его модуль и фазовый угол равны:
Как следует из соотношения (6.19), импеданс вибросистемы имеет минимальное значение на частоте о = соо, при которой слагаемое в круглых скобках обращается в нуль, т. е. в резонансной области импеданс вибросистемы определяется импедансом элемента демпфирования (^== S)- Вне резонансной области импедансом Смежно пренебречь. Тогда из выражения (6.18) следует, что в диапазоне высоких частот движение определяется вибрирующей массой (г" усоЛ^), а в диапазоне низких частот –жесткостью системы (z w –ус/о)).
Защитное устройство – упругодемпфирующий элемент. В большинстве случаев расчет сложных защитных устройств сводится к расчету простого защитного устройства, состоящего из элемента упругости и элемента демпфирования, соединенных параллельно. Реакция защитного устройства складывается из реакций упругого и демпфирующих элементов Fp = pg + fs- Импеданс защитного устройства
Если провести циклическое деформирование упругодиссипативного элемента по закону х = x^oswt, то обнаруживается различие линий нагрузки и разгрузки (рис. 6.31) на диаграмме сила –смещение: точка, изображающая напряженное и деформированное состояние, описывает замкнутую кривую – петлю гистерезиса. Площадь, ограниченная петлей гистерезиса, выражает энергию е.у, рассеянную за один цикл демпфирования и равную работе диссипативных сил:
Рис. 6.31. Рассеяние энергии –гистсрезисная петля
В начале и конце цикла деформирования смещения максимальны, виброскорость равна нулю и вся энергия, запасенная системой, равна потенциальной:
По формуле (6.8) находят коэффициент потерь и преобразуют его с учетом выражения для критического импеданса:
Тогда выражение (6.20) можно записать в виде
Виброизоляция. Между источником вибрации и ее приемником, являющимся одновременно объектом защиты, устанавливают упруго-демпфирующее устройство –виброизолятор –с малым коэффициентом передачи (рис. 6.32, а). Схематично система «источник вибраций –защитное устройство–приемник» показана на рис. 6.32, б При возбуждении системы защитное устройство, расположенное между источником и приемником, воздействует на них с реакциями FR и FR. Ниже будут рассматриваться только безынерционные устройства, у которых реакции FR и FR равны.
Различают два вида возбуждения силовое и кинематическое, при этом соответственно большую массу имеет приемник и его считают неподвижным или источник, и закон его движения считают заданным.
При силовом гармоническом возбуждении силой F1= Fmejwt цель защиты обычно состоит в уменьшении амплитуды силы FR, передаваемой на приемник. Импеданс виброизолятора определяется формулой (6.21). Импеданс вибросистемы
Поток энергии на входе в ЗУ определяется усредненной за цикл мощностью вынуждающей силы:
Поток энергии на выходе из защитного устройства определяется усредненной за цикл мощностью реакции защитного устройства:
Рис. 6.32. Виброизоляция:
а – устройство виброизоляции (1 – источник; 2–виброизолятор; 3–приемник); б– схема системы И–ЗУ–П
Отношение мощностей W+/W- называют силовым коэффициентом защиты kF= z/zR- Из соотношений Ft = zv и FR = zRv видно, что он при определенных условиях равен отношению амплитуды вынуждающей силы к амплитуде силы, переданной на приемник.
При кинематическом возбуждении цель защиты обычно заключается в уменьшении передаваемого смещения. Степень реализации этой цели характеризуют динамическим коэффициентом защиты kx, равным отношению амплитуды смещения источника к амплитуде смещения приемника. Можно показать, что kx= z/zr
В общем случае энергитический коэффициент защиты можно выразить в виде kW=kFkX.
Поформуле (6.9) эфективность виброизоляции
Рис. 6.33. Зависимость коэффициента виброизоляции от отношения частот
В области высоких частот импеданс z≈zM (см - выше) и эффективность виброизоляции равна е ≈ 401gw/wo – 101g(l + n2 ). В частности, если демпфирующее сопротивление мало влияет на движение системы, то величиной n можно пренебречь. Тогда е = 401gω/ωo, т. е. в области высоких частот почти вся энергия затрачивается на движение массы; поток энергии, передаваемой на приемник, обратно пропорционален квадрату частоты возбуждения, и эффективность виброизоляции тем выше, чем больше частота ω.
В области низких частот z≈zG и эффективность виброизоляции е ≈ –101g(l т- n2), т. е. отрицательна или равна нулю.
В общем случае из выражения (6.22) следует, что эффективность виброизоляции
Если потери в защитном устройстве отсутствуют (г| == 0), то эффективность
Из последнего выражения видно, что цель виброизоляции (е > 0) обеспечивается в частотном диапазоне: ω > √2ω. На рис. 6.33 представлена зависимость коэффициента передачи r от отношения частоты вынуждающей силы к собственной частоте вибросистемы при разных значениях отношения импеданса демпфирующего элемента к его критическому значению, т. е. при разных D = S/Sкр.
В качестве виброизоляторов используют упругие материалы и прежде всего металлические пружины, резину, пробку, войлок. Выбор того или иного материала обычно определяется величиной требуемого статического прогиба и условиями, в которых виброизолятор будет работать (например, температурой, химической агрессивностью рабочей среды и т. д.). Зависимость между статическим прогибом и собственной частотой для некоторых материалов показана на рис. 6-34.
Резина имеет малую плотность, хорошо крепится к деталям, ей легко придать любую форму и она обычно используется для виброизоляции машин малой и средней массы (ДВС, электродвигателей и др.). В виброизоляторах резина работает на сдвиг и (или) сжатие. Жесткость резиновой подушки, работающей на сжатие, зависит от ее размеров и конструктивных особенностей, направленных на предотвращение распучивания резины в стороны при действии нагрузки.
Р и с . 6.34. Зависимость между статическим прогибом и собственной частотой некоторых виброизолирующих материалов:















