22_Фильтры (1002188)
Текст из файла
Фильтры
Основные функциональные разновидности фильтров:
- нижних частот (high-pass filter) - ФНЧ,
- верхних частот (low-pass filter) - ФВЧ,
- полоснопропускающие - ППФ,
- полоснозаграждающие - ПЗФ.
Рис. Амплитудно – частотные характеристики фильтров ФНЧ и ФВЧ.
Рис. Амплитудно – частотные характеристики фильтров ППФ и ПЗФ.
Частотный мультиплексор – это частотно – разделительное устройство с несколькими выходами: 2 – диплексер (Diplexer), 3 – триплексер, 4 – квадриплексер. Используется как для деления, так и объединения нескольких сигналов (частотных каналов). Улучшению развязки и согласования каналов способствуют ФВЧ и ФНЧ.
Рис. Амплитудно – частотные характеристики фильтров диплексеров и триплексеров.
Рис. Структура диплексера на полосу частот 8 – 18 ГГц.
При работе с общей широкополосной антенной для смещенных по частоте полос одновременной передачи и приема (дуплексная связь) используется дуплексер (Duplexer). Частотное разделение каналов приемника и передатчика обеспечивают ППФ и ПЗФ и невзаимные устройства (направленные ответвители, ферритовые вентили и циркуляторы). Они предотвращают попадание мощного сигнала собственного передатчика на вход чувствительного малошумящего усилителя приемника.
Рис. Структурная схема дуплексера с циркулятором.
Рис. Сравнительные амплитудно-частотные характеристики диплексера и дуплексера.
Основные характеристики фильтров.
| Характеристики | |
| Средняя частота | |
| Полоса пропускания (ПП) | |
| Полоса перестройки | |
| Полоса заграждения (ПЗ) | |
| Затухание в ПП | По уровню минус 3 дБ |
| Затухание в ПЗ | По уровню минус 40 дБ |
| Крутизна ската переходной области | Актуальна для близкорасположенных каналов. Определяет число звеньев фильтра. |
| Уровень согласования по входу и выходу | Минимизация помех |
| Уровень мощности | Для каналов передатчика |
| Тип линии передачи | Габариты, вес |
| Фазовые |
Варианты реализации фильтров.
Синтез параметров фильтра.
Для расчета фильтров обычно используется параметрический синтез низкочастотного фильтра – прототипа. Рассчитанные данные в значениях элементов с сосредоточенными параметрами могут быть заменены их эквивалентами с распределенными параметрами.
Для аппроксимации частотных характеристик затухания чаще используются
- максимально плоская на основе полинома Баттерворда,
- равноволновая на основе полинома Чебышева.
При одинаковом числе звеньев и полосе пропускания большую крутизну спада амплитудно – частотных характеристик (АЧХ) имеет фильтр с равноволновой аппроксимацией. Однако его фазо – частотная характеристика (ФЧХ) менее линейна.
Рис. (а) - максимально плоская характеристика затухания фильтра – прототипа нижних частот, (б) – равноволновая характеристика затухания фильтра – прототипа нижних частот.
Рис. Амплитудно – частотная характеристика ППФ Баттерворда на полосу частоту 100МГц с различным числом звеньев.
В зависимости от выбранных аппроксимационной характеристики и числа звеньев строится лестничная схема фильтра прототипа нижних частот. Величины gn (от 1 до n) выбираются в справочной литературе.
Рис. Пример лестничных схем фильтра прототипа нижних частот.
Параметры фильтра прототипа преобразуются структурно и по частоте. Z0 – входное сопротивление. ωс - частота среза для ФНЧ и ФВЧ и средняя частота для ППФ и ПЗФ. L’k и C’k - преобразованные параметры фильтров. ω2, ω1 – верхняя и нижняя граничные частоты полосы пропускания ППФ и ПЗФ. Ширина полосы пропускания:
Для ФНЧ структура фильтра прототипа не изменяется.
Для ФВЧ преобразование эквивалентно инверсии частотной оси (индуктивности и емкости меняются местами).
Для ППФ индуктивность трансформируется в последовательный колебательный контур, а емкость - в параллельный колебательный контур.
Рис. Пример фрагмента ППФ.
Для ПЗФ емкость трансформируется в последовательный колебательный контур, а индуктивность - в параллельный колебательный контур.
Рис. Пример эквивалентной схемы ПЗФ.
Таблица преобразований параметров фильтра прототипа.
| Элементы прототипа | ФНЧ | ФВЧ | ППФ | ПЗФ |
| Индуктив-ность Lk |
|
|
|
|
| Емкость Ck |
|
|
|
|
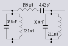
Пример расчета ППФ с аппроксимацией Чебышева с неравномерностью 0.5 dB, N=3, ωс= 1 ГГц, Z0 = 50 Ом, Δ = 10%. Параметры фильтра прототипа:
g1 = 1.5963 = L1
g2 = 1.0967 = C2
g3 = 1.5963 = L3
Рис. Эквивалентная схема фильтра прототипа и трансформированная схема ППФ.
Преобразованные параметры ППФ:
Фильтры на элементах с сосредоточенными параметрами.
Фильтры метрового и дециметрового диапазонов обычно формируются из элементов с сосредоточенными параметрами. Т - четырехполюсник представляет собой фильтр верхних частот (Tee network high-pass filter), а П - четырехполюсник –фильтр нижних частот (Pi network low-pass filter).
А Б
Рис. (А) - Т - четырехполюсник ФВЧ, (Б) = П – ФНЧ.
Рис. Толстопленочные RC-элементы
Фильтры на элементах с квазисосредоточенными параметрами.
Фильтры на элементах с квазисосредоточенными параметрами.
Рис. ФНЧ на отрезках МПЛ, имитирующих индуктивные и емкостные элементы (они не являются резонаторами или трансформаторами).
Рис. (b) и (c) – Топология квазиемкостных элементов в виде «крыльев бабочки» или «трилистника».
Рис. ФНЧ с квазисосредоточенными элементами Т – четырехполюсника.
Фильтры на элементах с распределенными параметрами.
Для построения фильтров используются в основном следующие элементы: шлейфы, разомкнутые и короткозамкнутые резонаторы. Типы связи: индуктивная (непосредственный контакт), емкостная (через зазор), электромагнитная (связанные линии).
Рис. Виды подключения элементов фильтров к передающей линии и их эквивалентные схемы.
|
| Полуволновые резонаторы с емкостной связью |
|
| Полуволновые резонаторы с электромагнитной связью |
|
| Изогнутые резонаторы с комбинированной связью («гарпин» структура) |
| Встречно – стержневая структура | |
|
| Четвертьволновые короткозамкнутые шлейфы |
Рис. Топология ФНЧ на элементах с распределенными параметрами:
а - на МПЛ; б - на щелевых линиях
Рис. Устройство, работающее в диапазоне частот от 10.7 до 11.8 ГГц. Металлизированные отверстия позволяют подавить не-ТЕМ колебания.
Фильтры на комбинированных элементах.
Сочетание элементов с распределенными и сосредоточенными параметрами позволяет выполнить повышенные требования к фильтрам, например, повысить крутизну АЧХ.
Рис. ППФ на связанных резонаторах (а) – обычный, () – с дополнительными индуктивно – емкостными резонаторами Кауэра.
Рис. Топология и фото фильтра на комбинированных элементах.
Рис. ПЗФ в виде комбинации щелевой линии и МПЛ. Уровень связи резонаторов с основным МПЛ трактом регулируется различным расположением щелевых резонаторов.
А Б
Рис. ФВЧ на 3 ГГц: (А) – на лицевой поверхности располагаются квазисосредоточенные параллельные и последовательные емкости, (Б) – на обратной стороне – по 2 разомкнутых щелевых резонатора.
Рис. ППФ на комбинации элементов с электромагнитной связью: кольцевого резонатора замкнутого контура и разомкнутых полуволновых резонаторов.
Рис. Эквивалентные схемы четной и нечетной мод полуволнового разомкнутого резонатора с электромагнитной связью. Варианты топологии фильтров.
Фильтры могут включать резонаторы высших типов колебаний: дисковые, треугольные, диэлектрические, ферритовые. Они отличаются узкой полосой частот.
Рис. ППФ на треугольных резонаторах.
Рис. ППФ с каскадным включением объемного диэлектрического резонатора.
Подстройка и перестройка фильтров.
Разброс значений параметров подложки, размеров топологии приводят к изменению частоты или полосы пропускания фильтра. Для восстановления параметров используются
Характеристики
Тип файла документ
Документы такого типа открываются такими программами, как Microsoft Office Word на компьютерах Windows, Apple Pages на компьютерах Mac, Open Office - бесплатная альтернатива на различных платформах, в том числе Linux. Наиболее простым и современным решением будут Google документы, так как открываются онлайн без скачивания прямо в браузере на любой платформе. Существуют российские качественные аналоги, например от Яндекса.
Будьте внимательны на мобильных устройствах, так как там используются упрощённый функционал даже в официальном приложении от Microsoft, поэтому для просмотра скачивайте PDF-версию. А если нужно редактировать файл, то используйте оригинальный файл.
Файлы такого типа обычно разбиты на страницы, а текст может быть форматированным (жирный, курсив, выбор шрифта, таблицы и т.п.), а также в него можно добавлять изображения. Формат идеально подходит для рефератов, докладов и РПЗ курсовых проектов, которые необходимо распечатать. Кстати перед печатью также сохраняйте файл в PDF, так как принтер может начудить со шрифтами.
















