23_ Управл_устр (1002189)
Текст из файла
22. Активные ИС.
Устройства управления
Обычно управляют подключением каналов, амплитудой и фазой. Для интегральных схем наибольшее распространение получили полупроводниковые p-i-n диоды, полевые транзисторы.
Работа p-i-n диода основана на изменении активной составляющей сопротивления при положительном смещении, когда через диод протекает ток. Без смещения сопротивление диода составляет единицы КОм. При подаче смещения сопротивление падает до единиц Ом и зависит от тока. Хороший коммутационный эффект сопряжен с проблемами согласования импедансов. Требуются дополнительные согласующие элементы и невзаимные устройства типа У-циркуляторов. Прибор работает в бинарном режиме.
Рис. (а) – ВАХ PIN-диода; (б) – схема диода во включенном и выключенном состоянии.
Управляющие устройства на полевых транзисторах. Полевые транзисторы, используемые как двухполюсные ключи, управляются напряжением смещения на затворе. По сравнению с PIN диодами они обладают значительно большей скоростью переключения (≈ нс), низкой потребляемой мощностью и совместимостью с монолитными ИС. Прибор работает в бинарном режиме.
Управление амплитудой сигнала производят с помощью выключателей (импульсных модуляторов), переключателей (коммутаторов), аттенюаторов, модуляторов, ограничителей.
Фазовращатели строятся
- на основе 3 дБ направленных ответвителей с фазовым сдвигом выходных каналов (кольцевой 8-полюсник – 180°, шлейфный – 90°),
- подключением отрезков линий передачи определенной длины.
Сегнетоэлектрические (ферроэлектрические) управляющие устройства. Сегнетоэлектрики - это материалы с несимметричной элементарной кристаллической ячейкой. Это предопределяет наличие дипольного момента и анизотропию свойств. В пределах домена размерами от 10-4 до 10-2 см диполи имеют параллельную ориентацию. В пределах образца домены ориентированы хаотически в результате воздействия тепловой энергии.
Ba2+
Ti4+
O2-
Рис. Элементарная ячейка кристалла титаната бария Ba Ti O3. (BST)
Под влиянием внешнего электрического поля домены начинают ориентировать вдоль силовых линий. Чем больше напряженность поля Е, тем большее число доменов приобретут одинаковую ориентацию. При Е max происходит насыщение поляризации Р нас - все домены ориентированы одинаково. При снятии электрического поля поляризация не исчезает полностью. (Для дезориентации недостаточно тепловой энергии (кинетической упругости) при нормальной температуре.) Для достижения нулевой поляризации необходимо приложить поле обратного знака. Т.о. при воздействии переменного электрического поля образуется петля гистерезиса. Это свойство используется для переключающих устройств - при Е = 0 имеется в зависимости от предыстории 2 различных поляризации Р.
Рнас
E
Рис. Сегнетоэлектрический гистерезис.
По мере увеличения поляризации увеличивается коэффициент поляризации и, следовательно, диэлектрическая проницаемость e , т.е. имеется зависимость e = f (E). Большим достоинством новых диэлектрических материалов является возможность организации непрерывной регулировки параметров. Эта зависимость может существовать до определенной температуры – диэлектрической точки Кюри (Тк). Большая тепловая энергия препятствует единообразному ориентированию дипольных моментов. Для титаната бария Тк = 297 К. Зависимость e от температуры или напряженности электрического поля используется в управляемых устройствах: конденсаторах, фильтрах и т.д.. В отличие от полупроводниковых приборов с бинарным режимом работы сегнетоэлектрики обеспечивают непрерывное изменение параметров. Сегнетоэлектрическими свойствами обладают также сегнетова соль Na K C3 H4 O6 × 4 H2 O, дигидрофосфат калия К Н2 Р О4.
Сегнетоэлектрики используются в виде пленочных покрытии или реже в виде монокристаллических подложек. Сегнетоэлектрические покрытия получаются при лазерном разрушении мишени (target) и осаждении молекул диспергированного материала на подложку (substrate) из поликристаллической керамики, монокристаллического сапфира или полупроводника. Сегнетоэлектрические слои могут включаться в состав многофункциональных интегральных схем или составлять автономные устройства в виде чипов.
Рис. Установка лазерного напыления сегнетоэлектриков.
Сегнетоэлектрики, включенные в структуру распределенной линии передачи, делают линию передачи перестраиваемой по параметрам волнового сопротивления, длины волны.
Z = √ L/C,
где L – погонная индуктивность, а C – погонная емкость.
λЛ = λ0 √εэфф,
λЛ – длина волны в ЛП, λ0 - длина волны в свободном пространстве.
АБ
Рис. (А) – монолитная подложка из сегнетоэлектрика в микроплосковой линии. (Б) - Сегнетоэлектрическая пленки под копланарной линий.
Сегнетоэлектрическая пленка может включаться в локальные структуры конденсаторов ( с сосредоточенными параметрами):
- трехслойных (металл – диэлектрик – металл - МДМ),
- планарных (гребенчатых).
Рис. Сегнетоэлектрический тонкопленочный варактор (а) – структура трехслойного конденсатора МДМ и (b) – фото подложки с чипами варактора.
Рис. (а) - Варактор на планарном гребенчатом конденсаторе на сегнетоэлектрическом толстопленочном слое (голубого цвета). (b) – Распределение напряженности электрического поля.
Устройства согласования используют изменение емкости на входное сопротивление. Это необходимо для согласования антенны и генератора мобильных устройств.
Рис. (А) - Фрагмент микроплосковой линии с планарным гребенчатым конденсатором (С – 0.98 пФ) на сегнетоэлектрическом покрытии – основа варактора. (Б) – Область (красная) изменения полного сопротивления пары варакторов для интервала управляющих напряжений от 0 до 100 В.
Варакторы могут использовать для согласования каждого из каналов делителя мощности.
Рис. Настраиваемый двухканальный делитель мощности с укороченными трактами.
Перестраиваемые фильтры. Изменение диэлектрической проницаемости ε сегнетоэлектрической области варактора приводит к изменению ее электрической длины (λЛ = λ0 √εэфф). С помощью этого эффекта реализуется смещение полосы пропускания ППФ в пределах 10%. Конструктив варикапа в виде чипа легко встраивается в пленочные линии передачи.
Рис. Фото тонкопленочного перестраиваемого ППФ с 3-мя кольцевыми резонаторами на сапфире толщиной 430 мкм.
Рис. Схема перестраиваемого ППФ с кольцевыми резонаторами, контуры которых замыкаются варакторами.
Рис. Перестраиваемый микрополосковый ППФ с чипами, вмонтированными между «плавающим» экраном и землей.
Рис. Перестраиваемый ППФ на щелевой линии на обратной стороне микрополосковой линии.
Рис… Перестраиваемый ППФ на копланарной линии.
Сегнетоэлектрические фазовращатели строятся на основе переменных емкостей, включаемых параллельно или последовательно. Это позволяет встраивать варакторы в различные типы пленочных линий передачи и решить вопрос регулирования фазы в мм диапазоне длин волн.
Рис. Конструкции фазовращателей (а) - для схемы с параллельным включением варакторов в щелевую (волноводно – щелевую) линию, (б) – для схемы с последовательным включением в микрополосковую линию (Треугольники являются высокочастотными короткозамыкателями, преобразующими режим КЗ в режим ХХ при подключении четвертьволнового шлейфа к основному тракту. Прямоугольные контактные площадки реализуют схему подачи постоянного напряжения смещения.)
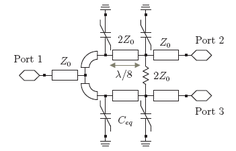
Сегнетоэлектрический фазовращатель может строиться по традиционной для полупроводниковых приборов с бинарным режимом схеме с 3 дБ направленным ответвителем, у которых фазовый сдвиг выходных каналов составляет 180° для кольцевого 8-полюсника, 90° – для направленных ответвителей шлейфного или на связанных линиях.
Рис. Сегнетоэлектрический фазовращатель с НО «Ланге» на диапазон частот от 10 до 12 ГГц.
Сегнетоэлектрические варакторы многофункциональны и обладают возможностью плавной перестройки и фазы и импеданса. Для низких частот с помощью варакторов можно организовать квазираспределенную (при дистанции между диодами, меньшей λ/8) настраиваемую линию передачи.
А Б
В
Рис. Фазовращатель с настраиваемой линией передачи: квазираспределенной системой перестройки фазы и согласования импеданса. (А) – структурная схема фазовращателя. (Б) – График зависимости фазового сдвига от напряжения смещения на варакторах. (С) – фото фазовращателя.
Характеристики
Тип файла документ
Документы такого типа открываются такими программами, как Microsoft Office Word на компьютерах Windows, Apple Pages на компьютерах Mac, Open Office - бесплатная альтернатива на различных платформах, в том числе Linux. Наиболее простым и современным решением будут Google документы, так как открываются онлайн без скачивания прямо в браузере на любой платформе. Существуют российские качественные аналоги, например от Яндекса.
Будьте внимательны на мобильных устройствах, так как там используются упрощённый функционал даже в официальном приложении от Microsoft, поэтому для просмотра скачивайте PDF-версию. А если нужно редактировать файл, то используйте оригинальный файл.
Файлы такого типа обычно разбиты на страницы, а текст может быть форматированным (жирный, курсив, выбор шрифта, таблицы и т.п.), а также в него можно добавлять изображения. Формат идеально подходит для рефератов, докладов и РПЗ курсовых проектов, которые необходимо распечатать. Кстати перед печатью также сохраняйте файл в PDF, так как принтер может начудить со шрифтами.















