22_Фильтры (1002188), страница 2
Текст из файла (страница 2)
- подстроечные площадки пленочных сосредоточенных элементов,
- индуктивности или высокоомные (тонкие) МПЛ.
- варикапы,
- механические элементы
- токовая перестройка постоянного магнитного поля резонатора на железо – иттриевом гранате (ЖИГ).
Рис. Укорочение длины высокоомного резонатора с помощью заливки припоем вызывает перестройку вверх по частоте, а обрезания перемычек - вниз.
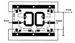
Рис. Электронная перестройка ППФ на кольцевых микрополосковых резонаторах с помощью варакторов различного функционального назначения (последовательные емкости входного и выходного тракта, емкости связи с резонаторами, замыкатели кольцевых резонаторов и параллельных шлейфов).
А Б
Рис. (А) - Топология ФНЧ с щелевыми резонаторами, расположенными под МПЛ. Щелевые резонаторы фрагментированы с помощью проволочек. (Б) – Эквивалентная схема щелевого резонатора
.
Рис. Фото обратной стороны микрополоскового ФНЧ с щелевыми резонаторами. Припаянные проволочки реализуют режим КЗ в месте подключения, укорачивая резонатор. Разрыв проволочки его удлиняет.















