Резонансные усилители
Глава 5. Резонансные усилители
5.1. Назначение и виды резонансных усилителей
Резонансный усилитель (РУ) содержит резонансную селективную цепь и потому усиливает сигнал в некоторой полосе частот, в которой АЧХ усилителя имеет подъём. В РПрУ РУ используются в качестве УРЧ и УПЧ. УРЧ могут работать как на фиксированной частоте, так и на частотах, перестраиваемых в рабочем диапазоне; УПЧ работают обычно на фиксированных частотах.
РУ содержит три основных элемента: усилительный элемент (УЭ), источник питания и резонансную цепь (фильтр) с цепями связи с УЭ и с последующим каскадом.
РУ можно классифицировать в зависимости от:
типа УЭ (транзисторные, ламповые, на интегральных микросхемах, диодах с отрицательным сопротивлением);
вида резонансной цепи (одноконтурные, двухконтурные, многоконтурные, с пьезоэлектрическими и электромеханическими фильтрами, с резонансными линиями, объёмными резонаторами и т. д.)
вида цепей связи фильтра с УЭ и с последующим каскадом (усилители с непосредственным, автотрансформаторным, трансформаторным, ёмкостным и комбинированным включением фильтра.
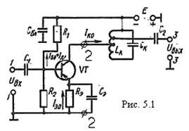
РУ работают в режиме усиления малых сигналов, т.е. в линейном по сигналу режиме. На рис. 5.1 приведена схема одноконтурного транзисторного РУ с автотрансформаторной связью контура с УЭ и с последующим каскадом. Транзистор VТ включен по схеме с ОЭ, резисторы R1, R2 (базовый делитель) используются для подачи постоянного смещения на базу относительно эмиттера Uбэо. Цепочка RэCэ используется для стабилизации точки покоя за счёт введения последовательной отрицательной обратной связи по постоянному току.
5.2. Коэффициент усиления и АЧХ одноконтурного
резонансного усилителя
Любой РУ может быть представлен в виде активного линейного четырёхполюсника, нагрузкой которого является фильтр с цепями связи (рис. 5.2).
Свойства активного четырёхполюсника описываются системой уравнений с Y – параметрами:
Рекомендуемые материалы
I1 = Y 11 U 1 + Y 12 U 2
I 2 = Y 21U 1 + Y 22 U 2 (5.1)
Для определения коэффициента усиления воспользуемся вторым уравнением системы (5.1).
I 2
Здесь Y 21 = — - крутизна УЭ S;
U1 U2 = 0
U 2
Y 22 = ― - yi – внутренняя проводимость УЭ
I 1 U1 = 0
Видно, что выходной ток I2 состоит из двух составляющих I 2 = SU 1 + yi U 2 и учитывая, что yi содержит активную и емкостную составляющие yi=qi + jwCвых, эквивалентную схему выходной цепи каскада РУ (рис. 5.1) можно представить в виде рис. 5.3.
Последующий каскад, являющийся нагрузкой для данного каскада, учтён его активным входным сопротивлением и его входной емкостью. Пересчитывая элементы схемы к контуру (на основе закона сохранении энергии) в соответствии с выражениями (4.3), переходим к схеме рис. 5.4.
Получим эквивалентный колебательный контур с параметрами: Скэкв=Ск+m12Cвых+m22Cвх сл (эквивалентная емкость контура с учётом внесённых ёмкостей);
- эквивалентная проводимость контура при резонансе с учётом внесённых сопротивлений; Y - коэффициент шунтирования (4.11).
![]() |
По закону Ома напряжение на контуре U ф= m1 S U 1 Z экв где Zэкв – полное эквивалентное сопротивление контура. Знак минус в выражении для Uф указывает, что ток m1S U1 создаёт на контуре напряжение полярности, противоположной принятой за положительную (см. рис. 5.2).
Выходное напряжение
U вых = m2 U ф = - m1 m 2S U 1Z экв
и коэффициент усиления по напряжению
K = U вых / U 1 = - m1 m2 S Z экв. (5.2)
Учитывая, что для параллельного колебательного контура Z экв = R экв /( 1 + jα) , где a - обобщенная расстройка, из (5.2) получим
m 1 m2 S R экв
K = - ――――― (5.3)
(1 + j α )
Модуль коэффициента усиления (5.3)
. (5.4)
Резонансный коэфициент усиления из (5.4) при a=0
. (5.5)
АЧХ усилителя
(5.6)
соответствует АЧХ эквивалентного колебательного контура. Отметим, что то же выражение согласно (4.9) было получено для АЧХ одноконтурной ВЦ.
Задача оптимизации резонансного коэффициента усиления (5.5) по параметрам m1 и m2 решается так же как для ВУ. Максимум резонансного коэффициента усиления при заданном коэффициенте шунтирования Y (т.е. заданной полосе пропускания или gэ) реализуется при выполнении условия оптимального рассогласования, т.е. при 
При этом
. (5.7)
При высокодобротном контуре (Y>>1) теоретически достигается наибольшее значение К0. Из (5.7) при Y>>1 имеем
.
Именно в этом случае реализуется одновременное согласование контура как по выходу УЭ так и по входу последующего каскада.
5.3. Устойчивость одноконтурного резонансного усилителя.
Анализ устойчивости РУ связан с определением его входной проводимости, которая является нагрузкой для предыдущего каскада и шунтирует его резонансную систему. Из первого уравнения системы (5.1)
Y вх = I 1 / U 1 = Y 11 + Y 12U 2 / U 1 (5.8)
Здесь Y 11 = I 1 / U 1 статическая составляющая входной проводимости,
U 2 = 0
которая всегда имеет место, определяется параметрами транзистора, не зависит от выходного напряжения (от нагрузки) и не меняется в процессе работы. Влияние этой составляющей на предыдущий каскад легко учесть. Y 12 = I 1 / U 2 - внутренняя
U 1 = 0
проводимость обратной связи между выходом и входом УЭ. (например, для биполярных транзисторов определяется в основном паразитной ёмкостью между коллектором и эмиттером Ск).
Следовательно, вторая составляющая входной проводимости (5.8)
Y вхос = Y 12 U 2 / U 1 (5.9)
обусловлена действием внутренней обратной связи и зависит от напряжения U 2, которая определяется напряжением на контуре и, следовательно, зависит от частоты. Поэтому Y вхос иногда называют динамической составляющей входной проводимости. Учитывая, что U 2 = m 1U вых /m 2 = - m21 S Z эквU 1 из (5.9) получим:
Y вхос = - m21 S Y 12 Z экв , (5.10)
где S Y 12= S Y12 e jφ (5.11)
Причём суммарный фазовый сдвиг j, создаваемый крутизной и проводимостью ОС, зависит в основном от параметров УЭ и слабо зависит от частоты. В пределах полосы пропускания j = const.
Из (5.10) с учётом (5.11)
cos φ + j sin φ
Y вхос = - m12 S Y12 R экв ―――――― (5.12)
1 + j α
Выделяя в выражении (5.12) вещественную и мнимую части определим активную и реактивную (ёмкостную) составляющие входной проводимости
Y вхос = gвхос + j bвхос ,
где
, (5.13)
, (5.14)
Здесь 
![]() |
В общем случае зависимость gвхос(a) (5.13) показана на рис. 5.5, а зависимость bвхос(a) (5.14) – на рис. 5.6
Максимальное отклонение значений gвхос и bвхос от средних значений
. (5.15)
Как видно из рис. 5.5, с изменением частоты проводимость gвхос меняет знак. Если gвхос положительна, то усилитель отбирает энергию от источника сигнала, т. е. внутренняя ОС отрицательная. Если же gвхос отрицательна, то это означает, что во входную цепь вносится энергия, следовательно, ОС положительная. Таким образом, в резонансных усилителях характер ОС с частотой меняется, поскольку с изменением частоты относительно резонансной меняется знак напряжения U2 на контуре. Пояснить возникновение отрицательной входной проводимости за счёт действия обратной связи можно следующим образом. На частотах ниже резонансной выходной контур имеет индуктивное сопротивление. Поэтому напряжение U2опережает ток I2 на угол, близкий к 900(рис. 5.7). Из-за этого напряжения возникает ток Ioc через Ск, опережающий напряжение ещё на 900. Так как ток I 2 синфазен с входным напряжением U1, сдвиг фаз между U1 и Ioc равен 1800, что эквивалентно отрицательной входной проводимости.
Очевидно, отрицательная входная проводимость вызывает подъём усиления предыдущего каскада, компенсируя потери в его контуре (входном контуре рассматриваемого усилителя). На частотах выше резонансной проводимость gвхос положительна и вносит во входной контур дополнительные потери, приводя к уменьшению усиления предыдущего каскада. На рис. 5.8 показан пунктиром характер изменения АЧХ входного контура из-за действия gвхос . Сплошная линия соответствует неискаженной АЧХ, которая может быть получена, например, при замыкании нагрузки рассматриваемого РУ, т.е. при m1=0.
![]() |
Рис. 5.9 аналогично отражает влияние Свхос ( bвхос= wCвхос ) на форму АЧХ входного контура. Увеличение Свхос на частотах ниже резонансной приводит к увеличению эквивалентной ёмкости входного контура, а следовательно понижению его резонансной частоты. При этом фактическая расстройка уменьшается и усиление входного контура становится больше. При увеличении частоты выше резонансной Свхос уменьшается, вносимая во входной контур ёмкость уменьшается, резонансная частота, а следовательно, и усиление увеличиваются. В результате АЧХ входного контура становиться более прямоугольной. Очевидно, более серьёзными искажениями являются искажения АЧХ, вызванные активной составляющей gвхос. А их уровень может быть оценен по относительному изменению эквивалентной проводимости входного контура за счёт шунтирующего действия gвхос. Для этого вводится коэффициент устойчивости:
,
где m2 – коэффициент включения входной проводимости РУ во входной контур (контур предыдущего РУ, который полагаем идентичным рассматриваемому),
gоэ – эквивалентная проводимость входного контура, учитывающая среднее значение вносимой входной проводимости. При kуст=1 искажения входного контура (и ОС в резонансном усилителе) отсутствуют. Обычно полагают
. Таким образом, под устойчивостью РУ понимают допустимую деформацию АЧХ входного контура.
Учитывая (5.15) и производя некоторые преобразования, выразим коэффициент устойчивости через параметры усилителя:
.
При этом для любого РУ можно найти такое значение резонансного коэффициента усиления К0, при котором он будет работать устойчиво, т.е. с заданным коэффициентом устойчивости kуст:
.
Устойчивый коэффициент усиления K0уст очевидно тем выше, чем больше отношение
.
При перестройке РУ по диапазону проверку на устойчивость следует проводить на верхней частоте диапазона, так как с повышением частоты устойчивость падает (из-за частотной зависимости проводимости ОС
).
Вопросы для самопроверки
1. Как определяется АЧХ одноконтурного резонансного усилителя?
2. Как определяется резонансный коэффициент усиления одноконтурного резонансного усилителя?
3. При каких условиях достигается максимум резонансного коэффициента усиления в резонансном усилителе?
4. Как влияет внутренняя ОС на свойства резонансных усилителей?
Вместе с этой лекцией читают "15 Культура древних локальных цивилизаций".
5. Как определяются условия устойчивой работы резонансных усилителей?
6. Поясните причину искажений АЧХ входного контура резонансного усилителя.
7. На какой частоте и почему следует проверять перестраиваемый резонансный усилитель на устойчивость?
8. Изобразите принципиальную схему резонансного усилителя на биполярном транзисторе с неполным включением контура нагрузки. Назовите назначение элементов.
9. . Изобразите принципиальную схему резонансного усилителя на биполярном транзисторе с неполным включением контура нагрузки. Какой их коэффициентов включения на Вашем рисунке больше? Почему?
10. Поясните, почему АЧХ входного контура (предыдущего резонансного каскада) имеет подъем в области частот ниже резонансной?

























