Преобразователи частоты
Глава 6. Преобразователи частоты.
6.1 Назначение, структурная схема, принцип работы преобразователя частоты
Преобразователь частоты (ПрЧ) служит для переноса спектра радиосигнала из одной области частот в другую без изменения характера модуляции. То есть процесс преобразования линеен относительно сигнала.
На рис. 6.1 изображены эпюры напряжений сигналов на входе и выходе ПрЧ при амплитудной модуляции несущего колебания частоты fс гармоническим сигналом частоты F. На рис. 6.2 показаны соответствующие амплитудные спектры.
Для линейного (относительно сигнала) преобразования частоты в РПрУ используются линейные цепи с периодически меняющимся параметрами. Структурная схема ПрЧ приведена на рис. 6.3 и содержит преобразовательный элемент ПЭ, гетеродин Г и фильтр Ф.

ПЭ может представлять собой как активный так и пассивный элемент (транзистор, диод и т.п.) с нелинейной ВАХ, крутизна которой в разных точках различна и меняется при изменении режима работы (рис. 6.4). Назначение гетеродина – периодически с частотой fг изменять параметры ПЭ для напряжения сигнала (прежде всего крутизну) за счёт изменения режима работы. Линейность по сигналу достигается малым уровнем входного сигнала, при котором любой участок нелинейной ВАХ для сигнала можно считать линейным (с разным значением крутизны). На рис. 6.4 приведён пример квадратичной ВАХ ПЭ. На входе ПЭ действует сумма сигнала и гетеродина, причём Uc<<Uг, а также некоторое начальное смещение Есм. можно считать, что для сигнала под действием напряжения гетеродина периодически с частотой fг меняется режим работы, определяемый точкой покоя на ВАХ с соответствующим значением крутизны. Например, на рис. 6.4 крутизна меняется в пределах от S' до S". На том же рисунке показаны зависимости крутизны S(Uвх) для приведенной квадратичной ВАХ (т.к.
, то S(Uвх) – прямая при i2~u2вх), и S(t) при гармоническом напряжении гетеродина.
Очевидно, что при uг=Uгcoswгt и линейной зависимости крутизны S(Uвх)
S(t)=S0+ S1 coswгt. (6.1)
В реальном случае помимо первой гармоники крутизны появляются высшие, характеризующие её нелинейность. Процесс преобразования удобно пояснить следующим образом.
В первом приближении, не учитывая реакции нагрузки ток на выходе ПЭ i2(t)
S(t)uc(t).
Пусть на входе ПЭ действует сигнал uc(t)=Uccos(wct+jс), где Uc, jс – функции времени, определяемые амплитудной или фазовой модуляциями. Используя зависимость (6.1) и uc(t), для i2(t) получим:
Рекомендуемые материалы
i2(t)
(S0+ S1 coswгt) Uccos(wct+jс)=
=S0Uccos(wct+jс)+ ½ S1Uccos[(wс+wг)t+jс]+ ½ S1Uccos[(wс-wг)t+jс]. (6.2)
Согласно (6.2) ток на выходе ПЭ содержит составляющие трёх частот: частоты сигнала fc, суммарной частоты fc+ fг и разностной fc- fг (или fг- fс, если fг> fс). Очевидно, в общем случае нелинейной крутизны в выражении (6.2) добавились бы составляющие с частотами kwг
wc. Из всех составляющих полезно используется (и выделяется фильтром) только одна, чаще всего с разностной частотой:
I2пол=1/2 S1Uccos[(wс-wг)t+jс] (6.3)
Согласно (6.3) амплитуда полезной составляющей выходного тока (а следовательно, и выходного напряжения Uвых) пропорциональна амплитуде сигнала Uc, а фаза соответствует фазе исходного сигнала jс, то есть при преобразовании законы модуляции, амплитуды и фазы сохраняются. Заметим, что при wс>wг фаза в выходном токе меняется знак, т.е. инверсна фазе входного сигнала.
6.2 Частотная характеристика преобразователя частоты
Под АЧХ преобразователя частоты понимают зависимость его коэффициента передачи от частоты входного сигнала при фиксированной частоте гетеродина. Частота сигнала fc изменяется в широких пределах, а фильтр настроен на определённую частоту fопр. Очевидно, задача заключается в определении частот каналов приёма, которые, взаимодействуя с частотой гетеродина fг или её гармониками k fг (k=0
, преобразуются в промежуточную частоту fпр и проходят на выход ПрЧ через фильтр. С другой стороны, АЧХ подразумевает определение коэффициентов передачи ПрЧ на соответствующих частотах. Проведённый выше анализ позволяет, не приводя строгого решения поставленной задачи получить основные результаты качественно. Действительно, частоты побочных каналов приёма fc, которые при взаимодействии с гетеродином и его гармониками образуют промежуточную частоту настройки фильтра fопр, определяются из условия
Fc=(kfг±fпр). (6.4)
Следовательно, АЧХ будет иметь несколько подъёмов, соответствующих каналам приёма (рис.6.5). Форма АЧХ каждого канала зависит от вида фильтра. Уровень коэффициентов передачи по каналам на резонансных частотах можно оценить, используя выражение (6.2). Например, первое слагаемое i2, соответствующее частоте сигнала fc, соответствует каналу прямого прохождения: fc= fпр., когда сигнал проходит на выход ПрЧ без преобразования (к=0 в выражении 6.4).
Значение резонансного коэффициента передачи канала прямого прохождения К0 определяется постоянной составляющей крутизны S0.
Аналогично, если частота входного сигнала выше или ниже fг на промежуточную, то взаимодействие происходит с первой гармоникой гетеродина (к=1) и согласно третьему слагаемому выражения (6.2) резонансный коэффициент передачи пропорционален половине первой гармонике крутизны
. действительно, напряжение на выходе ПрЧ с учётом коэффициентов включения фильтра m1 и m2:
Uвых=m1m2I2полRэ и
.
Аналогично резонансные коэффициенты передачи по другим каналам приёма
.
Вводя понятие крутизны преобразования:
(k=1¸¥) и Sпр.=S0 при к=0, (6.5) получаем возможность определять резонансные коэффициенты передачи ПрЧ по различным каналам приёма единым выражением, аналогичным выражению для резонансного коэффициента усиления РУ:
,
где Sпр определяется в соответствии с выражением (6.5).
Так как резонансные коэффициенты усиления каналов приёма ПрЧ (как полезного так и побочных) определяются уровнями соответствующих гармоник крутизны, то оптимальный выбор режима работы ПрЧ играет существенное значение. Очевидно, смещение на ПЭ и амплитуду гетеродина Uг необходимо выбрать так, чтобы усиление ПрЧ по основному каналу было наибольшим, а по побочным - наименьшим. Однако основную задачу подавления побочных каналов решает преселектор. На рис. 6.6а представлены отдельно АЧХ преобразователя и преселектора, а на рис. 6.6б – результирующая АЧХ всего радиотракта РПрУ.
Если не выполняется линейный режим работы ПрЧ по сигналу (уровень сигнала превышает допустимое значение), то возникают дополнительные каналы приема за счёт взаимодействия гармоник сигнала с гармониками гетеродина.
В качестве ПЭ обычно используются диоды (в большинстве РПрУ СВЧ диапазона), биполярные и полевые транзисторы, часто ПрЧ входят в состав микросхем.
6.3 Примеры схемных решений преобразователей частоты.

Возможны различные варианты схем подачи напряжения сигнала и гетеродина на ПЭ. На рис. 6.7 приведена схема ПрЧ с отдельным гетеродином на биполярном транзисторе. Напряжение сигнала подаётся в цепь базы, напряжение гетеродина – в цепь эмиттера. Этим достигается хорошая развязка цепей сигнала и гетеродина.
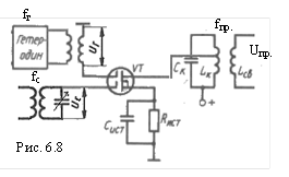
Лучшая развязка между сигнальной и гетеродинной цепью достигается в схеме на двухзатворном полевом транзисторе (рис. 6.8), так как напряжения сигнала и гетеродина подаются на разные затворы.

Схема ПрЧ с совмещенным гетеродином представлена на рис. 6.9. Коллекторный ток транзистора содержит помимо составляющих с частотами
составляющую с частотой fг, которая используется для генерирования колебаний с частотой fг. Для этого предусмотрена индуктивная связь через катушку
с контуром L2C2. Такую схему используют в недорогих приёмниках, так как они имеют низкую стабильность fг.
В большинстве приёмников СВЧ диапазона в качестве ПЭ используются кристаллические диоды, обладающие малой инерционностью и сравнительно малыми шумами. Недостатком их является отсутствие усилительных свойств. Такие ПрЧ применяются и профессиональных РПрУ декаметрового диапазона. Вариант схемы диодного ПрЧ показан на рис. 6.10. В СВЧ приёмниках входной контур выполняют в виде отрезков полосковых или коаксиальных линий или в виде объёмных резонаторов.
Постоянное смещение Е может включаться для оптимизации выбора рабочей точки.
Балансный ПрЧ – соединение двух небалансных ПрЧ. Из двух подводимых к ПЭ напряжений uc и uг одно действует на оба ПЭ синфазно, а другое –противофазно. Напряжение на выходе балансного ПрЧ определяется разностью выходных токов ПЭ. На рис. 6.11 представлена схема диодного балансного ПрЧ с синфазным воздействием на ПЭ напряжения гетеродина и противофазным сигнала. Напряжение на выходе ПрЧ
, где А – коэффициент пропорциональности. При отсутствии входного сигнала на каждый диод подаётся синфазно напряжение uг, следовательно, i1=i2 и uпр=0. При этом на выходе преобразователя отсутствует напряжение, обусловленное шумами гетеродина, а также компенсируется изменение токов i1 и i2 за счёт паразитной модуляции напряжения гетеродина. Кроме того, так как составляющие токов i1 и i2 с частотой гетеродина в половинках вторичной обмотки трансформатора Тр1 протекают в противоположные стороны, то напряжение с частотой fг не просачивается во входную цепь приёмника. При действии напряжения сигнала составляющие токов с промежуточной частотой
,
, следовательно i2пр.= -i1пр. и uпр.=2Аi1пр. Таким образом, напряжение на выходе балансного преобразователя в два раза больше напряжения на выходе небалансного ПрЧ. Как в любой балансной схеме, здесь происходит компенсация всех синфазных помех, а также чётных гармоник токов ПЭ в нагрузке, что приводит к уменьшению числа побочных каналов.
Вопросы для самопроверки
1. За счет чего происходит преобразование частоты?
2. Каково назначение гетеродина в преобразователях частоты?
3. Что такое крутизна преобразования?
4. Каковы условия линейного по сигналу преобразования частоты и к чему приводит нелинейность ПрЧ по сигналу?
Ещё посмотрите лекцию "Морские буровые установки" по этой теме.
5. Что понимается под частотной характеристикой ПрЧ?
6. Какими мерами ослабляется действие помех по побочным каналам приема?
7. Поясните принцип балансного преобразователя частоты. Каковы преимущества балансных ПрЧ?
8. В каких случаях целесообразно использовать диодный ПрЧ?
9. Как влияет выбор режима работы преобразующего элемента на коэффициент передачи (резонансный) преобразователя частоты?
10. Каким требованиям должна удовлетворять АЧХ фильтра на выходе ПрЧ?ППппппп


6.1 Назначение, структурная схема, принцип работы преобразователя частоты



















