Морские буровые установки
Лекция № 4. Морские буровые установки. Самоподъемные буровые установки (СПБУ). Типы опорных колонн.
Плавучие буровые средства классифицируют по способу их установки над скважиной в процессе бурения, разделяя на два основных класса:
1. Опирающиеся при бурении на морское дно (относят плавучие БУ самоподъемного (СПБУ) и погружного (ПУ) типов);
2. Находящиеся при бурении и освоении в плавучем состоянии (полупогружные буровые установки (ППБУ) и буровые суда (БС)).
Самоподъемные плавучие буровые установки (СПБУ) применяют преимущественно в разведочном бурении на морских нефтяных и газовых месторождениях в акваториях с глубинами вод 30—120 м. (рис. 4).
Существует ряд конструкций и типов СПБУ. Их различают по конструкции корпуса, числу и конструкции опорных колонн и подъемных устройств. Ha определение числа опорных колонн влияет ряд факторов: глубина моря, гидрометеорологические условия, способ задавливания опорных колонн в грунт и извлечение их из грунта, морское дно, общая масса поднимаемого корпуса, технологичность и трудоемкость изготовления и др. На больших глубинах возрастают волновые нагрузки на каждую колонну.
В целях обеспечения прочности на изгиб большой длины колонн требуется увеличение ее поперечного сечения.
| |
| Рис. 4 -Общая схема СПБУ |
Рекомендуемые материалы
Поэтому на глубинах более 60 м в установках применяют не более четырех опор со значительным преобладанием установок с тремя опорами и начиная с глубины 90 м используют установки только с тремя опорами.
Установки с цилиндрическими опорами применяют на глубинах до 45 м (примерно 65—70%) и в диапазоне глубин 45—75м — установки с цилиндрическими и ферменными опорами, а на глубинах свыше 75м используют установки только с ферменными опорами. Конструкции ферменных опор проектируют прямоугольной, квадратной и треугольной формы. Наиболее удачная конструкция — опора треугольного сечения. Последняя удачно вписывается в треугольную форму корпуса и имеет относительно меньшее число элементов, подверженных воздействию волн. Нижние концы опор заканчиваются башмаками или общей опорной плитой, связывающей опорные колонны между собой.
Механизмы подъемных устройств применяют механические или гидравлические. В мировой практике предпочтение отдается механическим механизмам подъема. Обусловливается это простотой конструкции (они менее сложны в эксплуатации) и другими факторами. Механические устройства подъема, состоящие из зубчатой рейки, встроенной в конструкцию опор, установлены на корпусе шестеренчатого механизма, шестерня которого находится постоянно в зацеплении с рейкой. Привод механизма осуществляется от электродвигателя с редуктором или гидродвигателя. Имеются подъемные устройства, состоящие из пары ведущих колес, находящихся в зацеплении с двойной зубчатой рейкой. Число пар ведущих колес может быть от двух до шести и более в зависимости от грузоподъемности подъемной системы СПБУ.
Отличительная особенность этих устройств — непрерывный подъем корпуса, при этом исключаются паузы в процессе подъема платформы СПБУ. Подъем и спуск опор могут осуществляться одновременно и раздельно.
Перегон СПБУ на новую точку
Перегон СПБУ на новую точку бурения — весьма ответственная операция. Большинство СПБУ являются несамоходными, и для их буксировки применяют специальные буксирные суда. Различают два вида буксировки СПБУ: короткий перегон (переход) с точки на точку в пределах разведываемой структуры и длительный перегон — буксировка СПБУ на дальние расстояния из одного разведанного района в другой, намечаемый к разведке, или на базу профилактического ремонта и осмотра. (Рис. 5). Коротким обычно считают такой переход, для которого требуется время не более времени гарантированного прогноза погоды (продолжительность примерно до 12 ч). Перегон СПБУ более 12 ч производят при благоприятном прогнозе погодных условий (ветер, волнение и пр.). Допустимые величины ветра и волнения определяются проектом СПБУ.
На СПБУ при движении действуют следующие внешние силы (сопротивления):
1.Буксировочное сопротивление, т. е. сопротивление находящейся в покое жидкости;
2. Сопротивление встречного ветра:
3. Сопротивление, вызванное взаимодействием волн с СПБУ.
Экспериментальными исследованиями установлено, что буксировочное сопротивление составляет 80% общего сопротивления воды и 20% приходится на волновое сопротивление. Незначительную величину составляет сопротивление трения. Буксировочное сопротивление также зависит от скорости буксировки. Воздействие на конструкцию буксировочных и волновых сопротивлений исследуют на моделях в специальных бассейнах, а сопротивления ветра — обдувкой моделей в аэродинамической трубе. Буксировочное сопротивление СПБУ вследствие малой обтекаемости ее корпуса и большой парусности велико. Опасны случаи, когда СПБУ идет против ветра. Поэтому для буксировки применяют мощные буксирные суда.
Перед буксировкой выполняют ряд мероприятий по обеспечению надежности и безопасности перегона установки, в частности подвижный портал и все грузы закрепляются, все палубные отверстия и отверстия, ведущие в подпалубные помещения, должны быть задраены. На СПБУ оставляют минимальный состав команды, который выполняет работы по буксировке и установке на точку СПБУ.
До начала буксировки разрабатывают проект перегона, в котором в зависимости от расстояния, района плавания, достоверности и долгосрочности метеопрогноза указываются скорость буксировки, число и мощность буксиров, схема их расположения и другие мероприятия по осуществлению безопасного перехода. Производятся расчеты на прочность и остойчивость установки с целью определения надежности буксировки. Особое внимание обращают на длину опорных ног. При необходимости, в целях снижения парусности, верхние секции ног снимают. В соответствии с Правилами Регистра СНГ разрывное усилие буксирного троса определяют (в кН) по формуле
, (1)
где
— площадь лобового сопротивления погруженной части СПБУ, м
;
— скорость буксировки, указанная в свидетельстве, узлы.
В мировой практике для транспортирования СПБУ применяют специальные транспортные суда. Например, СПБУ «Горилла 11» массой 18 тыс. т и высотой опорных колонн 154 м транспортировали из Сингапура до Роттердама на судне «Майнти сервант 3» грузоподъемностью 25. тыс. т. с размером палубы 180
140 м.
Установка СПБУ на точке бурения
До установки СПБУ на точке бурения проводят инженерные изыскания грунта морского дна. Порядок и объем инженерных изысканий определяются в соответствии с программами изыскательских организаций и регламентируются действующими инструкциями, методиками и другой нормативно-технической документацией проектных организаций и органов надзора. Определяются глубины воды, течения, лунные и штормовые приливы, величины 10—50 и 100-летних штормовых волн в данном месте установки. Одновременно определяют глубины воды с помощью батиметрической съемки мелкой координатной сетки на площади 1 км2 с центром в точке установки СПБУ. Промерные линии располагают на расстоянии друг от друга не более чем 100 м.
Керн отбирают на глубинах, превышающих глубину предполагаемого проникновения опор в грунт, а мелководную сейсмическую съемку проводят на 50% глубже предполагаемого заглубления опор. Если предполагается, что в месте установки опор могут быть заглубленные трубопроводы или другие предметы, то рекомендуется проведение магнитометрического обзора или другого метода с целью обнаружения металла. Если обнаружатся упомянутые преграды, то фактическое место установки корректируется с целью обеспечения достаточной защиты и соответствующего расстояния от опасного предмета или преграды. После положительных результатов обследования на точке, признанной пригодной для установки СПБУ, устанавливают заякоренный буй.
До подхода СПБУ к точке установки подготавливают якоря, якорные цепи и рейдовые бочки в соответствии с комплектом «А» (два комплекта). Крановое судно с подготовленными комплектами подходит к месту, обозначенному буями, после чего якоря устанавливают так, чтобы СПБУ расположилась в определенном направлении по отношению к преобладающему в данном районе направлению ветра. Во избежание сноса вертолета на препятствия (при вертолетном обслуживании) диаметральная плоскость СПБУ устанавливается под углом 45° к преобладающему направлению ветра.
После установки рейдовых бочек СПБУ подводят на возможно близкое к ним расстояние и удерживают двумя буксирами. Затем разматывают с лебедок СПБУ с помощью вспомогательного судна швартовые тросы и закрепляют их на рейдовых бочках. После этого буксирным судном, соединенным с носовой частью СПБУ, дают натяжение тросам и наматывают на лебедки СПБУ швартовые тросы, фиксируя СПБУ в заданном месте. Затем приступают к спуску опорных колонн. Чтобы сократить время при подходе СПБУ к месту установки, опорные колонны предварительно опускают на глубину, исключающую касание колонн о морское дно при волнении. Во время спуска опорных колонн при достижении морского дна и вдавливании их в грунт осадка СПБУ начинает уменьшаться за счет действия веса СПБУ на опорные колонны. При этом крен (или дифферент) платформы, возникающий за счет неровностей и прочности грунта морского дня, допускается не более 1 —1,5°. При заглублении опорных колонн в грунт и нахождении СПБУ в воде на колонны передается горизонтальная нагрузка от волн, действующих на корпус.
В положении, когда вес опорных колонн полностью воспринимается грунтом, а корпус СПБУ находится на плаву, к этим нагрузкам добавляется нагрузка от ударов захватов о нижние и верхние кромки окон опорных колонн, возникающая от вертикальной качки СПБУ, которая возрастает при увеличении волнения. Поэтому это положение СПБУ необходимо пройти по возможности быстро.
Корпус установки поднимают одновременно всеми подъемниками, устраняя при этом возникающие крен или дифферент. При подъеме корпуса задавливание колонн в грунт ведут в несколько этапов. Первый этап — когда давление в цилиндрах достигнет 25% от давления, соответствующего номинальной нагрузке на колонну,
. Затем два диагонально расположенных подъемника колонн останавливают, а двумя подъемниками корпуса поднимают корпус до тех пор, пока давление в остановленных подъемниках не упадет до нуля, а в работающих поднимется до 45% от
. После этого аналогично задавливают вторую пару опор. Давление в опорных колоннах выравнивают, и подъем корпуса продолжают до тех пор, пока давление в рабочих полостях гидроцилиндров не достигнет 40% от
. После этого производят второй раз задавливание колонн, пока в гидроцилиндрах задавливаемых колонн давление не достигнет 75% от
. Затем давление опять выравнивают, и подъем корпуса продолжают. Следующее задавливание осуществляют при достижении давления 70% от
и т. д.
Подъем производят до тех пор, пока корпус не выйдет из воды и не прекратятся удары волн о днище корпуса. После достижения максимального давления в цилиндрах подъемники останавливают и выдерживают 20—30 мин. Если же при этом давление в подъемниках не изменится, то задавливание опор считают законченным. Затем выравнивают давление в цилиндрах подъемников, поднимают корпус на заданную высоту над уровнем моря, окончательно выравнивают его и закрепляют стопорящими устройствами, разгружая этим гидросистему подъема. Подъем закончен, и СПБУ установлена в рабочее положение.
Особенности эксплуатации СПБУ
В процессе всего срока эксплуатации СПБУ должна обеспечивать безопасность производства работ при строительстве нефтяных и газовых скважин. Эта безопасность обеспечивается живучестью установки, т. е. ее способностью противостоять аварийным повреждениям, возникновению распространению пожаров, взрывов, сохраняя при этом в достаточной мере мореходные качества установки на плаву и эксплуатационные качества ее в рабочем положении при строительстве скважин.
Опасными явлениями при бурении могут быть: образование грифона вблизи работы СПБУ, нефтегазопроявления из бурящейся скважины, просадка опорных колонн в грунт, ледоход.
Образование грифона представляет большую опасность для СПБУ. При появлении грифона за ним организовывается круглосуточное наблюдение, и в случае продвижения грифона к опорным колоннам работу на СПБУ прекращают и вызывают спасательные суда и подготавливают установку к снятию с точки бурения. Корпус приспускают и оставляют над водой на высоте 0,5—2 м (в зависимости от погодных условий). При необходимости корпус переводят в положение «на плаву». Колонны поднимают, и установка дрейфует до подхода судов. Решение о снятии СПБУ принимает начальник установки. При угрожающем положении начальник принимает решение о срочной эвакуации людей с установки спасательными судами или вертолетами. При неуправляемом нефтегазоводопроявлении, если все принятые меры не дали положительных результатов, начальник принимает решение об эвакуации людей с СПБУ.
При появлении крена или дифферента СПБУ бурение прекращают и подъемниками производят выравнивание корпуса с последующим задавливанием колонн в грунт. Весьма опасен момент, когда при просадке одной из опорных колонн СПБУ продолжает стоять на трех колоннах. В этом случае при шторме вся нагрузка будет восприниматься тремя колоннами, что может привести к аварии. Поэтому надо систематически контролировать положение СПБУ (не реже одного раза в неделю к после шторма несущую способность грунта под колоннами). Для этого корпус СПБУ приподнимается на 10—20 мм так, чтобы нагрузка передавалась на цилиндры гидроподъемника, а не через разгрузочные стопорные винты. При равномерной нагрузке давление во всех четырех рабочих полостях цилиндров одинаковое. Если это условие не соблюдается, то колонны задавливают повторно.
|
|
| Рис. 6 -СПБУ с ферменными опорами |
При наличии льда нагрузки на СПБУ от его воздействия устраняют систематическим обкалыванием льда ледоколами вокруг СПБУ. Опасно также обледенение опорных колонн вследствие резкого возрастания на них волновых нагрузок.
Для эвакуации людей на СПБУ имеется расписание тревог. Устанавливается оповещение по системе авральной сигнализации и радиотрансляции, назначаются ответственные лица по проведению каждой операции по эвакуации.
Как указывалось ранее, весьма опасными операциями являются снятие СПБУ с оконченной бурением скважины, перегон и монтаж на новую точку установки. По статистическим данным, значительная часть аварий происходит в упомянутых случаях. В остальном технология и техника строительства скважин существенно не отличаются от строительства скважин на суше.
Технологическое оборудование СПБУ
Опыт производства буровых работ в морских акваториях определил требования, предъявляемые к плавучим буровым установкам, и в частности к СПБУ, которые в основном, в связи со спецификой работ в море, заключаются в:
· высокой производительности буровой установки при строительстве скважины;
· быстром перемещении СПБУ с оконченной бурением скважины на новую точку;
· обеспечении ее мореходности при переходе на незначительные и большие расстояния;
· повышенной опасности работ и, следовательно, обеспечении безопасности производства этих работ;
автономности, т. е. обеспечении достаточными запасами материалов для нормального бурения, а также продуктами, нормальными жилищными условиями обслуживающего персонала и др.
В мировой практике на основании многолетнего опыта классификационными обществами и организациями разработан ряд правил и других, руководящих и нормативных документов, регламентирующих применение общесудового и технологического оборудования и систем, обеспечивающих их безопасность и надежность в работе.
Комплекс технологического оборудования включает:
§ буровое оборудование для бурения скважины;
§ оборудование по приготовлению, подаче, утяжелению, регенерации и хранению бурового раствора и очистке раствора от выбуренной породы;
§ оборудование для приема и хранения порошкообразных материалов для приготовления бурового и цементного растворов;
§ оборудование приготовления и нагнетания в скважину цементного раствора при креплении скважины;
§ оборудование для производства электрометрических и каротажных работ в скважине;
§ подводное устьевое (противовыбросовое) оборудование;
§ оборудование для освоения скважины;
§ вспомогательное оборудование (грузоподъемные краны, тельферы, оборудование малой механизации и др.);
§ оборудование по предотвращению загрязнения моря;
§ системы управления и контроля технологическим процессом строительства скважины.
В соответствии со степенью ответственности и опасности участки производства буровых работ классифицируются по зонам, составляющим в целом район буровой скважины: устье скважины, резервуары с буровым раствором, циркуляционную систему буровых растворов, включая буровые насосы, вибросита, песко- и илоотделители, дегазаторы и другие механизмы.
| |
| Рис.7 .- Подвышечный портал на СПБУ «Бакы» |
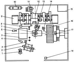
Ниже в качестве примера приведено описание размещения технологического оборудования на СПБУ «Бакы».
На подвышечном портале (рис.7) установлены: буровая вышка (рис.8), механизм крепления неподвижного конца талевого каната 1, вспомогательная лебедка 2, стойка для крепления машинных ключей 3, кассеты для установки УБТ 4, подсвечник 5 для ручной расстановки свечей бурильной колонны, ограничитель подъема талевого блока 6, ротор 7, главный пульт бурильщика 8, электропривод буровой лебедки 9, воздухосборник 10, регулятор подачи долота 11, буровая лебедка ЛБУ-1700 12, ключ АКБ-3М2 13, пневмораскрепитель 14, кабина с КИП 15, магазин автоматической расстановки свечей 16, пульт управления 17 СПО и пульт управления вспомогательной лебедкой 18. На буровой вышке (см. рис. 7) установлены: кронблок 1, балкон механизма переноса свечей 3, механизм захвата и механизм подъема свечей, талевый блок, подвешенный на талевом канате 4, автоматический элеватор и вертлюг 5.
|
|
| Рис. 8 –Вышка СПБУ «Бакы» |
При ручной расстановке свечей вместо талевого блока и автоматического элеватора применяют крюкоблок. Кроме этого, на вышке расположены монтажный блок, подвижный центратор 2, нижний блок, укрытие, подвески машинных ключей и др.
На главной палубе размещена циркуляционная система, включающая блок рабочих емкостей общей вместимостью 120 м3.
На блоках смонтированы: сдвоенное вибросито для очистки бурового раствора производительностью 50—60 л/с, вакуумный дегазатор для дегазации бурового раствора, пескоотделитель, шламовые насосы для подачи воды или раствора в гидросмесители, механические перемешиватели , гидравлические перемешиватели . В зоне обслуживания крана, у вибросит, установлены специальные контейнеры для сбора шлама выбуренной породы и отправки ее на берег.
Под порталом на площадке установлены: противовыбросовое оборудование, включающее два плашечных превентора; универсальный превентор, гидроуправление превенторами и задвижками, манифольд; аварийный (ручной) привод закрытия и открытия плашек превенторов и трубопроводы гидравлического управления. Управление превенторами и задвижками манифольда осуществляется дистанционно с двух пультов: основного, размещенного вне буровой площадки, и вспомогательного, установленного у поста бурильщика. В трюмах размещены: в отсеке запасных емкостей запасные емкости бурового раствора, в насосном отделении — три буровых насоса У87-М2 с электроприводами, два шламовых насоса и насос 9МГР.
Осн.: 3. [ 30-36], 2. [55-63]
Доп.: 7. [922-934],
Контрольные вопросы:
Ещё посмотрите лекцию "Романы Драйзера" по этой теме.
1. Для чего нужны морские буровые установки ?
2. На какие виды делят МБУ?
3. В чем назначение СПБУ и на каких глубинах их применяют?
4. Как производят перегон на новую точку СПБУ?
5. Что включает комплекс технологического оборудования СПБУ?
6. Расскажите преимущества СПБУ. Что установлено на подвышечном портале?


























