Переходные процессы в цепях с одним накопителем энергии
Лекция № 2




5.1. Корни действительные различные


5.2 Корни кратные 
Рекомендуемые материалы

5.3 Корни комплексные 

Сложность классического метода резко возрастает при увеличении числа накопителей в схеме.
Переходные процессы в цепях с одним накопителем энергии.

Для составления характеристического уравнения:









Для описания экспоненты используется понятие – постоянное время τ.
τ – интервал времени, в течение которого свободная составляющая уменьшается по модулю в
раз.
Для определения постоянной времени экспериментально надо:
1. Из графика выразить свободную составляющую
2. Свободную составляющую применить на практике

По опр. 

В качестве окончания переходного процесса считают время, за которое свободная составляющая становится достаточно малой.

1. Разряд ёмкости на сопротивление

1).
< 0




2).



3).
4). 
5).





2. Заряд ёмкости через сопротивление.



1)

Из режима до коммутации рассчитать
невозможно!
Задаёмся 
2).

3).

4) 
5).




Найдём энергию, которая рассеивается на сопротивлении за время переходного процесса.

1. В этом процессе энергия, развиваемая на сопротивлении, от величины сопротивления не зависит.
2. W запасаемая в ёмкости 
Нарисуем эквивалентную схему вычислительной машины:



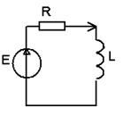
3. Подключение цепи RL к источнику постоянного напряжения


1)

2)


3)
4).

5).





4. Отключение цепи RL от источника постоянного напряжения.

1)

2)


3)

Информация в лекции "15 Порождение индивидами коллективной психики и взаимодействие личности и эгрегоров" поможет Вам.
4) 
5).


Особенности схемы























