- Пневмопривод
ЛЕКЦИЯ №1
Отличительной чертой современного производства является широкое использование в оборудовании высокотехнологичных, однотипных по функциональному назначению и конструкции компонентов общепромышленного применения. В первую очередь, к таким компонентам относятся различного рода приводы и системы.
Системой называют совокупность взаимосвязанных объектов, объединенных единой целью и общим алгоритмом функционирования. Если объектами являются технические устройства, взаимодействие которых осуществляется посредством жидкости или воздуха, то такие системы называют соответственно гидравлическими и пневматическими, или сокращенно гидро- и пневмосистемами. Используемые в них жидкость и сжатый воздух называют рабочей средой (энергоносителем).
В зависимости от функционального назначения гидро- и пневмосистемы делят на системы управления — системы, которые используются для управления различными машинами, и системы, обеспечивающие рабочий процесс в этих объектах (системы смазки, топливные системы, системы охлаждения, тепло- и газоснабжения и т. п.).
Системы управления, в состав которых входит комплекс устройств, предназначенных для получения усилий и перемещений в машинах и механизмах, называют приводами. В зависимости от используемого энергоносителя различают электрические, гидравлические и пневматические приводы.
Область применения того или иного привода определяется путем анализа достоинств и недостатков, присущих каждому из них (табл. 1).
Табл. 1. Сравнение приводов по виду используемой энергии
| Критерий | Электроприводы | Рекомендуемые материалы-51% Общие теоремы динамики Гидравлический расчет гидросистемы стенда для испытания центробежных насосов + задачи Гидравлический расчет гидросистемы наполнения водой из скважины технологических емкостей (13 вариант) Курсовая. Система разгрузки бензина из железнодорожной цистерны Определение аэродинамических характеристик изолированного профиля в дозвуковом плоском потоке FREE И.И. Куколевский, Л.Г. Подвидз - Сборник задач по машиностроительной гидравлике Гидроприводы | Пневмоприводы |
| Затраты на энергоснабжение | Низкие 1 | Высокие 3...5 | Очень высокие 7...10 |
| Передача энергии | На неограниченное расстояние со скоростью света с=300 км/с | На расстояния до 100 м, скорость — до 6 м/с, передача сигналов — до 100 м/с | На расстояния до 1000 м, скорость — до 40 м/с, передача сигналов — до 40 м/с |
| Накопление энергии | Затруднено | Ограничено | Легко осуществимо |
| Линейное перемещение | Затруднительно, дорого, малые усилия | Просто, большие усилия, хорошее регулирование скорости | Просто, небольшие усилия, скорость зависит от нагрузки |
| Вращательное движение | Просто, высокая мощность | Просто, высокий крутящий момент, невысокая частота вращения | Просто, невысокий крутящий момент, высокая частота вращения |
| Рабочая скорость исполнительного механизма | Зависит от конкретных условий | До 0,5 м/с | 1,5 м/с и выше |
| Усилия | Большие усилия, не допускаются перегрузки | Усилия до 3000 кН, защищены от перегрузок | Усилия до 30 кН, защищены от перегрузок |
| Точность позиционирования | +1 мкм и выше | До +1 мкм | До 0,1 мм |
| Жесткость | Высокая (используются механические промежу-точные элементы) | Высокая (гидравлические масла практически несжимаемы) | Низкая (воздух сжимаем) |
| Утечки | Нет | Создают загрязнения | Нет вреда, кроме потерь энергии |
| Влияние окружающей среды | Нечувствительны к изменениям температуры | Чувствительны к изменениям температуры, пожароопасны при наличии утечек | Практически нечувствительны к колебаниям температуры, взрывобезопасны |
Оборудование с пневмоприводами, рабочей средой в которых служит сжатый воздух, характеризуется простотой конструкции, легкостью обслуживания и эксплуатации, высоким быстродействием, надежностью и долговечностью работы, функциональной гибкостью, невысокой стоимостью, а также возможностью работы в агрессивных средах, взрыво-, пожаро- и влагоопасных условиях. Сжатый воздух легко аккумулируется и транспортируется, а его утечки через уплотнения хотя и нежелательны, но не создают опасности для окружающей среды и производимой продукции, что особенно важно для пищевой, парфюмерной, медицинской и электронной промышленности.
От электроприводов пневмоприводы отличаются возможностью воспроизведения линейных и поворотных движений без помощи преобразующих механизмов, большей удельной мощностью, а также сохранением работоспособности при перегрузках. При этом скорость срабатывания и максимальная выходная мощность пневматических исполнительных механизмов, питаемых от промышленных пневмомагистралей, меньше.
По сравнению с гидроприводами преимущества пневмоприводов заключаются в возможности использования централизованного источника сжатого воздуха, отсутствии возвратных линий и коммуникаций, более низких требованиях к герметичности, отсутствии загрязнения окружающей среды, больших скоростях движения выходного звена. Для пневматических приводов характерны простота управления, свобода выбора места установки, малая чувствительность к изменениям температуры окружающей среды.
Вместе с тем пневмоприводам присущи некоторые недостатки, ограничивающие область их применения. Например, в связи с тем, что давление воздуха в централизованных пневмомагистралях, которое составляет 0,4-1,0 МПа (4-10 бар), значительно ниже уровня давлений в гидросистемах - до 60 МПа (600 бар), пневмоприводы имеют значительно меньшую энергоемкость и худшие массогабаритные показатели. Вследствие сжимаемости воздуха становится технически сложно обеспечить плавность перемещения выходных звеньев исполнительных механизмов при колебаниях нагрузки, а также их точный останов в любом промежуточном положении (позиционирование) и реализацию заданного закона движения.
Чтобы понять назначение тех или иных элементов пневмосистем, разобраться в принципах их действия и объединения в общие структуры о введем некоторые обобщающие понятия.
Известно, что все технические процессы подразделяются на:
технологические — производство и обработка материалов;
энергетические — выработка, преобразование и передача различных видов энергии;
информационные — формирование, прием, обработка, хранение и передача информационных потоков.
Исходя из этого, можно сказать, что пневматический привод, как и любой другой, состоит из двух взаимосвязанных основных частей:
силовой, в которой осуществляются энергетические процессы;
управляющей, реализующей информационные процессы
Элементы привода в зависимости от своего функционального назначения относятся к различным его подсистемам. Например, устройства, используемые для производства и подготовки сжатого воздуха (к таковым относятся компрессоры, фильтры, устройства осушки, ресиверы и т. п.), составляют энергообеспечивающую подсистему привода*,
Управление энергией полученного сжатого воздуха, заключающееся в регулировании таких его параметров, как давление и расход, а также в распределении и направлении потоков сжатого воздуха, осуществляется посредством клапанов давления, дросселей, распределителей и других элементов направляющей и регулирующей подсистемы привода.
Полезная работа — выполнение различных рабочих перемещений или создание усилий в машинах, станках и технологических установках — совершается исполнительными механизмами (пневмоцилиндрами, пневмомоторами, захватами и т. п.), составляющими исполнительную подсистему привода.
В простейших приводах функции управления остаются за человеком
Принципиальные пневматические схемы , как правило, строят по вертикали (как и структурные схемы). Направление движения потока энергии (потока сжатого воздуха) на схемах силовой части привода принято снизу вверх.
Осуществление функций управления и контроля всегда связано с необходимостью выполнения целого ряда операций логического и вычислительного характера. Поскольку физиологические возможности человека как управляющей системы ограничены, эффективное использование существующих и разработка новых высокопроизводительных установок возможны лишь при передаче функций управления машинам. Таким образом, задачей автоматического управления является осуществление процесса управления без непосредственного участия человека.
Применяют разомкнутые и замкнутые системы автоматического управления (САУ) . В разомкнутых системах отсутствует контроль состояния управляемого объекта, управляющее воздействие формируется исходя из цели управления и свойств управляемого объекта. В замкнутых же САУ управляющее воздействие производится на основе результата сравнения состояния — текущего или в контрольных точках — объекта управления с заданным (требуемым).
Устройства, входящие в управляющую часть замкнутой системы управления, по своему функциональному назначению делятся на две подсистемы:
информационную (сенсорную);
логико-вычислительную (процессорную).
В информационную подсистему входят различного рода устройства ввода внешних управляющих сигналов, а также датчики и индикаторы.
Назначение логико-вычислительной подсистемы— обработка введенных управляющих сигналов в соответствии с заданной программой и вывод их на устройства управления энергией в силовой части привода.
В зависимости от условий эксплуатации, требований безопасности или степени сложности силовой части привода управляющая часть может быть реализована путем использования пневматических, электрических или электронных средств автоматизации.
В большинстве случаев исполнительные механизмы приводов машин имеют жесткую или кинематическую связь с объектом управления, что позволяет по состоянию их выходных звеньев судить о соответствующем состоянии объекта.
В системах автоматического управления сигналы передаются по замкнутому контуру. При этом реализуется основной принцип построения САУ, который заключается в применении обратной связи, обеспечивающей передачу информации об изменении состояния объекта управления (или,о состоянии исполнительного механизма) в систему управления.
САУ, работающие по такой схеме, классифицируют: типу управления, характеру формирования и виду передаваемых сигналов и т. д. Из всего многообразия пневматических САУ наиболее широко распространены дискретные системы управления, т. е. системы с принудительным пошаговым процессом. В таких системах программа переходит от текущего шага к последующему только по сигналам, поступающим от управляемой системы.
Если управляющая часть пневмопривода реализована не на пневматической элементной базе, то говорят о гибридной САУ. Так, если система управления выполнена на основе электрических релейно-контактных устройств или же функции управления осуществляются промышленным контроллером, то речь пойдет об электропневматической системе управления.
Так как электронные системы управления выгодно отличаются от пневматических по быстродействию, габаритам и простоте перепрограммирования, а собирать информацию в общем случае удобнее посредством электронных датчиков, то для автоматизации различных технологических процессов все более широко применяют электропневматические САУ.
2. Физические основы функционирования пневмосистем
Во всех элементах, приборах и системах пневмоавтоматики рабочей средой чаще всего является предварительно сжатый в компрессоре воздух (в некоторых особых случаях применяют другие газы), который окружает нас в повседневной жизни. Воздух представляет собой газовую смесь, в основном состоящую из двух газов: азота N2 (78,08%) и кислорода О2 (20,95%). В небольших количествах в нем присутствуют инертные газы — аргон Аг, неон Ne, гелий Не, криптон Кг и ксенон Хе — и водород Н2 (0,94%), а также диоксид углерода (углекислый газ) СО2 (0,03%). Помимо этих газов воздух содержит некоторое непостоянное по величине количество водяного пара (влаги).
Работа пневматических элементов основывается на использовании энергии сжатого воздуха, а также физических эффектов, возникающих при его движении. Законы, описывающие эти процессы, подробно изучаются в курсе механики жидкости и газа.
2.1 Основные параметры газа
Давление. Если некоторое внешнее усилие воздействует на какой-либо замкнутый объем воздуха через подвижной элемент, например поршень, то в воздухе создается внутреннее давление, равномерно действующее на все поверхности, ограничивающие этот объем (рис. 2.1). Данное положение следует из закона Паскаля: давление, оказываемое на внешнюю поверхность жидкости (газа), передается всем точкам этой жидкости (газа) и по всем направлениям одинаково.

Рис. 2.1. Иллюстрация действия закона Паскаля
Значение внутреннего давления не зависит от формы объема, занимаемого воздухом, и определяется как результат деления модуля внешней силы на площадь поперечного сечения поршня:
P=F/S
В международной системе единиц СИ единицей измерения давления будет Н/м2. Эта единица носит название паскаль и обозначается Па
Давление может измеряться в различных существующих единицах (см. приложение I.2). Однако на практике следует применять единицу измерения паскаль [Па], а также производные от нее, такие как килопаскаль [кПа], мегапаскаль [МПа] и т. п.; в виде исключения используют бар [бар]:
1 бар = 105 Па = 102 кПа = 0,1 МПа.
Давление атмосферного воздуха на находящиеся в нем предметы и на земную поверхность называют атмосферным давлением и обозначают Ратм. В каждой точке атмосферы атмосферное давление определяется весом вышележащего столба воздуха; с высотой его значение уменьшается. Атмосферное давление может меняться в зависимости от погодных условий и географического положения местности;
В пневматических системах используют, как правило сжатый воздух, абсолютное значение давления Ра6с которого в несколько раз превышает атмосферное давление. Для удобства отсчета уровня давления в технике пользуются понятием избыточного давления.
Избыточным давлением Ризб называют превышение значением абсолютного давления воздуха значения атмосферного давления. Недостаток абсолютного давления относительно атмосферного называют вакууметрическим давлением или просто вакуумом Рвак (рис. 2.2).

Рис. 2.2. Системы отсчета величины давления
Приборы для измерения избыточного давления называют манометрами. За нулевую точку шкалы манометров принимают атмосферное давление.
Для измерения вакуума используют вакуумметры, шкала которых проградуирована от 0 до -1 бар; вакуумная техника позволяет получить разрежение р а6с ~ 10~10 Па (10"5 бар). Приборы, позволяющие измерять и вакуум, и избыточное давление, называют мановакуумметрами. Существуют также манометры для измерения абсолютного давления, но их применяют только в специальных случаях. В теоретических расчетах всегда используют значение абсолютного давления.
Температура. Для измерения температуры существуют различные шкалы (см. приложение I.2), но в настоящее время применяют только две из них — термодинамическую и Международную практическую, градуированные соответственно в Кельвинах (К) и в градусах Цельсия (°С).
В Международной практической шкале 0 и 100°С являются соответственно температурами замерзания и кипения воды (так называемые реперные точки) при давлении 1,013 • 105 Па (1,013 бар).
Во все термо- и газодинамические зависимости входит термодинамическая температура Г, которую отсчитывают от абсолютного нуля температуры, представляющего собой такое ее теоретическое значение, при котором газы не обладают упругостью, а объем их становится равным нулю.
Термодинамическая, или абсолютная, температура Г [К] и температура по Международной практической шкале t [°C] связаны соотношением Т= t + 273,15.
Плотность. Еще одним важнейшим параметром, характеризующим состояние газа, является плотность р [кг/м3] — отношение массы вещества т [кг] к объему F[m3], который эта масса занимает:
P=m/V
Удельный объем. Удельный объем v [м3/кг] — это величина, обратная плотности: v =1/ρ.
2.2 Основные физические свойства газов
Сжимаемость. Свойство газа изменять объем под действием давления называют сжимаемостью. Сжимаемость характеризуется коэффициентом объемного сжатия /3 [Паи], который представляет собой относительное изменение объема, приходящееся на единицу давления:

где Vo — начальный объем, м3;
А V— изменение объема, м3;
Ар — изменение давления, Па.
Знак «минус» в формуле обусловлен тем, что положительному приращению (увеличению) давления соответствует отрицательное приращение (уменьшение) объема V. Величина, обратная коэффициенту /3 , носит название объемного модуля упругости (модуля сжимаемости) К [Па].
Температурное расширение. Температурное расширение характеризуется коэффициентом объемного расширения /Зт [К1], который представляет собой относительное изменение объема при изменении температуры на 1 К:

Вязкость. Свойство жидкостей и газов оказывать сопротивление сдвигу (скольжению) слоев жидкости или газа называют вязкостью. Вязкость — свойство противоположное текучести (степени подвижности частиц жидкости или газа): более вязкие жидкости менее текучие и наоборот. Вязкость может быть охарактеризована коэффициентами динамической вязкости ji и кинематической вязкости v.
Единицей измерения коэффициента динамической вязкости /j., или коэффициента внутреннего трения, является паскаль-секунда [Па-с]. Используется также единица измерения пуаз [П] системы единиц СГС : 1 П = 0,1 Па-с. Единицей коэффициента кинематической вязкости v служит м2/с; применяют также единицу СГС стоке [Ст]: 1 Ст = 1 см2/с = 1СИ м2/с.
Рис. 2.3. Зависимость кинематической вязкости v от температуры
Вязкость зависит от температуры (рис. 2.3), причем характер этой зависимости для жидкостей и газов различен: вязкость жидкостей с увеличением температуры уменьшается, тогда как вязкость газов, наоборот, увеличивается (для воздуха данная зависимость незначительна).

2.3. Основные газовые законы
Состояние газа характеризуется тремя основными параметрами — абсолютным давлением, абсолютной температурой и плотностью (удельным объемом). Взаимосвязь этих параметров газа именуют уравнением состояния. Состояние газа, называемого идеальным, описывается уравнением Клапейрона — Менделеева
Р =pRT,
Где Р —абсолютное давление, Н/м2;
р — плотность, кг/м3;
R — удельная газовая постоянная, Дж/(кг- К); обычно для воздуха R = 287 Дж/(кг- К); Т—абсолютная температура, К.
Идеальным газом называют такой газ, в котором отсутствуют силы взаимодействия между молекулами, считающимися материальными точками, не имеющими объема. Несмотря на то что воздух не является идеальным газом, для большинства газовых процессов, протекающих при давлениях, не превышающих 20 МПа (200 бар), это уравнение остается в достаточной мере справедливым.
Введя в данное уравнение формулу, определяющую плотность через массу и объем, получим соотношение, которое описывает состояние m килограммов идеального газа объемом V:
mR=pV/T
Нетрудно заметить, что для какой-либо постоянной массы газа левая часть уравнения есть величина неизменная (константа):
pV/T=const
Данное уравнение обобщает основные газовые законы: Бойля — Мариотта, Шарля и Гей-Люссака.
Закон Бойля — Мариотта. Если абсолютная температура газа остается постоянной, то произведение абсолютного давления газа на его объем есть также величина постоянная для данной массы газа; иными словами, давление газа обратно пропорционально его объему (рис. 2.4).
T= const p1 V1= p2V2= const

Рис. 2.4. Иллюстрация закона Бойля — Мариотта
Газовые процессы, протекающие при постоянной температуре, называют изотермическими. Если при сжатии газа отсутствует теплообмен с окружающей средой, то такой процесс называют адиабатическим (адиабатным). Для него справедливо уравнение Пуассона
р V = const,
где к— коффициент Пуассона, или коэффициент (показатель) адиабаты (для воздуха к - 1,4).
Закон Шарля. Если замкнутый объем данной массы газа остается постоянным, то отношение абсолютного давления газа к его абсолютной температуре есть также величина постоянная; иными словами, давление газа прямо пропорционально его температуре.
Например, при нагревании газа в замкнутом объеме его давление возрастает, а при охлаждении, наоборот, падает (рис. 2.5).
V = const P1/T1=p2/T2

Рис. 2.5. Иллюстрация закона Шарля
Газовые процессы, протекающие при постоянном объеме, называют изохорическими (изохорными).
Закон Гей-Люссака. Если абсолютное давление газа остается постоянным, то отношение объема данной массы газа к его абсолютной температуре есть также величина постоянная; иными словами, объем прямо пропорционален температуре.
Например, при нагревании газа, находящегося под постоянным давлением, его объем увеличивается, а при охлаждении — уменьшается (рис. 2.6).
р = const V1/T1=V2/T2

Рис. 2.6. Иллюстрация закона Гей-Люссака
Газовые процессы, протекающие при постоянном давлении, называют изобарическими (изобарными)*.
Поскольку параметры газа взаимосвязаны и могут изменяться в широком диапазоне значений, то количества газа находящиеся в различных условиях, с целью их сравнения приводят к так называемым нормальным условиям.
Общепринятыми являются следующие параметры нормальных условий:
физические нормальные условия: давление 1,013.105 Па (1,013 бар), температура 273,15 К (0°С);
технические нормальные условия: давление 1,013.105 Па (1,013 бар), температура 293,15 К (20°С).
2.4. Течение газа
Выше мы рассмотрели такие параметры газа, как давление, температура, плотность, удельный объем. Течение же газа характеризуется еще одним параметром — расходом.
2.4.1. Расход
Расход — величина, определяемая отношением массы (массовый расход) или объема (объемный расход) вещества, равномерно перемещаемого через сечение, перпендикулярное направлению скорости потока, к промежутку времени, за который это перемещение происходит.
В технической литературе объемный расход обозначают латинской буквой Q (или Qv). Определяется объемный расход соотношением
Q=V/t
где Q — объемный расход, м3/с; V— объем, м3; t — время, с.
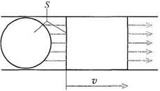
Если речь идет о течении газа, к примеру, по трубопроводу, то объемный расход можно также представить как произведение площади поперечного сечения трубы на среднюю по сечению скорость движения газа в ней (рис. 2.7):
Q =vS,
где v — средняя по сечению скорость потока, м/с;
S — площадь поперечного сечения трубопровода, м2.

Рис. 2.7. Объемный расход
Массовый расход Qm [кг/с], в отличие от объемного, зависит от плотности р [кг/м3] газа и определяется из соотношения
Qm=pvS
Нетрудно заметить, что между объемным и массовым расходами существует следующая зависимость:
Q=Qm/p
В общем случае газ принято рассматривать как сжимаемую вязкую жидкость. Одновременный учет того, что газ представляет собой сжимаемую среду и что при его движении проявляется действие сил трения, значительно затрудняет расчеты. Поэтому на практике во многих случаях прибегают к идеализации процессов движения газа, что упрощает расчеты, не приводя при этом к большим погрешностям.
Чтобы понять суть процессов, происходящих при течении газа, будем рассматривать его как несжимаемую невязкую (идеальную) жидкость.
Исходя из закона сохранения вещества, а также из предположения о сплошности (неразрывности) потока для установившегося течения* несжимаемой жидкости, можно утверждать, что объемный расход через любое сечение одинаков (рис, 2.8).

Рис. 2.8. Расход жидкости при течении по трубе переменного сечения
Это явление описывается уравнением неразрывности
Q1 =S1v1 = S2 v2 = Q2 = const.
Из данного уравнения следует, что в узком сечении трубы поток ускоряется:
v2=v1S1/S2
2.4.2. Уравнение Бернулли
Результаты измерений давления в различных точках потока, движущегося по трубе с переменной площадью поперечного сечения (рис. 2.9), могут показаться, на первый взгляд, парадоксальными: в узком сечении давление меньше, чем в широком. По каким же причинам имеет место данное явление?

Рис. 2.9. Течение жидкости по трубе переменного сечения
Механическая энергия движущейся жидкости может иметь три формы: энергия положения, энергия давления и кинетическая энергия. В процессе движения идеальной жидкости одна форма энергии может превращаться в другую, однако полная удельная энергия жидкости остается неизменной. Математически данное положение описывается уравнением Бернулли
gz1+p1/p+v12/2=gz2+p2/p+v22/2= gz3+p3/p+v32/2
где gz — удельная энергия положения (g - 9,8 м/с2 — ускорение свободного падения); p — удельная энергия давления; v2l 2 — удельная кинетическая энергия.
Таким образом, снижение уровня давления жидкости в узком сечении трубы обусловлено тем, что ускорение потока сопровождается возрастанием его кинетической энергии и, следовательно, уменьшением энергии давления.
В ряде случаев удобно применять форму записи уравнения Бернулли, при которой члены уравнения имеют размерность давления:
gz1+p1+v12/2=gz2+p2+v22/2
где pgz — весовое давление;
p — гидромеханическое давление (или просто давление); pv2/2 — динамическое давление .
В практических расчетах недопустимо пренебрегать потерями энергии по длине трубопровода, а также на местных сопротивлениях. Все реальные жидкости и газы имеют вязкость, и поэтому энергия потока жидкости или газа будет убывать от сечения к сечению по направлению его движения. Потери энергии определяются многими факторами: площадью поперечного сечения и длиной трубопровода, шероховатостью его внутренней поверхности, наличием местных сопротивлений, скоростью и режимом течения, вязкостью (внутренним трением) жидкости или газа.
Уравнение Бернулли для потока реальной (вязкой) жидкости в энергетической форме будет иметь следующий вид:
gz1+p1/p+α1v12/2= gz2+p2/p+α2v22/2+gΣhn
где а— коэффициент Кориолиса, учитывающий неравномерность распределения скоростей по сечению
потока (а/1); gYfrn — суммарные потери энергии (гидравлические потери).
Уравнение Бернулли применимо к потоку сжатого воздуха при условии, что скорость его движения v<a, где а = -JkRT — скорость звука .
2.4.3. Режимы течения
Существует два режима течения жидкостей и газов по трубе: ламинарный и турбулентный (рис. 2.10).
Ламинарный режим Турбулентный режим

Рис. 2.10. Эпюры скоростей при различных режимах течения
Ламинарный режим характеризуется упорядоченным движением (слоями) жидкости или газа, причем скорости внешних слоев меньше, чем внутренних. Когда скорость движения превысит некоторую критическую величину, слои начинают перемешиваться, образуются вихри; течение становится турбулентным, возрастают потери энергии.
При течении жидкости по трубопроводу переход от ламинарного режима к турбулентному наблюдается в тот момент, когда осредненная по сечению трубы скорость движения потока становится равной критической VK.
Как показывает эксперимент, критическая скорость прямо пропорциональна кинематической вязкости v жидкости и обратно пропорциональна внутреннему диаметру Отрубы:
Vкр=kv/d
где к — коэффициент пропорциональности; v — кинематическая вязкость жидкости, м2/с; d— внутренний диаметр трубы, м.
Экспериментально был также подтвержден тот факт, что смена режима течения любой жидкости или газа по трубе любого диаметра имеет место лишь при определенном значении безразмерного коэффициента к. Данный коэффициент называют критическим числом Рейнольдса:
Reкр= Vкрd/v
Для труб круглого сечения ReK ~ 2300.
Число Рейнольдса используют для описания режима течения:
Re= Vd/v=vpd/μ
Значение числа Рейнольдса позволяет судить о характере течения жидкости по трубе: при Re<ReKp наблюдается ламинарный режим, при Re>ReKp — турбулентный.
Таким образом, зная скорость движения потока, вязкость жидкости и внутренний диаметр трубы, можно расчетным путем найти число Рейнольдса и, сравнив его с величиной ReKp, определить режим течения жидкости.
2.4.4. Истечение газа через отверстие
При расчетах пневматических систем необходимо знать зависимости объемного и массового расходов воздуха через отверстие от отношения давлений на входе в отверстие и на выходе из него. Если пренебречь теплообменом газа с окружающей средой и внутренним трением газа, то его течение можно считать изоэнтро-пическим (адиабатическим).
Массовый расход при изоэнтропическом течении рассчитывается по формуле Сен-Венана — Ванцеля

где е— коэффициент расхода отверстия (учитывает сжатие струи при истечении газа;
обычно определяется экспериментально); /— площадь отверстия; n=p1lp0, щер0 — давление на входе (обычно принимаютpQ=const);
р1 — давление на выходе;
к— коэффициент Пуассона (адиабаты), для воздуха к- 1,4; R — удельная газовая постоянная, обычно для воздуха R = 287 Дж/(кг К); То — температура воздуха перед отверстием.
Если на основании данной формулы построить график функции Qm =f(n), то он будет иметь вид, аналогичный характеру пунктирной кривой на рис. 2.11.

Рис. 2.11. Зависимость массового расхода Qm от отношения давлений n=p1lp(j.
Функция Qm =/(л) достигает максимума при критическом значении п = 0,528. Однако экспериментально установлено, что уменьшение давления на выходе (приводящее к уменьшению значения к) сопровождается увеличением массового расхода Qm воздуха только до тех пор, пока скорость потока воздуха не превышает скорость звука — максимально возможной скорости истечения в отсутствие специальных приспособлений. Дальнейшее уменьшение давления на выходе не влияет на массовый расход (сплошная кривая на рис. 2.11).
При значениях 0<я^л" массовый расход подсчитывают по формуле

Процесс истечения газа при к>п называют докритическим (подкритическим), а если отношение давлений n^ji то говорят соответственно о закритическом (надкритическом) или критическом процессе.
Обратите внимание на лекцию "Воспалительные заболевания почек".
Для вычисления объемного расхода следует привести массовый расход к плотности (см. раздел 2.3.1 «Расход»). Поскольку при истечении через отверстие значения плотности воздуха на его входе и выходе различны, т. е. р =f(p), то будут различаться и значения объемного расхода: на входе Qg- QJp0, на выходе gr= Qm 1р1.
Необходимо обратить внимание на следующую особенность течения газов (в частности, сжатого воздуха): объемный расход газов (например, при течении через диафрагму) зависит (в отличие от расхода жидкостей) не только от перепада давления Ар=ро-рг но и от уровня давления на входер0 (рис. 2.12).

Рис. 2.12. Расходно-перепадные характеристики для диафрагмы с площадью поперечного сечения 1 мм2*
Приведенные характеристики показывают, что при перепаде давления Ар = 0,1 МПа (1 бар) и начальном давлении сжатого воздухаро= 1 МПа (10 бар) расход QH при технических нормальных условиях через диафрагму составляет 70 л/мин, а при таком же значении Ар мро= 0,5 МПа (5 бар) — всего 50 л/мин.






















