Структурные схемы, классификация рельсовых цепей
Тема лекции 3
Структурные схемы, классификация рельсовых цепей
Рельсовой цепью называется электрическая цепь, проводниками которой служат рельсовые нити пути. РЦ являются основным элементом всех устройств железнодорожной автоматики и телемеханики: автоблокировки, автоматической локомотивной сигнализации, электрической централизации стрелок и сигналов, диспетчерского контроля движения поездов, автоматической переездной сигнализации и ряда других систем.
В этих системах РЦ выполняют разнообразные и ответственные функции. Они автоматически непрерывно контролируют состояние путевых участков на перегонах и станциях и целостность рельсовых нитей, исключая возможность приема поезда на занятый путь, не позволяют перевести стрелку под составом, а также обеспечивают индикацию контроля свободности или занятости путей и стрелок на аппарате управления; с их помощью передаются кодовые сигналы на локомотив для действия устройств автоматической локомотивной сигнализации, обеспечивается увязка между показаниями светофоров в кодовой автоблокировке; в системах переездной сигнализации они обеспечивают автоматический контроль приближения поездов к переездам и последующий контроль их проследования. РЦ являются основой всех разрабатываемых систем автоматического управления и контроля движения поездов на железнодорожном транспорте, в значительной мере повышая безопасность движения поездов.
Рельсовые цепи впервые были применены в 1872 г., и вот уже в течение более 100 лет продолжается их внедрение на железнодорожном транспорте различных стран. Многочисленные попытки заменить РЦ более совершенными средствами до настоящего времени не дали ожидаемых результатов. Такие устройства нашли лишь ограниченное применение или находятся в стадии разработки и эксплуатационных испытаний.
Трудно или практически невозможно получить в других устройствах такие замечательные свойства РЦ, как надежное и практически безошибочное фиксирование свободности и занятости путевых участков подвижным составом, не оборудованным специальными устройствами, или при следовании его с неисправными устройствами; автоматический контроль целостности рельсовых нитей; автоматическое восстановление нормальной и безопасной работы без специальных запоминающих устройств после отключения и последующего включения источника питания или при замене аппаратуры и оборудования; непрерывная непосредственная связь между поездами и состоянием пути и ряд других преимуществ.
Вместе с тем РЦ имеют ряд недостатков, снижающих их эксплуатационно-техническую эффективность: зависимость их работы от состояния верхнего строения пути (балласта, шпал, рельсов, соединителей и других элементов), климатических условий (наиболее неблагоприятны районы с суровым климатом, а также районы, в которых наблюдаются значительные колебания температуры и влажности); ухудшение шунтового эффекта при загрязненности поверхности рельсов и колесных пар; значительные затраты труда и средств на техническое обслуживание и ряд других недостатков. Поэтому создание новых и совершенствование существующих рельсовых цепей совмещаются с научными исследованиями и разработке устройств, которые могли бы заменить РЦ.
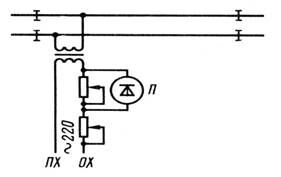
Как всякая электрическая рельсовая цепь, простейшая РЦ постоянного тока с непрерывным питанием (рис. 1) имеет источник питания, в данном случае путевой выпрямитель ВАК-14 (выпрямитель аккумуляторный купроксный), работающий в буферном режиме с аккумулятором АБН-72 (автоблокировочный с намазными пластинами на номинальную емкость 72 А·ч). Источник питания подключают к рельсовым нитям через ограничитель тока— регулируемый резистор Ro. На другом конце цепи к рельсовым нитям подключен путевой приемник - нейтральное путевое реле П. Смежные рельсовые цепи разделяются одна от другой изолирующими стыками ИС. При свободности цепи через обмотку путевого реле протекает ток; якорь реле притянут, а его общие и фронтовые контакты замкнуты. Эти контакты используются в цепях управления и контроля (автоблокировки, электрической централизации, переездной сигнализации и в других устройствах).
Рекомендуемые материалы

Рис. 1. Схема рельсовой цепи постоянного тока
При вступлении на РЦ подвижного состава увеличивается ток источника питания за счет замыкания его через колесные пары, имеющие низкое электрическое сопротивление. Возрастание тока вызывает увеличение падения напряжения на ограничителе (при нахождении поезда на питающем конце практически все напряжение источника падает на резисторе Ro); резко уменьшается падение напряжения на обмотке путевого реле, оно отпускает якорь, замыкаются тыловые контакты реле, контролируется занятость рельсовой цепи.
Снижение тока (напряжения) в обмотках реле под действием колесных пар называется шунтовым эффектом, а колесные пары в данном случае называются поездным шунтом. В электрическое сопротивление поездного шунта входит сопротивление самих колесных пар и переходное сопротивление между бандажами колес и рельсами. Для железных дорог СНГ нормативное значение сопротивления поездного шунта принято 0,06 Ом. Такое сопротивление может иметь одна колесная пара у легкой подвижной единицы вместе с переходным сопротивлением между бандажами и чистыми головками рельсов.
Шунтовой эффект в РЦ в значительной мере обеспечивается ограничивающим резистором Rо. При его отсутствии в случае большой мощности источника питания под воздействием поездного шунта произошло бы лишь возрастание тока источника, а напряжение на рельсах (значит, и на зажимах путевого реле) практически не изменилось бы, и реле могло остаться возбужденным. Таким образом, основным назначением ограничителя является обеспечение шунтового эффекта РЦ. Одновременно он снижает ток при нахождении поезда на питающем конце, защищая источник от разрушения. В РЦ постоянного тока ограничитель используют, кроме того, для регулировки РЦ. Наличие ограничителя является обязательным. В РЦ переменного тока в качестве ограничителя можно применять реактор (индуктивное сопротивление) или конденсатор (емкостное сопротивление).
Путевое реле фиксирует не только занятость РЦ ее подвижным составом, но и целостность рельсовых нитей пути. В случае полного излома рельса нарушается цепь питания путевого реле, оно отпускает якорь, фиксируя неисправность рельсовой нити. Свойство РЦ контролировать исправность рельсовых нитей называется чувствительностью к излому (повреждению) рельса.
Основные требования к РЦ и порядок их работы определены Правилами технической эксплуатации железных дорог Казахстана (ПТЭ) при изложении требований к устройствам автоблокировки, электрической централизации и другим системам, в которых применяются РЦ. При автоблокировке все светофоры должны автоматически закрываться с входом поезда на ограждаемые ими блок-участки, а также в случае нарушения целости РЦ этих участков.
На станциях, расположенных на линиях, оборудованных автоматической или полуавтоматической блокировкой, с помощью РЦ должна исключаться возможность открытия сигнала при установке маршрута на занятый путь и обеспечиваться контроль занятости путей и стрелочных секций на аппарате управления. На станциях с электрической централизацией РЦ, кроме того, исключают возможность перевода стрелки под подвижным составом.
В системе автоматической переездной сигнализации, в том числе и при автоматических шлагбаумах, с помощью РЦ обеспечивается подача сигнала остановки в сторону автомобильной дороги, а в системе автоматической оповестительной сигнализации — сигнала оповещения о приближении поезда за время, необходимое для заблаговременного освобождения переезда транспортными средствами до подхода поезда к переезду. Автоматические шлагбаумы остаются в закрытом положении, а автоматическая сигнализация продолжает действовать до полного освобождения переезда поездом, что фиксируется с помощью РЦ.
По принципу действия РЦ подразделяются на нормально замкнутые и нормально разомкнутые. Нормальным принято считать состояние, когда РЦ свободна от подвижного состава. В нормально замкнутой РЦ (рис. 1) при свободном ее состоянии путевое реле находится под током, контролируя свободность и исправность всех ее элементов, а с занятием РЦ подвижным составом путевое реле отпускает якорь, фиксируя ее занятость. Контроль исправности всех элементов в рабочем состоянии является важнейшим и замечательным свойством нормально замкнутых РЦ, благодаря которому они получили преимущественное распространение. При всех неисправностях в такой цепи (обрыв цепи, короткое замыкание, выключение источника питания) повреждение приводит к отпусканию якоря путевого реле, и не возникает положений, опасных для движения поездов.
В нормально разомкнутой РЦ (рис. 2) источник питания и путевое реле размещают на одном конце. Путевое реле при свободности РЦ не возбуждено и не контролирует исправность ее элементов, поэтому РЦ применяют лишь на путях сортировочных горок, где движение осуществляется с низкими скоростями, пути находятся под постоянным наблюдением работников горки, а по условиям работы горок требуется быстрая фиксация занятости РЦ, так как время срабатывания путевого реле значительно меньше времени отпускания.

Рис. 2. Схема нормально разомкнутой рельсовой цепи
По роду сигнального тока различают рельсовые цепи постоянного и переменного тока. РЦ постоянного тока применяют только на линиях с автономной тягой, если нет систематических помех от посторонних источников постоянного и переменного тока (электрического транспорта, систем централизованного электроснабжения вагонов пассажирских поездов, блуждающих токов и др.). Расстояние до конца подвески контактной сети смежных электрифицированных линий должно быть не менее 5 км. РЦ постоянного тока наиболее просты по устройству, однако из-за указанных выше ограничений их нельзя признать перспективными, при новом проектировании и строительстве устройств автоматики их не применяют.
РЦ переменного тока получили более широкое распространение. Их применяют на электрифицированных линиях и при автономной тяге. Существует большое разнообразие РЦ переменного тока, отличающихся частотой сигнального тока, структурой построения, конструктивными элементами, наличием или отсутствием изолирующих стыков и другими параметрами. Источниками питания РЦ переменного тока служат трансформаторы, преобразователи и генераторы различных типов. При электротяге постоянного тока широко используют ток промышленной частоты (50 Гц). Источником питания в этом случае является путевой трансформатор.
На линиях с электротягой переменного тока частота сигнального тока должна отличаться от частоты тягового тока (50 Гц). На этих линиях применяют сигнальный ток частотой 25 Гц.
Разработаны и внедряются РЦ переменного тока с частотой сигнального тока 100-500 Гц, которые можно применять при любом виде тяги поездов. К РЦ переменного тока относятся также так называемые тональные рельсовые цепи, в которых используются частоты тонального спектра.
По режиму питания различают рельсовые цепи непрерывного питания, импульсные и кодовые. Применение импульсного или кодового питания позволяет повысить чувствительность РЦ к шунту и повреждению рельса. Однако это преимущество достигается только в случае использования в качестве путевого приемника электромагнитных реле. При применении других пороговых элементов высокая чувствительность к шунту и повреждению рельса может быть достигнута и в РЦ с непрерывным питанием. Например, при использовании в качестве порогового элемента триггера, срабатывающего от каждой полуволны переменного тока, может быть получен коэффициент возврата, близкий к единице (в импульсных РЦ Кв≈0,8). Известны и другие пороговые элементы, позволяющие получить высокий коэффициент возврата при непрерывном питании РЦ.
При импульсном или кодовом режиме питания достигается более высокая защита от помех, в первую очередь от непрерывных помех тягового тока. Однако, кроме непрерывных, наблюдается сильное воздействие импульсных помех тягового тока в случаях: включения и выключения тяговых двигателей; перераспределения тягового тока вследствие непрерывного изменения переходных контактов между колесами и рельсами; кратковременного размыкания и искрения токоприемника. Особенно сильное воздействие импульсных помех наблюдается при возникновении на рельсах различных непроводящих пленок, а также использовании песка для увеличения сцепления колес с рельсами.
Непрерывные РЦ обладают более высокой защитой от импульсных помех, так как путевые реле непрерывных рельсовых цепей более инерционны и не реагируют на кратковременные импульсные помехи. Кроме того, в РЦ с непрерывным питанием эффективная защита от импульсных помех может быть получена за счет искусственного замедления на срабатывание путевого приемника, например, при использовании повторителя путевого реле с замедлением на срабатывание 0,5-1 с (длительность импульсов помех, как правило, не превышает 0,1 с).
Применить такую защиту в импульсных РЦ не представляется возможным, так как в этом случае нарушится нормальная работа дешифратора импульсной или кодовой РЦ. Импульсные РЦ менее надежны в условиях эксплуатации из-за механического износа контактов импульсного путевого реле и дешифратора. Они требуют частого осмотра и проверки аппаратуры, что связано с большими затратами труда и средств при техническом обслуживании устройств, поэтому наметилась тенденция к переходу на непрерывные РЦ.
При новом проектировании и строительстве на станциях применяют непрерывные РЦ переменного тока с фазочувствительными реле ДСШ. РЦ с непрерывным питанием применены в частотной автоблокировке, в системе автоблокировки с РЦ без изолирующих стыков и централизованным размещением аппаратуры.
В кодовых РЦ сигналы, передаваемые по рельсовой линии, при свободной РЦ используют для работы путевого реле, а при вступлении поезда — для работы автоматической локомотивной сигнализации. Кроме кодовых применяют также кодированные РЦ. Нормально по ним передается непрерывный ток для работы путевого реле, а с момента занятости поездом - кодовые сигналы АЛС.
По типу путевого приемника различают рельсовые цепи с одноэлементными и двухэлементными путевыми приемниками. Приемники обоих типов должны иметь непрерывный вход и дискретный выход. Сигнал на входе может изменяться непрерывно (по амплитуде, фазе и частоте) вследствие изменения изоляции РЦ под воздействием колесных пар или при повреждении рельса. На выходе путевой приемник должен выдавать двоичную дискретную информацию: рельсовая цепь свободна и исправна (1), рельсовая цепь занята подвижным составом или повреждена (0). В первом случае путевое реле возбуждено и замкнуты его фронтовые, контакты, во втором случае реле отпускает якорь, замыкая тыловые контакты.
Одноэлементные путевые приемники имеют только один вход, на который поступает сигнал из РЦ. Такой приемник реагирует только на амплитуду или на амплитуду и частоту принимаемого сигнала (при наличии электрического фильтра в приемнике).
Двухэлементные путевые приемники имеют два входа. На один из них поступает сигнал из рельсовой цепи (путевой элемент), на другой—от местного источника (местный элемент).
В двухэлементных фазочувствительных приемниках (реле типа ДСШ) между сигналами, подаваемыми на путевой и местный элементы, должны быть определенные фазовые соотношения (сдвиг фаз между токами путевого и местного элементов 90°). Такой приемник реагирует на амплитуду, частоту и фазу сигнала, принимаемого из РЦ. При напряжении ниже напряжения отпускания или отклонении фазы на некоторый угол путевой приемник фиксирует занятость или неисправность РЦ.
В двухэлементных гетеродинных приемниках сигнал, принимаемый из РЦ, и сигнал, поступающий от местного генератора (гетеродина), отличаются один от другого по частоте (обычно разностная частота составляет несколько герц). Например, из РЦ поступает сигнал 75 Гц, а от местного генератора— 83 Гц (этот генератор используют одновременно для питания смежной рельсовой цепи). Наличие разностной частоты 8 Гц является условием возбуждения путевого приемника; приемник фиксирует занятость или неисправность рельсовой цепи при уменьшении амплитуды сигнала РЦ ниже порога срабатывания или отклонении частоты более нормированного допуска (±1 Гц).
По способу пропускания обратного тягового тока рельсовые цепи подразделяются на однониточные и двухниточные. В однониточных РЦ (рис. 3, а) тяговый ток пропускается по одной рельсовой нити. Однониточные рельсовые цепи просты по устройству, однако обладают рядом недостатков: они неприемлемы при наложении АЛС вследствие сильного влияния помех при пропуске тягового тока по одной рельсовой нити; тяговые нити смежных путей объединяются медными тросами в нескольких точках, что ухудшает условия шунтового и особенно контрольного режима (режима повреждения рельса). Поэтому однониточные РЦ применяют только на некодируемых путях станций при длине рельсовой цепи до 650 м и условии обеспечения пропуска тягового тока не менее чем по шести параллельным рельсовым нитям на двухпутных линиях и по трем - на однопутных.
Вам также может быть полезна лекция "ТЕМА - Установление связи между показателями".

Рис. 3. Схемы пропуска тягового тока в однониточной и двухниточной
рельсовых цепях
В остальных случаях на станциях, а также в пределах перегонов применяют двухниточные РЦ (рис.3, б), в которых тяговый ток пропускается по обеим рельсовым нитям, а для пропуска обратного тока в обход изолирующих стыков для создания непрерывности цепи тяговому току используют дроссель-трансформаторы. Симметричное распределение тягового тока по обеим рельсовым нитям создает хорошие условия для действия АЛС, так как напряжения помех, наводимые в каждой из катушек, взаимно компенсируются. Помехи компенсируются и на обмотке дроссель-трансформатора, так как через каждую его полуобмотку будут протекать равные, но противоположно направленные токи помех.
Поэтому условия защиты аппаратуры от воздействия тягового тока в двухниточных РЦ лучше, чем в однониточных.
По месту применения рельсовые цепи подразделяются на неразветвленные и разветвленные. Последние применяют при изоляции стрелочных участков станций. Разветвленные РЦ могут иметь несколько путевых приемников (путевых реле) для контроля свободности и исправности ответвлений. В схему контроля последовательно включают фронтовые контакты всех путевых реле разветвленной цепи.

























