Для студентов МГТУ им. Н.Э.Баумана по предмету Подъёмно-транспортные машины (ПТМ)курсовой проект ПТМ Задание ПТМ 14-08.00.00курсовой проект ПТМ Задание ПТМ 14-08.00.00
4,0554
2021-04-222021-04-22СтудИзба
Курсовая работа 14: курсовой проект ПТМ Задание ПТМ 14-08.00.00 вариант 8
Описание
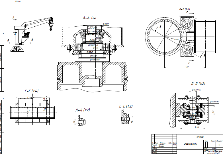
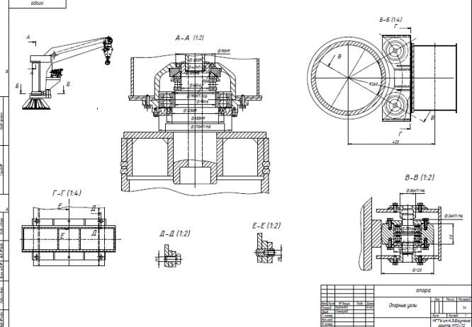
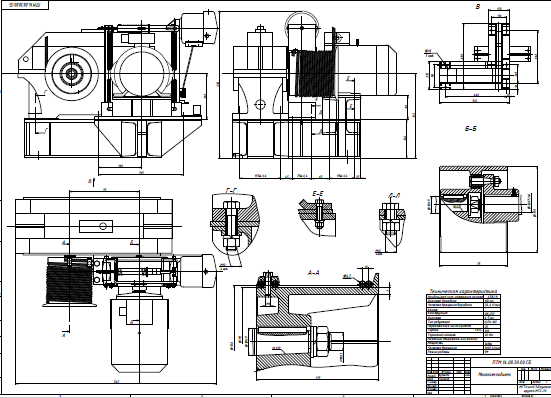
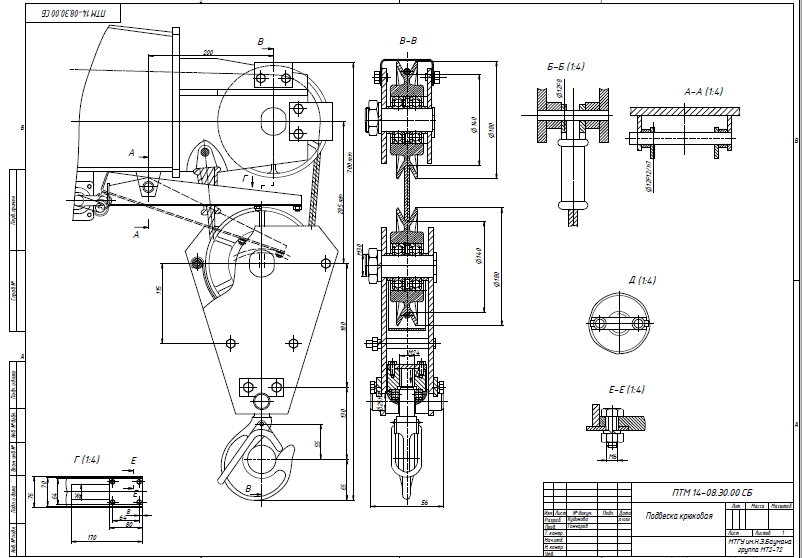
Есть исходники, рпз, спецификация, пдф. Листы - общий вид, механизм подъема, опорные узлы, крюковая подвеска. Чертежи выполнены в инвенторе.
![]()

Характеристики курсовой работы
Учебное заведение
Семестр
Номер задания
Вариант
Просмотров
99
Размер
20,25 Mb
Список файлов
птм_курсач
Кудинова_Исходники
OldVersions
Кудинова_мех.под.0043.dwg
общий_вид.0060.idw
опора.0099.idw
опорные узлы.0101.idw
Кудинова_ спецификация.xls
Кудинова_мех.под.dwg
РПЗ_Кудинова В.А. МТ2-72.docx
общий_вид.idw
опорные узлы.idw
подвеска_крюковая.idw
Кудинова_пдф
1. Общийвид.pdf
2. Кудинова_мех.под.pdf
3. Кудинова_опорные узлы.pdf
4. Кудинова_подвеска_крюковая.pdf
5. РПЗ.pdf
6. Кудинова_ спецификация.pdf
МГТУ им. Н.Э.Баумана


















