Схемы увязки РПБ ГТСС с релейной централизацией стрелок и сигналов
Схемы увязки РПБ ГТСС с релейной централизацией стрелок и сигналов. Назначение, устройство, неисправности
и методы их устранения.
2004 г.
РПБ на однопутном перегоне
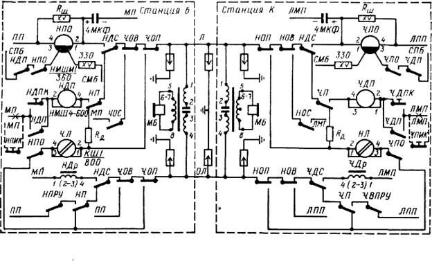
На каждую горловину станций, ограничивающих однопутный перегон (рис. 1), предусмотрены кнопки, которыми пользуются при приеме поездов.
Кнопки четной горловины станции К имеют следующее назначение: ЧДСК — дача согласия, ЧОСК — отмена согласия, ЧДПК — дача прибытия, ЧПИК — искусственное прибытие. Все кнопки двухпозиционные, с пружинным возвратом. Кнопка ЧПИК пломбируется. Вместо пломбируемой кнопки ЧПИК часто применяют кнопку с механическим счетчиком нажатий.

Рис. 1. Размещение кнопок и лампочек РПБ на пульте для однопутного перегона
Лампочки в четной горловине станции К указывают: НПС (зеленая) — получено согласие станции Б на отправление со станции К нечетного поезда; НПО (красная) — перегон занят отправленным со станции К нечетным поездом, загорается с момента открытия выходного светофора; ЧДС (белая) —дежурный станции К дал согласие на отправление со станции Б четного поезда; ЧПП (красная) —со станции Б отправлен на станцию К четный поезд; ПЧВП (белая) — прибывающим четным или отправленным нечетным поездом занят участок между предупредительным и входным светофорами; ЧП — загорается при проследовании поезда с перегона за выходной светофор станции К; указывает дежурному о необходимости послать на станцию Б сигнал о прибытии поезда.
Рекомендуемые материалы
Лампочку ЧП размещают около кнопки «Дача прибытия» ПЧВП — на оси главного пути, а остальные — рядом с главным путем.

Рис. 2. Линейная схема РПБ для однопутного участка
Кроме кнопок и лампочек для перегонов, оборудованных РПБ, на пульте устанавливают ключи-жезлы для хозяйственных поездов, а при необходимости и ключ-жезл для толкачей. Аналогичное назначение имеют кнопки и лампочки нечетной горловины станции Б.
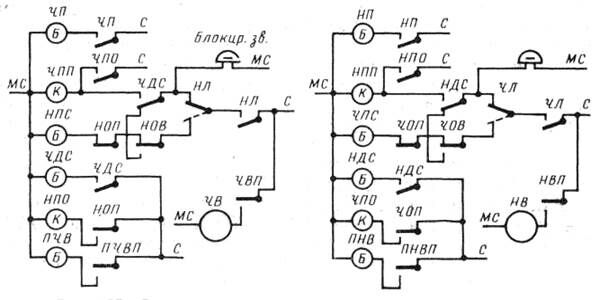
В линейную схему РПБ (рис. 2) со стороны, примыкающей к четной горловине станции К, включают реле: НЛ — нечетное линейное; ЧДП — дачи прибытия четным поездам; ЧПО — путевого отправления. С противоположной стороны линейной схемы, примыкающей к нечетной горловине станции Б, соответственно включены реле ЧЛ, НДП и НПО.

Кроме того, в местных схемах станции К включены следующие реле, имеющие непосредственную связь с РПБ: НОС — сигнальное реле отправления (рис. 3); ОЧС — обратный повторитель сигнальных реле приема и отправления; НОВ — вспомогательное реле отправления (рис. 4); НОП — противоповторное реле (рис. 5); ЧДС — реле дачи согласия; ЧП и ЧПВ — реле прибытия и вспомогательное реле прибытия; ПЧВП и ОПЧВП —путевое реле участка приближения и его обратный повторитель.

Рис. 3. Схемы включения сигнального реле отправления и его обратного

Рис. 4. Схема вспомогательного реле отправления, реле дачи согласия и реле ключа-жезла четной стороны станции для однопутного перегона

Рис. 5. Схемы противоповторного реле и реле дачи согласия
Нормально все реле линейной схемы находятся без тока. Если дежурному по станции К требуется отправить поезд на станцию Б, он запрашивает на это согласие дежурного по станции Б. Последний нажимает кнопку дачи согласия НДСК.
Через контакт кнопки возбуждается реле НДС с проверкой того, что реле ЧЛ и НПО находятся без тока, а реле ЧОП возбуждено. Своим контактом реле НДС шунтирует контакт кнопки НДСК и включает лампочку дачи согласия НДС (рис. 6). После этого дежурный может отпустить кнопку НДСК. Фронтовые контакты реле НДС включают в линейную цепь питания со стороны станции Б (см. рис. 2).

Рис. 6. Схемы лампочек пульта для однопутного перегона
В реле НЛ с линейного провода Л поступает плюс, а с провода ОЛ — минус. Реле НЛ возбуждается током обратной полярности, притягивая нейтральный и перебрасывая поляризованный якорь. На пульте станции К загорается лампочка НПС, указывающая на получение согласия. Включенное в линейную цепь реле НПО не притягивает якорь, так как ток для его возбуждения недостаточен. В схеме сигнального реле отправления станции К контакты реле НЛ подготовляют цепь реле НОС.
За дежурным станции Б сохраняется право вернуть согласие нажатием кнопки НОСК, пока на станции К не открыт выходной сигнал. Дежурный на станции К нажатием кнопки НОУСК возбуждает сигнальное реле НОС, включая на выходном светофоре зеленый огонь.
Работа схем реле НОВ, НОП, а также переключение с цепи возбуждения на цепь самоблокировки реле НОС остаются такими же, как и для двухпутного участка. В цепи питания реле НОС (см. рис. 3) дополнительно включен контакт обратного повторителя сигнальных реле приема и отправления. Это реле необходимо в основном для схемы сигнального реле приема.
Работа линейной схемы протекает следующим порядком. При возбуждении реле НОС отпустит якорь реле НОВ (см. рис. 4). На пульте станции К гаснет зеленая лампочка НПС (см. рис. 6). Тыловые контакты реле НОВ отключают (см. рис. 2) реле НЛ и подключают в линейную цепь источник питания станции К. Ток в реле НПО станции Б возрастает, и оно притягивает якорь. Фронтовой контакт НПО включает на пульте станции Б красную лампочку НПП и блокировочный звонок, а тыловым контактом выключает реле дачи согласия НДС (см. рис. 5). Лампочка НДС (см. рис. 6) гаснет.
Вам также может быть полезна лекция "Основы безопасности туристской деятельности".
Выдержав замедление, на станции К отпустит якорь реле НОП (см. рис. 5), выключенное контактом реле НОВ. На пульте станции К загорится красная лампочка НПО.
При приеме поезда на станцию Б схема работает так же, как ранее рассмотренная схема для приема с двухпутного перегона. После того как срабатывают (см. рис. 2) реле прибытия НП и НПВ, на пульте включается белая лампочка НП и дежурный по станции Б нажимает кнопку прибытия НДПК. В реле НЛ поступает импульс тока — минус с провода Л, плюс с провода ОЛ. Реле НЛ притягивает нейтральный якорь и перебрасывает поляризованный. Через его контакты звонит блокировочный звонок, возбуждается и встает на самоблокировку реле НОВ (см. рис. 4). Последовательно с линейным реле на станции Б возбуждается реле НДП и выключает местную обмотку реле НПО, последнее выключает реле НПВ и НП. Лампочка НПП гаснет.
После возбуждения на станции К противоповторного реле НОП линейная цепь размыкается, реле НЛ и НДП отпускают якоря. На станции К гаснет лампочка НПО, на станции Б — лампочка НДП. Вся схема приходит в исходное состояние.
Если вместо пломбируемой кнопки искусственного прибытия применяется кнопка со счетчиком, то для правильной регистрации нажатий необходимо, чтобы каждый раз кнопка приходила в исходное положение. Для проверки этого нормально замкнутый контакт кнопки вводят в линейную цепь дачи прибытия.
Список используемой литературы:
П.К. Ветлистов «Схемы релейной централизации малых станций» Москва. Транспорт. 1974 г.






















