Курсовая работа: Тепловой расчет котельного агрегата Е-75
Описание
Оглавление
1.Тепловая схема котельного агрегата. 7
1.1.Выбор основных параметров котельного агрегата. 8
2. Расчет объемов продуктов сгорания. 10
3. Расчёт энтальпий воздуха и продуктов сгорания. 11
4. Тепловой баланс котельного агрегата. 13
5. Поверочный расчёт топочной камеры.. 15
6. Поверочный расчет фестона. 19
7. Распределение тепловосприятий. 22
7.1. По пароводянному тракту. 22
8.Сведение теплового баланса котельного агрегата. 26
9. Температурный график котельного агрегата. 27
10.Конструктивный расчёт конвективных пароперегревателей. 28
10.1. Конструктивный расчёт вторичного пароперегревателя (ВПП) 29
10.2. Конструктивный расчёт конвективного пароперегревателя (КПП) 32
11.Конструктивный расчет водяного экономайзера. 35
12.Конструктивный расчёт трубчатого воздухоподогревателя. 38
Список использованных источников. 48
Реферат
Пояснительная записка содержит 48 листов, 11 таблиц, 16 рисунков, 1 график, 2 чертежа формата А3.
КОТЕЛЬНЫЙ АГРЕГАТ, ПАРОПЕРЕГРЕВАТЕЛЬ, ФЕСТОН, ТОПОЧНАЯ КАМЕРА, ЭКОНОМАЙЗЕР, ВОЗДУХОПОДОГРЕВАТЕЛЬ, УХОДЯЩИЕ ГАЗЫ, ПАРОВОДЯНОЙ ТРАКТ, ТЕМПЕРАТУРНЫЙ НАПОР, ГАЗОВЫЙ ТРАКТ, ТЕПЛОВОЙ БАЛАНС, ТЕПЛОВОСПРИЯТИЕ.
Цель работы: произвести тепловой расчет котельного агрегата. Объектом исследования является котел Е-75. В ходе выполнения данной работы был произведен расчет топки, конструкторский расчет конвективных поверхностей нагрева: конвективного и вторичного пароперегревателей, трубчатого воздухоподогревателя и водяного экономайзера.
Введение
Паровой котел – это основной агрегат тепловой электростанции (ТЭС). Рабочим телом в нем для получения пара является вода, а теплоносителем служат продукты горения различных органических топлив.
Необходимая тепловая мощность парового котла определяется его паропроизводительностью при обеспечении установленных температуры и рабочего давления перегретого пара. При этом в топке котла сжигается расчетное количество топлива.
Номинальной паропроизводительностью называется наибольшая производительность по пару, которую котельный агрегат должен обеспечить в длительной эксплуатации при номинальных параметрах пара и питательной воды, с допускаемыми по ГОСТ отклонениями от этих величин.
Номинальное давление пара – наибольшее давление пара, которое должно обеспечиваться непосредственно за пароперегревателем котла.
Номинальные температуры пара высокого давления (свежего пара) и пара промежуточного перегрева (вторично-перегретого пара) – температуры пара, которые должны обеспечиваться непосредственно за пароперегревателем, с допускаемыми по ГОСТ отклонениями при поддержании номинальных давлений пара, температуры питательной воды и паропроизводительности.
Номинальная температура питательной воды – температура воды перед входом в экономайзер, принятая при проектировании котла для обеспечения номинальной паропроизводительности.
При изменении нагрузки котла номинальные температуры пара (свежего и вторично-перегретого) и, как правило, давление должны сохраняться (в заданном диапазоне нагрузок), а остальные параметры будут изменяться.
Котел Е-75 предназначен для получения пара высокого давления при сжигании природного газа или мазута и рассчитан на следующие параметры пара: Т п/п – 440 °C, Р п/п – 3,9 Мпа, D-75 т/ч. Котел имеет П-образную компоновку. Котел имеет 1 барабан с естественной циркуляцией.
Технические характеристики котла Е-75:
Производительность котла (номинальная), т/час – 75;
Температура перегретого пара, °C – 440;
Расчетный КПД, мазут/газ, % – 90%.
Котёл Е-75 имеет одноступенчатую схему испарения. Сепарационные устройства ступени испарения размещены в барабане.
Топочную камеру котла Е-75 образуют экраны - фронтовой, задний и боковые. Каждый из боковых экранов топки состоит из двух блоков по глубине топки. Каждый из этих блоков состоит из плоской мембранной панели, приваренной к коллекторам.
На фронтовой стене котла Е-75 устанавливаются 4 горелок.
Фронтовой экран топки образует фронтовую стенку, половину пода и часть потолка. Под закрыт шамотным кирпичом.
На вертикальном участке фронтового экрана имеются разводки для горелок.
Задний экран топки образует заднюю стенку топки, являющуюся общей с опускным газоходом, половину пола топки, пол горизонтального газохода, двухрядный фестон и часть потолка горизонтального газохода.
Трубы фронтового и заднего экранов в нижней части топочной камеры образуют холодную воронку. В верхней части трубы заднего экрана разведены в четырехрядный фестон. Экраны разделены на 12 самостоятельных циркуляционных контуров по числу блоков топочной камеры.
Котёл Е-75 комплектуется газомазутными горелками, обеспечивающими сжигание природного газа и мазута. Конструктивно горелка выполнена двухпоточной, с регулируемыми реверсивными тангенциальными завихрителями и паромеханическими форсунками. На горелке предусмотрена установка фотодатчика, лючка для ручного розжига, гляделки и запального устройства.
Водяной экономайзер котла Е-75 расположен под первой ступенью пароперегревателя. По высоте шахты экономайзер разделен на две части с ремонтными проемами.
Котёл оборудован трубопроводом аварийного слива, линиями отборов проб, трубопроводом непрерывной и периодической продувки, дренажной линией с установкой соответствующей арматуры.
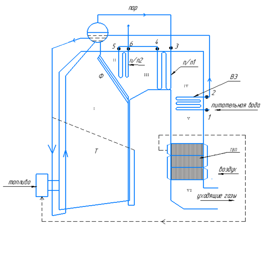
1. Тепловая схема котельного агрегата
На рисунке 1 представлен общий вид парового котла и его основные элементы.

Рисунок 1- Общий вид и элементы парового котла:
Т – топка; Ф – фестон; П/П2 (ВПП) – вторичный пароперегреватель;
П/П1 (КПП) – конвективный пароперегреватель;
ВЭ – водяной экономайзер; ТВП – воздухоподогреватель;
(I – VI) – точки состояния газа по газовому тракту.
(1-6) – точки состояния воды (пара) по пароводяному тракту.
1.1. Выбор основных параметров котельного агрегата
Паропроизводительность - Dпе = 19 кг/с;
Давление перегретого пара - Pпе = 4,4 МПа;
Температура перегретого пара - tпе = 410 °C;
Температура питательной воды - tпв = 140 °C;
Продувка - Рпр = 3%;
Газопровод: Промысловка-Астрахань.
СГТУ им. Гагарина
all_at_700
















