Для студентов ПензГТУ по предмету Теоретические основы электротехники (ТОЭ)Исследование неразветвленной электрической цепи постоянного токаИсследование неразветвленной электрической цепи постоянного тока
5,0053286
2025-04-222025-04-22СтудИзба
Лабораторная работа: Исследование неразветвленной электрической цепи постоянного тока
Описание
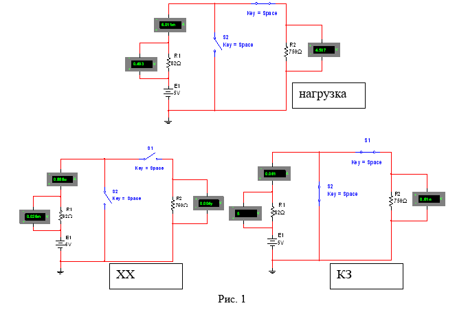
Цель работы: теоретический расчёт, экспериментальное исследование и моделирование неразветвленной электрической цепи постоянного тока.
Исходные данные:
![]()
Исходные данные:


Характеристики лабораторной работы
Учебное заведение
Просмотров
1
Качество
Идеальное компьютерное
Размер
52,85 Kb
Список файлов
labalatornaya_rabota_1_kosach_r_a_gruppa_23mt1bzi_16768179.docx

Если нужен другой вариант работы или отдельная задача из любой работы, пишите в комментарии