Для студентов ПензГТУ по предмету Теоретические основы электротехники (ТОЭ)Анализ последовательной RLC-цепи синусоидального токаАнализ последовательной RLC-цепи синусоидального тока
5,0053289
2025-04-222025-04-22СтудИзба
Лабораторная работа: Анализ последовательной RLC-цепи синусоидального тока
Описание
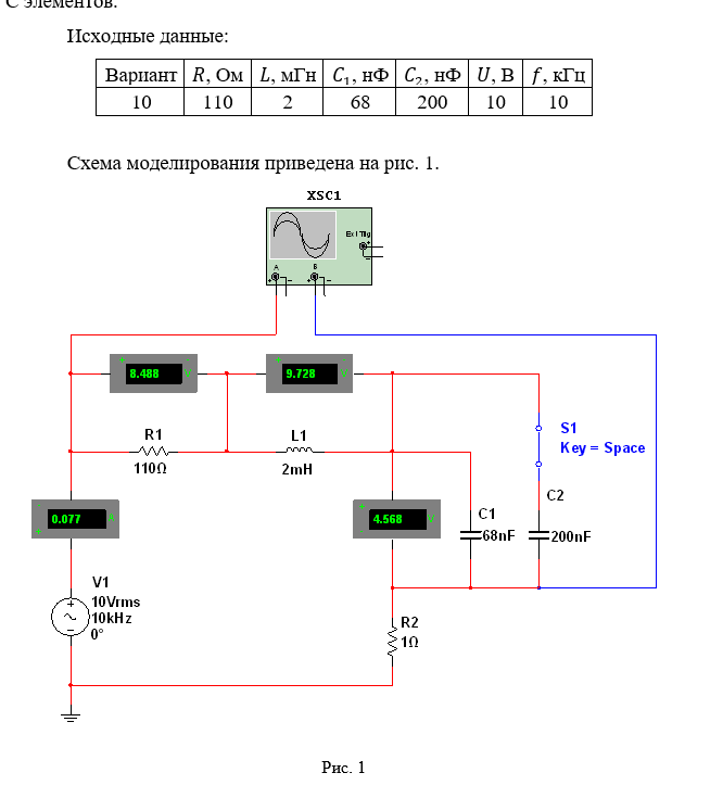
Цель работы: теоретический расчёт, экспериментальное исследование и моделирование электрической цепи из последовательно соединённых R, L и C элементов.
![]()

Характеристики лабораторной работы
Учебное заведение
Просмотров
1
Качество
Идеальное компьютерное
Размер
141,49 Kb
Список файлов
labalatornaya_rabota_2_kosach_r_a_gruppa_23mt1bzi_1_16768180.docx

Если нужен другой вариант работы или отдельная задача из любой работы, пишите в комментарии