Для студентов ИрНИТУ по предмету Теоретические основы электротехники (ТОЭ)Исследование линейных электрических цепейИсследование линейных электрических цепей
5,0053272
2025-06-212025-06-21СтудИзба
Курсовая работа: Исследование линейных электрических цепей
Описание
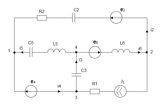
1. Расчет электрических цепей при постоянном воздействии Начертить схему электрической цепи с обозначением узлов и элементов ветвей. Для заданной схемы составить и решить уравнения по законам Кирхгофа, методом контурных токов и методом узловых потенциалов для определения токов в ветвях. Составить баланс мощностей. Определить ток I1 методом эквивалентного генератора. Построить потенциальную диаграмму для любого замкнутого контура, включающего обе э.д.с.
2. Расчет электрических цепей при гармоническом воздействии Начертить схему электрической цепи с обозначением узлов и элементов ветвей. На основании законов Кирхгофа составить в общем виде систему уравнений для расчета токов во всех ветвях цепи, записав ее в двух формах: а) дифференциальной; б) символической. Определить комплексы действующих значений токов во всех ветвях. Записать выражение для мгновенных значений тока и напряжения для одного из элементов первой или второй ветви. Построить графические зависимости указанных величин от ωt. Составить баланс активных и реактивных мощностей. Построить векторную диаграмму токов и совмещенную с ней топографическую диаграмму напряжений.
3. Расчет переходных процессов при подключении цепи к источнику постоянного напряжения Рассчитать переходный процесс с помощью: 1. Классического метода расчета. 2. Операторного метода расчета. Построить график изменения искомой величины в функции времени.
Содержание
Введение....................................................................................................................... 5
1 Расчет электрических цепей при постоянном воздействии ............................. 6
1.1 Теоретическая часть ....................................................................................... 6
1.1.1 Основные законы, используемые при расчете электрических цепей. 6
1.1.2 Баланс мощностей в электрических цепях ............................................ 8
1.1.3 Методы преобразования электрических цепей..................................... 8
1.1.4 Методы расчета сложных электрических цепей................................... 8
1.2 Практическая часть ...................................................................................... 12
1.2.1 Метод непосредственного применения законов Кирхгофа............... 13
1.2.2 Метод контурных токов......................................................................... 14
1.2.3 Метод узловых потенциалов................................................................. 15
1.2.4 Метод эквивалентного генератора ....................................................... 17
1.2.5 Баланс мощностей.................................................................................. 19
1.2.6 Потенциальная диаграмма .................................................................... 20
2 Расчет электрических цепей при гармоническом воздействии ..................... 21
2.1 Теоретическая часть ..................................................................................... 21
2.1.1 Основные параметры синусоидального тока ...................................... 21
2.1.2 Символический метод анализа электрических цепей ........................ 23
2.1.3 Комплексные сопротивление................................................................ 24
2.1.4 Мощность в цепях синусоидального тока........................................... 25
2.1.5 Топографические диаграммы................................................................ 25
2.2 Практическая часть ...................................................................................... 26
2.2.1 Система уравнений по законам Кирхгофа........................................... 27
2.2.2 Определение комплексов действующих значений токов во всех ветвях методом узловых потенциалов.............................................................. 28
2.2.3 Выражение для мгновенных значений тока и напряжения на С2 ..... 31
2.2.4 Графические зависимости iC2 и uC2 от ωt .......................................... 31
2.2.5 Баланс полных комплексных мощностей............................................ 33
2.2.6 Векторная диаграмма токов и совмещенная с ней топографическая
диаграмма напряжений ...................................................................................... 34
3 Расчет переходных процессов при подключении цепи к источнику
постоянного напряжения.......................................................................................... 36
3.1 Теоретическая часть ..................................................................................... 36
3.1.1 Понятие переходных процессов. Законы коммутации....................... 36
3.1.2 Классический метод расчета переходных процессов......................... 37
3.1.3 Операторный метод расчета переходных процессов ......................... 39
3.2 Практическая часть ...................................................................................... 40
3.2.1 Классически метод расчета ................................................................... 41
3.2.2 Операторный метод расчета.................................................................. 44
3.2.3 График изменения искомой величины в функции времени .............. 47
Заключение ................................................................................................................ 48
Список использованных источников ...................................................................... 49
Приложение А ........................................................................................................... 50
Приложение Б............................................................................................................ 51
Приложение В............................................................................................................ 52
Приложение Г............................................................................................................ 53
Приложение Д............................................................................................................ 54
Приложение Е............................................................................................................ 55
Приложение Ж........................................................................................................... 56
Приложение И ........................................................................................................... 57
Приложение К............................................................................................................ 58

2. Расчет электрических цепей при гармоническом воздействии Начертить схему электрической цепи с обозначением узлов и элементов ветвей. На основании законов Кирхгофа составить в общем виде систему уравнений для расчета токов во всех ветвях цепи, записав ее в двух формах: а) дифференциальной; б) символической. Определить комплексы действующих значений токов во всех ветвях. Записать выражение для мгновенных значений тока и напряжения для одного из элементов первой или второй ветви. Построить графические зависимости указанных величин от ωt. Составить баланс активных и реактивных мощностей. Построить векторную диаграмму токов и совмещенную с ней топографическую диаграмму напряжений.


3. Расчет переходных процессов при подключении цепи к источнику постоянного напряжения Рассчитать переходный процесс с помощью: 1. Классического метода расчета. 2. Операторного метода расчета. Построить график изменения искомой величины в функции времени.

Содержание
Введение....................................................................................................................... 5
1 Расчет электрических цепей при постоянном воздействии ............................. 6
1.1 Теоретическая часть ....................................................................................... 6
1.1.1 Основные законы, используемые при расчете электрических цепей. 6
1.1.2 Баланс мощностей в электрических цепях ............................................ 8
1.1.3 Методы преобразования электрических цепей..................................... 8
1.1.4 Методы расчета сложных электрических цепей................................... 8
1.2 Практическая часть ...................................................................................... 12
1.2.1 Метод непосредственного применения законов Кирхгофа............... 13
1.2.2 Метод контурных токов......................................................................... 14
1.2.3 Метод узловых потенциалов................................................................. 15
1.2.4 Метод эквивалентного генератора ....................................................... 17
1.2.5 Баланс мощностей.................................................................................. 19
1.2.6 Потенциальная диаграмма .................................................................... 20
2 Расчет электрических цепей при гармоническом воздействии ..................... 21
2.1 Теоретическая часть ..................................................................................... 21
2.1.1 Основные параметры синусоидального тока ...................................... 21
2.1.2 Символический метод анализа электрических цепей ........................ 23
2.1.3 Комплексные сопротивление................................................................ 24
2.1.4 Мощность в цепях синусоидального тока........................................... 25
2.1.5 Топографические диаграммы................................................................ 25
2.2 Практическая часть ...................................................................................... 26
2.2.1 Система уравнений по законам Кирхгофа........................................... 27
2.2.2 Определение комплексов действующих значений токов во всех ветвях методом узловых потенциалов.............................................................. 28
2.2.3 Выражение для мгновенных значений тока и напряжения на С2 ..... 31
2.2.4 Графические зависимости iC2 и uC2 от ωt .......................................... 31
2.2.5 Баланс полных комплексных мощностей............................................ 33
2.2.6 Векторная диаграмма токов и совмещенная с ней топографическая
диаграмма напряжений ...................................................................................... 34
3 Расчет переходных процессов при подключении цепи к источнику
постоянного напряжения.......................................................................................... 36
3.1 Теоретическая часть ..................................................................................... 36
3.1.1 Понятие переходных процессов. Законы коммутации....................... 36
3.1.2 Классический метод расчета переходных процессов......................... 37
3.1.3 Операторный метод расчета переходных процессов ......................... 39
3.2 Практическая часть ...................................................................................... 40
3.2.1 Классически метод расчета ................................................................... 41
3.2.2 Операторный метод расчета.................................................................. 44
3.2.3 График изменения искомой величины в функции времени .............. 47
Заключение ................................................................................................................ 48
Список использованных источников ...................................................................... 49
Приложение А ........................................................................................................... 50
Приложение Б............................................................................................................ 51
Приложение В............................................................................................................ 52
Приложение Г............................................................................................................ 53
Приложение Д............................................................................................................ 54
Приложение Е............................................................................................................ 55
Приложение Ж........................................................................................................... 56
Приложение И ........................................................................................................... 57
Приложение К............................................................................................................ 58
Характеристики курсовой работы
Учебное заведение
Просмотров
1
Качество
Идеальное компьютерное
Размер
1,15 Mb
Список файлов
primer_vypolnenia_kursovoi_774_raboty_3a25d890d1c3ddf8e38c85e30d242867.pdf

Если нужен другой вариант работы или отдельная задача из любой работы, пишите в комментарии