Для студентов МФПУ «Синергия» по предмету Теоретические основы электротехники (ТОЭ)Теоретические основы электротехникиТеоретические основы электротехники
5,00510409
2025-10-192025-10-19СтудИзба
Ответы к экзамену: Теоретические основы электротехники
-22%
Описание
Перед покупкой сверьте список вопросов и убедитесь, что вам нужны ответы именно на эти вопросы!
С вопросами и вы можете ознакомиться ДО покупки.
Для быстрого поиска вопроса используйте Ctrl+F.
С вопросами и вы можете ознакомиться ДО покупки.
Для быстрого поиска вопроса используйте Ctrl+F.
Список вопросов
Какому состоянию соответствует операторная схема замещения?
Входное напряжение uвх(t) (рисунок ниже) содержит постоянную составляющую, первую и третью гармоники. Емкость C1 через ω и L3, чтобы в нагрузку Rн проходила неизменной только первая гармоника, а остальные отсутствовали будет равна...
![]()

Удовлетворяющую равенству f(t)=f(-t) или f(ωt)=f(-ωt) кривую называют…
k-фильтром называется …
Y- форму целесообразно использовать…
Входное напряжение uвх(t) (рисунок ниже) содержит постоянную составляющую, первую и третью гармоники. Емкость C3 через ω и L3, чтобы в нагрузку Rн проходила неизменной только первая гармоника, а остальные отсутствовали будет равна ...
![]()

Коэффициент передачи по напряжению четырехполюсника с согласованной нагрузкой на входе, обозначают …
Как записывается закон изменения тока i1(t), при одинаковых действительных отрицательных корнях характеристического уравнения?
![]()

Сила тока I в схеме на рисунке ниже будет равна…
![]()

Какое уравнение соответствует свободной составляющей напряжения uCсв(t), При одинаковых действительных отрицательных корнях характеристического уравнения?
![]()

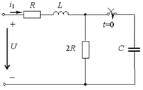
Как изменится время переходного процесса при уменьшении сопротивления R в 3 раза?
![]()

Как будет изменятся напряжение uC(t)?
![]()

Исходя из приведенного рисунка, фильтры относятся к типу…
![]()

Основываясь на приведенном рисунке, определите тип четырехполюсника.
![]()

Основываясь на приведенном рисунке, определите тип четырехполюсника.
![]()

Необходимым и достаточным для наличия у четырехполюсника полосы пропускания, является следующее условие - …
Исходя из приведенного рисунка, фильтр относится к типу…
![]()

На рисунке изображена функция f(t)=(-U_0+U_m cosωt)>0, (U_m>U_0). Она имеет вид положительных косинусоидальных импульсов. Угол отсечки α=arccos(U_m⁄U_0 ). Формулу для амплитуды k-гармоники ряда Фурье будет иметь вид...
![]()

Какая схема размещена на рисунке?
![]()

Какое значение покажет амперметр при u(t)=30-40√2 sin(ωt) В и R = 10 Ом?
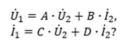
Форма записи уравнений пассивного четырехполюсника, представленная ниже, называется …
![]()

Н- форму целесообразно использовать …
Множитель e^(-a) в уравнении U ̇_2=U ̇_1∙e^(-a)∙e^(-j∙b)…
Чему равно показание вольтметра, регистрирующее действующее значение?
![]()

Z- форму целесообразно использовать…
На зажимах 2 — 2' (ZH2=∞) коэффициент передачи четырехполюсника по току равен нулю, означает, что условия соответствуют следующему режиму …
На зажимах 2 — 2' (ZH2=0) коэффициент передачи по напряжению равен нулю, означает, что условия соответствуют следующему режиму …
Метод анализа переходных процессов в линейных цепях, представляющий собой упорядоченный способ определения электромагнитного состояния цепи на основе решения системы дифференциальных уравнений первого прядка, записанных в нормальной форме (форме Коши), называется …
На приведенном рисунке направление токов на схеме соответствует …
![]()

На рисунке изображена функция f(t)=(-U_0+U_m cosωt)>0, (U_m>U_0). Она имеет вид положительных косинусоидальных импульсов. Угол отсечки α=arccos(U_m⁄U_0 ). Формула для постоянной составляющей будет иметь вид…
![]()

Метод анализа переходных процессов в линейных цепях, основанный на преобразовании Фурье и находящий широкое применение при решении задач синтеза, называется …
Метод анализа переходных процессов в линейных цепях, заключающийся в решении системы алгебраических уравнений относительно изображений искомых переменных с последующим переходом от найденных изображений к оригиналам, называется …
Основываясь на приведенном рисунке, определите тип четырехполюсника.
![]()

Ток в мостовой схеме выпрямителя однофазного тока в момент времени tk будет проходить…
![]()

A- форму целесообразно использовать
Чему равны значения фазных токов?
![]()

Чему равен коэффициент напряжения k для кривой напряжения? u(t)=3+√2 sin(ωt)+√12 sin(3ωt) ?
Часть схемы произвольной конфигурации с двумя парами зажимов (входными и выходными) – это …
Характеристическими сопротивлениями называют пару сопротивлений …
Установите соответствие между названиями и характеристиками фильтров.
A. Низкочастотные
B. Высокочастотные
C. Полосовые
D. Заграждающие
E. это такие четырехполюсники, которые беспрепятственно пропускают частоты от нуля до некоторой частоты среза ωср
F. это такие четырехполюсники, которые пропускают частоты от частоты среза ωср до бесконечности
G. это такие четырехполюсники, которые пропускают частоты от частоты ω1 до частоты ω2, а остальные частоты не пропускают
H. это четырехполюсники, противоположные полосовым, т.е. частоты от частоты ω1 до частоты ω2 не пропускают, а все остальные пропускают
A. Низкочастотные
B. Высокочастотные
C. Полосовые
D. Заграждающие
E. это такие четырехполюсники, которые беспрепятственно пропускают частоты от нуля до некоторой частоты среза ωср
F. это такие четырехполюсники, которые пропускают частоты от частоты среза ωср до бесконечности
G. это такие четырехполюсники, которые пропускают частоты от частоты ω1 до частоты ω2, а остальные частоты не пропускают
H. это четырехполюсники, противоположные полосовым, т.е. частоты от частоты ω1 до частоты ω2 не пропускают, а все остальные пропускают
Удовлетворяющую равенству f(t)=-f(-t) или f(ωt)=-f(-ωt) кривую называют…
Удовлетворяющую равенству f(t)=-(t+T/2) или f(ωt)=-f(ωt+π) кривую называют…
У неавтономного проходного четырехполюсник в общем случае количество независимых характеристических параметров составляет …
Нелинейность катушки индуктивности обусловлена…
Расположите в правильной последовательности действия алгоритма определения вида звена фильтра заданной структуры.
качественно построить графики функций x_1 (ω) и 〖4∙x〗_2 (ω), и 〖-4∙x〗_2 (ω)
определить частоту среза
определить положение полосы пропускания
построить график a(ω)
качественно построить графики функций x_1 (ω) и 〖4∙x〗_2 (ω), и 〖-4∙x〗_2 (ω)
определить частоту среза
определить положение полосы пропускания
построить график a(ω)
Приведенная вольтамперная характеристика соответствует…
![]()

Под частотой среза понимают …
Периодическая несинусоидальная ЭДС в общем случае может быть представлена…
Основываясь на приведенном рисунке, определите тип четырехполюсника.
![]()

Четырехполюсники можно классифицировать на следующие виды - …
Основываясь на приведенном рисунке, определите тип четырехполюсника.
![]()

Нелинейные свойства конденсатора обусловлены…
Вольтамперные характеристики нелинейных элементов заменяют ломаной, состоящей из отрезков прямых при расчете…
Для определения границ полосы прозрачности и характера изменения угла b в этой полосе (полосах) затухания, используют следующие уравнения - …
Для взаимного четырехполюсника НЕ справедлива запись …
Диапазон частот, пропускаемых фильтром с затуханием, называется …
Диапазон частот, пропускаемых фильтром без затухания, называется …
Действующее значение тока i=5(1-0,8sin100t)sin1000t? будет равно …
Двумя комплексными числами: Г_1=-ln√(K_21 (jω)∙G_21 (jω) ) и Г_2=-ln√(K_12 (jω)∙G_12 (jω) ) обозначают …
Выберите верные утверждения.
Выберите верное утверждение.
Для фильтра, который пропускает колебания без затухания, то есть для полосы прозрачности, верно следующее выражение - …
Вольтамперные характеристики нелинейных элементов заменяют ломаной, состоящей из отрезков прямых при расчете …
Величину K_21p (jω) называют …
В трехфазной цепи при соединении по схеме «звезда – звезда с нейтральным проводом» ток в нейтральном проводе …
В основе работы электрических фильтров лежат следующие положения - …
В нелинейных инерционных элементах нелинейность ВАХ обусловлена…
В какой последовательности выполняется поиск решения для цепей первого и второго порядка?
из анализа цепи после коммутации определяют принужденную составляющую режима
исследуя основные и неосновные начальные условия, находят постоянные интегрирования
находят корни характеристического уравнения
из анализа цепи после коммутации определяют принужденную составляющую режима
исследуя основные и неосновные начальные условия, находят постоянные интегрирования
находят корни характеристического уравнения
Буква А, поставленная внутри прямоугольника, изображающего четырехполюсник, обозначает, что четырехполюсник …
G- форму целесообразно использовать …
Исходя из приведенного рисунка, L = 10 мГн, С = 10 мкФ, полоса прозрачности = …
![]()

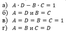
Коэффициенты для четырехполюсников, удовлетворяющих условию взаимности, связаны следующим образом - …
![]()

Коэффициент передачи по току четырехполюсника с согласованной нагрузкой на выходе, обозначают …
Коэффициент передачи по току четырехполюсника с согласованной нагрузкой на входе, обозначают …
Коэффициент передачи по напряжению четырехполюсника с согласованной нагрузкой на выходе, обозначают …
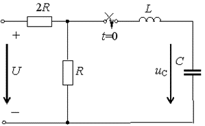
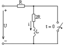
Как изменяется время переходного процесса, при уменьшении индуктивности L в 4 раза?
![]()

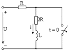
Как будет изменяться ток i?
![]()

Как будет изменятся напряжение uC для незаряженного конденсатора?
![]()

Как будет выглядеть уравнение для свободной составляющей тока iсв(t) разряда конденсатора, при одинаковых действительных отрицательных корнях характеристического уравнения?
![]()

Коэффициенты передачи по току и по напряжению в прямом и обратном включениях будут иметь одинаковые значения K_21 (jω)=G_21 (jω)=K_12 (jω)=G_12 (jω) …
Исходя из приведенного рисунка, L = 10 мГн, С = 10 мкФ, полоса прозрачности = …
![]()

Исходя из приведенного рисунка, фильтры относятся к типу…
Исходя из приведенного рисунка, фильтр относится к типу…
![]()

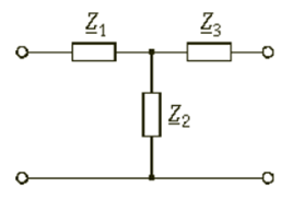
Исходя из приведенного рисунка, обозначения сопротивлений в Т-схеме …
![]()

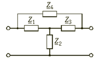
Исходя из приведенного рисунка, обозначения сопротивлений в П-схеме...
![]()

Если при электроснабжении трехфазного симметричного приемника, соединенного «звездой», произошел обрыв нулевого провода, то напряжение в фазе «с» приемника будет…
Если к цепи, содержащей два последовательно соединенных одинаковых нелинейных элемента, приложено напряжение 250 В, то при заданной вольтамперной характеристике каждого элемента ток будет равен…
![]()

Если в трёхфазной цепи отключить фазу «а» нагрузки, то значения токов IB и IC будут соответственно равны …
![]()

Характеристики ответов (шпаргалок) к экзамену

❓ Как копировать вопросы во время теста в Синергии?
МФПУ «Синергия»
shalenysh


















