Для студентов ИжГТУ по предмету Теоретические основы электротехники (ТОЭ)Расчет характеристик цепейРасчет характеристик цепей
5,0053309
2025-04-232025-04-23СтудИзба
Курсовая работа: Расчет характеристик цепей
Описание

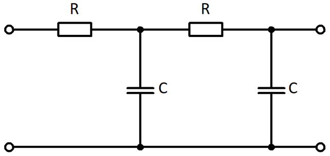
Номиналы элементов цепи варианта 3 задания 5 следующие:
R , кОм | С , пФ |
5000 | 6000 |
Содержание
Введение……………………………………………………………………………...3
1. Задание на курсовую работу……………………………………………….............5
2. Расчет комплексной частотной характеристики (КЧХ)…………………………6
3. Расчет амплитудно-частотной характеристики (АЧХ)…………………............8
4. Расчет фазо-частотной характеристики (ФЧХ)………………………………...11
5. Расчет переходной характеристики цепи………………………………………13
Заключение………………………………………………………………….............18
Список литературы…………………………………………………………………19
Характеристики курсовой работы
Учебное заведение
Просмотров
3
Качество
Идеальное компьютерное
Размер
204,46 Kb
Список файлов
kursovik_toe.docx

Если нужен другой вариант работы или отдельная задача из любой работы, пишите в комментарии