Ответы к тесту/контрольной: Теоретические основы электротехники 1

Новинка

Описание

Ответы на курс Теоретические основы электротехники 1 Росдистант

Список вопросов

К трехфазной цепи приложена симметричная система линейных напряжений. В, r = 32 Ом, x = 72 Ом. Определите показание амперметра
В симметричной трехфазной цепи линейное напряжение U = 100 В. После обрыва линейного провода А показания вольтметра электродинамической системы равны … В
В симметричной трехфазной цепи линейное напряжение U = 50 В. После обрыва линейного провода В показания вольтметра электродинамической системы равны … В.
Если В, I = 2 А, то показания ваттметра составят … Вт.
К трехфазной цепи приложена симметричная система линейных напряжений. В, r = 32 Ом, x = 72 Ом. Определите показание амперметра.
К трехфазной цепи приложена симметричная система линейных напряжений. В, r = 12 Ом, x = 3 Ом. Определите показание амперметра.
В симметричной трехфазной цепи фазные токи равны I = I = I = 10 А. После обрыва линейного провода А фазный ток I равен … А.
В симметричной трехфазной цепи линейное напряжение U = 10 В. После обрыва линейного провода В показания вольтметра электромагнитной системы равны … В.
В симметричной трехфазной цепи линейное напряжение U = 110 В. После обрыва линейного провода В показания вольтметра электромагнитной системы равны … В.
В симметричной трехфазной цепи линейное напряжение U = 100 В. После обрыва линейного провода С показания вольтметра электромагнитной системы равны … В.
Если показания двух ваттметров – 100 и 250 Вт, то потребляемая мощность симметричного трёхфазного приёмника составит … Вт
К трехфазной цепи приложена симметричная система линейных напряжений В, x = 90 Ом, x = 20 Ом. Определите показание амперметра.
К трехфазной цепи приложена симметричная система линейных напряжений В, x = 120 Ом. Определите показание амперметра.
К трехфазной цепи приложена симметричная система линейных напряжений. В, r = 72 Ом, x = 32 Ом. Определите показание амперметра.
В симметричной трехфазной цепи показания приборов вольтметра и амперметра соответственно равны В, I = 6 А. Показания ваттметра составят … Вт
К трехфазной цепи приложена симметричная система линейных напряжений В, x = 47 Ом, x = 75 Ом. Определите показание амперметра.
Если В, I = 4 А, то показания ваттметра составят … Вт.
В электрической цепи с индуктивно связанными элементами: Показания вольтметра (действующее значение) равны … В.
В электрической цепи с индуктивно связанными элементами R = 30 Ом, x = 30 Ом, x = 50 Ом, x = 120 Ом. Значение индуктивного сопротивления x в резонансном режиме равно … Ом.
В электрической цепи с индуктивно связанными элементами: Показания вольтметра (действующее значение) равны … В.
В электрической цепи с индуктивно связанными элементами E = 80 В, I = 4 А, R = R = 6 Ом, x = x = 20 Ом, x = 10 Ом. Значение индуктивного сопротивления x равно … Ом.
В электрической цепи с индуктивно связанными элементами: Показания вольтметра (действующее значение) равны … В.
В электрической цепи с индуктивно связанными элементами E = 60 В, I = 1,2 А, R = R = 20 Ом, x = x = 25 Ом, x = 44 Ом. Значение индуктивного сопротивления x равно … Ом.
В электрической цепи с индуктивно связанными элементами I = 1,5 А, R = R = 20 Ом, x = x = 15 Ом, x = 70 Ом, x = 5 Ом. Величина источника ЭДС E равна … В.
В электрической цепи с индуктивно связанными элементами: Показания вольтметра (действующее значение) равны … В.
В электрической цепи с индуктивно связанными элементами R = 25 Ом, x = 60 Ом, x = 40 Ом, x = 50 Ом. Значение индуктивного сопротивления x в резонансном режиме равно … Ом
В электрической цепи с индуктивно связанными элементами: Показания вольтметра (действующее значение) равны … В.
В электрической цепи переменного тока U = 30 B, Z = 6 – j8 Ом. Показания ваттметра равны … Вт.
Известны мгновенные значения токов: i (t) = 24·sin(ωt – 20°) A и i (t) = 32·sin(ωt + 160°) A.
Мгновенное значение 3-го тока равно
Выберите один ответ:
В электрической цепи синусоидального тока известны параметры цепи: Е = j50 B, Е = 100 B, Е = j100 B, Е = -j100 B, J = 4 - j3A, Y = 30 + j40 См, Y = 20 - j50 См, Y = 14 - j80 См, Y = 11 - j4 См, Y = 10 - j32 См, Y = 30 + j34 См, Y = 18 + j30 См, Y = 30 + j32 См. По методу узловых потенциалов величина модуля комплексной проводимости Y равна ... См.
В электрической цепи переменного тока мгновенные значения тока и входного напряжения равны: i(t) = 10 ·sin(ωt + 70°) A, u(t) = 20 ·sin(ωt + 70°) B. Напряжение на конденсаторе U = 40 B. Величина сопротивления x равна … Ом.
В электрической цепи синусоидального тока известны параметры цепи: Е = j50 B, Е = 100 B, Е = j100 B, Е = -j100 B, J = 4 - j3A, Y = 30 + j40 См, Y = 20 - j50 См, Y = 14 - j80 См, Y = 11 - j4 См, Y = 10 - j32 См, Y = 30 + j34 См, Y = 18 + j30 См, Y = 30 + j32 См. По методу узловых потенциалов величина модуля комплексной проводимости Y равна ... См.
В электрической цепи синусоидального тока известны параметры цепи: Е = j50 B, Е = 100 B, Е = j100 B, Е = -j100 B, J = 4 - j3A, Y = 30 + j40 См, Y = 20 - j50 См, Y = 14 - j80 См, Y = 11 - j4 См, Y = 10 - j32 См, Y = 32 + j24 См, Y = 18 - j16 См. По методу узловых потенциалов величина мнимой части комплексной проводимости Y равна ... См.
В электрической цепи переменного тока Z = 7 – j9 Ом, Z = 3 + j9 Ом и мощность, измеряемая ваттметром, равна 200 Вт. Полная мощность цепи S равна … В·А.
В электрической цепи синусоидального тока известны параметры цепи: Е = j50 B, Е = 100 B, Е = j100 B, Е = -j100 B, J = 0,4 - j0,3 A, Y = 0,3 + j0,4 См, Y = 0,2 - j0,5 См, Y = 0,14 - j0,8 См, Y = 0,11 - j0,04 См, Y = 0,1 - j0,32 См, Y = 0,32 + j0,24 См, Y = 0,18 - j0,16 См. По методу узловых потенциалов величина вещественной части 2-го узлового тока I равна ... А.
Известны комплексные амплитуды тока: I = 10 – j2 A и I = –4 – j6 A.
Мгновенное значение 3-го тока равно
Выберите один ответ:
Сопоставьте виды мощности в цепи переменного тока и их нахождение.
В электрической цепи переменного тока комплексные значения ЭДС равны: Е = 14 – j18 B, Е = 10 + j50 B, Е = 15 + j22 B. По методу контурных токов значение мнимой части контурной ЭДС Е равно … В.
В электрической цепи переменного тока мгновенные значения тока и входного напряжения равны: i(t) = 10 ·sin(ωt + 20°) A, u(t) = 20 ·sin(ωt + 20°) B. Напряжение на конденсаторе U = 50 B. Величина полного сопротивления цепи z равна … Ом.
Известны мгновенные значения токов: i (t) = 18·sin(ωt + 45°) A, i (t) = 6·sin(ωt – 135°) A, i (t) = 16·sin(ωt – 45°) A. Амплитудное значение 4-го тока I равно … А
В электрической цепи переменного тока заданы значения комплексных сопротивлений ветвей [Ом]. По методу контурных токов значение модуля Z равно … Ом.
В электрической цепи переменного тока показания приборов равны: ваттметра P = 640 Вт, амперметра I = 4 А и вольтметра U = 200 В. Тогда величина реактивного сопротивления x равна … Ом.
Для указанной конфигурации электрической цепи синусоидального тока сопоставьте топологические параметры и их количество.

В электрической цепи переменного тока U = 10 B, r = 15 Ом, r = 5 Ом, x = x = 10 Ом. Показания ваттметра равны … Вт.
В электрической цепи синусоидального тока известны параметры цепи: Е = j50 B, Е = 100 B, Е = j100 B, Е = -j100 B, J = 4 - j10 A, Y = 0,3 + j0,4 См, Y = 0,2 - j0,5 См, Y = 0,14 - j0,8 См, Y = 0,11 + j0,04 См, Y = 0,1 - j0,32 См, Y = 0,32 + j0,24 См, Y = 0,18 - j0,16 См. По методу узловых потенциалов величина мнимой части 3-го узлового тока I равна ... А.
Представлен временной график синусоидального напряжения.
Выражение для мгновенного значения напряжения принимает вид
Выберите один ответ:
Определите и сопоставьте по представленной осциллограмме тока и напряжения параметры синусоидальных величин. Масштаб по току m = 2 А/ см, масштаб по напряжению m = 50 В/см.
Если в электрической цепи переменного тока напряжения на участках цепи U = 40 В, U = 60 В, U = 30 В, то приложенное напряжение U равно … В.
'
Определите комплексную амплитуду и комплекс действующего значения синусоидальной функции: i(t) = 50·sin(wt + 60°) А.
Выберите один или несколько ответов:
В электрической цепи переменного тока r = 4 Ом, x = 4 Ом, x = 2 Ом, x = 12 Ом. Полное сопротивление z равно … Ом.
Если комплексное амплитудное значение тока I = 2 – j 2 A, то мгновенное значение тока запишется в виде
Выберите один ответ:
Если в электрической цепи переменного тока I = 5 A, I = 4 A, r = 9 Ом, то емкостное сопротивление x равно … Ом.
На электрическую цепь с параметрами r = x = 10 Ом воздействует источник синусоидального напряжения u = 198⋅sin(wt + 90°) B. Тогда действующее значение синусоидального тока I составит … А. Ответ округлить до целого числа.
Известны мгновенные значения тока и приложенного напряжения: i(t) = 3·sin(ωt + 60°) A, u(t) = 60·sin(ωt) B. Активное сопротивление цепи равно … Ом.
Представлен временной график синусоидального тока.
Выражение для мгновенного значения тока принимает вид
Выберите один ответ:
Задано комплексное действующее значение тока , тогда в алгебраической форме комплексная амплитуда тока и комплекс действующего тока запишутся в виде Выберите один или несколько ответов:
Если комплексное действующее значение напряжения U = – j 200 B, то мгновенное значение напряжения запишется в виде
Выберите один ответ:
Известны мгновенные значения тока и приложенного напряжения: i(t) = 2·sin(ωt – 30°) A, u(t) = 100·sin(ωt + 60°) B. Реактивное сопротивление цепи равно … Ом.
Задано мгновенное значение тока выражением: i(t) = 15·sin(150t + 30°) А. Сопоставьте параметры и их числовые значения представленной синусоидальной функции.
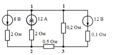
При известных параметрах линейной электрической цепи постоянного тока E = 50 В, R = 2 Ом, R = 8 Ом. Сопоставьте электрические величины и их значения.
По методу узловых потенциалов узловой ток 3-го узла составит … А.
По методу контурных токов значение R принимает значение … Ом.
Сопоставьте режим работы электрической цепи и коэффициент полезного действия в этом режиме.
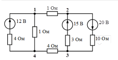
Если R = 60 Ом, R = 80 Ом, R = 40 Ом, R = 50 Ом, Е = 25 В, то значение напряжения холостого хода активного двухполюсника составит … В.
В приведенной линейной электрической цепи постоянного тока E = 105 В, R = 1 Ом, R = 20 Ом. Сопоставьте электрические величины и их числовые значения.
Какие электрические величины в режиме короткого замыкания принимают нулевые значения?
Сопоставьте источники энергии и их внешние характеристики.
При известных параметрах линейной электрической цепи постоянного тока E = 90 В, R = 5 Ом, R = 25 Ом. Сопоставьте электрические величины и их числовые значения.
Если E = 20 В, R = 20 Ом, R = 30 Ом, I = 15 А, то величина напряжения U составит ... В.
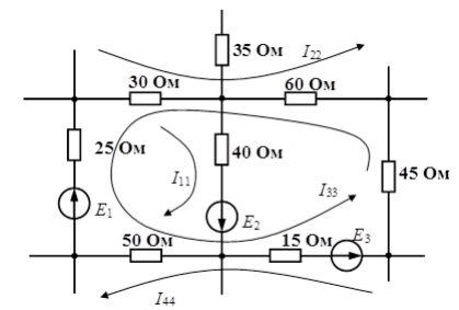
Если Е = 25 В, Е = 30 В, Е = 50 В, то по методу контурных токов значение Е принимает значение … В.
Сопоставьте электрические величины в согласованном режиме работы и значения, которые они принимают.
На приведенной потенциальной диаграмме значение тока, протекающего по участку цепи b–c, составит … А. В ответе положительное число.
По методу контурных токов значение R принимает значение … Ом
По методу узловых потенциалов взаимная проводимость между 1-м и 3-м узлами составит … См.
Сопоставьте источники энергии и их внутренние сопротивления.
По методу узловых потенциалов узловой ток 1-го узла составит … А.
Сопоставьте режим работы электрической цепи и ток внешней цепи.
Даны нагрузочная характеристика и рабочая точка активного двухполюсника. Сопоставьте электрические величины и их числовые значения.

По методу узловых потенциалов сопоставьте узловые токи и проводимости и их числовые значения.
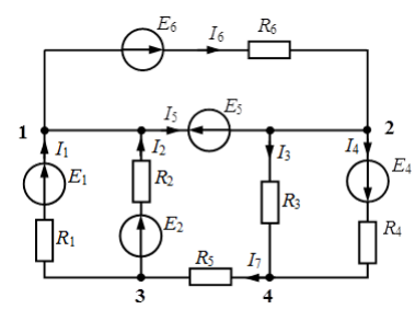
Сопоставьте независимые контуры и уравнения, составленные для них по II закону Кирхгофа

Если R = 40 Ом, R = 60 Ом, R = 40 Ом, R = 60 Ом, Е = 10 В, то значение напряжения холостого хода активного двухполюсника составит … В. В ответе положительное число.
Сопоставьте независимые контуры и уравнения, составленные для них по II закону Кирхгофа.

Сопоставьте узловые точки и уравнения, составленные для них по I закону Кирхгофа.
На приведенной потенциальной диаграмме величина напряжения между точками b–d составит … В. В ответе положительное число.
Сопоставьте узловые точки и уравнения, составленные для них по I закону Кирхгофа.

Сопоставьте электрические величины в режиме холостого хода и значения, которые они принимают.
По методу узловых потенциалов сопоставьте узловые токи и проводимости и их числовые значения.
Указаны истинные направления токов в ветвях, которые равны: I = 2 А, I = 4 А, I = 7 А, I = 9 А. Величины источников ЭДС равны: E = 5 В, E = 12 В, E = 10 В, E = 6 В. Сопоставьте мощности источников ЭДС и их числовые значения.
Если Е = 25 В, Е = 30 В, Е = 50 В, то по методу контурных токов значение Е принимает значение … В.
Если R = 40 Ом, R = 60 Ом, R = 40 Ом, R = 60 Ом, то внутреннее сопротивление активного двухполюсника равно … Ом.

Характеристики ответов (шпаргалок) к КР

Учебное заведение
Просмотров
0
Качество
Идеальное компьютерное
Количество вопросов
Картинка-подпись
Если нужен другой вариант работы или отдельная задача из любой работы, пишите в комментарии

Комментарии

Нет комментариев
Стань первым, кто что-нибудь напишет!
Поделитесь ссылкой:
Цена: 249 руб.
Расширенная гарантия +3 недели гарантии, +10% цены
Рейтинг автора
5 из 5
Поделитесь ссылкой:
Сопутствующие материалы

Подобрали для Вас услуги

-80%
Вы можете использовать полученные ответы для подготовки к экзамену в учебном заведении и других целях, не нарушающих законодательство РФ и устав Вашего учебного заведения.
Свежие статьи
Популярно сейчас
Как Вы думаете, сколько людей до Вас делали точно такое же задание? 99% студентов выполняют точно такие же задания, как и их предшественники год назад. Найдите нужный учебный материал на СтудИзбе!
Ответы на популярные вопросы
Да! Наши авторы собирают и выкладывают те работы, которые сдаются в Вашем учебном заведении ежегодно и уже проверены преподавателями.
Да! У нас любой человек может выложить любую учебную работу и зарабатывать на её продажах! Но каждый учебный материал публикуется только после тщательной проверки администрацией.
Вернём деньги! А если быть более точными, то автору даётся немного времени на исправление, а если не исправит или выйдет время, то вернём деньги в полном объёме!
Да! На равне с готовыми студенческими работами у нас продаются услуги. Цены на услуги видны сразу, то есть Вам нужно только указать параметры и сразу можно оплачивать.
Отзывы студентов
Ставлю 10/10
Все нравится, очень удобный сайт, помогает в учебе. Кроме этого, можно заработать самому, выставляя готовые учебные материалы на продажу здесь. Рейтинги и отзывы на преподавателей очень помогают сориентироваться в начале нового семестра. Спасибо за такую функцию. Ставлю максимальную оценку.
Лучшая платформа для успешной сдачи сессии
Познакомился со СтудИзбой благодаря своему другу, очень нравится интерфейс, количество доступных файлов, цена, в общем, все прекрасно. Даже сам продаю какие-то свои работы.
Студизба ван лав ❤
Очень офигенный сайт для студентов. Много полезных учебных материалов. Пользуюсь студизбой с октября 2021 года. Серьёзных нареканий нет. Хотелось бы, что бы ввели подписочную модель и сделали материалы дешевле 300 рублей в рамках подписки бесплатными.
Отличный сайт
Лично меня всё устраивает - и покупка, и продажа; и цены, и возможность предпросмотра куска файла, и обилие бесплатных файлов (в подборках по авторам, читай, ВУЗам и факультетам). Есть определённые баги, но всё решаемо, да и администраторы реагируют в течение суток.
Маленький отзыв о большом помощнике!
Студизба спасает в те моменты, когда сроки горят, а работ накопилось достаточно. Довольно удобный сайт с простой навигацией и огромным количеством материалов.
Студ. Изба как крупнейший сборник работ для студентов
Тут дофига бывает всего полезного. Печально, что бывают предметы по которым даже одного бесплатного решения нет, но это скорее вопрос к студентам. В остальном всё здорово.
Спасательный островок
Если уже не успеваешь разобраться или застрял на каком-то задание поможет тебе быстро и недорого решить твою проблему.
Всё и так отлично
Всё очень удобно. Особенно круто, что есть система бонусов и можно выводить остатки денег. Очень много качественных бесплатных файлов.
Отзыв о системе "Студизба"
Отличная платформа для распространения работ, востребованных студентами. Хорошо налаженная и качественная работа сайта, огромная база заданий и аудитория.
Отличный помощник
Отличный сайт с кучей полезных файлов, позволяющий найти много методичек / учебников / отзывов о вузах и преподователях.
Отлично помогает студентам в любой момент для решения трудных и незамедлительных задач
Хотелось бы больше конкретной информации о преподавателях. А так в принципе хороший сайт, всегда им пользуюсь и ни разу не было желания прекратить. Хороший сайт для помощи студентам, удобный и приятный интерфейс. Из недостатков можно выделить только отсутствия небольшого количества файлов.
Спасибо за шикарный сайт
Великолепный сайт на котором студент за не большие деньги может найти помощь с дз, проектами курсовыми, лабораторными, а также узнать отзывы на преподавателей и бесплатно скачать пособия.
Популярные преподаватели
Добавляйте материалы
и зарабатывайте!
Продажи идут автоматически
7214
Авторов
на СтудИзбе
249
Средний доход
с одного платного файла
Обучение Подробнее