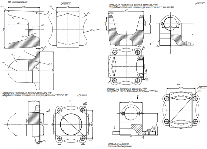
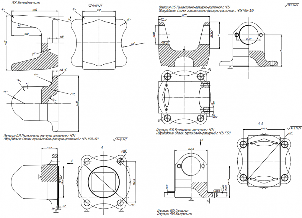
Для студентов МГТУ им. Н.Э.Баумана по предмету Технология производства машин (МТ-3)Технологический процессизготовления детали корпус и необходимое приспособлениеТехнологический процессизготовления детали корпус и необходимое приспособление
5,00527
2021-06-282021-06-28СтудИзба
Курсовая работа: Технологический процессизготовления детали корпус и необходимое приспособление
Описание
Характеристики курсовой работы
Учебное заведение
Просмотров
50
Размер
820,13 Kb
Список файлов
курсовой 9с
МТП.pdf
ОТП.pdf
ОТП2.pdf
Приспособление.pdf
Сборки приспособления.pdf
МГТУ им. Н.Э.Баумана



















