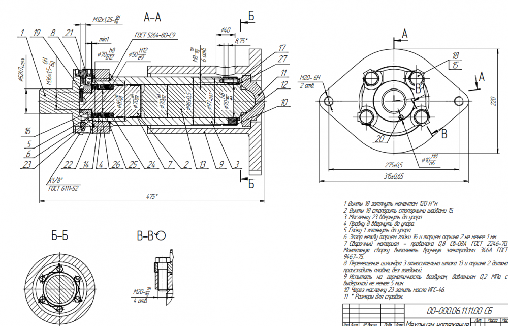
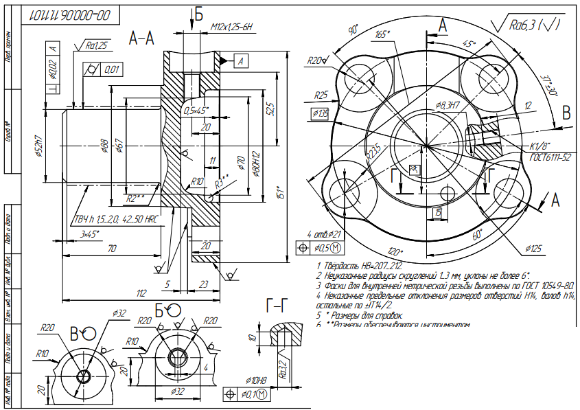
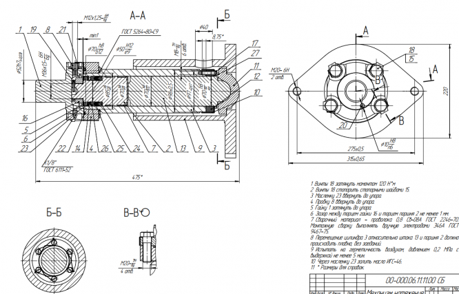
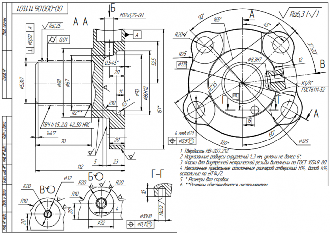
Для студентов МГТУ им. Н.Э.Баумана по предмету Построение технологических процессов (МТ-3)Построение технологических процессов изготовления ФланецПостроение технологических процессов изготовления Фланец
5,00531
2021-06-262021-06-26СтудИзба
Курсовая работа: Построение технологических процессов изготовления Фланец
Описание
Характеристики курсовой работы
Учебное заведение
Семестр
Просмотров
67
Размер
3,37 Mb
Список файлов
Курсовой проект по дисциплине «Построение технологических процессов»
12eb38b4-7de5-c960-6420-5bf97511f48b.pdf
d7abbac3-b410-1f7c-f93f-8874a627ddb1.pdf
d7d613be-077e-0fd6-91d7-4fc55174a15c.pdf
Деталь.pdf
МТП.pdf
ОТП.pdf
РПЗ.pdf
выбор заготовки.pdf
сборка.pdf
технология Сборки.pdf
Комментарии
Отзыв
найс,круто
МГТУ им. Н.Э.Баумана

















