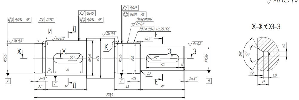
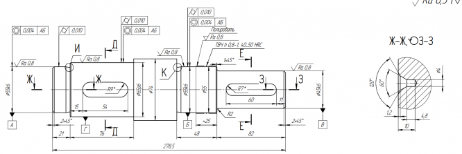
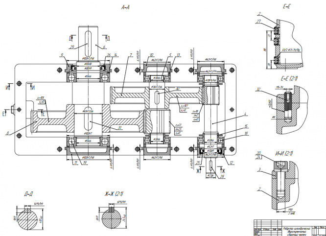
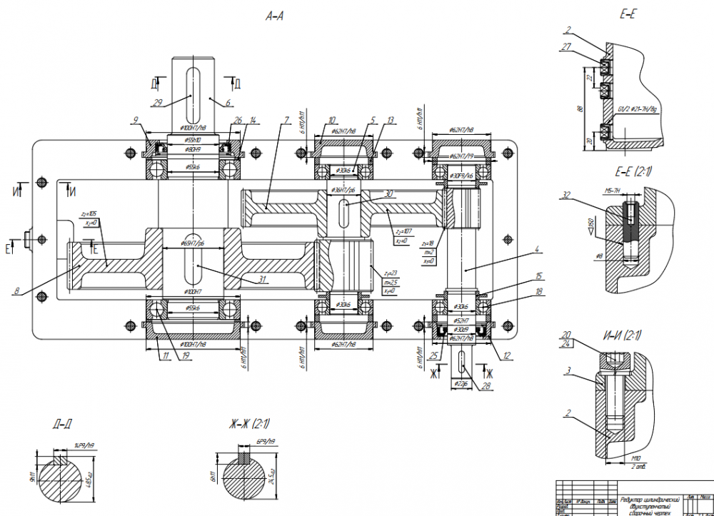
Для студентов МГТУ им. Н.Э.Баумана по предмету Построение технологических процессов (МТ-3)Технологические процессы изготовления тихоходного вала и сборка двухступенчатого цилиндрического редуктораТехнологические процессы изготовления тихоходного вала и сборка двухступенчатого цилиндрического редуктора
5,0056
2021-06-262021-06-26СтудИзба
Курсовая работа: Технологические процессы изготовления тихоходного вала и сборка двухступенчатого цилиндрического редуктора
Бестселлер
Описание
Технологические процессы изготовления тихоходного вала и сборка двухступенчатого цилиндрического редуктора
Характеристики курсовой работы
Учебное заведение
Семестр
Просмотров
74
Размер
4,11 Mb
Список файлов
курсовой проект 8 семестра
8732ffd1-8d1d-71d8-8c67-65d89de69708.pdf
358626bc-e9be-19e5-0610-bd0ab1232f23.pdf
bd187f40-09ee-d5b7-5640-192ba278b2c7.pdf
fd13a2af-8aa6-5137-82d3-0d472fa25b7e.pdf
Деталь.pdf
Контроль и выбора заготовки.pdf
МТП.pdf
ОТП.pdf
РПЗ.pdf
Сборка 2.pdf
Сборка.pdf
тех. Сборка.pdf
МГТУ им. Н.Э.Баумана


















