Для студентов МГТУ им. Н.Э.Баумана по предмету Детали машин (ДМ)ДМ 251 - Привод цепного конвейера с коническо - цилиндрическим редукторомДМ 251 - Привод цепного конвейера с коническо - цилиндрическим редуктором
5,00514
2021-04-222024-09-03СтудИзба
Курсовая работа ДМ: ДМ 251 - Привод цепного конвейера с коническо - цилиндрическим редуктором вариант 251
-64%
Описание
Защит на отлично!
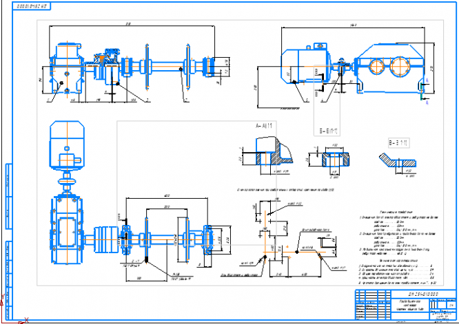
Чертеж в КОМПАС
Привод цепного конвейера с коническо - цилиндрическим редуктором
Введение
Цель выполнения данного проекта - спроектировать привод цепного конвейера с коническо - цилиндрическим редуктором.
Составными частями привода являются: электродвигатель, коническо - цилиндрический редуктор, 2 упругих муфты, приводной вал.
Привод работает следующим образом: вращающий момент передается с электродвигателя через упругую муфту на входной вал редуктора; с выходного вала редуктора через упругую муфту на приводной вал.
Требуется выполнить необходимые расчеты, выбрать наилучшие параметры схемы и разработать конструкторскую документацию, предназначенную для изготовления привода:
• чертеж общего вида редуктора (на стадии эскизного проекта);
• сборочный чертеж редуктора (на стадии технического проекта);
• рабочие чертежи деталей редуктора;
• чертеж общего вида привода;
• расчетно-пояснительную записку и спецификации;
![]()
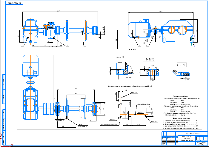
Чертеж в КОМПАС
Привод цепного конвейера с коническо - цилиндрическим редуктором
Введение
Цель выполнения данного проекта - спроектировать привод цепного конвейера с коническо - цилиндрическим редуктором.
Составными частями привода являются: электродвигатель, коническо - цилиндрический редуктор, 2 упругих муфты, приводной вал.
Привод работает следующим образом: вращающий момент передается с электродвигателя через упругую муфту на входной вал редуктора; с выходного вала редуктора через упругую муфту на приводной вал.
Требуется выполнить необходимые расчеты, выбрать наилучшие параметры схемы и разработать конструкторскую документацию, предназначенную для изготовления привода:
• чертеж общего вида редуктора (на стадии эскизного проекта);
• сборочный чертеж редуктора (на стадии технического проекта);
• рабочие чертежи деталей редуктора;
• чертеж общего вида привода;
• расчетно-пояснительную записку и спецификации;







Файлы условия, демо
Характеристики курсовой работы
Предмет
Учебное заведение
Семестр
Номер задания
Вариант
Программы
Просмотров
1086
Размер
1,83 Mb
Список файлов
Привод цепного конвейера с коническо - цилиндрическим редуктором
4.2.cdw
Лист 1и 2.cdw
Лист 3.cdw
Лист 4 - Тихоходный вал.cdw
Лист 4 - колесо.cdw
Лист 5.cdw
РПЗ.docx
Спецификация 1.pdf
Спецификация.pdf

Друзья, спасибо за доверие! Если вам понравилась работа – поставьте 5⭐ и напишите отзыв. Это поможет другим студентам, а мне даст силы делать ещё больше качественных материалов для вас 🔥