Для студентов МГТУ им. Н.Э.Баумана по предмету Электротехника (ЭлТех)9 Вариант ДЗ №2 , выполнено в Word и MathCad “РАСЧЕТ РАЗВЕТВЛЕННОЙ ЭЛЕКТРИЧЕСКОЙ ЦЕПИ ПЕРЕМЕННОГО ТОКА”, проверено 2020г9 Вариант ДЗ №2 , выполнено в Word и MathCad “РАСЧЕТ РАЗВЕТВЛЕННОЙ ЭЛЕКТРИЧЕСКОЙ ЦЕПИ ПЕРЕМЕННОГО ТОКА”, проверено 2020г
5,00532
2020-05-242020-05-24СтудИзба
9 Вариант ДЗ №2 , выполнено в Word и MathCad “РАСЧЕТ РАЗВЕТВЛЕННОЙ ЭЛЕКТРИЧЕСКОЙ ЦЕПИ ПЕРЕМЕННОГО ТОКА”, проверено 2020г
Бестселлер
Описание



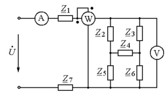
РАСЧЕТ РАЗВЕТВЛЕННОЙ ЭЛЕКТРИЧЕСКОЙ ЦЕПИ ПЕРЕМЕННОГО ТОКА
- Начертить расчетную электрическую схему и записать исходные данные.
- Рассчитать сопротивления реактивных элементов и записать в комплексной форме сопротивления ветвей схемы.
- Определить токи во всех ветвях схемы.
- Рассчитать и построить векторные диаграммы токов и напряжений.
- Определить показания измерительных приборов.
- Рассчитать баланс мощностей и коэффициент мощности схемы.
Характеристики домашнего задания
Предмет
Учебное заведение
Семестр
Номер задания
Вариант
Просмотров
545
Размер
1,66 Mb
Список файлов
Dz2.xmcd
Metodichka_Dlya_Dz_2.pdf
dz2_E3-61.docx

Ваше экономие времени является моей ГЛАВНОЙ задачей! Если я Вам хоть чуть-чуть помог, пожалуйста, сделайте и мне приятное, оставьте 5 ЗВЁЗД и позитивный комментарий. Большое спасибо!