Для студентов МГТУ им. Н.Э.Баумана по предмету Построение технологических процессов (МТ-3)Построение технологических процессов изготовления детали центральный стаканПостроение технологических процессов изготовления детали центральный стакан
5,00527
2021-06-262021-06-26СтудИзба
Курсовая работа: Построение технологических процессов изготовления детали центральный стакан
Описание
Построение технологических процессов изготовления детали центральный стакан
Расчетно-пояснительная записка к курсовой работе по дисциплине
«Технология производства машин» содержит N страниц машинописного
текста, 5 приложения, 6 таблиц, 18 использованных источников.
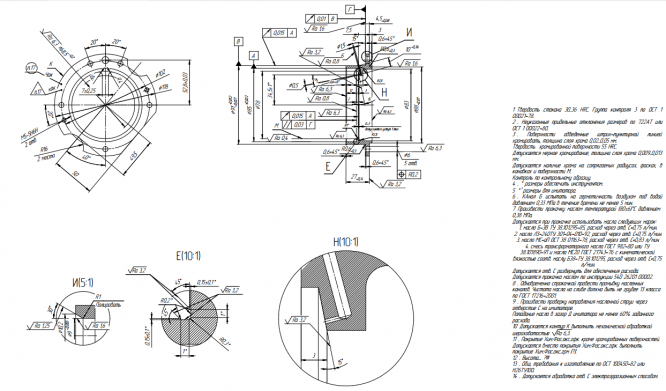
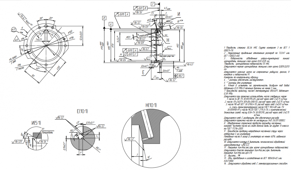
В проекте по выданному заданию был разработан технологический
процесс изготовления детали «центральный стакан» с использованием
высокопроизводительных станков с ЧПУ. Выбран метод получения заготовки,
рассчитаны припуски на механическую обработку, вычислены режимы
операций механической обработки.
Разработано 1 приспособление для вертикально-прошивной операции –
приспособления для прошивки отверстия. Описана конструкция и работа
приспособлений.
Также разработан технологический процесс сборки приспособления для
прошивки отверстия.
Расчетно-пояснительная записка к курсовой работе по дисциплине
«Технология производства машин» содержит N страниц машинописного
текста, 5 приложения, 6 таблиц, 18 использованных источников.
В проекте по выданному заданию был разработан технологический
процесс изготовления детали «центральный стакан» с использованием
высокопроизводительных станков с ЧПУ. Выбран метод получения заготовки,
рассчитаны припуски на механическую обработку, вычислены режимы
операций механической обработки.
Разработано 1 приспособление для вертикально-прошивной операции –
приспособления для прошивки отверстия. Описана конструкция и работа
приспособлений.
Также разработан технологический процесс сборки приспособления для
прошивки отверстия.
Характеристики курсовой работы
Учебное заведение
Семестр
Просмотров
26
Размер
2,38 Mb
Список файлов
Курсовой проект по дисциплине Проектирование технологических процессов
7df25811-4775-c5de-93b2-58ec46bb3a17.pdf
066f84a5-5e05-9321-7997-50d6cb666af2.pdf
5718d34d-8b35-bf77-fbc5-656efb680773.pdf
49543974-bf3e-7d94-ffd2-1d45a8626242.pdf
baaf7106-02aa-79a4-5570-b9e9327152af.pdf
df8a806f-4d5f-997c-680e-fe27b80d888b.pdf
МГТУ им. Н.Э.Баумана


















