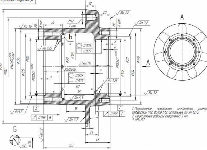
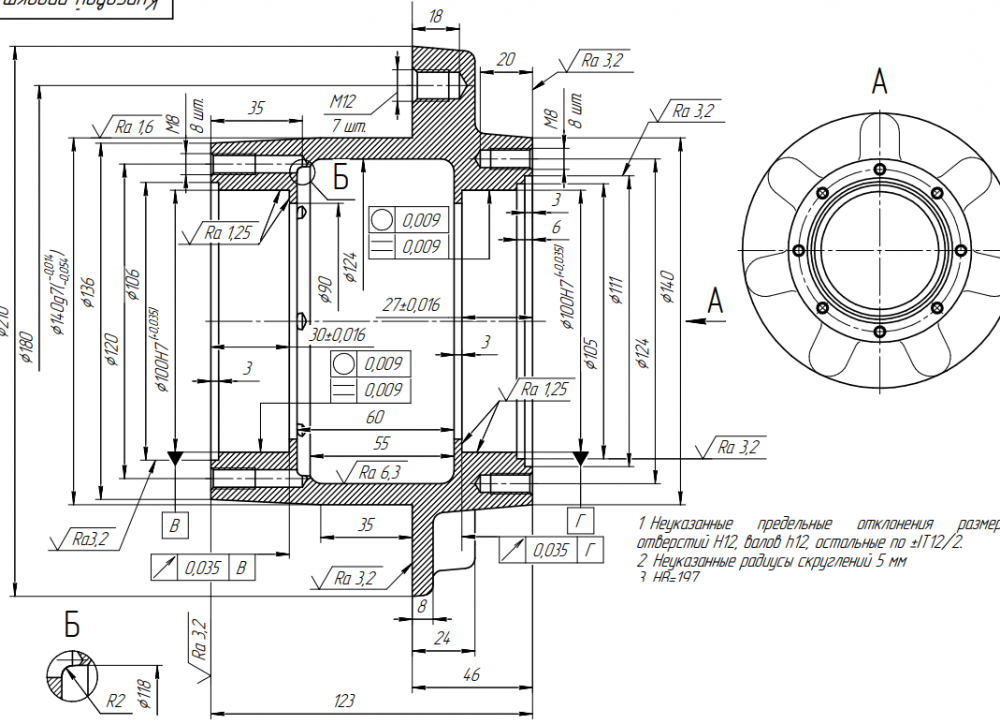
Для студентов МГТУ им. Н.Э.Баумана по предмету Построение технологических процессов (МТ-3)Технологические процессы сборки Каток опорный и изготовления деталиТехнологические процессы сборки Каток опорный и изготовления детали
5,00528
2021-06-262021-06-26СтудИзба
Курсовая работа: Технологические процессы сборки Каток опорный и изготовления детали
Описание
Характеристики курсовой работы
Учебное заведение
Семестр
Просмотров
143
Размер
2,24 Mb
Список файлов
Технологические процессы сборки узла и изготовления детали
68487350-85b0-73d5-61b8-5a83d3f0cbc5.pdf
d39d0fe5-e3cc-8d59-d606-51306b2eae79.pdf
e10b9c1e-b723-0b7a-c443-aac87dbcb24a.pdf
Выбор заготовки.pdf
Деталь.pdf
МТП 2.pdf
МТП.pdf
РПЗ.pdf
Сборка.pdf
тех. сборка.pdf
Комментарии
Нет комментариев
Стань первым, кто что-нибудь напишет!
МГТУ им. Н.Э.Баумана

















