Для студентов МГТУ им. Н.Э.Баумана по предмету Технология производства машин (МТ-3)Технологические процессы сборки редуктора и изготовления детали тихоходный валТехнологические процессы сборки редуктора и изготовления детали тихоходный вал
5,00522
2021-02-172021-02-17СтудИзба
Курсовая работа: Технологические процессы сборки редуктора и изготовления детали тихоходный вал
Описание
Технологические процессы сборки редуктора и изготовления детали тихоходный вал
Содержание
- АННОТАЦИЯ 1
- ВВЕДЕНИЕ 3
- 1. Проектирование технологического процесса сборки 4
- 1.1. Служебное назначение изделия 4
- 1.2. Анализ технических требований 6
- 1.3. Анализ технологичности конструкции сборочного узла 7
- 1.4. Выбор методов достижения точности сборки и расчет размерных цепей 12
- 1.5. Разработка технологического процесса сборки 17
- 2. Проектирование технологического процесса изготовления детали 24
- 2.1. Служебное назначения детали в изделии 24
- 2.2. Анализ технических требований 26
- 2.3. Анализ технологичности конструкции детали 30
- 2.4. Выбор метода изготовления заготовки 31
- 2.5. Разработка маршрута обработки основных поверхностей детали 33
- 2.6. Разработка маршрутного технологического процесса 35
- 2.7. Разработка операционного технологического процесса 41
- Заключение 55
- Список использованных источников 56
Аннотация
В данном проекте был спроектирован технологический процесс сборки узла «Редуктор» и спроектирован технический процесс изготовления детали «Тихоходный вал», которая является составной частью этого узла.Также в ходе курсового проектирования было разработано приспособление для механической обработки детали «Тихоходный вал».
Введение
Технологическое проектирование для машиностроительных специальностей вузов является важным этапом процесса формирования знаний инженера-машиностроителя. В настоящее время, основными направлениями развития машиностроения являются: комплексная автоматизация технологических процессов и использование экономичных способов получения заготовок деталей машин, что позволяет сократить участие человека в процессе изготовления и, следовательно, повысить качество продукции, а также сократить расходы, связанные с низким коэффициентом использования металла и временными затратами на механическую обработку.В данном курсовом проекте разрабатывается технологический процесс сборки двухступенчатого цилиндрического редуктора, предназначенного для передачи исполнительному механизму крутящего момента и разработан технологический процесс обработки детали тихоходный вал.
Требование современности – выпуск конкурентоспособных изделий, востребованных на внутреннем и внешнем рынке. В связи с этим основными направлениями развития современной технологии являются: переход от прерывистых, дискретных технологических процессов к непрерывным автоматизированным, обеспечивающим увеличение масштабов производства и качества продукции; внедрение безотходной технологии для наиболее полного использования сырья, материалов, энергии, топлива и повышения производительности труда; создание гибких производственных систем, широкое использование роботов и роботизированным технологических комплексов в машиностроении и приборостроении.
Задание ![]()
Чертежи
Лист 1 - Технологический процесс сборки редуктора ![]()
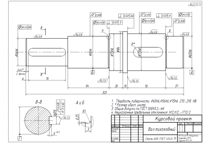
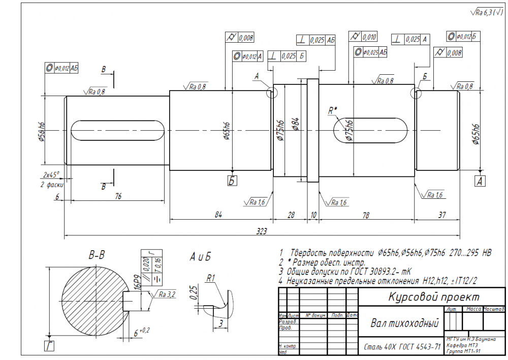
Лист 2 - Маршрутный технологический процесс изготовления детали вала ![]()
Лист 3 - Маршрутный технологический процесс изготовления детали вала ![]()
Лист 4 - Операционные эскизы обработки тихоходного вала ![]()
Лист 5 - Операционные эскизы обработки тихоходного вала ![]()
Карты
Маршрутная карта детали ![]()
Маршрутная карта сборки ![]()
Операционная карта ![]()
Файлы условия, демо
Характеристики курсовой работы
Учебное заведение
Программы
Теги
Просмотров
212
Качество
Идеальное компьютерное
Размер
3,12 Mb
Список файлов
Задание.docx
Задание - Тихоходный вал.dwg
Задание - Тихоходный вал.pdf
Задание - Редуктор.dwg
Задание - Редуктор.pdf
Лист 1 - Технологический процесс сборки редуктора.dwg
Лист 1 - Технологический процесс сборки редуктора.pdf
Лист 2 - Маршрутный технологический процесс изготовления детали вала.dwg
Лист 2 - Маршрутный технологический процесс изготовления детали вала.pdf
Лист 3 - Маршрутный технологический процесс изготовления детали вала.dwg
Лист 3 - Маршрутный технологический процесс изготовления детали вала.pdf
Лист 4 - Операционные эскизы обработки тихоходного вала.dwg
Лист 4 - Операционные эскизы обработки тихоходного вала.pdf
Лист 5 - Операционные эскизы обработки тихоходного вала.dwg
Лист 5 - Операционные эскизы обработки тихоходного вала.pdf
Маршрутная карта детали.xlsx
Маршрутная карта сборки.xlsx
Операционная карта.xlsx
Спецификация - Редуктор.pdf
РПЗ.docx

Вам все понравилось? Получите кэшбэк - 40 рублей на Ваш счёт при покупке. Поставьте оценку и напишите положительный комментарий к купленному файлу. После Вы получите деньги на ваш счет.
Комментарии

RichardM1n: Здравствуйте, мне нужно выполнить похожую курсовую работу, как с вами связаться?
Здравствуйте! К сожалению, на заказ не выполняю.

Здравствуйте, мне нужно выполнить похожую курсовую работу, как с вами связаться?